one
Mounting options Product dimensions
Exploded drawing Technical data
one 12.9 Inch Mounting Frame with Charging
Owner’s Manual
one 12.9 Inch Mounting Frame with Charging
Attach one to the wall box.
Power supply: 100-240Vac or PoE (Power over Ethernet)
Article:
Mounting Set In wall Incl. wall box, power supply unit and mounting material
![]() | ![]() |
| side view from left to right: wall box, wall, wall spacer, one | back view ! Attention: Measurements show one for iPad 9.7 inch. Measurements for other generation on following page. The size of one varies depending on the iPad generation. Mounting plate is always the same, it allows you to change iPad generation easily. Scaled-ready drilling template at www.viveroo.com/downloads |
Mounting options: without wall box
Installation in furniture, cabinets, wooden materials displays etc.
Direct screw-mounting.
Power supply unit: USB-connector or PoE (Power over Ethernet)
Article: Mounting Set Furniture Incl. callbox, power supply unit and mounting material
![]() | ![]() |
| side view from left to right: wall, wall spacer, one Please note: Use hole saw ∅40mm to put the connector through. | back view ! Attention: Measurements show one for iPad 9.7 inch. Measurements for other generation on following page. The size of one varies depending on the iPad generation. Mounting plate is always the same, it allows you to change iPad generation easily. Scaled-ready drilling template at www.viveroo.com/downloads |
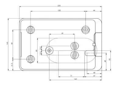
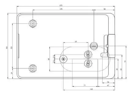
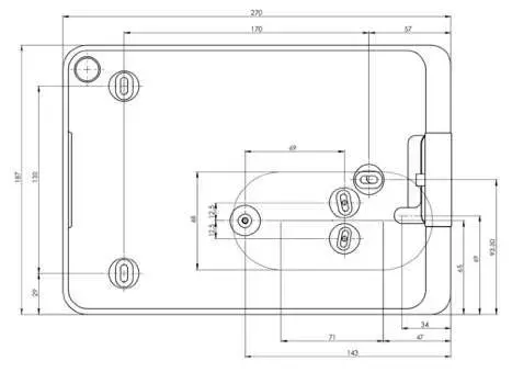
Product dimensions (incl. position of wall box)
one fur …
… iPad mini 4/5

… iPad 10.2 inch (09/2019), Air (2019), Pro 10.5 inch

… iPad Pro 11 inch, Air 10.9 inch

… iPad Pro 12.9 inch (3rd/4th Gen 2018/2020)

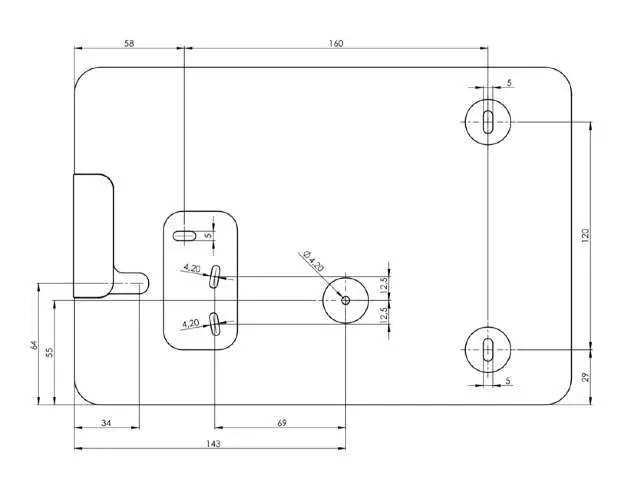
Exploded drawing

Technical specifications
one
| Product contents | |
| Compatibility | Electrical operation of viceroy products is permitted only in connection with viceroy Mounting Set and power supply and cable included in the Mounting Set. Operation of viceroy iPad mounts without a Mounting Set will lead to immediate loss of guarantee and warranty. |
| Weight | fur iPad mini: 740 g fur iPad 10.2 inch (09/2019), Air (2019), Pro 10.5 inch: 866 g fur iPad Pro 11 inch, Air 10.9 inch: 952 g für iPad Pro 12.9 inch: 1.118 g |
| Electrical connections | 5,4Vdc 3A via USB-A |
| Disconnect from power supply | vireo iPad mounts may be removed from the power supply via the circuit breaker in the respective rooms. |
| CE & Co. | All viceroy products have CE certification. viceroy iPad mounts are quality “Made in Germany”. We use only high-quality parts and components produced by market leaders. viceroy customers are proud of their iPad garage. |
| one with PoE Adapter | Input 48-56Vdc via RJ45 port PoE standard 802.3af for iPads with Lightning connector; 802.3at for iPads with USBC connector |
Mounting Furniture
| Product contents | – Installation guide Furniture – USB Power Adapter (For USB-A: 100-240Vac, 50/60Hz, 12,5W, For USB-C: 100-240Vac, 50/60Hz, PD 3.0, up to 18W) – True-to-scale drilling template – Mounting material |
Mounting In wall
| Product contents | – Installation guide In wall – free flush-mount box with installation disc, incl. integrated level – Power supply unit (IN: 100-240 Vac, 50/60 Hz, OUT: 5,2 Vdc) installed on installation plate or USB Power Adapter USB-C: 100-240Vac, 50/60Hz, PD 3.0, up to 18W |
Technical changes and mistakes are excepted.
Mounting options one






















