QLIGHT ST8 LED Steady Flashing Tower Lights User Manual
Thank you for purchasing Qlight’s products. Please read this user manual carefully prior to installation and operation to ensure safe and correct use.
Precautions for Safety
Failure to follow the instructions below may cause a loss of life or serious physical injury.
- During wiring or maintenance, please completely turn off the power of the product. (Failure to follow this may lead to an electric shock.)
- Do not install the product in locations that subjects it to excessive dust or water other than the conditions designated by the IP protection ratings indicated for each product. (Failure to follow these instructions may cause a fire to the product, electric shock, physical injury, malfunction or damage to the product.)
- Do not alter or repair this product. If maintenance or repair service is required, please contact your local Qlight contact point. (Failure to follow these instructions may lead to fire, electric shock, or product damage.)
- Please apply the correct voltage to the product. (Failure to follow these instructions may lead to fire, electric shock, or product damage.)
- When the product is applied to a condition that may impact lives or property, please make sure to have a double safety device. (Failure to follow this may cause damage to property, fire, electric shock and loss of life.)
Precautions for Correct Use
Failure to follow the proper instructions may cause damage to property, the product, or malfunction of the product that would void the warranty.
- Please remove any objects that can interrupt ventilation around the product.
- Please turn off the power of the product immediately if it fails to operate properly.
- Carefully wire the product according to each product’s specification.
- Please be careful in preventing chemicals such as thinner, benzene, etc. in contact with the surface of the product.
- Do not apply excessive force/impact to the product.
- Failure to follow any of the instructions above may cause malfunction or damage to the product, fire, and electric shock.
Ordering Specifications




Product Specifications
ST45ML
| Model number | Layer count | Voltage | Current | Certificate | Weight | Color |
| AC/DC12V | 0.040A | ![]() | 0.19kg | |||
| 1 | AC/DC24V AC110V | 0.040A 0.024A | 0.19kg 0.25kg | R-Red | ||
| AC220V | 0.012A | 0.25kg | ||||
| AC/DC12V | 0.080A | 0.21kg | ||||
| * ST45ML * ST45ML-BZ | 2 | AC/DC24V AC110V | 0.080A 0.026A | 0.21kg 0.29kg | R-Red G-Green | |
| ST45ML-WS | AC220V | 0.013A | 0.29kg | |||
| ST45ML-WM ST45ML-WA* ST45MLF* ST45MLF-BZ | 3 | AC/DC12V AC/DC24V AC110V AC220V | 0.120A 0.120A 0.028A 0.014A | 0.25kg 0.25kg 0.34kg 0.34kg | R-Red A-Amber G-Green | |
| ST45MLF-WS ST45MLF-WM ST45MLF-WA | 4 | AC/DC12V AC/DC24V AC110V | 0.160A 0.160A 0.031A | 0.30kg 0.30kg 0.38kg | R-Red A-Amber G-Green | |
| AC220V | 0.015A | 0.38kg | B-Blue | |||
| 5 | AC/DC12V AC/DC24V AC110V AC220V | 0.200A 0.200A 0.033A 0.016A | 0.34kg 0.34kg 0.42kg 0.42kg | R-Red A Amber G-Green B-Blue W-White |
ST45L
| Model number | Layer count | Voltage | Current | Certificate | Weight | Color |
| AC/DC12V | 0.040A | ![]() | 0.35kg | |||
| 1 | AC/DC24VAC110V | 0.040A0.024A | 0.35kg 0.45kg | R-Red | ||
| AC220V | 0.012A | 0.45kg | ||||
| AC/DC12V | 0.080A | 0.39kg | ||||
| * ST45L* ST45L-BZ | 2 | AC/DC24VAC110V | 0.080A0.026A | 0.39kg 0.49kg | R-RedG-Green | |
| ST45L-WS | AC220V | 0.013A | 0.49kg | |||
| ST45L-WM ST45L-WA* ST45LF* ST45LF-BZ | 3 | AC/DC12V AC/DC24V AC110V AC220V | 0.120A0.120A0.028A0.014A | 0.44kg 0.44kg 0.54kg 0.54kg | R-RedA-Amber G-Green | |
| ST45LF-WS ST45LF-WMST45LF-WA | 4 | AC/DC12V AC/DC24V AC110V | 0.160A0.160A0.031A | 0.48kg 0.48kg 0.58kg | R-RedA-Amber G-Green | |
| AC220V | 0.015A | 0.58kg | B-Blue | |||
| 5 | AC/DC12V AC/DC24V AC110V AC220V | 0.200A0.200A0.033A0.016A | 0.52kg 0.52kg 0.62kg 0.62kg | R-RedA-Amber G-Green B-Blue W-White |
ST56MEL
| Model number | Layer count | Voltage | Current | Certificate | Weight | Color |
| AC/DC12V | 0.060A | ![]() | 0.26kg | |||
| 1 | AC/DC24VAC110V | 0.040A0.044A | 0.26kg 0.42kg | R-Red | ||
| AC220V | 0.022A | 0.42kg | ||||
| AC/DC12V | 0.120A | 0.32kg | ||||
| * ST56MEL* ST56MEL-BZ | 2 | AC/DC24VAC110V | 0.080A0.048A | 0.32kg 0.48kg | R-RedG-Green | |
| ST56MEL-WS | AC220V | 0.024A | 0.48kg | |||
| ST56MEL-WM ST56MEL-WA* ST56MELF* ST56MELF-BZ | 3 | AC/DC12V AC/DC24V AC110V AC220V | 0.180A0.120A0.053A0.026A | 0.37kg 0.37kg 0.54kg 0.54kg | R-RedA-Amber G-Green | |
| ST56MELF-WS ST56MELF-WMST56MELF-WA | 4 | AC/DC12V AC/DC24V AC110V | 0.240A0.160A0.057A | 0.43kg 0.43kg 0.59kg | R-RedA-Amber G-Green | |
| AC220V | 0.028A | 0.59kg | B-Blue | |||
| 5 | AC/DC12V AC/DC24V AC110V AC220V | 0.300A0.200A0.062A0.031A | 0.49kg 0.49kg 0.65kg 0.65kg | R-RedA-Amber G-Green B-Blue W-White |
ST56EL
Model number | Layer count | Voltage | Current | Certificate | Weight | Color |
| AC/DC12V | 0.060A | ![]() | 0.41kg | |||
| 1 | AC/DC24V AC110V | 0.040A 0.044A | 0.41kg 0.57kg | R-Red | ||
| AC220V | 0.022A | 0.57kg | ||||
| AC/DC12V | 0.120A | 0.47kg | ||||
| * ST56EL * ST56EL-BZ | 2 | AC/DC24V AC110V | 0.080A 0.048A | 0.47kg 0.62kg | R-Red G-Green | |
| ST56EL-WS | AC220V | 0.024A | 0.62kg | |||
| ST56EL-WM ST56EL-WA * ST56ELF * ST56ELF-BZ | 3 | AC/DC12V AC/DC24V AC110V AC220V | 0.180A 0.120A 0.053A 0.026A | 0.52kg 0.52kg 0.68kg 0.68kg | R-Red A-Amber G-Green | |
| ST56ELF-WS ST56ELF-WM ST56ELF-WA | 4 | AC/DC12V AC/DC24V AC110V | 0.240A 0.160A 0.057A | 0.58kg 0.58kg 0.74kg | R-Red A-Amber G-Green | |
| AC220V | 0.028A | 0.74kg | B-Blue | |||
|
5 | AC/DC12V AC/DC24V AC110V AC220V | 0.300A 0.200A 0.062A 0.031A | 0.63kg 0.63kg 0.75kg 0.75kg | R-Red A-Amber G-Green B-Blue W-White |
ST56ML
Model number | Layer count | Voltage | Current | Certificate | Weight | Color |
| AC/DC12V | 0.120A | ![]() | 0.22kg | |||
| 1 | AC/DC24V AC110V | 0.080A 0.048A | 0.22kg 0.45kg | R-Red | ||
| AC220V | 0.024A | 0.45kg | ||||
| AC/DC12V | 0.240A | 0.30kg | ||||
| * ST56ML * ST56ML-BZ | 2 | AC/DC24V AC110V | 0.160A 0.057A | 0.30kg 0.53kg | R-Red G-Green | |
| ST56ML-WS | AC220V | 0.028A | 0.53kg | |||
| ST56ML-WM ST56ML-WA *ST56MLF *ST56MLF-BZ | 3 | AC/DC12V AC/DC24V AC110V AC220V | 0.360A 0.240A 0.066A 0.033A | 0.38kg 0.38kg 0.61kg 0.61kg | R-Red A-Amber G-Green | |
| ST56MLF-WS ST56MLF-WM ST56MLF-WA | 4 | AC/DC12V AC/DC24V AC110V | 0.480A 0.320A 0.075A | 0.46kg 0.46kg 0.70kg | R-Red A-Amber G-Green | |
| AC220V | 0.037A | 0.70kg | B-Blue | |||
| 5 | AC/DC12V AC/DC24V AC110V AC220V | 0.600A 0.400A 0.082A 0.041A | 0.54kg 0.54kg 0.78kg 0.78kg | R-Red A-Amber G-Green B-Blue W-White |
ST56L
| Model number | Layer count | Voltage | Current | Certificate | Weight | Color |
| AC/DC12V | 0.120A | ![]() | ||||
| 0.080A0.048A | 0.44kg 0.60kg | R-Red | ||||
| AC220V | 0.024A | 0.60kg | ||||
| AC/DC12V | 0.240A | 0.52kg | ||||
| * ST56L* ST56L-BZ ST56L-WS ST56L-WM ST56L-WA* ST56LF* ST56LF-BZ ST56LF-WS ST56LF-WM ST56LF-WA | 2 | AC/DC24VAC110V AC220V | 0.160A0.057A0.028A | 0.52kg 0.68kg 0.68kg | R-Red G-Green | |
| 3 | AC/DC12V AC/DC24V AC110V AC220V | 0.360A0.240A0.066A0.033A | 0.60kg 0.60kg 0.76kg 0.76kg | R-RedA-Amber G-Green | ||
| 4 | AC/DC12V AC/DC24V AC110V AC220V | 0.480A0.320A0.075A0.037A | 0.68kg 0.68kg 0.84kg 0.84kg | R-RedA-Amber G-Green B-Blue | ||
| 5 | AC/DC12V AC/DC24V AC110V AC220V | 0.600A0.400A0.082A0.041A | 0.77kg 0.77kg 0.93kg 0.93kg | R-RedA-Amber G-Green B-Blue W-White |
- Models with an asterisk mark (*) have certification.
- CE compliant : DC12V/24V
- UL listed : DC24V
ST80MEL
| Model number | Layer count | Voltage | Current | Certificate | Weight | Color |
| AC/DC12V | 0.080A | ![]() | 0.36kg | |||
| 1 | AC/DC24VAC110V | 0.040A0.046A | 0.36kg 0.59kg | R-Red | ||
| AC220V | 0.023A | 0.59kg | ||||
| AC/DC12V | 0.160A | 0.45kg | ||||
| * ST80MEL* ST80MEL-BZ | 2 | AC/DC24VAC110V | 0.080A0.051A | 0.45kg 0.68kg | R-RedG-Green | |
| ST80MEL-WS | AC220V | 0.025A | 0.68kg | |||
| ST80MEL-WM ST80MEL-WA ST80MELFST80MELF-BZ | 3 | AC/DC12V AC/DC24V AC110V AC220V | 0.240A0.120A0.057A0.028A | 0.55kg 0.55kg 0.76kg 0.76kg | R-RedA-Amber G-Green | |
| ST80MELF-WS | AC/DC12V | 0.320A | 0.64kg | R-Red | ||
| ST80MELF-WMST80MELF-WA | 4 | AC/DC24VAC110V | 0.160A0.064A | 0.64kg 0.87kg | A-Amber G-Green | |
| AC220V | 0.032A | 0.87kg | B-Blue | |||
| 5 | AC/DC12V AC/DC24V AC110V AC220V | 0.400A0 .200A0. 071A0.035A | 0.73kg 0.73kg 0.96kg 0.96kg | R-RedA-Amber G-Green B-Blue W-White |
ST80EL
| Model number | Layer count | Voltage | Current | Certificate | Weight | Color |
| AC/DC12V | 0.080A | ![]() | 0.58kg | |||
| 1 | AC/DC24VAC110V | 0.040A0.046A | 0.58kg 0.81kg | R-Red | ||
| AC220V | 0.023A | 0.81kg | ||||
| AC/DC12V | 0.160A | 0.67kg | ||||
| * ST80EL* ST80EL-BZ ST80EL-WS ST80EL-WM ST80EL-WA ST80ELF ST80ELF-BZ ST80ELF-WS ST80ELF-WM ST80ELF-WA | 2 | AC/DC24VAC110V AC220V | 0.080A0.051A0.025A | 0.67kg 0.91kg 0.91kg | R-Red G-Green | |
| 3 | AC/DC12V AC/DC24V AC110V AC220V | 0.240A0.120A0.057A0.028A | 0.77kg 0.77kg 1.00kg 1.00kg | R-RedA-Amber G-Green | ||
| 4 | AC/DC12V AC/DC24V AC110V AC220V | 0.320A0.160A0.064A0.032A | 0.86kg 0.86kg 1.09kg 1.09kg | R-RedA-Amber G-Green B-Blue | ||
| 5 | AC/DC12V AC/DC24V AC110V AC220V | 0.400A0.200A0.071A0.035A | 0.95kg 0.95kg 1.19kg 1.19kg | R-RedA-Amber G-Green B-Blue W-White |
ST80ML
| Model number | Layer count | Voltage | Current | Certificate | Weight | Color |
| AC/DC12V | 0.160A | ![]() | 0.40kg | |||
| 1 | AC/DC24VAC110V | 0.080A0.055A | 0.40kg 0.64kg | R-Red | ||
| AC220V | 0.027A | 0.64kg | ||||
| AC/DC12V | 0.320A | 0.54kg | ||||
| * ST80ML* ST80ML-BZ | 2 | AC/DC24VAC110V | 0.160A0.064A | 0.54kg 0.78kg | R-RedG-Green | |
| ST80ML-WS | AC220V | 0.032A | 0.78kg | |||
| ST80ML-WM ST80ML-WA ST80MLFST80MLF-BZ | 3 | AC/DC12V AC/DC24V AC110V AC220V | 0.480A0.240A0.073A0.036A | 0.68kg 0.68kg 0.92kg 0.92kg | R-RedA-Amber G-Green | |
| ST80MLF-WS | AC/DC12V | 0.640A | 0.83kg | R-Red | ||
| ST80MLF-WMST80MLF-WA | 4 | AC/DC24VAC110V | 0.320A0.084A | 0.83kg 1.06kg | A-Amber G-Green | |
| AC220V | 0.042A | 1.06kg | B-Blue | |||
| 5 | AC/DC12V AC/DC24V AC110V AC220V | 0.800A0 400A0 093A0 .046A | 0.97kg 0.97kg 1.20kg 1.20kg | R-RedA-Amber G-Green B-Blue W-White |
ST80L
| Model number | Layer count | Voltage | Current | Certificate | Weight | Color |
| AC/DC12V | 0.160A | ![]() | 0.62kg | |||
| 1 | AC/DC24VAC110V | 0.080A0.055A | 0.62kg 0.86kg | R-Red | ||
| AC220V | 0.027A | 0.86kg | ||||
| AC/DC12V | 0.320A | 0.77kg | ||||
| * ST80L* ST80L-BZ ST80L-WS ST80L-WM ST80L-WA ST80LF ST80LF-BZ ST80LF-WS ST80LF-WM ST80LF-WA | 2 | AC/DC24VAC110V AC220V | 0.160A0.064A0.032A | 0.77kg 1.00kg 1.00kg | R-Red G-Green | |
| 3 | AC/DC12V AC/DC24V AC110V AC220V | 0.480A0.240A0.073A0.036A | 0.91kg 0.91kg 1.14kg 1.14kg | R-RedA-Amber G-Green | ||
| 4 | AC/DC12V AC/DC24V AC110V AC220V | 0.640A0.320A0.084A0.042A | 1.05kg 1.05kg 1.29kg 1.29kg | R-RedA-Amber G-Green B-Blue | ||
| 5 | AC/DC12V AC/DC24V AC110V AC220V | 0.800A0.400A0.093A0.046A | 1.19kg 1.19kg 1.14kg 1.14kg | R-RedA-Amber G-Green B-Blue W-White |
- Models with an asterisk mark (*) have certification.
- CE compliant : DC12V/24V
- UL listed : DC24V
Signal/ Audible line current(Per each layer)
| Model number | Current | AC/DC12V | AC/DC24V | AC110V | AC220V |
| ST45ML ST45L | Signal line current | 0.040A | 0.040A | 0.024A | 0.012A |
| Audible line current | 0.016A | 0.031A | 0.027A | 0.030A | |
| ST56MEL ST56EL | Signal line current | 0.060A | 0.040A | 0.044A | 0.022A |
| Audible line current | 0.016A | 0.031A | 0.027A | 0.030A | |
| ST56ML ST56L | Signal line current | 0.120A | 0.080A | 0.048A | 0.024A |
| Audible line current | 0.016A | 0.031A | 0.027A | 0.030A | |
| ST80MEL ST80EL | Signal line current | 0.080A | 0.040A | 0.046A | 0.023A |
| Audible line current | 0.016A | 0.031A | 0.027A | 0.030A | |
| ST80ML ST80L | Signal line current | 0.160A | 0.080A | 0.055A | 0.027A |
| Audible line current | 0.016A | 0.031A | 0.027A | 0.030A |
Dimensions
ST45ML/ ST45L










Wiring Instructions
Wiring using external contact
In case of wiring with external contacts, refer to the wiring diagrams below according to your product’s type and voltage setting.
| Wiring diagrams | Wiring diagrams | ||
| DC Steady | ![]() | AC Steady | ![]() |
| ST45ML ST45L ST56MEL ST56ML ST56EL ST56L ST80MEL ST80ML ST80EL ST80L | ST45ML ST45L ST56MEL ST56ML ST56EL ST56L ST80MEL ST80ML ST80EL ST80L | ||
| DC Steady/Flashing | ![]() | AC Steady/Flashing | ![]() |
| ST45MLF ST45LF ST56MELF ST56MLF ST56ELF ST56LF ST80MELF ST80MLF ST80ELF ST80LF | ST45MLF ST45LF ST56MELF ST56MLF ST56ELF ST56LF ST80MELF ST80MLF ST80ELF ST80LF | ||
| DC/AC Steady Built-in Signal Sound | ![]() ST□□M(E)L – WS/ WM/ WA type same wiring instruction ST□□(E)L – WS/ WM/ WA type same wiring instruction ST□□ L Lens diameter 45(45mm) : ST45L 56(56mm) : ST56L 80(80mm) : ST80L | DC/AC Steady/Flashing Built-in Signal Sound | ![]() ST□□M(E)LF – WS/ WM/ WA type same wiring instruction ST□□(E)LF – WS/ WM/ WA type same wiring instruction ST□□ LF Lens diameter 45(45mm) : ST45LF 56(56mm) : ST56LF 80(80mm) : ST80LF |
- DC steady type cable specification : External power/ signal line – UL1007 AWG22(0.3sq) 400mm.
- AC steady, AC/DC steady/flashing type cable specification : External power line – UL1015 AWG18(0.75sq) × 2C 400mm, External signal line – UL1007 AWG22(0.3sq) 400mm
Wiring using transistor
When using a transistor, please choose between the NPN or PNP type transistor which best matches the voltage and product type, then connect them correctly according to the wiring diagrams below.
Wiring diagrams | |||
| DC Steady | ![]() | ||
| ST45ML ST45L ST56MEL ST56ML ST56EL ST56L ST80MEL ST80ML ST80EL ST80L | |||
| DC Steady/Flashing | ![]() | AC Steady/Flashing | ![]() |
| ST45MLF ST45LF ST56MELF ST56MLF ST56ELF ST56LF ST80MELF ST80MLF ST80ELF ST80LF | ST45MLF ST45LF ST56MELF ST56MLF ST56ELF ST56LF ST80MELF ST80MLF ST80ELF ST80LF | ||
| DC/AC Steady Built-in Signal Sound | ![]()
| DC/AC Steady/Flashing Built-in Signal Sound | ![]()
|
| ST45ML ST45L ST56MEL ST56ML ST56EL ST56L ST80MEL ST80ML ST80EL ST80L | ST45MLF ST45LF ST56MELF ST56MLF ST56ELF ST56LF ST80MELF ST80MLF ST80ELF ST80LF | ||
- DC steady type cable specification : External power/ signal line – UL1007 AWG22(0.3sq) 400mm.
- AC steady, AC/DC steady/flashing type cable specification : External power line – UL1015 AWG18(0.75sq) × 2C 400mm, External signal line – UL1007 AWG22(0.3sq) 400mm
Parts Definition

How to Change Lens Kit

- When rearranging or replacing the lens kits, please be aware of the contact point ① and the connector pin ② marked in the diagram on the left.
- Press down to assemble the lens kits while making sure that connector pin ② and connector ③ aligns correctly.
- Please make sure that the rubber spacer placed on the top of each ② lens kit is tightly secured to the bottom of the other lens kit.
Caution when dealing with lens kit
- Lens kits are connected with connector pins each other. Bad connection may be experienced when the connector pins are touched with a foreign substance.
- If the lens kits are not turned on or not flashed after lens kits replacement, please make sure status of lens kit connection.
Installation Environment and Protection Rating
- This product is designed for indoor use with protection rating of IP44(standard type) or IP23(buzzer type).
- If the product is installed in locations that subject it to excessive dust or water other than the designated IP protection rating indicated(IP44), it may cause malfunction or damage to the product.
- For further information, please visit our website(www.qlight.com).
Mounting Hole Specifications
ST45ML/ ST56MEL/ ST56ML/ ST80MEL/ ST80ML- Direct Mounting Type Model
- Machine holes on the mounting surface referring to the diagram below.

- First, remove the flange nuts from bolts and place the product through the mounting surface holes.
- Fasten the flange nuts on the opposite side of the mounting surface until the product is tightened securely
2 Sound Buzzer Type
- Buzzer type model with 2 different sounds of long beeping sound and short beeping sound is available upon request.
- Lens Kits supplied by AC Type power (same wiring as DC Steady type product)
- Customized pole length(ST45L/ ST56EL/ ST56L/ ST80EL/ ST80L)
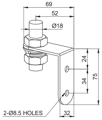
Mounting Accessories (Sold Separately)
Please refer to the dimensions below for installation of mounting brackets
ST45ML/ ST56MEL/ ST56ML/ ST80MEL/ ST80ML – Direct Mounting Type Model
| Dimensions | ||
| ST45 series ST56 series | ![]() TWS45 | ![]() TWA45 |
| ST80 series | ![]() TWS80 | ![]() TWA80 |
ST45L/ ST56EL/ ST56L – Pole Mounting Type Model
ST45 series ST56 series








ST80 series

Technical Certification
- Qlight products are designed to meet strict quality and technical standards. Thus, the Qlight brand is widely recognized for its high quality and technical innovations from leading institutions around the world.

ISO International Organization for Standardization
Qlight quality assurance systems have been certified by ISO by applying the ISO 90001-2018 KS Q ISO 9001:2009 regulation.

ATEX The European Regulatory
Framework or Manufacture, Installation and Use of Equip- ment in Explosive Atmospheres Qlight’s explosion proof products comply with ATEX Directives 94/9/EC.

KCs Explosion Proof Device Safety Certification System The safety performance of machines and Technical capability and production system have standards.

TIIS Japan Explosion-proof certification
TIIS is a Japanes explosion proof test and certification system accordance with the Ministry of Health, Labour and Welfare Notice and the explosion proof guidelines for factory electrical equipment. Qlight’s explosion proof products hasve been tested and certified by TIIS.

Light’s design and quality assurance system has 2Ia been certified by the China Classification Society. CCS China Classification Society

LR Lloyd’s
Register light’s design and quality assurance system has been certified from Lloyd’s Register.

UL Underwriters Laboratories
Qlight’s design and quality assurance system has been certified from UL to ensure the stability of consumption goods and to protect consumers.

CCCF China certification Center for Security & Protection
Qlight has passed the rigorous examination process of “Passing Fire Protection Products Centering” In order to sell fire-fighting products such as fire alarm equipment to Chinese market.

CCC China Compulsory Certificate
Qlight’s has obtained CCC which guarantees safety, protection against fraud, environment, etc.

RoHS2 Restriction of Hazardous Substances Directive
Qlight c omplies with the Restriction of Hazardous Substances Directive by limiting its use of hazardous materials.
For your safety
Specification and dimensions listed in this catalogue subject to change without notice for product quality improvement.
The newest product information is available on our website.(www.qlight.com)
Please read the instruction manual attached to the product carefully before installation and use.
Support
Qlight Co., Ltd. www.qlight.com
[email protected]
Head Office
Suite #1510, STX-V Tower, 128 Gasan digital 1-ro, Geumcheon-gu, Seoul, Korea
Tel. +82-2-2679-6152(Toll free. +82-80-328-2222) Fax. +82-2-2679-6154
Factory
185-25, Mukbang-ro, Sangdong-myeon, Gimhae-si, Gyeongsangnamdo, Korea Tel. +82-55-328-1111(Toll free. +82-80-328-1111)
Qlight OverSEAs Sales Dept
704 Nakdong-daero, Sasang-gu, Busan, Korea(Eomgung-Dong) Tel : +82-51-620-4100
Qlight Public Relations & Marketing Team Office
704 Nakdong-daero, Sasang-gu, Busan, Korea(Eomgung-Dong) Tel. +82-51-245-0017


































