
WIFI MODULE
ORIGINAL MANUAL


DOWNLOAD NORSUPONE APP:
Google Play Store Apple Appstore

Errors and technical modifications subject to change, reproduction as well as electronic duplication only with our written permission.
© NORSUP
Edition: 01.2023
1. USER PRIVACY INSTRUCTIONS
We take your privacy very seriously and we promise to inform you how we use the data. Users’ private data, such as mailboxes, address, before uploading to the cloud, we will get your permission, and we will work hard to protect your data security.
2. DESCRIPTION
- Receive data signal from cloud server and transmit to the main device;
- Receive data signal from main device and transmit to cloud server;
- To achieve remote upgrade the WIFI module baseplate MCU by cloud server;
- To achieve the remote upgrade of the main device by WIFI module baseplate MCU.
3. TECHNICAL PARAMETERS
- OPERATING VOLTAGE:
DC8V~12V (Recommended value 12V) - OPERATING CURRENT:
Max. recurrent peak 1A, average standby current 50mA - TEMP. RANGE:
Operating Temp.: -30ºC ~ +70ºC ;
Storage Temp.: -40ºC ~ +85ºC - LED INDICATOR LIGHT:
4 lights, Network configuration indicator, router connection indicator, cloud server connection indicator, 485 communication indicator; - DIMENSION (L×W×H)
78mm×63mm×24mm
4. INSTALLATION
- There is a magnet on the back of the WIFI module, it can be installed indoors or outdoors, and avoid direct sunlight;
- Please scan the following QR code to download APP;
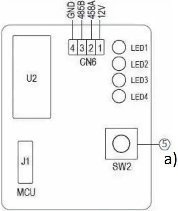
5. FUNCTIONAL DESCRIPTION


a) Configuration button
Short press:
Available to enter into AP Link configuration mode.
Item | Name | Long light | Slow flash | Extinguish |
| 1 | Network configuration indicator | Configuring Network | Smart-Link configuring | Done |
2 | Router connection indicator | Normal | Abnormal | – |
| 3 | Cloud server connection indicator | Normal | Abnormal | – |
4 | 485 communication indicator | Normal | Abnormal | – |
6. ACCOUNT LOGIN
Use email address and password to register, login or reset the password.
1. Account Registration: To register an account, click 1 (Fig.1) to jump to the Account Registration interface, fill in the relevant information and click 2 to receive verification code, while completed the application information, click 3 to read the details of the Privacy Policy, then click 4 to agree, and click 5, registration is done.
Please note, the valid time of one verification code is 15min, please fill in the code within 15min, otherwise you need to ask for a new one.
2. Log in: Follow the instructions on the page (Fig.1 ), enter your registered email address and password, click 6 and jump to device list;
3. Forgot Password: When forget your password, click 7 (Fig.1 ), jump to the Forgot Password interface (Fig.3). Follow the instructions on the page, fill in the relevant information, click 8 to receive verification code from your mailbox, click 9 to confirm and password reset is done.
7. ADD DEVICE
After log in, displays My Device interface (Fig. 4), follow the instruction to add WIFI or DTU.


Fig. 1 – Login interface
Fig. 2 – Account Registration interface
Fig. 3 – Forgot Password interface
Fig. 4 – My Device interface
Fig. 5 – The left-hand menu
Fig. 6 – Add Device interface
8 WIFI CONFIGURE NETWORK
1. Follow the instructions on the page (Fig.7), press button on module and hold for 1s till two lights on, then AP connection is activated, click 10 to confirm, click 11 to turn the page;
2. Click 12 to enter the WIFI password for the current connection, click 13 to confirm;
3. Jump to system settings, connect specified WIFI, click 14 to select the “Smart_AP_xxx”, click 15 to popup window (Fig.10), follow the instruction and then jump to WIFI setting interface (Fig.11);


Fig. 7 WIFI Module On interface
Fig. 8 Enter password interface
Fig. 9 Connect specified WIFI
Fig. 10 Setting interface
Fig. 11 WIFI setting interface
Fig. 12 Connect specified WIFI
4. Slide the page back to configure network interface (Fig. 12), click 16 to join WLAN Network, click 17 to cancel, click 18 to turn next page (Fig. 13); click 19 to bond device (Fig. 14);
5. Click “OK” to allow this APP to use the camera for scanning the barcode on heat pump unit (Fig.15); click “OK”, device bond is done (Fig.16);
6. After WIFI and DTU bonding is done, jump back to My Device (Fig. 17).


Fig. 13 – Configure Network interface
Fig. 14 – Bond Device interface
Fig. 15 – Scanning interface
Fig. 16 – Bond device done interface
Fig. 17 – Device management interface
9. DEVICE MANAGEMENT
Device management operations are as below:


Fig. 18 – Device Main interface
Fig. 19 – The right-hand menu interface
Fig. 20 – Device Main interface
Fig. 21 – Timing Settings interface
Fig. 22 – Troubleshooting interface
a) back
b) Warning
c) Display the current operating mode
d) Click to adjust the target temp.
e) Display the latest 3-day weather
f) Click to adjust the timing settings
g) Click to adjust the timing mute settings
h) Click to switch on/off
on: green
off: grey
i) Display the error
j) Click to read the solution
Icon | Name | Functions |
ON/OFF | Click it to turn on/ off the unit | |
Silent Mode Off | Display silent mode off, click it to activate the silent mode | |
Silent Mode On | Display silent mode on, click it to turn off the silent mode | |
Mode shift | Mode changing: Cooling–Heating–Auto | |
Cooling | Display Cooling mode, click it to change operating mode | |
Heating | Display Heating mode, click it to change operating mode | |
Auto | Display Auto mode, click it to change operating mode | |
Timing settings | Click it to jump to the timer on/ off and mute timer setting interface | |
Troubleshooting | Click it to jump to the troubleshooting interface | |
Menu | Click to unfold or collapse the menu |
1. USER PRIVACY INSTRUCTIONS
We take your privacy very seriously and we promise to inform you how we use the data. Users’ private data, such as mailboxes, address, before uploading to the cloud, we will get your permission, and we will work hard to protect your data security.
2. DESCRIPTION
- Receive data signal from cloud server and transmit to the main device;
- Receive data signal from main device and transmit to cloud server;
- To achieve remote upgrade the WIFI module baseplate MCU by cloud server;
- To achieve the remote upgrade of the main device by WIFI module baseplate MCU.
3. TECHNICAL PARAMETERS
- OPERATING VOLTAGE:
DC8V~12V (Recommended value 12V) - OPERATING CURRENT:
Max. recurrent peak 1A, average standby current 50mA - TEMP. RANGE:
Operating Temp.: -30ºC ~ +70ºC ;
Storage Temp.: -40ºC ~ +85ºC - LED INDICATOR LIGHT:
4 lights, Network configuration indicator, router connection indicator, cloud server connection indicator, 485 communication indicator; - DIMENSION (L×W×H):
78mm×63mm×24mm
4. INSTALLATION
- There is a magnet on the back of the WIFI module, it can be installed indoors or outdoors, and avoid direct sunlight;
- Please scan the following QR code to download APP;
5. FUNCTIONAL DESCRIPTION


a) Configuration button
Short press:
Available to enter into AP Link configuration mode.
Item | Name | Long light | Slow flash | Extinguish |
| 1 | Network configuration indicator | Configuring Network | Smart-Link configuring | Done |
2 | Router connection indicator | Normal | Abnormal | – |
| 3 | Cloud server connection indicator | Normal | Abnormal | – |
4 | 485 communication indicator | Normal | Abnormal | – |
6. ACCOUNT LOGIN
Use email address and password to register, login or reset the password.
1. Account Registration: To register an account, click 1 (Fig.1) to jump to the Account Registration interface, fill in the relevant information and click 2 to receive verification code, while completed the application information, click 3 to read the details of the Privacy Policy, then click 4 to agree, and click 5, registration is done. Please note the valid time of one verification code is 15min, please fill in the verification code within 15min, otherwise you need to ask for a new one.
2. Log in: Follow the instructions on the page (Fig.1), enter your registered email address and password, click 6 and jump to device list;
3. Forgot Password: When forgot your password, click 7 (Fig.1), jump to the Forgot Password interface (Fig.3). Follow the instructions on the page, fill in the relevant information, click 8 to receive verification code from your mailbox, click 9 to confirm and password reset is done.
7. ADD DEVICE
After log in, displays My Device interface (Fig. 4), follow the instruction to add WIFI or DTU.


Fig. 1 Login interface
Fig. 2 Account Registration interface
Fig. 3 Forgot Password interface
Fig. 4 My Device interface
Fig. 5 The left-hand menu
Fig. 6 Add Device interface
8. IOS WIFI CONFIGURE NETWORK
1. Click 10 to confirm the permission of bluetooth, location and camera (Fig.7);
2. Follow the instructions on the page (Fig.8), press button on module and hold for 1s till two lights on then AP connection is activated, click 12 to next;
3. Click 13 to enter the WIFI password for the current connection, click 14 to confirm.
4. Click “OK” to allow bluetooth permission (Fig.10);
5. Click “Settings” (Fig.11) to enter bluetooth setting interface (Fig.12);


Fig. 7 Permission confirmed interface
Fig. 8 WIFI Module On interface
Fig. 9 Enter password interface
Fig. 10 Allow bluetooth permission
Fig. 11 Enable bluetooth permission
Fig. 12 Bluetooth setting interface
6. Turn on bluetooth and back to the APP, directly enter the searching device interface(Fig. 13), the APP automatically searches for WIFI module(Fig.14);
7. Click 15 to bond device (Fig.14);
8. Click “OK” (Fig.15) to allow the App to use the camera for scanning the WF code on the WIFI module (Fig.17.1), or click “manual input” to enter the WF code (Fig.17.2).


Fig. 17.1
Fig. 13 Searching device interface
Fig. 14 Bond device interface
Fig. 15 Enable camera permission
Fig. 16 Scanning interface
Fig. 17.1 WF barcode
Fig. 17.2 Manual input interface
9. Click “Confirmed”, device bond is done (Fig.18).
10. After WIFI bonding is done, and jump back to My Device(Fig.19);
11. Click the device, directly to jump to device main interface(Fig.20)

Fig. 18 Bond device done interface
Fig. 19 Device management interface
Fig. 20 Device Main interface
9. ANDROID WIFI CONFIGURE NETWORK
1. Click 16 to confirm the permission of bluetooth, location and camera (Fig.21);
2. Follow the instructions on the page (Fig.22), press button on module and hold for 1s till two lights on then AP connection is activated, click 18 to next;
3. Click 19 to enter the WIFI password for the current connection, click 20 to confirm.


Fig. 21 Permission confirmed interface
Fig. 22 WIFI Module On interface
Fig. 23 Enter password interface
Fig. 24 Enable bluetooth permission
Fig. 25 Enable location permission
Fig. 26 Reconnect interface
4. Click “OK” to enable bluetooth permission (Fig.24);
5. Click “Allow” to enable bluetooth permission (Fig.25);
6. Click “Reconnect” (Fig.26) directly jump to searching device interface (Fig.27), the APP automatically searches for WIFI module (Fig.28);
7. Click 21 to bond device (Fig.28);
8. Click “While using the app” allow the App to use the camera for scanning the WF code on the WIFI module (Fig.31.1), or click ‘manual input’ to enter the WF code (Fig.32.2).


Fig. 31.1
Fig. 27 Searching device interface
Fig. 28 Bond device interface
Fig. 29 Enable camera permission
Fig. 30 Scanning interface
Fig. 31.1 WF barcode
Fig. 31.2 Manual input interface
9. Click “OK”, device bond is done (Fig.33).
10. After WIFI bonding is done, and jump back to My Device (Fig.19);
11. Click the device directly jump to device main interface (Fig.20)

Fig. 32 Bond device done interface
Fig. 33 Device management interface
Fig. 34 Device Main interface
10. DEVICE MANAGEMENT
Device management operations are as below :


Fig. 35 Device Main interface
Fig. 36 The right-hand menu interface
Fig. 37 Timing Settings interface
Fig. 38 Device Main interface
Fig. 39 Troubleshooting interface
a) back
b) Warning
c) Display the current operating mode
d) Click to adjust the target temp.
e) Display the latest 3-day weather
f) Click to adjust the timing settings
g) Click to adjust the timing mute settings
h) Click to switch on/off
on: green
off: grey
i) Display the error
j) Click to read the solution
Icon | Name | Functions |
ON/OFF | Click it to turn on/ off the unit | |
Silent Mode Off | Display silent mode off, click it to activate the silent mode | |
Silent Mode On | Display silent mode on, click it to turn off the silent mode | |
Mode shift | Mode changing: Cooling–Heating–Auto | |
Cooling | Display Cooling mode, click it to change operating mode | |
Heating | Display Heating mode, click it to change operating mode | |
Auto | Display Auto mode, click it to change operating mode | |
Timing settings | Click it to jump to the timer on/off and mute timer setting interface | |
Troubleshooting | Click it to jump to the troubleshooting interface | |
Menu | Click to unfold or collapse the menu |
Alterations which serve the technological progress as well as errors excepted! ORIGINAL MANUAL NORSUP

Norsup installer brochure 2023.v1

























