QUECTEL QDM023-BG95-M1 Communication Module

Operation Description
General Description
QDM023-BG95-M1 Communication Module is a part of the SunPower measurement meter. It provides data connectivity on LTE-FDD networks. This document specifies electrical and mechanical features of the QDM023-BG95-M1 Communication Module to meter
Table 1: Frequency Bands of QDM023-BG95-M1 Communication Module
| Supported Bands |
| LTE-FDD: B2/B4/B12/B13 |
Table 2: Key Features of QDM023-BG95-M1 Communication Module
| Features | Details |
| Power Supply | Supply voltage: 5V |
| Transmitting Power | Class 5 (20 dBm -2/+2 dBm) |
|
LTE Features | Support 3GPP Rel-14 Support LTE Cat M1 Support 1.4 MHz RF bandwidth for LTE Cat M1 Cat M1: Max. 588 kbps (DL)/1119 kbps (UL) |
| Internet Protocol Features* | Support PPP/TCP/UDP/SSL/TLS/FTP(S)/HTTP(S)/NITZ/PING/MQT T/ LwM2M/CoAP/IPv6 protocols Support PAP and CHAP for PPP connections |
| SIM Interface | Support 1.8 V USIM/SIM card only |
| USB Interface (Test Point) | Compliant with USB 2.0 specification (slave only) Support operations at full-speed and low-speed Used for AT command communication, data transmission, GNSS NMEA sentences output, software debugging and firmware upgrade Support USB serial drivers for Windows 7/8/8.1/10, Linux 2.6– 5.10, Android 4.x–10.x |
| AT Commands | 3GPP TS 27.007 and 3GPP TS 27.005 AT commands, as well as Quectel, enhanced AT commands |
| Antenna | Main antenna interface (ANT_MAIN) |
| Physical Characteristics | Dimensions: (85) mm × (79.2) mm × (32) mm Weight: approx. 35g |
| Temperature Range | Operating temperature range: -35 °C to +75 °C 2) Extended temperature range: -40 °C to +85 °C 3) Storage temperature range: -40 °C to +90 °C |
| Firmware Upgrade | USB interface, DFOTA |
| USB Connector | Details in Table 3 |
| RoHS | All hardware components are fully compliant with the EU RoHS directive |
FCC Regulations
QDM023-BG95-M1 complies with part 15 of the FCC Rules. Operation is subject to the following two conditions: (1) This device may not cause harmful interference, and (2) this device must accept any interference received, including interference that may cause undesired operation.
This equipment has been tested and found to comply with the limits for a Class B digital device, under Part 15 of the FCC Rules.
These limits are designed to provide reasonable protection against harmful interference in a residential installation.
This equipment generates, uses, and can radiate radio frequency energy and, if not installed and used by the instructions, may cause harmful interference to radio communications.
However, there is no guarantee that interference will not occur in a particular installation. If this equipment does cause harmful interference to radio or television reception, which can be determined by turning the equipment off and on, the user is encouraged to try to correct the interference by one or more of the following measures:
- Reorient or relocate the receiving antenna.
- Increase the separation between the equipment and receiver.
- Connect the equipment into an outlet on a circuit different from that to which the receiver is connected.
- Consult the dealer or an experienced radio/TV technician for help.
FCC RF Radiation Exposure Statement
This equipment complies with FCC radiation exposure limits set forth for an uncontrolled environment. To comply with FCC RF exposure compliance requirements, this grant applies to only Mobile Configurations. The antennas used for the transmitter must be installed to provide a separation distance of at least 20cm from all persons and must not be co-located or operating in conjunction with any other antenna or transmitter.
Electrical interface for the meter to the communication module
The communication module is connected to the meter through a USB Type-A Male connector that provides main power supply voltages, USB signals. The direction of signals is toward a communication module based on DTE – DCE notation where the meter is defined as DTE (data terminal equipment) and the communication module is defined as (data communication equipment). Table 3 specifies the function of each interface signal, and photo 2.1 is the actual application scenario.
Table 3: Key Features of 14 PIN Connector
| Pin Number | Signal name | Input/Output/Power DCE device | Description |
| 1 | VBUS_IN | Power | DC 5V Power supply |
| 2 | DM | Input&Output | USB differential data(-) |
| 3 | DP | Input&Output | USB differential data(+) |
| 4 | GND | Power | Power ground |
The usage scenarios of this product are as follows

Note: The installation of this equipment requires professional operation, and the equipment is only used in this scenario and must not be used in other scenarios. Normal use exceeds 20cm of the human body.
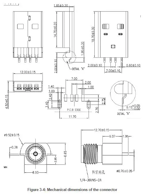
Mechanical specification for IoT data communication module
The following section describes the mechanical specification for the communication module. Printed circuit board layout and the electrical connector placement are on the following figures 3-1, 3-2, 3-3, and 3-4. Iskraemeco can provide mechanical dimensions of the plastic cover (step model) upon request.























