ICBOG42 Outdoor Gas Grill
Installation Guide
OUTDOOR GAS GRILL
INSTALLATION GUIDE
ICBOG42 Outdoor Gas Grill
Important Note
To ensure this product is installed and operated as safely and efficiently as possible, take note of the following types of highlighted information throughout this guide: IMPORTANT NOTE highlights information that is especially important.
CAUTION indicates a situation where minor injury or product damage may occur if instructions are not followed.
WARNING states a hazard that may cause serious injury or death if precautions are not followed.
Product Information
Important product information including the model and serial number are listed on the product rating plate. For outdoor grills, the rating plate is located underside of the drip tray. The drip tray must be removed to view the rating plate. For outdoor modules, the rating plate is located on the bottom of the control panel, on the right side. Refer to the illustrations below.
If service is necessary, contact your authorized Wolf dealer. 
SAFETY PRECAUTIONSIMPORTANT SAFEGUARDS
- Wolf outdoor gas grills and modules are for outdoor use only. Do not install or operate in an enclosed area.
- Installation must be performed by a qualified installer, service agency or the gas supplier.
- Warranty service must be performed by Wolf factory certified service.
- Do not store or use gasoline or other flammable liquids or vapors in the vicinity of this or any other appliance. An LP gas cylinder not connected for use shall not be stored in the vicinity of this or any other appliance.
- Improper Installation, adjustment, alteration, service or maintenance can cause property damage, injury or death. Read installations thoroughly before installing or servicing this equipment.
- Do not install in, or connect to the consumer piping or gas supply system of a boat or caravan.
- DO NOT USE AN ADAPTOR AT THE CYLINDER CONNECTION
BEFORE LIGHTING:
- Read instructions before lighting.
- Open hood or remove cover before lighting.
- If ignition does not occur in 5 seconds, turn the burner control(s) off, wait 5 minutes, and repeat the lighting procedure.
WHAT TO DO IF YOU SMELL GAS:
- Shut off gas to the appliance.
- Extinguish any open flames.
- Open hood or remove cover.
- If odor continues, keep away from the appliance and immediately call your gas supplier or fire department.
SPECIFICATIONS
Installation Requirements
For built-in applications, Wolf outdoor grills and the burner module are designed for easy placement into a built-in enclosure. For outdoor grills, installation in a combustible enclosure requires an insulating liner. For the burner module, an insulating liner is not required. The enclosure should be built according to specifications for your specific installa-tion on page 6. If the burner module is installed next to an outdoor grill, a minimum of 305 mm is required between units on the rotisserie motor side and 51 mm on
the oppo-site side. A rotisserie side conversion kit is available from an authorized Wolf dealer.
Note – For closed hood cooking it is recommended that only the center 2 burners are operated and are regulated to ensure the temperature does not exceed 230 C.
Electrical
Installation must comply with all applicable electrical codes and be properly grounded (earthed).
The electrical outlet must be located within reach of the power cord. A separate circuit, servicing only this appliance is required.
IMPORTANT NOTE: A ground fault circuit interrupter (ELCB) or residual current device (RCD) is required to reduce the risk of electrical shock.
ELECTRICAL REQUIREMENTS (GRILL | MODULE)
| Electrical Supply | grounded, 220-240 VAC, 50/60 Hz |
| Service | 1:00 AM |
| Receptacle | 3-prong grounding-type, IEC inlet |
ELECTRICAL REQUIREMENTS (ROTISSERIE)
| Electrical Supply—Input | grounded, 220-240 VAC, 50/60 Hz |
| Electrical Supply—Output | 12 VDC |
| Service | 0.5 A (6 Watts) |
| Receptacle | barrel plug, 2.1 mm ID x 5.5 mm OD |
IMPORTANT NOTE: Connection of this appliance should be through a fused connection unit or a suitable isolator, which complies with national and local safety egulations. The on/ off switch should be easily accessible after the appli-ance has been installed. If the switch is not accessible after installation (depending on country) an additional means of disconnection must be provided for all poles of the power supply. When switched off there must be an all pole contact gap of 3 mm in the isolator switch. This 3 mm contact dis-connect gap must apply to any isolator switch, fuses and/or relays according to EN60335.
Electrical Shock Hazard
Plug power cord directly into a properly grounded (earthed) outlet.
Do not defeat the grounding (earthing) nature of the plug.
Do not use adapter or extension cord. Failure to follow these instructions could cause serious injury or death.
See installation instructions
| Australia Only | ||
| Gas Requirements | ||
| Natural Gas | Kpa | |
| Supply Pressure | 1.13 | |
| Regulator Outlet | 1.00 | |
| Pro | ||
| Supply Pressure | 3. | |
| BUJ Reg Outlet | 2.60 | |
| Side Burner Rep Outlet | 2.70 | |
Where this appliance is installed using fixed gas supply or reticulated gas supply this Appliance must be installed by an authorised person in accordance with this instruction
manual, AS/NZS5601.1 Gas Installations, (Installation and piping) and local fitting regulations.
Gas Supply
Installation must conform with local codes.
Locate the gas supply within the shaded area shown in the illustrations on page 6.
The outdoor grill is equipped for use with natural or liquid propane (LP) gas. The product rating plate has information on the type of gas that should be used. For rating plate
location, refer to the illustration below. If this information does not agree with the type of gas available, check with the local gas supply authority.
| Gas Requirements | |
| Natural Gas | WC |
| Supply Pressure | 12.5mbar |
| Min Line Pressure | 17.5mbar |
| Max Regulator Pressure | 100mbar |
| LP Gas | WC |
| Supply Pressure | Thrnbar |
| Min Line Pressure | 27.4mbar |
| Max Regulator Pressure | 100mbar |

Gas Supply
The outdoor grill must be connected to a regulated gas supply. The supply line must be equipped with an approved external gas shut-off valve located near the grill in an acces-sible location. Do not block access to the shut-off valve. Refer to the illustration below.
A gas supply line of 19 mm rigid pipe must be provided to the outdoor grill or module. If local codes permit, a certified, .9 m long, 13 mm or 19 mm ID flexible metal appliance connector (not rubber) can be used to connect the units /2″ NPT (or ISO 7/1-14) female inlet to the gas supply line. Pipe joint compounds suitable for use with natural or LP gas should be used.
The appliance and its shut-off valve must be disconnected from the gas supply piping system during any pressure testing of the system at test pressures in excess of 100 mbar. The appliance must be isolated from the gas supply piping system by closing its individual manual shut-off valve during any pressure testing of the system at test pressures equal to or less than 100 mbar.
Gas shut-off valve.
Australia Only
Inlet thread connection detail
Burner manifold inlet – ½” BSP
RV47 regulator – ½” BSP
RV48 regulator – ¾” BSP (54” grill)
LP hose assembly connection to manifold – 3/8” SAE flare with 5/8-18
UNF (and BSP adaptor)
GAS RATING
| MODEL | TOTAL HEAT INPUT | GAS UNITS | APPLIANCE CATEGORY | TYPES/PRESSURE (mbar) | COUNTRY OF DESTINATION |
| ICBOG30 | 19. | kW | 12H | G20 at 20 | 1AT, BG, CR, CZ, DK, EE, FI, GR, HR, HU, IS, 1E, IT, LV, LT, NO, PT, RO, SK, SI, ES, SE, CH, TR, GB |
| 12E | G20 at 20 | DE, LU, PL | |||
| 12E+ | G20 at 20/25 | BE, FR | |||
| ICBOG30-LP | 18.8 (1344) | kW (g/h) | 13P | G31 at 37 | FI, CR, GR, IE, HR, LU, NL, PL, SK, SI, ES, CH, TR, GB |
| ICBOG36 | 26. | kW | 12H | G20 at 20 | At BG, CR, CZ, DK, EE, FI, GR, HR, HU, IS, IE, It LV, LT, NO, PT, RO, SK, SI, ES, SE, CH, TR, GB |
| 12E | G20 at 20 | DE, LU, PL | |||
| 12E+ | G20 at 20/25 | BE, FR | |||
| ICBOG36-LP | 26.1 (1865) | kW (g/h) | 13P | G31 at 37 | FI, CR, GR, IE, HR, LU, NL, PL, SK, SI, ES, CH, TR, GB |
| ICBOG42 | 27. | kW | 12H | G20 at 20 | At BG, CR, CZ, DK, EE, FI, GR, HR, HU, IS, IE, It LV, LT, NO, PT, RO, SK, SI, ES, SE, CH, TR, GB |
| 12E | G20 at 20 | DE, LU, PL | |||
| 12E+ | G20 at 20/25 | BE, FR | |||
| ICBOG42-LP | 26.7 (1908) | kW (g/h) | 13P | G31 at 37 | FI, CR, GR, IE, HR, LU, NL, PL, SK, SI, ES, CH, TR, GB |
| ICBOG54 | 38. | kW | 12H | G20 at 20 | At BG, CR, CZ, DK, EE, FI, GR, HR, HU, IS, IE, It LV, LT, NO, PT, RO, SK, SI, ES, SE, CH, TR, GB |
| 12E | G20 at 20 | DE, LU, PL | |||
| 12E+ | G20 at 20/25 | BE, FR | |||
| ICBOG54-LP | 37.5 (2680) | kW (g/h) | 13P | G31 at 37 | FI, CR, GR, IE, HR, LU, NL, PL, SK, SI, ES, CH, TR, GB |
| Australia Only | |||||
| Model | Burner | Gas Type | Injector Size | TPP (kpa) | Nominal GC (mjh) |
| ICBOG36 | 5″Grill | Natural | 2.50 – #41 | 1.00 | 29 |
| ICBOG30/42 | 6″Grill | Natural | 2.50 – #41 | 1.00 | 29 |
| ICBOG54 | 6″ Grill | Natural | 2.38 – #42 | 1.00 | 29 |
| ICBOG36/42 | Sear | Natural | 2.50 – #41 | 1.00 | 29 |
| ICBOG54 | Sear | Natural | 2.38 – #42 | 1.00 | 29 |
| ICBOG30/36 | Rotisserie | Natural | 1.77 – #50 | 1.00 | 15 |
| ICBOG42 | Rotisserie | Natural | 1.93 – #48 | 1.00 | 17 |
| ICBOG54 | Rotisserie | Natural | 1.77 – #50 | 1.00 | 15 x 2 |
| ICBMM13 | Wok | Natural | 2.38 – #42 | 1.00 | 25 |
| ICBOG36 | 5″ Grill | Propane | 1.51 – #53 | 2.60 | 30 |
| ICBOG30/42/54 | 6″ Grill | Propane | 1.51 – #53 | 2.60 | 30 |
| ICBOG30/42/54 | Sear | Propane | 1.51 – #53 | 2.60 | 30 |
| ICBOG30/36 | Rotisserie | Propane | 1.09 – #57 | 2.60 | 15 |
| ICBOG42 | Rotisserie | Propane | 1.18 – #56 | 2.60 | 17 |
| ICBOG54 | Rotisserie | Propane | 1.09 – #57 | 2.60 | 15 x 2 |
| ICBBM13 | Wok | Propane | 1.30 – | 2.70 | 24 |
| Gas Orifice Size | |
| Natural Gas | |
| Main Burner (U-shaped | #41 |
| Small Rotisserie Burner | #50 |
| Large Rotisserie Burner | #48 |
| Sear Burner | #41 |
| LP Gas | |
| Main Burner (U-shaped | #53 |
| Small Rotisserie Burner | #57 |
| Large Rotisserie Burner | #58 |
| Sear Burner | #53 |
Outdoor Grill
NON-COMBUSTIBLE INSTALLATION
NOTE: Shaded area above countertop indicates minimum clearance to combustible surfaces, combustible materials cannot be located within this area
| NON-COMBUSTIBLE ENCLOSURE | WIDTH (W) |
| ICBOG30 | 724 mm |
| ICBOG36 | 876 mm |
| ICBOG42 | 1029 mm |
| ICBOG54 | 1334 mm |
Australia Only It is recommended that only a Wolf Rangehood is installed above the Outdoor Grill and a minimum clearance of 1200mm above the cooking surface is required or 1200mm to any overhead combustible material.
COMBUSTIBLE INSTALLATION
NOTE: Shaded area above countertop indicates minimum clearance to combustible surfaces, combustible materials cannot be located within this area.
| COMBUSTIBLE ENCLOSURE | WIDTH (W) |
| ICBOG30 | 851 mm |
| ICBOG36 | 1003 mm |
| ICBOG42 | 1156 mm |
| ICBOG54 | 1461 mm |
Australia Only Outdoor Use Only
This appliance shall only be used in an above ground open air situation with natural ventilation, without stagnant areas, where gas leakage and products of combustion are rapidly dispersed by wind and natural convection. Any enclosure in which the appliance is used shall comply with one of the following:
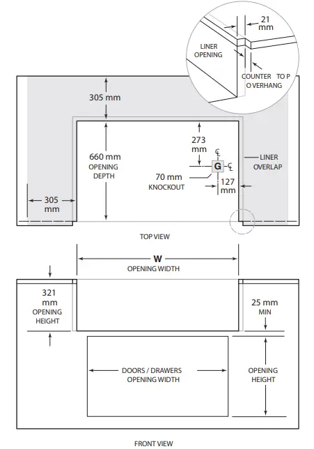
ACCESSORY DOORS AND DRAWERS
OPENING
| DOORS | W | H |
| 457 mm Single | 413 mm | 483 mm |
| 762 mm Double | 718 mm | 483 mm |
| 914 mm Double | 870 mm | 483 mm |
| 1067 mm Double | 1022 mm | 483 mm |
| 1372 mm Double | 1327 mm | 483 mm |
| DRAWERS | W | H |
| Single Drawer | 692 mm | 248 mm |
| 2- or 3-Drawer Unit | 308 mm | 483 mm |
| Drawer/Door Unit | 743 mm | 483 mm |
Australia Only –
An enclosure with walls on all sides, but at least one permanent opening at ground level and with no overhead cover. Within a partial enclosure that includes an overhead cover and no more than two walls, the following shall apply:
- At least 25%of the total wall area is completely open.
- 30% or more in total of the remaining wall side, back and front wall areas is open and unrestricted.
- In the case of balconies, 20% or more of the total wall area shall remain open and unrestricted.

Burner Module
INSTALLATION
NOTE: Shaded area above countertop indicates minimum clearance to combustible surfaces, combustible materials cannot be located within this area. An insulating liner is not required.
Gas Supply Line
NATURAL GAS CONNECTION
Install the natural gas pressure regulator supplied with the outdoor product with the arrow on the regulator pointing towards the unit. Refer to the illustrations below for a typical natural gas installation.
Note – Connection to gas bottle must use type LC-27 (LCC) hose and regulator.
LP GAS CONNECTION
For whole house LP gas connection, the Natural gas regulator can be converted for LP.
For connection to LP gas cylinder, use only an LP pressure regulator that complies with national and local regulations (EN 16129). Flexible hose should not be more than 1.5 m, must be accessible for its entire length and should comply with national and local regulations (EN 16436-1). Use only the hose and regulator supplied with the outdoor grill of contact Wolf for replacement hose.
- Connect the3 /8″ flare end of the hose to the unit cou- pling. Do not apply pipe sealant to the flare connection.
- Install the LP gas cylinder in a well ventilated area within 1.5m of the connection point of the outdoor grill.
- Ensure the gas valve on top of the cylinder is closed.
- Connect the LP gas regulator to the cylinder and hand tighten only. Open the cylinder valve. Check for gas leaks. Refer to the illustration below.
- Tighten the LP tank retention screw to secure the cylinder to the shelf.
WARNING
Perform a gas leak test each time the LP gas cylinder is changed. Do not place more than one LP gas cylinder in an enclosure at a time.
LP GAS SAFETY REQUIREMENT
This gas appliance and its individual shut-off valve must be disconnected from the gas supply piping system during any pressure testing of that system at test pressures greater than 100 mbar.
This gas appliance must be isolated from the gas supply piping system by closing its individual manual shut-off valve during pressure testing of the gas supply piping system at test pressures equal to or less than 100 mbar.
Australia Only
LP Cylinder Enclosures
Required ventilation for built-in LPG cylinder structures:
One side of the enclosure shall be completely open; or for an enclosure having four sides, a top and a bottom: Cylinder compartments shall have permanent openings ventilating directly to the outside of the appliance, and consisting of either
- Perforations, uniformly distributed over the height of the enclosure and with a total free area of not less than 25% of the side wall area; or
- Separate openings at high and low level, such that the total free area at high level is not less than 20,000 mm2 and is within 125 mm of the top of the cylinder compartment, and at least 25% of the required area is within 15 mm of the base of the cylinder compartment.
- the total required area is within 125 mm of the base of the cylinder compartment; and the openings cannot be obstructed by the cylinder. Some means of retention (chain, rackety, cut-out) must be used to hold the cylinder in place inside enclosure.
There shall be a minimum clearance of 2 in (50.8 mm) between the floor of the ULPG-gas cylinder enclosure and the ground.
GAS LEAK TESTING
Perform a gas leak test at least once a year, each time the LP gas cylinder is connected to the regulator and any time part of the gas line is disconnected or replaced. This
applies to natural gas as well as LP gas.
- Prepare a leak testing solution of half liquid soap and half water in a spray bottle.
- Verify all control knobs are in the O position
- Turn the clinder valve knob counterclockwise one turn to open.
- Spray the leak testing solution on pipe joints, fittings and hose. Bubbles in the solution indicate a gas leak.
- Tighten any loose joint or replace any faulty part with a Wolf replacement part to stop the leak. Do not attempt to repair the cylinder valve. If damaged, the cylinder must
be replaced - If the leak persists, shut off the gas supply at the cylinder valve and remove the LP gas cylinder. Call Wolf factory certified service. Do not use the outdoor product until the leak has been fixed
- Push in and turn any control knob to the
position to release pressure, then turn the control knob back to
WARNING
To prevent fire or explosion hazard, do not smoke or permit sources of ignition in the area while performing a gas leak test. Perform the gas leak test outdoors in a well ventilated area. Never use an open flame to check for gas leaks.
Example of LP Cylinder Enclosure
Installation
PREPARATION
Remove and recycle packing materials. Remove labels and protective plastic film from the grill.
Place briquette trays in the grill above the burners with flash tubes positioned at the front. Refer to the illustration below. Place burner grates directly above the briquette trays with square openings in the grates at the front.
POWER TRANSFORMER
For built-in installation, secure the transformer box in a dry location, away from the grill firebox and excessive heat area, but within .6 m of the right rear opening. Do not install the transformer box inside the insulating liner.
For cart installation, mount the transformer box by the two screws located at the bottom right rear corner of the grill cart, behind the pull-out shelf. Utilize the same transformer for the side burner if installed.
CART INSTALLATION
- Two mounting screws are provided at the bottom right rear corner of the cart for the power transformer. Install the transformer box.
- Remove front mounting screws from the cart. Place grill onto the cart, allowing enough space at the back to make connection to the transformer.
- Make connections from the wiring harness located at the right rear of the grill to the transformer, then slide the grill back until it is fully engaged with the cart.
- Secure grill to cart with four screws provided. Mounting holes in the upper back corners of the grill will align with holes in the cart. Secure with two screws. Remove the drip tray. Install two screws through side mounting holes below the grill front panel and into the cart.
Side Burner Installation
The Wolf side burner can be installed on the right side of any Wolf grill cart.
PREPARE GRILL CART
- If installed, the right side shelf must be removed. To remove, lift shelf up so the lower front screw is exposed, then remove screw. Refer to the illustration below.
- Fold side shelf down and remove the upper front screw, then remove the side shelf and front bracket. Refer to the illustration below.

- Remove the rear screws and bracket, then remove the cart plug from the access hole by pushing out from inside the cart. Refer to the illustration below.
- For easier access, the upper rear panel and right side door of the cart can be removed. Remove the rear panel by removing four screws.
- To remove the right side door, depress the rear lever on each hinge, then remove door. Refer to the illustration below.
- For easier access, the drip tray of the grill can be removed. To remove, slide forward and lift out.
- Insert the plastic bushing provided through access hole from inside the grill cart, where the cart plug was removed previously.

Side Burner Installation
INSTALL SIDE BURNER SHROUD
- Side burner is placed inside shroud for shipping. Lift out to remove side burner from shroud.
- Hang shroud by hand-starting four 10-32 machine screws provided through upper slots of shroud, into upper holes of cart. Do not fully tighten screws until shroud is properly aligned. Refer to the illustration below.
- Place alignment tool provided with lip placed in the gap between the grill and shroud as shown in the illustration below.
- To align front of shroud, push alignment tool back until center block of tool is flush against front vertical flange of shroud.
- Align front of shroud (up and down) with alignment tool until top of tool is flush with top surface of grill bullnose. Align shroud (front to back) with tool until front of tool is flush with front of bullnose. Tighten upper screw. Refer to the illustration below.

- To align back of shroud, place alignment tool at rear of shroud. Align rear of shroud (up and down) with tool until top of tool is flush with top surface of grill. Tighten upper screw. Refer to the illustration below. Verify with alignment tool that front of shroud did not move, realign if necessary.
- Remove alignment tool and tighten two remaining screws to slots just below the upper screws.
- Install two 5/16 x3/8 hex drive shoulder screws provided into lower holes of shroud and through cart. Place two 1/4–20 hex nuts from inside of cart and tighten. Refer to the illustration below.

Note – Cart and Side Burner not available in Australia – Built In models only
INSTALL SIDE BURNER
- Place side burner into shroud as shown in the illustration below. Guide flexible gas line and wire harness into cart access hole. Verify alignment of unit prior to securing
side burner to shroud. If side burner does not align properly, remove, loosen screws and check shroud alignment with tool. Reposition side burner until properly aligned. - Place a bar clamp with protected ends behind bullnose on fire box and under shroud. Do not include any part of bullnose within bar clamp. Refer to the illustration below.

- Compress bar clamp until hole in bullnose aligns with threaded hole in shroud. Alignment and placement of this screw is very important to side burner alignment. Refer to the illustration below.
- Attach side burner to shroud by first placing 8-32 hex cap screw provided into right side of front underside of bullnose and into shroud. Then, place left side hex cap screw. Tighten screws and remove bar clamp.
- At rear of unit, push side burner toward grill to establish proper gap at rear. Loosen rear cart screws and shift grill if necessary to achieve proper gap. Install two 8-18 pan head screws provided through shroud and into rear of side burner as shown in the illustration below. Verify proper alignment.

Side Burner Installation
ELECTRICAL CONNECTION
- Depending on the serial number of the grill, there may be one or two connectors near the front of the grill just above the manifold. Locate the connectors by looking above the manifold near the front of the grill.
- Remove the unpopulated connector housings from the wire harnesses coming from the grill as shown in the illustration below.
- Attach the appropriate connector housing from the side burner to the grill. Refer to the illustration below.

LP GAS CONNECTION
- Connect 2-stage LP gas regulator to flare tee at location shown. Connect flare swivel connector to one end of flare tee. Refer to the illustration below.
- Connect regulator assembly to flexible gas line coming into grill cart from side burner as shown in the illustration below.
- Connect regulator assembly to grill manifold at flare swivel connector as shown in the illustration below.
- Reinstall rear panel and door of grill cart. Reposition grill drip tray. Place burner cap on burner head, place grate on burner pan and affix knob to bezel with bezel nylon
liner.
NATURAL GAS CONNECTION
- Split high pressure natural gas line into two lines, one to attach to grill natural gas regulator and one to attach to side burner via flexible line and 1/2″ NPT adapter. Place
flexible gas line through cart access hole. - Place flexible gas line through cart access hole and attach to side burner regulator at pipe elbow. Elbow may be rotated to face downward for larger adapters. Do not rotate elbow upward. Refer to the illustration below.

Installation Checklist
IMPORTANT NOTE: To ensure a safe and proper installation, The following checklist should be completed by the installer to ensure that no part of the installation has been overlooked.
Any questions or problems about the installation should be directed to yourauthorised Wolf customer care at 1300 808 859
You can also visit our website at subzero-wolf.com.au
- All packaging material has been removed.
- Specified clearances to combustible materials have been maintained.
- All burners light properly, individually and with adjacent burners lit.
- All flames appear normal.
- The drip tray slides freely and is properly placed.
- The correct gas pressure regulator is connected for natural or LP gas and set according to specifications on page 5.
- The LP gas cylinder is in an upright position and the hose is not kinked.
- The outdoor product has been tested and is free of any gas leak.
- The homeowner has been informed of the gas supply shut-off valve location.
TROUBLESHOOTING
IMPORTANT NOTE: If the outdoor gas grill does not operate properly, follow these troubleshooting steps:
- Verify electrical power is supplied to the grill.
- Verify proper gas supply.
- Verify the gas supply shut-off valve is in the open position.
- Check that control knobs are turned to the ON position and held in to active the igniters.
- If the outdoor gas grill does not operate properly, contact Wolf factory certified service. Do not attempt to repair the grill. Wolf is not responsible for service required to correct a faulty installation.
Wolf Appliance International Limited Warranty
FOR RESIDENTIAL USE
These Warranty Terms and Conditions (‘Warranty’) constitute your agreement with Sub-Zero Group Australia Pty Ltd (ACN 610 807 899) (‘Wolf’) and will apply to your service order. The benefits given by this Warranty are in addition to all consumer guarantees and other rights and remedies prescribed by the Australian Consumer Law and any other applicable laws.
Our products come with guarantees that cannot be excluded under the Australian Consumer Law. You are entitled to a replacement or refund for a major failure and compensation for any other reasonably foreseeable loss or damage. You are also entitled to have the goods repaired or replaced if the goods fail to be of acceptable quality and the failure does not amount to a major failure.
In addition to your rights and remedies under the Australian Consumer Law, Wolf provides customers with a Warranty where, if any part of a Wolf product is found upon inspection by an authorised Wolf representative or an associated licensed technician supplied by either Wolf or a relevant approved supplier (including a Wolf factory certified service) (‘Service Representative’) to be defective in materials or workmanship, Wolf will repair and replace the part as follows:
FULL TWO YEAR WARRANTY* (**Outdoor product full one year warranty) For two years from the date of original installation, this Wolf Appliance product warranty covers all parts and labour to repair or replace, under normal residential use, any part of the product that proves to be defective in materials or workmanship. All service provided by Wolf Appliance under the above warranty must be performed by Wolf factory certified service, unless otherwise specified by Wolf Appliance, Inc. Where the Service Representative is unable to identify any fault in the product, Wolf may require the consumer to provide proof that the product is defective. For the avoidance of doubt, defective products or parts become Wolf’s property. Service will be provided during normal business hours.
LIMITED FIVE YEAR WARRANTY
For five years from the date of original installation, Wolf Appliance will repair or replace the following parts that prove to be defective in materials or workmanship: gas burners (excludes appearance), electric heating elements, blower motors (ventilation hoods), electronic control boards, magnetron tubes and induction generators. If the owner uses Wolf factory certified service, the service provider will repair or replace the above listed parts at no cost with the owner paying for all other costs, including labour. If the owner uses non-certified service, the owner must contact Sub-Zero Group Australia, (using the information below) to receive repaired or replacement parts. Wolf Appliance will not reimburse the owner for parts purchased from non-certified service or other sources.
TERMS APPLICABLE TO EACH WARRANTY
The warranty applies only to products installed for normal residential use. This warranty does not cover any parts or labour to correct any defect caused by negligence, accident or improper use, maintenance, installation, service or repair.
CLAIM PROCEDURE
In order to claim the Warranty, you must cease using the product when a fault arises, contact Sub-Zero or authourised Sub-Zero dealer where the product was purchased to report the issue and follow Sub-Zero’s directions regarding what to do next. Sub-Zero’s general contact details are as follows: Sub-Zero Group Australia
11-19 Bank Place
Melbourne VIC 3000
Phone: 03 9600 2218 email: [email protected]
EXCLUSIONS
Except to the extent required by law, all consumer guarantees, representations, warranties, terms and conditions in relation to the products (whether implied or otherwise) are hereby excluded to the maximum extent permitted by law. To the fullest extent permitted by law, Wolf excludes all liability for damage or injury to any person, damage to any property and any indirect consequential or other loss or damage.
*Stainless steel (doors, panels, handles, product frames and interior surfaces) are covered by a limited 60-day parts and labour warranty for cosmetic defects.
** Full one year warranty applies to outdoor product. Product must be approved for outdoor use, designated by model and serial number.
Sub-Zero, Sub-Zero & Design, Sub-Zero & Snowflake Design, Dual Refrigeration, The Living Kitchen, Great American Kitchens The Fine Art of Kitchen Design, Wolf, Wolf & Design, Wolf Gourmet, W & Design, red colored knobs, Cove, and Cove & Design, are registered trademarks and service marks of Sub-Zero Group, Inc. and its subsidiaries. All other trademarks are property of their respective owners in the United States and other countries.
CONTACT INFORMATION
Sub-Zero Group Australia Pty
Ltd Level 10, 469 La Trobe Street
Melbourne Victoria 3000
Phone 03 9600 2218
subzero-wolf.com.au

























