SS-ICPAH16030 Solar Stack Mounting System For Flat And Pitched Roofs Instruction Manual
BEFORE YOU START
Please carefully read through this installation manual before you begin installation, operation or maintenance work. Failure to follow these installation instructions may result in damage and injury. Please keep this manual safe for future reference.
This installation manual describes proper installation procedures and provides necessary standards required for product reliability. Warranty details are available on www.solarstack.com. All installers must thoroughly read this installation manual and have a clear understanding of the installation procedures prior to installation. Failure to follow these guidelines may result in property damage, bodily injury or even death.
IMPORTANT NOTES:
All installers should receive training before installing Solar Stack. Please email us at [email protected] to coordinate training. Solar Stack Roof mounting systems are UL 2703 listed. Standard for safety UL/ANSI 2703, Mounting Systems, Mounting devices, Clamping/Retention Devices and Ground lugs for use with PV modules. Solar Stack systems have been evaluated for module-to-system bonding to the requirements of UL/ANSI 2703.
This racking system may be used to ground and/or mount a PV module complying with UL 1703 only when the specifc module has been evaluated for grounding and/or mounting in compliance with the included instructions.
The system is a non-separately derived system. The following components have been evaluated for bonding as the fault current ground path: PV module, Mid Clamp, End Clamp, Pedestal and Ground Lugs. Solar Stack’s innovative design incorporates a patented pedestal used in conjunction with a code-approved adhesive.
Solar Stack eliminates potentially disastrous roof penetrations and allows roof warranties (and the roof itself) to remain intact. Since there’s no need for anchor penetrations or locating structural connection points, installation is significantly simplified. Solar Stack’s streamlined design cuts labor and installation time in half, avoiding costly, damaging complications associated with accessing attic spaces and modifying structural connection points.
Because there’s no drilling, you have total peace of mind that roof leaks won’t result from installation. Solar Stack has undergone rigorous testing by accredited facilities and earned the most stringent certifications from the state of Florida for use in High-Velocity Hurricane Zones as well as the world renown Miami-Dade NOA
IMPORTANT NOTES
- Solar Stack Roof mounting systems are UL 2703 listed. Standard for safety UL/ANSI 2703, Mounting Systems, Mounting devices, Clamping/Retention Devices and Ground lugs for use with PV modules.
- Solar Stack systems have been evaluated for module-to-system bonding and mechanical load to the requirements of UL/ANSI 2703.
- This racking system may be used to ground and/or mount a PV module complying with UL 1703 only when the specific module has been evaluated for grounding and/or mounting in compliance with the included instructions.
- The system is a non-separately derived system. The following components have been evaluated for bonding as the fault current ground path: PV module, Mid Clamp, End Clamp, Pedestal and Ground Lugs.
- Solar Stack pedestals can be installed on BUR (Build Up Roofing), Mineral surface (Modified Bitumen), EPDM, PVC,TPO, Hypalon and Concrete roofs.
SOLAR STACK’S COMPONENTS
Solar Stack’s innovative design incorporates a patented pedestal used in conjunction with a code-approved adhesive.
Solar Stack eliminates potentially disastrous roof penetrations and allows roof warranties (and the roof itself) to remain intact. Since there’s no need for anchor penetrations or locating structural connection points, installation is significantly simplified. Solar Stack’s streamlined design cuts labor and installation time in half, avoiding costly, damaging complications associated with accessing attic spaces and modifying structural connection points.
Additionally, Solar Stack eliminates crawling into hot or cold attic spaces to install solar panels. And because there’s no drilling, you have total peace of mind that roof leaks won’t result from installation. Solar Stack has undergone rigorous testing by accredited facilities and earned the most stringent certifications from the state of Florida for use in High-Velocity Hurricane Zones, ensuring its durability.
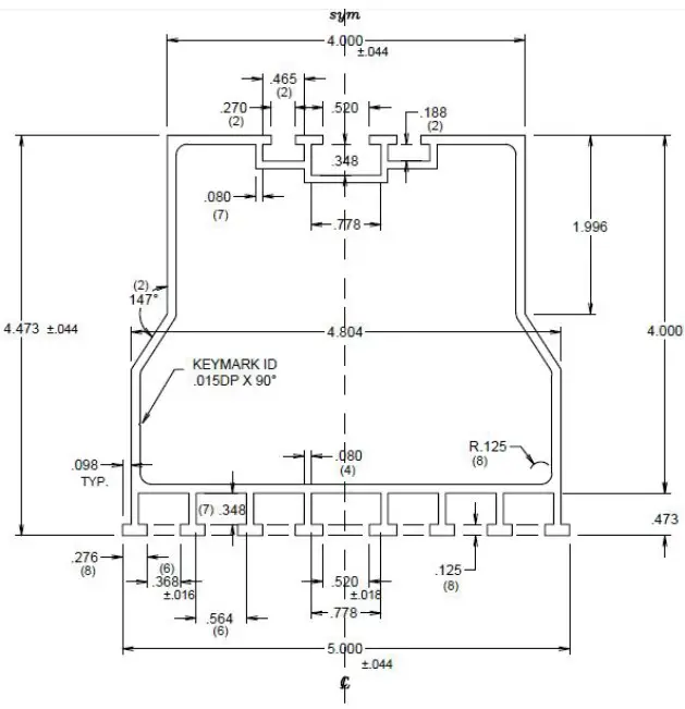
8 in. “SOLAR STACK ” or “DOUBLE DOWN ” Solar Pedestal
Overall Product Dimensions:
- Length: 8.00 in.
- Width: 5.00 in.
- Height: 4.75 in.

STANDARD SOLAR STACK
- Suitable for residential and commercial projectsx
- Parallel to roof – suitable for pitched and at roofs
- 8’’ – 12’’ Length of the SS pedestals (mounts)
- Solar modules can be mount in Portrait or Landscape orientation

- Suitable mainly for commercial projects
- Modules can be mounted in Landscape orientation only!
- 5 degree tilt– suitable for FLAT roofs
- 8’’ Length

PREPARATION OF THE ROOF
Solar Stack pedestals can be installed on different types of roofs: Tile, Modified Bitumen, TPO, Concrete etc. Roof must be cleaned with brush. Place, where the Solar Stack pedestals and solar panels are to be placed on the roof must be clean, dry and flat.
The presence of gravel, sand, stones, algae, dust, etc. can lead to instability of the system and/or can cause damage to the roof.
In determining the location of the solar panels on the at roof, it is very important to pay attention to the incoming sunlight. Throughout the day and throughout the year.
Place the solar panels on a roof that has no shadow. The shadow of a chimney, trees and nearby buildings have a detrimental effect on the yield of the solar panels.
ARRAY LAYOUT
Using your engineered design, locate the array layout on the roof, and determine mount locations.
Measure and determine the spacing between the Solar Stack pedestals according to the solar array design.
Mark the lines across the roof for all the mounts.
Prepare the Solar Stack pedestals and place them next to the marked lines where they will be installed.
ARRAY LAYOUT AND ROOF PREPARATION
Surface Preparation. All roof surfaces must be free of any debris, dirt, grease, oil, and
standing water before adhesive is applied. Follow adhesive manufacturers application instructions.
TILE ROOF
Tile roofs: Tiles must be cut to fit the proper size of the Solar stack pedestal (+- 1”). Clean the hole of any sawdust with appropriate tools and materials. Underlayment of the roof, must be clean and free of any debris before foam adhesive is applied.

TPO ROOF
Before foam adhesive and Solar Stack pedestals are installed to the roof, “primer” coating must be applied for stronger bond between the TPO roof and foam adhesive. Appropriate “primer” must be determined with the roof manufacturer to avoid warranty issues.
INSTALLING SOLAR STACK PEDESTALS
Determine the spacing of Solar Stack pedestals for your solar array design. Surface Preparation. All roof surfaces must be free of any debris, dirt, grease, oil, and standing water before adhesive is applied. Follow adhesive manufacturers application instructions.
Approved adhesive types used for installation of Solar Stack pedestals are located in the following table.
| Table 7.1Uplift Resistance Loads/Pressure2 | ||||
| Uplift Load applied to the Top of “SOLAR STACK GEN 3” or “DOUBLE DOWN GEN 3” Assembly (90° To Roof Surface) | ||||
| Adhesive Type: | GEN 3 Pedestal Size: | Paddy Dimensions: | Paddy Weight: | Ultimate Load’: |
| ICP Polyset° AH-160 | 12″ | 16-5/8″ x 8-7/8″ | 79.9 grams | -833 LBF |
| ICP Polysets AH-160 | 8″ | 12-3/8″ x 8″ | 62.6 grams | -658 LBF |
| DOW Tile Bond | 8″ | 10-1/2″ x 7″ | 55 grams | -383 LBF |
| DOW Insta-Stik | 8″ | 10-1/2″ x 7″ | 59.8 grams | -400 LBF |
| DAP Stormbond | 8″ | 10-1/2″ x 7″ | 52.1 grams | -500 LBF |
Notes:
| ||||
Table 7-1 (Evaluation report for Florida product approval #FL 21074.6 R4)
We strongly recommend that all the installers should have training for proper use of the foam adhesive before they do any installation of the Solar Stacks.
It is very important to use approved foam adhesives only. For proper use of the foam adhesive, manufacturer installation instructions must be followed.
Dispense adhesive at location of mount, allow space for expansion of adhesive.
(Note: Polyurethane Foam Adhesives will expand up to 3 time’s original size. Take care to allow for expansion and required contact area to Solar Stack Pedestal to ensure performance as designed.)

Install Solar Stack pedestal into fresh adhesive and allow to cure in accordance with adhesive manufacturer’s recommendations. Solar Stack pedestal should be placed into foam within 1-2 minutes after foam is dispensed.
All exposed polyurethane adhesive should be protected from UV exposure. This can be accomplished by coating with an exterior grade acrylic paint/coating or covering the foam adhesive with another method.
Examples with Solar Stack mounts installed on the Tile roof.

Examples with Solar Stack mounts installed on Modified bitumen and TPO roof.
MODIFIED BITUMEN ROOF
TPO ROOF
INSTALLING MICROINVERTERS & POWER OPTIMIZERS
When Microinverters or Power Optimizers are used, they need to be installed on the Solar Stack pedestals prior to the modules.
Each Microinverter or Power Optimizer should be mounted on the side of the SS pedestal, beneath the module with appropriate hardware recommended by the manufacturer.
INSTALLING THE MODULES
The next step is to install the solar modules to the Solar Stack pedestals. Modules can be installed in portrait or landscape orientation, according to the engineering plans. As well as taking measurements, we’ll check that the modules look straight – not just from where we’re sitting on the roof, but from down on the ground too.
Modules will be connected with each other, according to the provided engineering plans in regards to the proper stringing.

This is a typical module, installed on the Solar Stack pedestals. Number of the required pedestals per module, will be determined according to the provided engineering plans, in regards to the typical geographical region and existing wind loads. If the modules are installed in HVHZ, than Roof underlayment must be approved and installed according to the local (AHJ) regulations and codes. Installation of the SS pedestals and distance between them (A,B i C) must be determined according to the module manufacturer instructions.
For Tile roofs, underlayment attached to the roof sheathing must be in accordance with Florida Building Code / Roof tile installation manual. Roof Tile system, must be installed in accordance with RAS-120.
PV MODULE in landscape orientation
PV MODULE in portrait orientation
SOLAR STACK mounting pedestals adhered with ICP AH160 foam adhesive to roof tile system underlayment mechanically attached to roof sheathing in compliance with Florida Building Code
Typical module layout with Solar Stacks mounts
IMPORTANT: Periodic re-inspection of the installation for loose components, loose fasteners and any corrosion, such that if found, the affected components are to be immediately replaced.
INSTALLING THE MODULE CLAMPS
Clamps hold the modules onto the frame. There are two types: end-clamps and mid-clamps. End-clamps are used at the end of a row of modules fixing the last one in place, while mid-clamps sit between two panels and ensure they’re spaced equally.
Attach the modules using the clamps as noted on the drawing:
- Insert the middle clamps and tighten them.
- Insert the end clamps laterally in the pedestal. The end clamps are attached and then tightened at the height of the module frame.



Modules should be installed to the Solar Stack pedestals with the manufacturer approved middle/end clamps. There are different types of clamps available for the module installation.
WIRE MANAGEMENT
Complete wire management on a row-by-row basis. Wire management and clamp tightening can be done at the same time. Clip wires should be installed inside of the odule frame. Repeat this process across the row of modules.

GROUNDING
Grounding lug will be mounted at every row. Grounding lugs connects the PV modules to the grounding conductors. Attach the grounding lug to the Solar Stack Pedestal with hardware. Secure the grounding wire to the lug by tightening the set screw and torque Grounding Lug 120 in-lbs. at Pedestal terminal and 5 ft-lbs. at wire terminal.

Entire solar array must me grounded. Modules should be bonded to the Solar Stack
pedesals with the manufacturer approved middle/end clamps. forms secure electrical bonds with both the module and the pedestal, resulting in many parallel grounding paths throughout the system. This leads to safer and more reliable installations. Grounding wire should be installed, in a way that will electrically bond the module rows between each other. Grounding lug will be installed on the Solar Stack pedestal (one per each row) and bond the grounding wire. Grounding wire should be min #10 AWG (Bare Copper wire) size. If other than specified, then must be determined by a Professional Engineer, in accordance to the National Electric Code. Grounding conductors, from each row of the array, must be bonded together, in order to form asolid electrical connection/system, which will continue to the closest Junction or Combiner box. From that point, according to the Professional Engineer ampacity calculations, based on the NEC, proper grounding wire will continue to run all the way down to the determined system grounding point.

The system is a non-separately derived system. The following components have been evaluated for bonding as the fault current ground path: PV module, Mid Clamp, End Clamp, Pedestal and Ground Lugs. In case module must be removed from the PV system for service & maintenance reasons, than proper bond (electrical connection) must be established between the Solar Stack mounts. The DynoRaxx® DynoBond™ is a proprietary, UL recognized design that allows the DynoBond™ tobe used as a jumper between modules and rows; making the module frames the medium for the equipment ground path. The DynoBond™ replaces the conventional method of installing one ground lug per solar module and running a solid six gauge copper wire bonding the modules. The DynoBond™ is engineered for commercial and residential applications. Available Wire Lengths: 8”, 38”, 76”, 96

MODULE COMPATIBILITY
Solar Stack racking system may be used to ground and/or mount a PV module complying with UL 1703 only when the specific module has been evaluated for grounding and/or mounting in compliance with UL1703.
























