WAREHOUSE DW01W05MB 25 Inch Ceiling Fan

Safety Information
READ AND SAVE THESE INSTRUCTIONS
- To reduce the risk of electric shock, ensure the electricity has been turned off at the circuit breaker or fuse box before attempting installation.
- To reduce the risk of electric shock, disconnect the electrical supply circuit to the fan before lnstalling light kit.
- All wiring must be in accordance with the National Electrical Code ANSI/ NFPA 70-1999 and local electrical codes. Electrical installation should be performed by a qualified licensed electrician.
- The weight of the fan is 9.2kg (20.3lb). to reduce the risk of fire, wlectric shock, or personal lnjury, mount to outlet box marked acceptable for fan support of 22.6 kg (50 lbs) or less and use mounting screws provided with the outlet box. most outlet boxes commonly used for the support of luminaires are not acceptable for fan support and may need to be replaced. consult a qualified electrician If In doubt.
- The fan must be mounted with a minimum of 7 ft. (2.1 m) clearance from the trailing edge of the blades to the floor.
- Do not operate the reversing switch while the fan blades are in motion. You must turn the fan off and stop the blades before you reverse the blade direction.
- Do not place objects in the path of the blades.
- To avoid personal injury or damage to the fan and other items, use caution when working around or cleaning the fan.
- Electrical diagrams are for reference only. Light kits that are not packed with the fan must be UL listed and marked suitable for use with the model fan you are installing. Switches must be UL General Use Switches. Refer to the instructions packaged with the light kits and switches for proper assembly.
- After making electrical connections, spliced conductors should be turned upward and pushed carefully up into outlet box. The wires should be spread apart with the grounded conductor and the equipment-grounding conductor on one side of the outlet box.
- All setscrews must be checked and retightened where necessary before installation.
- WARNING: To Reduce The Risk Of Personal Injury, Do Not Bend The Blade Brackets When Installing The Brackets, Balancing The Blades, Or Cleaning The Fan. Do Not Insert Foreign Objects In Between Rotating Fan Blades.
- WARNING: Remove the rubber motor stops on the bottom of the fan before installing the blades or testing the motor.
- WARNING: To reduce the risk of fire or electric shock, do not use this fan with any solid-state speed control device.
- WARNING: To avoid possible electrical shock, turn the electricity off at the main fuse box before wiring. If you feel you do not have enough electrical wiring knowledge or experience, contact a licensed electrician.
- WARNING: Electrical diagrams are for reference only. Optional use of any light kit shall be UL-listed and marked suitable for use with this fan.
- WARNING: To reduce the risk of fire or electric shock, this fan should only be used with fan speed control part no.
- WARNING: To reduce the risk of electric shock, this fan must be installed with an isolating wall switch.
- WARNING: Check that the outlet box is securely and the ceiling-suspended fan is mount to putlet box marked acceptable for fan support of 22.6 kg ( 50 lbs ) or less.
- CAUTION: To reduce the risk of personal injury, use only the screws provided with the outlet box.
FCC
This equipment has been tested and found to comply with the limits for a Class B digital device, pursuant to Part 15 of the FCC Rules. These limits are designed to provide reasonable protection against harmful interference in a residential installation. This equipment generates, uses and can radiate radio frequency energy and, if not installed and used in accordance with the instructions, may cause harmful interference to radio communications. However, there is no guarantee that interference will not occur in a particular installation. If this equipment does cause harmful interference to radio or television reception, which can be determined by turning the equipment off and on, the user is encouraged to try to correct the interference by one or more of
- Reorient or relocate the receiving antenna.
- Increase the separation between the equipment and receiver.
- Connect the equipment into an outlet on a circuit different from that to which the receiver is connected.
- Consult the dealer or an experienced radio/TV technician for help.
CAUTION: Any changes or modifications not expressly approved by the grantee of this device could void the user’s authority to operate the equipment. This device complies with Part 15 of the FCC Rules. Operation is subject to the following two conditions: (1) This device may not cause harmful interference, and (2) this device must accept any interference received, including interference that may cause undesired operation.
Warranty
The supplier warrants the fan motor to be free from defects in workmanship and material present at time of shipment from the factory for a lifetime after the date of purchase by the original purchaser. The supplier warrants that the light kit, excluding any glass, to be free from defects in workmanship and material at the time of shipment from the factory for a period of three years after the date of purchase by the original purchaser. The supplier also warrants that all other fan parts, excluding any glass or acrylic blades, to be free from defects in workmanship and material at the time of shipment from the factory for a period of one year after the date of purchase by the original purchaser. We agree to correct such defects without charge or at our option replace with a comparable or superior model if the product is returned. To obtain warranty service, you must present a copy of the receipt as proof of purchase. All costs of removing and reinstalling the product are your responsibility. Damage to any part, such as by accident, misuse, improper installation, or by affixing any accessories, is not covered by this warranty. Because of varying climatic conditions this warranty does not cover any changes in brass finish, including rusting, pitting, corroding, tarnishing, or peeling. Brass finishes of this type give their longest useful life when protected from varying weather conditions.
A certain amount of “wobble” is normal and should not be considered a defect. Servicing performed by unauthorized persons shall render the warranty invalid. There is no other express warranty. Interline hereby disclaims any and all warranties, including but not limited to those of merchantability and fitness for a particular purpose to the extent permitted by law. The duration of any implied warranty, which cannot be disclaimed, is limited to the time period as specified in the express warranty. Some states do not allow a limitation on how long an implied warranty lasts, so the above limitation may not apply to you.
The retailer shall not be liable for incidental, consequential, or special damages arising out of or in connection with product use or performance except as may otherwise be accorded by law. Some states do not allow the exclusion of incidental or consequential damages, so the above exclusion or limitation may not apply to you. This warranty gives specific legal rights, and you may also have other rights that vary from state to state. This warranty supersedes all prior warranties. Shipping costs for any return of product as part of a claim on the warranty must be paid by the customer..
Pre-Installation
SPECIFICATIONS
| Fan Size | Speed | Volts | Amps | Watts | RPM | CFM | N.W | G.W. | C.F. |
|
25″ | Level 1 |
120 | 0.08 | 4 | 162 | 1607 |
20.3lb 9.2kg |
28.4lb 12.9kg |
7.64cu.ft |
| Level 2 | 0.13 | 6 | 205 | 1810 | |||||
| Level 3 | 0.17 | 9 | 245 | 2014 | |||||
| Level 4 | 0.24 | 13 | 280 | 2218 | |||||
| Level 5 | 0.33 | 19 | 324 | 2422 | |||||
| Level 6 | 0.40 | 27 | 360 | 2626 |
NOTE: These are approximate measures. They do not include amps and wattage used by the light kit.
TOOLS REQUIRED

HARDWARE INCLUDED
NOTE: Hardware not shown to actual size.

| Part | Description | Quantity |
| AA | Setscrew (preassembled) | 9 |
| BB | Remote control holder mounting screw (not to scale) | 2 |
| CC | Collar setscrew (preassembled) | 2 |
| DD | Clevis pin (preassembled) | 1 |
| EE | Cotter pin (preassembled) | 1 |
| FF | Cross pin (preassembled) | 1 |
| GG | 1.5V AAA Battery | 2 |
| HH | Expansion bolt(not to scale) | 2 |
| II | Hanger bracket mounting screws (not to scale) | 6 |
PACKAGE CONTENTS

| Part | Description | Quantity |
| A | Mounting bracket (preassembled) | 1 |
| B | Canopy | 1 |
| C | Canopy ring (preassembled) | 1 |
| D | Hanger ball/downrod assembly | 1 |
| E | Coupling cover | 1 |
| Part | Description | Quantity |
| F | Lamp body | 1 |
| G | Receiver | 1 |
| H | Remote control | 1 |
| I | Remote control holder | 1 |
| J |
Installation
MOUNTING OPTIONS
WARNING: To reduce the risk of fire, electric shock, or personal injury, mount the fan to an outlet box marked acceptable for fan support using the screws provided with the outlet box. An outlet box commonly used for the support of lighting fixtures may not be acceptable for fan support and may need to be replaced. If in doubt, consult a qualified electrician.
If your ceiling fan does not have an existing UL-listed mounting box, then install one using the following instructions:
- Disconnect the power by removing the fuses or turning off the circuit breakers.
- Secure the outlet box (LL) (not included) directly to the building structure. Use appropriate fasteners and materials (not included). The outlet box and its bracing must be able to fully support the weight of the moving fan (at least 80 lbs.). Do not use a plastic outlet box.
The illustrations below show three different ways to mount the outlet box (LL) (not included).
NOTE: You may need a longer downrod to maintain proper blade clearance when installing on a steep, sloped ceiling. the maximum angle allowble is 18° aeay from horizontal. lf the canopy (C) touches the hanger ball/downrod assembly
(D), then remove the decorative canopy bottom cover and turn the canopy (C) 180° before attaching the canopy (C) to the mounting bracket (A).
To hang your fan where there is an existing fixture but no ceiling joist, you may need an installation hanger bar (MM) (not included) as shown above.
Assembly
install the suspension system components
Insert the ball/downrod (B) through the canopy (C) and canopy bottom cover (D), and then slide the decorative motor collar cover (E) onto the end of the ball/downrod (B). Make sure the slots on the canopy (C) are on top.

Assembling the fan
WARNING:
Failure to properly install the cotter pin (EE) could result in the fan loosening and possibly falling.
- Route the wires exiting the top of the fan motor assembly (F) through the downrod as shown.
- Loosen, but do not remove, the setscrew on the collar (P) on top of the motor housing.
- Align the holes at the bottom of the downrod (B) with the holes in the collar (P) on top
of the motor housing. - Carefully insert the hanger pin (DD) through the holes in the collar (P) and downrod (B). Be careful not to jam the hanger pin (DD) against the wiring inside the downrod
- Insert the locking pin (EE) through the hole near the end of the hanger pin (DD) until it snaps into its locked position.
- Retighten the setscrews on the collar (P) on

Description of mounting bracket
- Lossen the two outlet box screws in the outlet box.
- Pass the 120-Volt supply wires through the center hole in the mounting bracket (A).
- Fix the mounting bracket (A) to the outlet box (LL)Note that the plane of mounting bracket (A) is oriented towards the outlet box (LL).
- Tighten the two mounting screws
WARNING: To reduce the risk of fire, electric shock or other personal injury, mount the fan only to an outlet box or supporting system marked acceptable for fan support and use the mounting screws provided with the outlet box.
MOUNTING OPTIONS
For wooden ceiling, use wood screw to drill on the wooden beam or the “junction box” to fix the hanging bracket (selection is made according to actual requirements of the customers).
STEP 1A-WOODEN CEILING
SEITCH OFF THE ELECTRICAL MAINS AT THE CIRCUIT BREAKER FUSE BOX.
- Use the Mounting Bracket (A) as a guide, mark the spots where the 4 Self Tapping Screws (II) will be drilled.
- Remove the Mounting Bracket (A), drill 4 holes for 3MM diameter,install the mounting bracket onto wooden ceiling with the 4 Self Tapping Screws
(II) & Washers.
IMPORTANT : SCREWS MUST BE TIGHTENED TILL SNUG
For concrete ceiling,use the percussion bit with diameter 6mm to drill holes according to the length of expansion screws. Then use the attached expansion screws to fix
the hanging bracket onto the ceiling (selection is made according to actual requirements of the customers).
STEP 2A-CONCRETE CEILING
SEITCH OFF THE ELECTRICAL MAINS AT THE CIRCUIT BREAKER FUSE BOX.
- Use the Mounting Bracket (A) as a guide, mark the spots where the 2 Expansion Bolts (II) will be drilled.
- Remove the Mounting Bracket (A), drill 2 holes and insert 2 Expansion Bolts Bolts (2) into the concrete ceiling, install the mounting bracket and secure with Flat Washere,Spring Washers and Nuts.
IMPORTANT : SCREWS MUST BE TIGHTENED TILL SNUG
Note: according to different ceiling materials, the bracket is fixed with different screws. The ceiling of the fixed bracket shall not be less than 12mm to prevent danger caused by screw loosening. After the suspension support is completed, it shall be able to safely withstand the tensile test of more than 55kg.
Install the light bulb
1. Install the six E12 bulbs by screwing them into the light bulb sockets.

Hanging the fan to the mounting bracket
WARNING: to reduce the risk of electric shock, please operate after starting to disconnect the power supply of circuit breakeror fuse box.
- Carefully lift the fan motor assembly (F) up to the mounting bracket (A) and seat the hanger ball/downrod assembly (B) in the mounting bracket (A) socket. Make sure the tab on the mounting bracket (A) socket is properly seated in the groove in the hanger ball/downrod assembly (B). This will help to balance the ceiling fan.
- Insert the receiver (G) into the mounting bracket (A) with the flat side of the receiver (G) facing the ceiling.

Making the electrical connections
WARNING: To avoid possible electrical shock, turn the electricity off at the main fuse box before wiring. If you feel you do not have enough electrical wiring knowledge or experience, contact a licensed electrician.
CAUTION: Do not use with a wall light dimmer switch.
WARNING: Check to see that all connections are tight,including ground, and that no bare wire is visible at the connect Terminal blocks, except for the ground wire.
NOTE: The fan must be installed at a maximum distance of 20 ft.from the remote control for proper signal transmission between the remote control and the fan’s receiving unit.
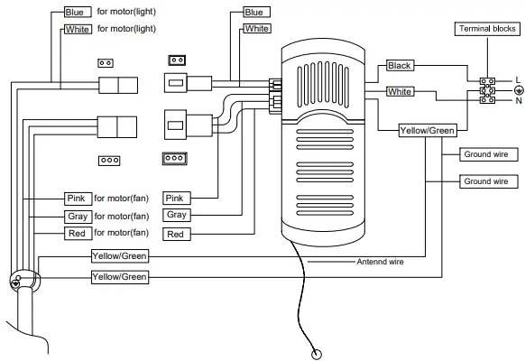
Motor to receiver electrical connections
- Connect the fan wire with receiver wire by connect terminal.
- Connect the lamp line with receiver wire by connect terminal. Receiver to house supply wires electrical connections:
- Connect the receiver white wire marked “AC in N” to the household white wire (neutral) using a wire terminal block.
- Connect the receiver Black wire marked “AC in L” to the household Black wire (hot) using a wire terminal block.
- Connect the fan wire and the ground wire on the hanger through the terminal block.
- Use the terminal block to connect the ground wire on the mounting bracket and the receiver to the household ground wire.

How to install the canopy ring cover
Align the top cover (B) with the hole knob of the mounting bracket (A) and tighten with screws.
Make sure that the canopy covering the outlet box.
Slide the lower cover (C) upwards until the lower cover (B) is firmly sucked.

Operation
REMOTE CONTROL OPERATING INSTRUCTIONS

- .Fan
button. Press and release the
(button to turn the fan on of. Fan off. The fan memory function will store the current setting for the next time the fan is in use. - Light functions
Press and release
(one time will turn the light on or off. - Speed functions
Number 1/2/3/4/5/6, speed button.
Press and release button one time will change the speed of the fan. - Fan reverse button
(Must be pushed when the fan is in operation)
(Counterclockwise Direction) A downward air flow creates a cooling effect.
This allows you to set your air conditioner on a higher setting without affecting your comfort.
(Clockwise Direction) An upward air flow moves warm air off the ceiling.
This allows you to set your heating unit on a lower setting without affection your comfort. - Special functions
Nature Breeze Randomly cycles the fan speeds to simulate naturally occurring air movement.
Comfort sleep model helps you sleep better by regulating the speed automatically to match your comfort level. - Timer functions
Auto off after 1 hour.
Auto off after 4 hour.
Auto off after 8 hour.
INSTALLING THE REMOTE CONTROL HOLDER
- Remove two remote control holder plugs from the remote control holder (I). Note that the plugs have unique tabs that allow them to fit only in one hole.
- Attach the remote control holder(I) with the two remote control holder mounting screws.

REVERSE SWITCH OPERATING INSTRUCTIONS
The reverse switch is located on the top of the motor housing.Slide the switch to the right for warm weather operation. Slide theswitch to the left for cool weather operation.
NOTE: Wait for the fan to stop before reversing the direction of the blade rotation.
- Warm weather – (Clockwise Direction) A downward air flow creates a cooling effect. This allows you to set your air conditioner on a warmer setting without affecting your comfort.
- Cool weather – (Counterclockwise Direction) An upward air flow moves warm air off the ceiling. This allows you to set your heating unit on a cooler setting without affecting your comfort.

Care and Cleaning
WARNING: Make sure the power is off before cleaning your fan.
Do
- Check the support connections, brackets, and blade attachments twice a year. Make sure they are secure.Because of the fan’s natural movement, some connections may become loose over time. It is not necessary to remove the fan from the ceiling.
- Clean your fan periodically. Use only a soft brush or lint-free cloth to avoid scratching the finish. The plating is sealed with a lacquer to minimize discoloration or tarnishing.
(Optional) Cover small scratches with a light application of shoe polish.
Do not
- Use water when cleaning. Water could damage the motor, or the wood, or possibly cause an electrical shock.
- Apply oil to your fan or motor. The motor has permanently-lubricated sealed ball bearings.
Troubleshooting
WARNING: Make sure the power is off at the electrical panel box before you attempt any repairs. Refer to step 7 “Making the electrical connections”
| Problem | Solution |
| The fan will not start. | Check the main and branch circuit fuses or breakers. |
| Check the line wire connections to the fan and switch wire connections in the switch housing. | |
| Check to make sure the frequency switches from the remote control and receiver are set to the same frequency. | |
|
The fan sounds noisy. | Make sure all motor housing screws are snug. |
| Make sure the screws that attach the fan blade to the motor hub are tight. | |
| Make sure the wire nut connections are not rattling against each other or the interior wall of the switch housing. | |
| Allow a 24-hour “breaking-in” period. Most noises associated with a new fan disappear during this time. | |
| Make sure there is a short distance from the ceiling to the canopy. It should not touch the ceiling. | |
| Make sure your ceiling box is secure and that rubber isolator pads are used between the mounting bracket and outlet box. | |
| The remote control is not working. | Do not connect the fan with wall mounted variable speed control(s). |
| Make sure the frequency switches are set correctly |



























