HELIOS POWER SOLUTIONS SR750HI Series No Break DC UPS

STANDARD FEATURES
3 Relay Alarms-Form C
Float Charger –Lead Acid Batteries
Temperature Sensor on 1.7m lead with adhesive pad: -4mV / °C /cell ±10%
ELVD : Electronic low voltage disconnect
Comms:- RS232
- RS485
- Modbus RTU
- SNMP V1 & Webpages
Customizable Digital I/O
BCT: Battery Condition Test.
N+1 Redundancy
Rack Mounting
Internal Meter
SAFETY
The user is responsible for ensuring that input and output wiring segregation complies with local standards and that in the use of the equipment, access is confined to operators and service personnel. A low resistance earth connection is essential to ensure safety and additionally, satisfactory EMI suppression (see below).
HAZARDOUS VOLTAGES EXIST WITHIN A POWER SUPPLY ENCLOSURE AND ANY REPAIRS MUST BE CARRIED OUT BY A
QUALIFIED SERVICEPERSON.
Electrical Strength Tests
Components within the power supply responsible for providing the safety barrier between input and output are constructed to provide electrical isolation as required by the relevant standard. However EMI filtering components could be damaged as result of excessively long high voltage tests between input, output and ground. Please contact our technicians for advice regarding electric strength tests.
Earth Leakage
Where fitted, EMC suppression circuits cause earth leakage currents which may be to a maximum of 3.5mA.
Ventilation
High operating temperature is a major cause of power supply failures, for example, a 10oC rise in the operating temperature of a component will halve its expected life. Therefore always ensure that there is adequate ventilation for the equipment. Batteries in particular suffer shortened lifetimes if subjected to high ambient temperatures.
Water / Dust
Every effort must be made in the installation to minimize the risk of ingress of water or dust. Water will almost always cause instant failure. The effects of dust are slower in causing failure of electronic equipment but all electrical equipment should be cleaned free of any dust accumulation at regular intervals.
Electromagnetic Interference (EMI)
Switching power supplies and converters inherently generate electrical noise. All wiring should be as short as practicable and segregated from all equipment wiring which is sensitive to EMI. Residual noise can be reduced by looping DC wiring through ferrite cores (sleeves). These are most effective as close to the power supply as possible and as many turns of the wire taken through the core (+ and – in the same direction) as the core will accommodate.
External fuse protection
Fuses or circuit breakers must be used in all battery circuits to protect against short circuits. External fuses should be used for power supplies/ chargers even though they are usually internally protected.
Connection polarity
It is critical to check the polarity carefully when connecting DC devices even with models which have non-destructive reverse polarity protection.
Glossary of terms used in our user manuals
- PSU = power supply unit
- BCT = battery condition test
- ECB = electronic circuit breaker
- ELVD = electronic low voltage disconnect
- RPP = reverse polarity protection
- EMI = electromagnetic interference
- SNMP = Simple Network Management
- EMC = Electromagnetic compatibility
- DOD = depth of discharge
INTRODUCTION
The No-Break ™DC SR750Hi switch mode power supply is designed to provide DC power to lead acid batteries for critical back up ap-plications.No-Break ™ DC UPS systems maximise the integrity of standby battery installations, whilst optimising the life and availability of back up batteries. A built in Low Voltage Disconnect (LVD) will protect the battery from over discharge after extended periods of backup operation when AC power has failed.
SR750HI Series – SYSTEM BLOCK DIAGRAM

OPERATION OF ELECTRONIC CIRCUIT BREAKER (ECB) FOR PROTECTION OF BATTERY CIRCUIT & BATTERY

The ECB will operate on overcurrent as above & is also activated for the low voltage disconnect function on mains fail (no input power). It will reset when input power is restored, or can be manually reset by briefly shorting the BAT- and LOAD- terminals together when there is no input power.
BACK & FRONT PANEL LAYOUT

- AC INPUT IEC60320 – C13 10A
- Digital Inputs (pins 1,2)/ Input or Output (pin 3)/ Return (pin 4) I/O terminals are customizable and if used, the product will have a unique code.
- ALARMS RELAY FORM C
AUX : Activated by BCT ( Battery Condition Test) POWER (Mains Fail):- Loss of mains input power. This alarm has 30 seconds delay before activation upon mains failure.
- PSU fails
BATTERY: - Battery Low: 1.8V/cell (for 2V cells) – operates only when no mains power present.
- Battery Missing or fault in battery circuit wiring (alarm does not activate for up to battery detection interval time.
- BCT fail
- LOAD & BATTERY CONNECTION ( M8 brass stud, plug-in style phoenix & plug-in style Anderson connector options)
- LED INDICATIONS CODE ( For full list of LED flash codes please refer to the next page)
Battery OK: LED on: Battery present and above V batl
Power OK: LED on: Charger output present. LED off: no mains input or charger in standby mode
Standby: LED on: Charger in standby mode ( no output from charger) . Push the STANDBY button briefly to put into standby mode. - Comms Port (if installed) , for models with communications please refer to
- RS232 (ASCII) https://www.heliosps.com/sr-series-downloads/#rs232-rs485-commands-sr-series
- RS485 (ASCII) https://www.heliosps.com/sr-series-downloads/#rs232-rs485-commands-sr-series
- Modbus RTU https://www.heliosps.com/sr-series-downloads/#serial-modbus-rtu-sr-series
- SNMP, Webpages https://www.heliosps.com/sr-series-downloads/#snmp-sr-series
NOTES
Reverse polarity protection
If the battery is connected in reverse, the internal battery protection fuse may be ruptured and the unit should be re-turned to the manufacturer for repair. If the fuse is good, the voltage measured as at step 3 above should be exactly the
CONNECTION AND INITIAL TESTING
- Check input and output voltages of system, ensure that they match the equipment. All loads should be isolated.
- Check polarity of all wiring. Place temperature sensor probe near or on batteries.
- Plug in ac input and turn power on. Both LEDs will light up after approx. 4 sec, “BATT OK” LED will go out after another 10 secs (since there is no battery connected). DC output voltage should appear at both load and battery outputs (ensure screws are tightened down on the connector block).
- Turn off input power.
- Connect battery.
- Check that ELCB (internal electronic circuit breaker) closes by shorting together the BATTERY –ve and LOAD –ve terminals for about 2-3 sec. You will hear a relay operate and both LEDs will light up. If this does not happen, there is a fault in the wiring or the internal battery protection fuse is ruptured (see Note 2 below). The battery voltage will then appear at the load terminals and the “BATTERY OK” relay energises. The “POWER OK” LED stays on for about 30 seconds.
- Connect load wiring to LOAD+ and LOAD- terminals. Check that the load does not exceed 110% of the unit. Any peak loads which are > 110% must be connected to the B+ and B-terminals.
- Turn on ac power.
- After the batteries are fully charged, check that the battery continues to power up the load when the input power is turned off.
LED INDICATION
LEGEND :
=on
=fast flash
=slow flash
=off

SR750HI – DC SETTINGS (at 20 degrees C)

*1 Except for 12V which is set at 50%
MOUNTING DETAILS

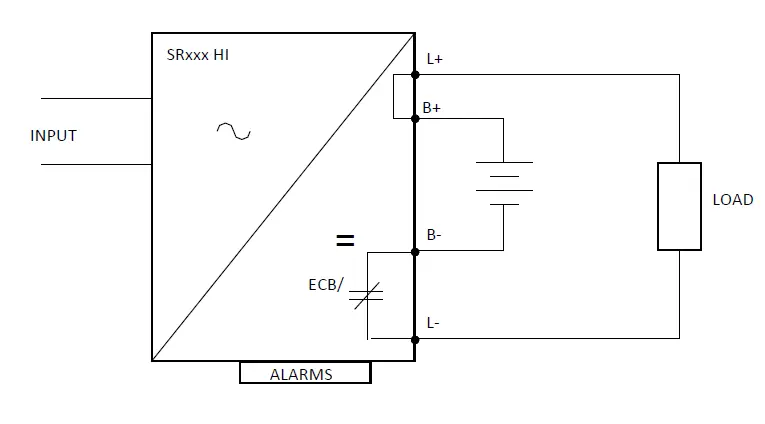
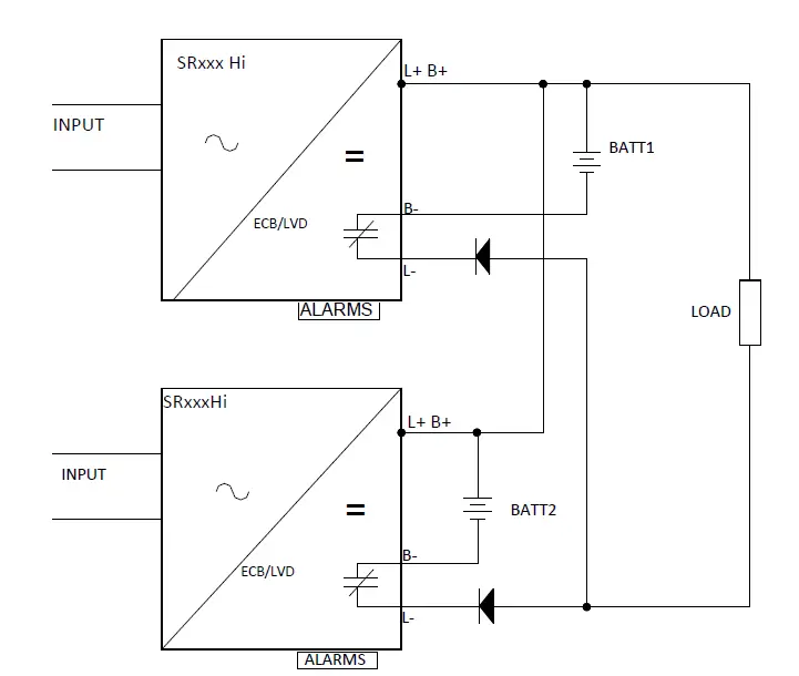
SR750HI – CONNECTIONS – Typical Examples
- Standard No-Break™DC charger and battery bank
This is the basic connection which is most commonly used, and provides adequate protection for the majority of systems requiring DC back up in the event of a mains power failure.


Note: On stud connected output models the L+/B+ is one stud labelled “+ COMMON”
- Peak load connection using No-Break™DC charger
Peak loads which may exceed 1.5 x max. charger output can be connected to bypass the internal overcurrent trip circuit.


- N+1 connection using two complete No-Break™DC systems with each one capable of supplying the loads- positive common


*interlock circuit required for automated BCT
MODEL CODING AND OPTIONS

- Optional Communication Interface Port
485 = RS485 232 = RS232 LAN+= Ethernet /SNMP-Webpages 485+=Modbus RTU - DC = 90-135VDC input (blank = AC input) U = 110VAC optional input voltage
- Turns output on/off
- X = Pluggable connector S= Stud A= Anderson connectors
- F = Fan
- T = Yes
- 12, 24, 30, 36, 48V
- HL = DC PSU/charger – 2 terminal output
- HI = No-Break™ DC UPS – 3 terminal output (separate battery output )
- 750W
H-SERIES INTERNAL METER OPTION
SR500H & SR750H L & I models both have the internal meter option and the parameters displayed vary depending on the model.
The H-Series internal meter shows the status of the PSU and Battery which has certain meanings. Check below each one of them to understand the information displayed.

Code A:
- CC – charge cycle (normal operation)
- MF – mains fail (mains failure, system on battery power)
- OL – system overloaded, output voltage is below Vpres setting
- BCT – battery condition test is in progress
Code B:
- M? – possible mains fail, ie. No mains detected but brown out timer not expired (30sec)
- m? – possible mains fail, ie. No mains detected but brown out timer not expired (30sec). But has failed the previous BCT BP – battery present, system OK
- bP – battery present, system OK. But has failed the previous BCT
- B? – No battery charge current detected, up to the next scheduled battery detection, uncertainty about the presence of the battery exists.
- b? – No battery charge current detected, up to the next scheduled battery detection, uncertainty about the presence of the battery exists. But has failed the previous BCT.
- BM – battery is missing, the battery detection routine did not find a battery to be present. This will also reset the ‘battery con-
dition not good’ of any failed BCT. - BO – battery is in ‘OK’ state during mains fail
- bO – battery is in ‘OK’ state during mains fail. But has failed the previous BCT
- BL – battery is in ‘LOW’ state during mains fail
- bL – battery is in ‘LOW’ state during mains fail. But has failed the previous BCT
- SD – system will shut-down if no mains present and output voltage stays below Vdiscon for 30 seconds.
Displayed values following Code B:
- Vout = output voltage of PSU
- Ibat = battery charging/discharging current
- Ipsu = Total PSU output current
- +20oC = temperature measured by temp. sensor
TECHNICAL SPECIFICATIONS


OPTIONS

STANDARDS

CUSTOMISED MODELS

TERMS OF WARRANTY
Helios Power Solutions warrants this product for 24 months from date of shipment against material and workmanship defects. Liability under this warranty is limited to the replacement or repair of the defective product as long as the product has not been damaged through misapplication, negligence, or unauthorized modification or repair.
New Zealand: [email protected]
Australia: [email protected]
Middle East & Asia: [email protected]




















