FLEXA 200 Ups Systems
User Manual
Leading Conversion Technology for Power Resilience
FLEXA 200 – UPS SYSTEMS
20 to 640 kVA/kW
User Manual V2.0
RE-INVENTING THE MODULAR UPS
THE NEW GENERATION OF POWER CONVERTERS
- SELECTIVITY
Adapted response to short circuit and overload - VERSATILE CHARGING
Short or long backup recovery time at no extra cost - BATTERY SUSTAINABILITY
Qualitative charging for longer battery life expectancy - HARSHEST AC INPUT CONDITIONS
Without compromising the quality of the AC output
Copyright © 2022. Construction electroniques & telecommunications S.A.
All rights reserved. The contents in document are subject to change without notice.
The products presented are protected by several international patents and trademarks.
Address: CE+T S.a, Rue du Charbonnage 12, B 4020 Wandre, Belgium
www.cet-power.com – [email protected]
www.cet-power.com
Belgium, China, India, Luxembourg, Malaysia, Russia
United Kingdom, United States, Australia & Germany
Release Note:
| Version | Release date (DD/MM/YYYY) | Modified page number | Modifications |
| 1.0 | 11/5/2020 | First release of the Manual | |
| 1. | 22/03/2021 | 35 | Updated DC group details |
| 2.0 | 7/12/2022 | – | Added 3ph/1ph information |
Introduction to CE+T
CE+T Power designs, manufactures and markets a range of products for industrial operators with mission critical applications, who are not satisfied with existing AC and DC backup systems performances, and related maintenance costs.
Our product is an innovative AC and DC backup solution that unlike most used UPS’s
- Maximizes the operator’s applications uptime;
- Operates with lowest OPEX;
- Provides best protection to disturbances;
- Optimizes footprint.
Our systems are:
- Modular
- Truly redundant
- Highly efficient
- Maintenance free
- Battery friendly
CE+T power puts 60+ years expertise in power conversion together with worldwide presence to provide customized solutions and extended service 24/7 – 365.
Abbreviations
| AC | Alternating current |
| CB | Circuit Breaker |
| DC | Direct current |
| DHCP | Dynamic Host Configuration Protocol |
| DSP | Digital Signal Processor |
| EPC | Enhanced Power Conversion |
| ESD | Electro Static Discharge |
| ETH | Ethernet |
| HTTP | HyperText Transfer Protocol |
| HTTPS | Secure HyperText Transfer Protocol |
| LAN | Local Access Network |
| MBP | Manual By-pass |
| MCB | Miniature Circuit Breaker |
| MCCB | Molded Case Circuit Breaker |
| MET | Main Earth Terminal |
| MIB | Management Information Base |
| N | Neutral |
| NTP | Network Time Protocol |
| NUA | Non-Urgent Alarm |
| PCB | Printed Circuit Board |
| PE | Protective Earth (also called Main Protective Conductor) |
| PWR | Power |
| REG | Regular |
| SNMP | Simple Network Management Protocol |
| TCP/IP | Transmission Control Protocol/Internet Protocol |
| TRS | True Redundant Structure |
| TSI | Twin Sine Innovation |
| UA | Urgent Alarm |
| USB | Universal Serial Bus |
Warranty and Safety Conditions
WARNING:
The electronics in the power supply system are designed for an indoor, clean environment.
When installed in a dusty and/or corrosive environment, outdoor or indoor, it is important to:
- Install an appropriate filter on the enclosure door, or on the room’s air conditioning system.
- Keep the enclosure door closed during operation.
- Replace the filters on a regular basis.
Important Safety Instructions and Save These Instructions.
3.1 Disclaimer
- The manufacturer declines all responsibilities if equipment is not installed, used or operated according to the instructions herein by skilled technicians according to local regulations.
- Warranty does not apply if the product is not installed, used and handled according to the instructions in the manuals.
3.2 Technical care
- This electric equipment can only be repaired or maintained by a “qualified employee” with adequate training. Even personnel who are in charge of simple repairs or maintenance are required to have knowledge or experience related to electrical maintenance.
- Please follow the procedures contained in this Manual, and note all the “DANGER”, “WARNING” AND “NOTICE” marks contained in this manual. Warning labels must not be removed.
- Qualified employees are trained to recognize and avoid any dangers that might be present when working on or near exposed electrical parts.
- Qualified employees should know how to lock out and tag out machines, so the machines will not accidentally be turned on and injure employees working on them.
- Qualified employees also understand safety related work practices, including those by OSHA and NFPA, as well as knowing what personal protective equipment should be worn.
- All operators are to be trained to perform the emergency shut-down procedure.
- Operating ambient temperature is -20°C to 50°C.
- This unit is intended for installation in a temperature-regulated, indoor area that is relatively free of conductive contaminants.
- Never wear metallic objects such as rings, watches, or bracelets during installation, service or maintenance of the product.
- This product is suitable for use in a computer room.
* These instructions are valid for most CE+T Products/Systems. Some points might however not be valid for the product described in this manual
- CAUTION – Risk of electric shock. Capacitors store hazardous energy. Do not remove cover until 5 minutes after disconnecting all sources of supply.
- CAUTION – Risk of electric shock. This Converter / UPS receives power from more than one source. Disconnection of the AC source and DC source is required to de-energize this unit before servicing.
- CAUTION – For continued protection against risk of fire, replace only with same type and rating of fuse.
- Insulated tools must be used at all times when working with live systems.
- When handling the system/units pay attention to sharp edges.
3.3 Installation
- This product is intended to be installed only in a restricted access area as accordance with the National Electrical Code ANSI/NFPA 70, or equivalent local agencies.
- The system may contain output over-current protection in the form of circuit breakers. In addition to these circuit breakers, the user must observe the recommended upstream and downstream circuit breaker requirements as defined in this manual.
- Please use extreme caution when accessing circuits that may be at hazardous voltages or energy levels.
- The system rack is a dual input power supply. The complete system shall be wired in a way that both input and output leads can be made power free in a single action.
- In EPC mode, if the AC IN put is not connected, then to comply with local and international safety standards N (output) and PE shall be bonded. The bonded between N output and L must be removed once the AC input is being connected.
- When AC Mains is not connected, the output AC circuit is considered as a separately-derived source. If local codes require grounding of this circuit, use the identified terminal for bonding this circuit to the enclosure. Ground the enclosure to a suitable grounding electrode in accordance with local code requirements.
- Use 90°C copper wires / conductors only.
- AC and DC circuits shall be terminated with no voltage / power applied.
- The safety standard IEC/EN62040-1-1 requires that, in the event of an output short circuit, the converter must disconnect in 5 seconds. The parameter can be adjusted on monitoring ; however, if the parameter is set at a value > 5 seconds, an external protection must be provided so that the short circuit protection operates within 5 seconds. Default setting is 60 seconds.
- All illustrations in the manual are for general reference, refer to the technical drawing which is received along with the system for exact information.
3.3.1 Handling
- The cabinet shall not be lifted using lifting eyes.
- Remove weight from the cabinet by unplugging the converters. Mark converters clearly with shelf and position for correct rebuild.
- The converter slots must not be left open. Replace with a dummy cover or front plate. A minimum of two people are required to handle modules.
3.3.2 Surge and Transients
The mains (AC) supply of the modular converter system shall be fitted with Surge protective device (SPD) and Transient voltage surge suppression suitable for the application at hand. Manufacturer’s recommendations of installation shall be adhered to. Selecting a device with an alarm relay for function failure is advised.
Indoor sites are considered to have a working lightning surge suppression device in service.
- Indoor sites………………. Min Class II.
- Outdoor sites Min Class I + Class II or combined Class I+II.
Note:
Choosing and installing surge arrestors must obey to precise technical rules. Distance to equipment to protect, cable gage and cable routing have significant influence on proper device service.
Some areas are more susceptible to be hit by electrical strikes, especially when altitude increases.
Good earthing is also crucial for surge arrestors to work properly.
CE+T declines any liability in regard to damaged caused to equipment not correctly or not sufficiently protected.
3.3.3 Other
- Isolation test (Hi-Pot) must not be performed without instructions from the manufacturer.
3.4 Maintenance
- The converter system/rack can reach hazardous leakage currents. Earthing must be carried out prior to energizing the system. Earthing shall be made according to local regulations.
- Prior to any work conducted to a system/unit, make sure that AC input voltage and Battery are disconnected.
- Prior to accessing the system or modules, make sure all source of supply is disconnected.
CAUTION – Risk of electric shock. Capacitors store hazardous energy. Do not remove cover until 5 minutes after disconnecting all sources of supply. - Some components and terminals carry high voltage during operation. Contact may result in fatal injury.
3.5 Replacement and Dismantling
- ESD Strap must be worn while handling PCBs and open units. It is not recommended to open the modules at the site unless properly trained by CE+T.
- The UPS system/rack is not supplied with internal disconnect devices on input nor output.
- CE+T cannot be held responsible for disposal of the UPS system and therefore the customer must segregate and dispose of the materials which are potentially harmful to the environment, in accordance with the local regulations in force in the country of installation.
- If the equipment is dismantled to dispose of its component products, you must comply with the local regulations in force in the country of destination and in any case avoid causing any kind of pollution.
To download the latest documentation and software, please visit our website at www.cet-power.com
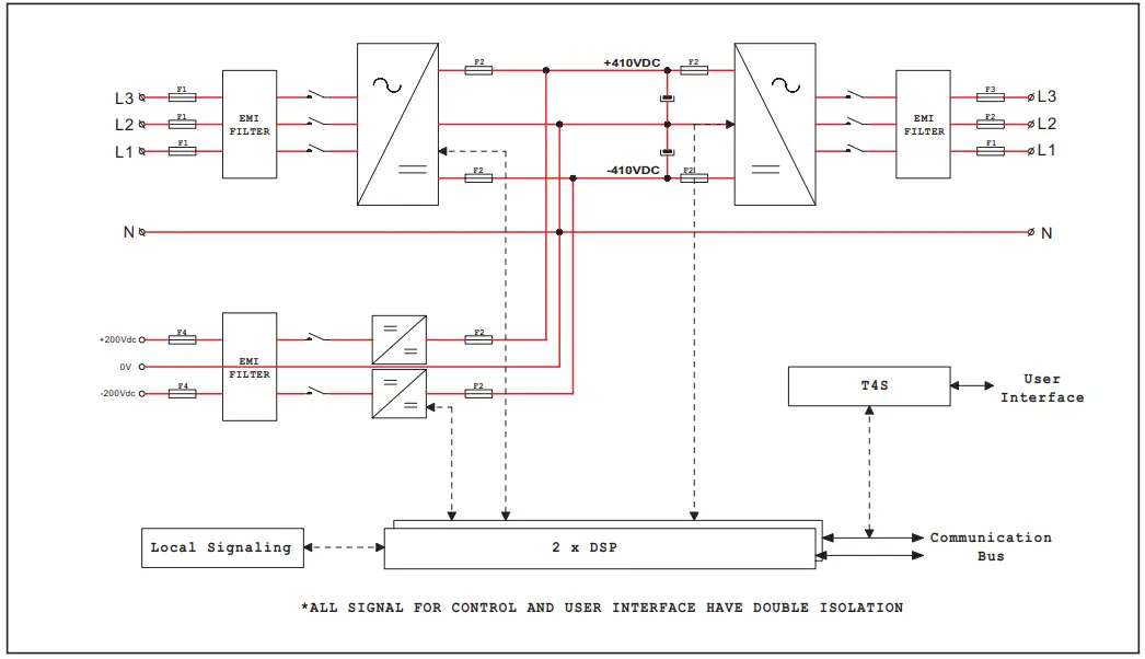
TSI Technology1
UPS modules carrying the TSI logo and the EPC mark are triple port converters (AC in, DC in, AC out). Sinusoidal output is converted from Mains or/and DC.
The block diagram here below gives an explicit description of the topology and operation.
The module is built around the following sub-converters
- AC to DC at input
- DC to DC at input
- DC to AC at output
The energy can flow either from the AC source or the DC source under the control of the local DSP controller. Thanks to internal energy buffering, the output sine wave is constant and disturbance free regardless of the active source.
The BOOST functionality multiples the nominal current to 2.4 x In times for a period of 20ms (max) in the event of down stream failures. The upstream breakers does not have to be oversized to prevent tripping. The overload capacity is 150% for 15 seconds.
The TSI works according to True Redundant Structure (TRS) that features decentralized and independent logic, redundant communication bus and three internal levels of disconnection to isolate a module after internal failure.
The functionality is included in every UPS module. Running them in parallel provides a modular system with, no single point of failure, always conditioned output, high system efficiency and 0ms source transfer time.
Information and data given in this chapter intend to for an overview on the technology. Detailed features and parameters for each individual module type of the
range may differ and should be referred in the dedicated data sheet.
Introduction
5.1 Overview
Flexa UPS system secure AC critical loads by taking energy from AC input (Grid) or Battery in case of AC mains failure.
The system is specially designed to provide quality power, easy to access, and reliability.
Normal Mode (AC mode)
When AC input is present, the Flexa module takes energy from AC source to feed:
- AC Load via a double conversion to provide pure sinusoidal waveform.
- Charging the battery with a regulated DC voltage.

Battery Mode
In the case of AC mains failure, the Flexa module takes energy from the battery and feed AC load via a double conversion to provide pure sinusoidal waveform.
By-Pass Mode (Manual Operation)
The By-pass mode is used for maintenance purpose; in this mode, the AC mains is directly connected to the output load.
When the system is in by-pass, the load is subjected to AC main disturbances. 
Note: Before engaging manual bypass, make sure the voltage difference between AC IN and AC OUT should be less than 5 Vac to limit the inrush current.
5.2 System Design
The Flexa UPS system is specifically designed to operate in clean and temperature controlled environments.
- Telecom grade design
- 200 kVA
- Modularity Design
- Redundant configurations
- Support ECO mode
5.2.1 Flexa 200 – 400/400 (3ph-3ph) – Configurations
Flexa 200 – 3ph-3p systems can be configured from 20 kVA to 640 kVA. The standard configurations are
- System with SBP: 80, 160, 200, 400 and 580 kVA
- System without SBP: 60, 160, 200 and 640 kVA

Note: CE+T also do Customized solution as per requirement from 20 to 640 kVA
5.2.2 Flexa 200 – 400/400 (3ph-3ph) – Details
5.2.2.1 Single cabinet system – 20 to 180 kVA
In a single cabinet, the Flexa 200 – 3p/3p system can be configured up to 160 kVA. If SBP is used, then the maximum configuration is 160 kVA.
Note: The above drawing is for general reference. Refer to the technical drawings received along with your cabinet for the exact arrangement.
5.2.2.2 Multiple cabinet system – 200 to 580 kVA
The Flexa 200 – 3p/3p systems can be configured up to 520 kVA using four cabinets. In the multiple cabinet system, the first cabinet will be the distribution cabinet, and in the remaining cabinets, the Flexa modules are placed.
- Cabinet 1: SBP, MBP, AC Input & Output terminals, controller, monitoring and signalling products are installed.
- Cabinets 2 to 4: Flexa modules and monitoring device are placed.
Note: The above drawing is for general reference. Refer to the technical drawings received along with your cabinet for the exact arrangement.
5.2.3 Flexa 200 – 400/400 (3ph-3ph) – Specifications
| 80 kVA/kW | 160 kVA/kW | 200 kVA/kW | 400 kVA/kW | 580 kVA/kW | |
| General | |||||
| Module Part Number | T451970112 | ||||
| EMC (immunity) | EN 61000-4-2 / EN 61000-4-3 / EN 61000-4-4 / EN 61000-4-5 / EN 61000-4-6 / EN 61000-4-8 | ||||
| EMC (emission) (class) | EN 55022 (A) | ||||
| Safety | EN 62040-1-1 | ||||
| EN62040-3 performance level | VFI-SS-111 | ||||
| MTBF / Cooling / Audible noise | 240 000 hrs / Forced / <60 dBA @1meter (100% load at 25°C) | ||||
| True Redundant Systems – Compliant | Yes (3 disconnection levels on AC IN, AC Out and DC IN power ports) | ||||
| RoHS / Material (casing) | Compliant / Coated steel-ALU ZINC-Front plate coated black RAL9005 | ||||
| Operating T° / Relative Humidity (RH) non-condensing | Tested according ETS300-019-2-3 Class 3.1 -20°C to 65°C, power de-rating from 40°C to 65°C / Max RH 95% for 96 hours per year | ||||
| Storage T° / Relative Humidity (RH) non-condensing | Tested according ETS300-019-2-1 Class 1.2 -40°C to 70°C / Max RH 95% for 96 hours per year | ||||
| Public transport T°/ Relative Humidity (RH) non-condensing | Tested according ETS300-019-2-2 Class 3.1 -40°C to 70°C / Max RH 95% for 96 hours per year | ||||
| Vibration | GR63 office vibration 0 to 100 Hz-0.1 g / transport vibration 5-100 Hz 0.5 g 100 to 500 Hz-1.5 g / Drop test | ||||
| Altitude above sea without de-rating | < 1500 m / derating > 1500 m – 0.8 % per 100 m | ||||
| DC Input Data | |||||
| Nominal voltage (DC) | 408 Vdc (204 cells VRLA) or 336 cells (NiCd) | ||||
| Voltage range (DC) | 340 Vdc to 490 Vdc | ||||
| Nominal current (at 408 Vdc) | 208 A | 416 A | 520 A | 1040 A | 1508 A |
| Maximum input current (for 15 seconds) / voltage ripple | 312 A / < 400m V rms | 624 A / < 400m V rms | 780 A / < 400m V rms | 1560 A / < 400m V rms | 2262 A / < 400m V rms |
| Input voltage boundaries | User selectable with T4S interface | ||||
| AC Input Data | |||||
| Nominal voltage (AC) | 3×380 / 400 / 415+Neutral 5 wires for 3 phases | ||||
| Voltage range (AC) | 150 Vac to 270 Vac Line to Neutral (derating < 222 to 150 Vac) | ||||
| Power factor | > 99% | ||||
| Frequency range / synchronization range | 50 or 60 Hz (selectable) / range 30 to 70 Hz adjustable | ||||
| AC Output Data | |||||
| Efficiency (Typical): AC /AC – DC/AC | 96% – 96% (certified by SGS at 45% load) | ||||
| 80 kVA/kW | 160 kVA/kW | 200 kVA/kW | 400 kVA/kW | 580 kVA/kW | |
| Nominal voltage (AC*) | 3×380 / 400 / 415+Neutral 5 wires for 3 phases | ||||
| Frequency / frequency accuracy | 50 – 60 Hz / 0.03 % | ||||
| Nominal output power (kVA) / (kW) | 80 / 80 | 160 / 160 | 200 / 200 | 400 / 400 | 580 / 580 |
| Short time overload capacity (@PF 0.9) | 150% – 15s | 130% – 30s | 120% – 60s | 110% permanent | ||||
| Admissible load power factor | Full power rating from 0 inductive to 0 capacitive | ||||
| Total harmonic distortion (resistive load) | < 1.5 % | ||||
| Load impact recovery time | 0.4 ms | ||||
| Turn on delay | 20 s to 40 s depending on the number of module installed | ||||
| Nominal current at 230 Vac per phase | 116 A | 232 A | 290 A | 580 A | 841 A |
| Crest factor at nominal power | 2.8 : 1 with short circuit management and protection | ||||
| Short circuit clear up capacity | 133 A for 20 ms, then 41 A for 15 s On Battery: 63 A for 10 ms, then 43.5 A for 15 s | ||||
| Internal temperature management and switch off | Yes | ||||
| Signalling & Supervision | |||||
| Display | Synoptic LED on module, and GUI with Catena | ||||
| Alarms output / supervision | Dry contacts on T4S / MODBUS, TCP/IP, SNMP | ||||
| Remote ON / OFF | On hub board via T4S | ||||
| Smart By Pass (SBP) module | |||||
| Module Part Number | T451970010 | ||||
| Nominal output power | 200 kVA / 200 kW | ||||
| SBP in cabinet | Same cabinet | Same cabinet | External cabinet | External cabinet | External cabinet |
| Number of SBP modules | 1 | 1 | 1 | 2 | 3 |
| Transfer time | Flexa to SBP – max 5 ms, typically 2 ms | SBP to Flexa – 0 ms | ||||
| Short time overload capacity | 1 x SBP : 300 kVA for 10 minutes / 400 kVA for 1 minute 2 x SBP : 600 kVA for 10 minutes / 800 kVA for 1 minute 3 x SBP: 900 kVA for 10 minutes / 1200 kVA for 1 minute | ||||
| Cabinets | |||||
| Dimensions (WxHxD) with external MBP | 600 x 2000 x 800 mm | 600 x 2000 x 800 mm | 1200 x 2000 x 800 mm | 1800 x 2000 x 800 mm | 2400 x 2000 x 800 mm |
| Number of cabinets | 1 | 1 | 1+1 (for external MBP & SBP) | 2+1 (for external MBP & SBP) | 3+1 (for external MBP & SBP) |
5.2.4 Flexa 200 – 400/230 (3ph-1ph) – Configurations
Flexa 200 – 3p/1p systems can be configured from 20 kVA to 100 kVA. The standard configurations are
- The System with SBP: 40 and 60 kVA
- The System without SBP: 40, 60, 80 and 100 kVA

5.2.5 Flexa 200 – 400/230 (3ph-1ph) – Details
In a single cabinet, the Flexa 200 – 3p/1p system can be configured up to 100 kVA. If SBP is used, then the maximum configuration is 60 kVA.
Note: The above drawing is for general reference. Refer to the technical drawings received along with your cabinet for the exact arrangement.
5.2.6 Flexa 200 – 400/230 (3ph-1ph) – Specifications
| 40 kVA/kW | 60 kVA/kW | 80 kVA/kW | 100 kVA/kW | |
| General | ||||
| Module Part Number | T451970212 | |||
| EMC (immunity) | EN 61000-4-2 / EN 61000-4-3 / EN 61000-4-4 / EN 61000-4-5 / EN 61000-4- 6 / EN 61000-4-8 | |||
| EMC (emission) (class) | EN 55022 (A) | |||
| Safety | EN 62040-1-1 | |||
| EN62040-3 performance level | VFI-SS-111 | |||
| MTBF / Cooling / Audible noise | 240 000 hrs / Forced / <60 dBA @1meter (100% load at 25°C) | |||
| True Redundant Systems – compliant | Yes (3 disconnection levels on AC IN, AC Out and DC IN power ports) | |||
| RoHS / Material (casing) | Compliant / Coated steel-ALU ZINC-Front plate coated black RAL9005 | |||
| Operating T° / Relative Humidity (RH) non- condensing | Tested according ETS300-019-2-3 Class 3.1 -20°C to 65°C, power de-rating from 40°C to 65°C / Max RH 95% for 96 hours per year | |||
| Storage T° / Relative Humidity (RH) non- condensing | Tested according ETS300-019-2-1 Class 1.2 -40°C to 70°C / Max RH 95% for 96 hours per year | |||
| Public transport T°/ Relative Humidity (RH) non-condensing | Tested according ETS300-019-2-2 Class 3.1 -40°C to 70°C / Max RH 95% for 96 hours per year | |||
| Vibration | GR63 office vibration 0 to 100 Hz-0.1 g / transport vibration 5-100 Hz 0.5 g 100 to 500 Hz-1.5 g / Drop test | |||
| Altitude above sea without de-rating | < 1500 m / derating > 1500 m – 0.8 % per 100 m | |||
| DC Input Data | ||||
| Nominal voltage (DC) | 408 Vdc (204 cells VRLA) or 336 cells (NiCd) | |||
| Voltage range (DC) | 336 Vdc to 490 Vdc | |||
| AC Input Data | ||||
| Nominal voltage (AC) | 3×380 / 400 / 415+Neutral 5 wires for 3 phases | |||
| Voltage range (AC) | 150 Vac to 270 Vac Line to Neutral (derating 150 to 220 Vac) | |||
| Conformity range before transfer to DC | Adjustable | |||
| Power factor | > 99% | |||
| Frequency range / synchronization range | 50 or 60 Hz (selectable) / range 30 to 70 Hz adjustable | |||
| AC Output Data | ||||
| Efficiency (Typical): AC to AC / DC to AC | 96% / 96% (certified by SGS at 45% load) | |||
| Nominal voltage (AC*) | 220 / 230 / 240 Vac single phase | |||
| Frequency / frequency accuracy | 50 – 60 Hz / 0.03 % | |||
| Nominal Output power (VA) / (W) | 40 kVA / 40 kW | 60 kVA / 60 kW | 80 kVA / 80 kW | 100 kVA / 100kW |
| Short time overload capacity | 130 % (15 seconds) 110 % permanent within T° range | |||
| Admissible load power factor | Full power rating from 0 inductive to 0 capacitive | |||
| Total harmonic distortion (resistive load) | < 1.5 % | |||
| Load impact recovery time | 0.4 ms | |||
| Turn on delay | 20 s to 40 s depending on the number of module installed | |||
| Nominal current at 230 Vac per phase | 174 A | 261 A | 350 A | 435 A |
| Crest factor at nominal power | 3 : 1 | |||
| Short circuit clear up capacity | 1.83 In during 15 s and 1.41 In after 15 s 133 A for 20 ms, then 41 A for 15 s On Battery: 63 A for 10 ms, then 43.5 A for 15 s | |||
| Internal temperature management and switch off | Yes | |||
| In Transfer Performance | ||||
| Max. Voltage interruption / total transient voltage duration (max) | 0 s / 0 s | |||
| Signalling & Supervision | ||||
| Display | Synoptic LED | |||
| Alarms output / supervision | Dry contacts on T4S / MODBUS, TCP-IP, SNMP | |||
| Remote ON / OFF | On rear terminal of the shelf via T4S | |||
| Cabinets | ||||
| Dimensions (WxHxD) with external MBP | 600 x 2000 x 800 mm | |||
| Number of Cabinets | 1 | 1 | 1 | 1 |
6. Components
6.1 Flexa Module
The Flexa 200 module is a modular UPS of 20kVA/20kW. The design of the module allows dynamic load transfer, high efficiency, unsurpassed flexibility and scalability.
- The Flexa modules are hot-swappable
- The Flexa front LEDs, display the module status and output power
- The modules are equipped with ON /OFF switch with soft start

- Fans are equipped with an alarm and run time meter and they are field replaceable.
- Dimension: 570 mm (D) x 480 mm (W) x 133 mm (H)
- Weight: 24 Kg
6.1.1 LEDs Indications
6.1.2 Output Power LEDs Interface
Each segment represent 25% load.
Load can differ between the 3 phases in one module
Load can differ in one phase in several modules
Overload (blinking)
100% – 110% segment 0-25 blinking
110,1% – 135% segment 0-50 blinking
6.1.3 Module status LEDs Interface
6.1.3.1 AC input LEDs Interface 
| Starting up | (all LEDs) | OFF |
| AC Input OK | (within limits) | GREEN |
| AC Input not OK | (out of limits) | ORANGE |
| (Auto restart) | Flash ORANGE | |
| (Manual restart) | Flash RED | |
| (Non recoverable) | RED | |
| AC failure | OFF + external alarm |
6.1.3.2 AC output LEDs Interface 
| Starting up | ( ) | GREEN Blink |
| AC Output OK | (within limits) | GREEN |
| AC Output not OK | (out of limits) | ORANGE |
| (auto restart) | ORANGE Blink | |
| (manual restart) | RED Blink | |
| (non recover) | RED | |
| Remote OFF | (man restart) | OR/GR/OR/GR |
| Sequence every x Second |
6.1.3.3 DC Input LEDs Interface
| Starting up | ( ) | OFF |
| DC OK | (within limits) | GREEN |
| DC not OK | (out of limits) | YELLOW |
| (auto restart) | YELLOW Blink | |
| (man restart) | RED Blink | |
| No battery | (non recover) | RED |
| Connected | ( ) | OFF |
6.1.3.4 Communication LED’s interface
| COM OK | ( ) | GREEN |
| COM ERROR | (Bus A or B) | GREEN Blink still one bus present |
| COM ERROR | (Bus A & B) | RED Blink |
6.2 Smart By-Pass
The Smart By-Pass transfers the load automatically to bypass mode without interruption by using a static switch.
- A SBP module is a 200 kW.
- SBP module works with parallel mode to avoid the single point of failure.
- To perform service maintenance to the equipment.

- To externally by-pass the UPS installation and allow the removal of the equipment.
The operation of Manual By Pass is described at “Annexe 3. Smart By-Pass (SBP)”, page 83.
Warning: When the system is in Smart By-pass, the load is subjected to AC main disturbances.
6.3 Controller – T4S
T4S is a controller and it act as a link between the system and the user, the control of the system and the modules are distributed on each module.
The standard battery management system of the T4S allows float charge, boost charge, temperature compensated charging, discharge measurements etc.
T4S supervisor monitors the Flexa 200 – module and the SBP module as well as system environment. It is connected to:
1 → Connection from the Hub Board (CE+T BUS).
2 → To monitor the external device.
3 → Connection from Catena network port.
4 → Connection from Auxiliary power supply kit (2 x 12 Vdc).
T4S has:
- 8 “digital input “ referred to has D1 to D8.
- 8 output relays Major Alarm, Minor Alarm, R3 to R8.
- 3 temperature probes T1 to T3. T1 should used for battery 1 and T2 for battery 2, T3 is reserved for future.
- Modbus is available on RS485 port [5].
Please note the T4S and CATENA are not master and therefore it can be removed during operation without affecting the operation of the UPS AC output.
6.4 Catena GUI Interface
Catena GUI interface allows the user to easily access the system monitoring via a powerful web based graphic display. In addition to the touch-screen display the user can also access to the same GUI using an Ethernet port present on the T4S or Catena.
6.4.1 Catena – Rack Mount
Rack mount catena is placed in the cabinet and it is 3U height.
Remark: Reset will only reset the Catena, not the T4S and will have no effect on the system.
Power supply and connectivity are provided on the back of the unit:
6.4.2 Catena – Door Mount
Door mount catena is fixed on the door or panel.
To access the user interface, user has to connect through Ethernet port in Catena.
Installing the Door mount catena in the Flexa 200 cabinet door
Step 1. In the Cabinet Door, make 8 x M3 holes as per in the catena support sheet dimensions.
Step 2. Assemble the Door mount catena with the Catena support sheet using 4 x M3 studs.
Step 3. Place the assembled catena into the cabinet door and fix it using 8 x M3 studs.
6.5 System Connections
T4S is a DIN rail mountable controller which is connected to the Flexa 200 – 400/400 module / system as indicated in the schematic in the section “Annexe 6. Electrical Diagrams”, page 96.
Remark: Catena acts as a switch on the network. Both T4S & Catena need IP address as they are both connected to the network. See section 10.4.2, page 52 for tips on network configuration.
6.5.1 Software Overview
The software embedded in T4S and CATENA allows complete system supervision through “touch screen display” or via web browser, and provides functionalities such as:
- System setting and configuration (password protected).
- System status and information display.
- System alarms and events log file.
- System self-maintenance (battery test, battery boost charge,….)
6.6 Manual Bypass (MBP)
MBP is used to transfer the load directly to utility power without interruption by using three independent switches.
The operation of Manual By Pass is described at “Annexe 2. Manual Bypass (MBP)”, page 79.
Warning:
- The load is subjected to AC main disturbances when the system is in Manual Bypass.
- In 3 phase configuration, the phase order between AC input / AC output must be respected prior to engaging the MBP for the first time. Improper phase order might damage the equipment during the manual bypass procedure.
- To verify the phase order L1 to L3, please measure the AC voltage between each corresponding phase’s AC input and AC output.
- L1 AC into L1 AC out voltage should be lower than 40Vac
- L2 AC into L2 AC out voltage should be lower than 40Vac
- L3 AC into L3 AC out voltage should be lower than 40Vac
- If one of those voltages reaches 380 VAC, please check the phase order of the measured phase.
Installation
7.1 Site Preparation
- All cables should be copper wire and must be rated for min 90°C (194°F).
- All cables must be sized according to the rated current of the inverter system and to the customer terminal connection.
- All AC input, AC output, DC input, and signal cables should be routed properly.
- Empty inverter positions shall be covered with blank module or dummy covers.
- System Position
- The system should not be installed at close to the wall, mainly at rear side.
- A minimum of 20 cm clearance is required at rear of the unit.
- The System is designed to operate in a temperature controlled (maximum operating ambient 40°C/104°F) and clean environment.
- If the front door is present in the system:
– The presence of airborne particles such as dust, sand and metallic debris are forbidden.
For that appropriate filters should be installed.
7.1.1 Transformer and Generator Sizing
The UPS is capable of operating at 125% of rated capacity for 15 seconds.
- Transformers supplying AC to the UPS should be sized at a minimum of 1.5 times the kVA rating of the UPS to meet this requirement.
7.2 Storing and Unpacking
7.2.1 Storing
If the equipment is not installed immediately, it must be stored in a room so as to protect it against excessive humidity and heat sources. The battery needs to be stored in dry and cool place with good ventilation. The most suitable storage temperature is 20 ºC to 25ºC. Battery should not be stored more than six months without charge.
7.2.2 Initial Checking and Positioning
Check the packaging first upon the arrival of product to see if there is any damage; open the packaging to check the equipment report any such damage to the shipping company immediately.
7.2.3 System Packaging
CE+T cabinets are always fixed on a pallet, and then packed in a wooden crate. These crates are usually delivered laying flat, horizontally.
To unpack your cabinet, we recommend the following method:
- Make sure that the crate is laying flat, with the correct side up. This side is identified by a double red arrow.

- Remove the top cover in order to be able to identify the top and bottom sides of the cabinet.
- Raise the crate vertically with the top side of the cabinet up. Make sure that the cabinet does not fall forward out of the crate while you do so.

- Remove the cabinet and its attached pallet from the crate.
If you prefer to take the wooden crate apart before raising the cabinet, make sure you do not damage or dent the cabinet while doing so.
Warning: The top cover fixing bolts may NEVER be replaced with lifting eye bolts.
7.2.4 Module Packaging
Flexa modules are not included in the cabinet. They are packed individually in cartons and on pallet. One Flexa module is 24Kg, maximum 3 modules carton boxes may be stacked on each other at all times. Always transport modules in their carton box with suitable protection.
- The packing case should be placed horizontal and stable;
- Cut the plastic packing belt and scotch tape to open the carton.
- Please dispose wasted material according environmental protection and regulation.

7.2.5 Module Unpacking
Perform the following steps to unpack the Flexa module from the carton:
Step 1. Remove the Flexa module from its carton and place it horizontally on a support
Step 2. In the front foam, tear at middle of top side and middle of bottom side.
Step 3. Pull on one side of the foam to free the one side of the Flexa hand grip from the foam.
Step 4. Pull on the other side of the foam to free the other side of Flexa hand grip from the foam.
Step 5. Remove the rear foam in one way or each side consecutively.
(Rear foam can be removed without any special method)
Caution:
- Please use original packaging for any transport.
- Keep the foams and original box as spare parts for any future transport.
7.3 Cabinet lifting
Never try to lift the cabinet on your own. The cabinet can have an individual weight of close to 500kg with modules inserted. The top cove fixing bolts must NOT be replaced with lifting eye bolts. If modules are present then it must be removed before raising the cabinet.
7.4 Cabinet Door
The door of the cabinet is possible to swing open in excess of 180 degrees. The door is right hand hung. It is not possible to change to swing of the door.
The door is strapped on three hinges. Each hinge is fastened by two screws. Work in pair if the door shall be removed.
The cabinet must never be left with the door removed.
7.5 Cabinet Fixing
The cabinet is fixed through the base of the cabinet. Remove lowest front cover to gain access to the fixing holes. Max screw diameter is 13 mm. See the hole pattern and foot print for measurements.
Note: A minimum of 20 cm clearance is required at rear of the cabinet.
7.6 Cabling
Each cabinet have bulk AC supply on the input and bulk AC output. The mains cable shall be dimensioned according to the maximum input current. All the cable routings are made through bottom of the system.
The battery cable shall be dimensioned according to the battery discharge current at final voltage. The voltage drop has to be considered at every installation.
Input AC must always be separated from Output AC to limit induction of interference and noise passing from primary to secondary side.
Signal cables shall be separated from all other cables.
Cables shall be strain relieved by suitable means. The bottom plate and the top cover have strain relieve fixing points for battery and signalling cables using cable straps. Mains cables are strain relieved and fixed by compression brackets.
Cables need to be terminated in the following order to facilitate the installation:
- Signal cables
- AC output
- AC input
- Battery Negative
- Battery Common
- Battery Positive
7.7 Grounding
Main protective conductor (PE) connection is made to the AC IN terminal block marked with symbol for identification.
PE must be terminated even if commercial Mains is not available and shall be connected to building or main panel ground.
Recommended Cable cross section is the size equal (min) to Neutral cable cross section. Adhere to local regulations. Ground has to be connected in accordance with local
code.
7.7.1 Cabinet Ground
The cabinet ground shall be terminated to the ground stud and bonded to each and every other cabinet of the UPS system.
The PE grounding is located at the bottom of the bay and identified with symbol
All grounding connection are reported in PE protection copper plate.
All grounding cables section should not be lower than the maximum power cable section.
7.7.2 Protective Device
External supply circuit breakers/fuses are required in the mains input supply of the system.
- Flexa 60kVA recommended protection 3 pole 125 A MCB.
- Flexa 160kVA recommended protection 3 pole 300 A MCB.
- Flexa 200kVA recommended protection 3 pole 400 A MCB
- Flexa 420kVA recommended protection 3 pole 700 A MCB
- Flexa 640kVA recommended protection 3 pole 1000 A MCB
- Those MCB protection serve also as AC Input disconnection switch.
- External supply circuit breakers/fuses are required in the battery backup.
7.8 AC Input and Output
WARNING !!!
Recommendation of IEC 60364 4. 43 431.3 Disconnection and reconnection of the neutral conductor in multi-phase systems
Where disconnection of the neutral conductor is required, disconnection and reconnection shall be such that the neutral conductor shall not be disconnected before the line conductors and shall be reconnected at the same time as or before the line conductors.
WARNING !!!
Input Neutral is required to operate the
UPS
In TN-S System no 4 pole input switch or circuit breaker shall be used. If you have to use 4 pole protective device, be aware that the neutral against the ground is floating. The UPS will operate without problem but you may infringe the local regulation.
- AC cables connected to the system shall be rated min 0,6/1kV +90ºC
- The following instructions are guide lines only superseded by local regulations or code of practice where applicable.
- Mains supply shall be switched OFF, post necessary warning signs for alert.
- Unplug all modules from the system. The modules shall be switched OFF.
- Make sure that the manual by-pass (if a part of the system) is in position OFF
- Battery isolators/fuses shall be removed and one midsection of the battery must be left uninstalled in each half of the battery string.
7.9 DC Input
The DC Input terminals are located at bottom of the system. In most of the systems, the DC connections are copper bus bars. Refer to the technical drawings received along with the cabinet for the type of DC connections.
7.10 System Input and Output – Connections
Model | AC Input | AC Output | DC Input | Earthing | |||
| Current (A) | Cable mm2 | Current (A) | Cable mm2 | Current (A) | Cable mm2 | Cable mm2 | |
| Flexa 200 – 400/400 (3Ph / 3Ph) | |||||||
| Flexa 200 – 80 KVA | 116 | 50 | 116 | 50 | 205 | 95 | 50 |
| Flexa 200 – 160 KVA | 232 | 95 | 232 | 95 | 409 | 2 x 95 | 95 |
| Flexa 200 – 200 KVA | 290 | 120 | 290 | 120 | 511 | 2 x 120 | 120 |
| Flexa 200 – 400 KVA | 580 | 2 x 150 | 580 | 2 x 150 | 1022 | 3 x 150 | 2 x 150 |
| Flexa 200 – 580 KVA | 841 | 3 x 120 | 841 | 3 x 120 | 1481 | 3 x 240 | 3 x 120 |
| Flexa 200 – 400/230 (3Ph / 1Ph) | |||||||
| Flexa 200 – 40 KVA | 58 | 16 | 174 | 70 | 103 | 50 | 16 |
| Flexa 200 – 60 KVA | 87 | 35 | 261 | 120 | 154 | 70 | 35 |
| Flexa 200 – 80 KVA | 116 | 50 | 348 | 2 x 70 | 205 | 95 | 50 |
| Flexa 200 – 100 KVA | 145 | 70 | 435 | 2 x 95 | 256 | 3 x 150 | 70 |
Note: The AC Input & Output and DC input connections might be as terminals or bus bars. It all depends on the system configuration and design. So, refer to the technical drawings received along with the cabinet for the exact location and type of connections
7.11 Signalling
Terminal Digital Input:
- Dx – 0V: signal from digital input. Potential free contact !!!
- D1: Aux contact from the manual By Pass
- D2: Aux contact from surge arrestor (optional). Minor alarm generated when active
- D3: Digital input available for user
- D4: Digital input available for user
- D5: Digital input available for user
- D6: Digital input available for user
- D7: Digital input available for user
- D8: Digital input available for user
Output Relays Alarm Form C changeover contact rating 60 VDC /0.5 A
| NO – C – NC | Major alarm |
| NO – C – NC | Minor alarm |
| R3 to R8 | User configurable alarm relay |
Battery T° probe T1, T2, T3
7.12 Battery Connection
Flexa battery consist of 204 cells with nominal voltage of 2 V or 34 block of 12 VDC.
The Flexa battery has a middle connection which means we have +204 VDC / 0 VDC / -204 VDC.
Warning: There is a risk of explosion if battery is replaced by an incorrect battery type dispose of used batteries according to the instructions.
7.13 System Start-up Procedure
- Ensure that the cabinets are properly positioned and connected.
- Ensure no foreign items/particles are present inside all the slots in the cabinet.
- Check the tightness of all the terminations and ensure no short circuit is present. And ensure that all cables are strain relieved.
- Ensure that all cables comply with recommendations and local regulations.
- For AC input and AC output, ensure that the phase sequence is properly respected.
- For DC input, check the Polarity, measure battery voltage, and keep the fuse or breaker in the open position.
- Ensure T4S and Catena are connected with 12 V power supplies.
- Ensure that all external breakers have complied with recommendations and local regulations.
- Ensure all AC Input, AC output and Battery breakers are switched OFF.
- Insert One Flexa UPS module into the cabinet with the ON/OFF switch in the OFF position.
- Check that the MBP Switch is in the “NORMAL” position (If present).
- Check the AC input voltages and Ensure they are within the range of modules. (For more details, refer to the data sheets)
- Close the AC input breaker(s).
a) Start the module only with AC input by changing the UPS module switch position to the ON state from the Off position.
b) T4S monitor start (~30s).
c) Module LEDs start with fixed orange, then DC IN and AC IN LEDs will turn green. Finally, AC OUT LED will turn green.
d) Connect the laptop/PC with the Ethernet port at the rear of catena and open the web interface. (Refer to the communication section 8.1, page 40)
e) Check and adjust all parameters according to the required configuration (i.e., module quantity, redundancy, battery parameters like AH, voltage, charge power, temperature compensations, charging mode ….).
f) Check data received from a module like ID, input details, output details, temperature and so on.
g) Modify the module ID, input, and output group details per physical connection. - Check the DC bus polarity and your battery polarity.
- If the Polarity is correct, close the DC input breaker(s) or fuse(s).
- Insert and Switch on the remaining modules one by one and verify that each starts properly (all LEDs are green on the module’s front panel).
- Once all modules are started properly, check ID, input details, output details, and temperature…. For all modules and modify as per physical connection if required.
- Check the UPS output phase sequence, and if it’s as per the defined configuration, close the AC output breaker(s).
- Finally, download the configuration file and clear all the existing event logs.
- Fill the commissioning report with all information for future records.
T4S/Catena Start-up
In the complete system, the CE+T will install the T4S and Catena, test them and pre-configure them according to the system.
Suppose the T4S and Catena are purchased separately. Ensure that connections are made as per the schematic.
8.1 Applying start-up Power
NOTE: The controller will perform a short self-test as it boots up. Alarm alerts are normal.
- Initiate the start-up routine by applying power to the T4S (close protection breaker powering the controller).
- Use the touch screen or a laptop to connect to the system.
NB: if you are connecting with your laptop, default IP address of user interface is http://192.168.0.2
There are two access levels:
- Basic login can only browse the pages and download the files.
- Expert login can access and also modify the system parameter values. The default password is pass456 but it’s strongly advised to users to change that password.
In case of lost password, please refer to FAQ at page 95.
- Check and adjust alarms and control levels in the controller sub-menus.
- Check and adjust battery settings in the battery sub-menus; e.g. float, equalize voltage, etc.
- If on touch screen, check the communications settings for remote access as needed.
NOTE: System modification and setting may result in alarm event. Make sure you are applying modification carefully.
T4S Standard Features
The main screen presents an overview of the system where any “click” on the magnifying glass icon will result to access the selected sub-menu:
1 → AC Input sub-menu.
2 → DC Battery sub-menu.
3 → Flexa Modules sub-menu.
4 →AC Output load sub-menu.
5 → SBP Modules sub-menu.
A click on an icon in the toolbar will give you, respectively, access to the event, communication, parameter, files submenu.
The main screen shows the status of each of your power system’s components.
- AC input: Green, Red.
- Battery: Green, Orange, Red.
- Flexa module(s): 3 LEDs (AC input , DC input, AC output).
- AC output / Load: Green, Red.
The energy flow direction is indicated by the “moving” white ball on the power lines.
9.1 AC Input Sub-menu
Provides AC input information (up to 3 phases).
- AC input voltage.
- AC input current.
- AC input Frequency.
- AC input Power (kW).
9.2 DC Battery Sub-menu
Battery x (x = 1 or 2) provide info on batteries status. The maximum DC group is two.
- BOOST ON or OFF
- Battery Test ON or OFF
- Battery is on float or discharge
- To view DC Voltage and Current

Estimated autonomy and info on last test, boost charge, discharge
9.3 Flexa Modules Sub-menu
Provides Flexa 200 module info
- Number of modules installed
- Redundancy level
- Installed power (Number of modules present in the system).
- Available power (Number of modules including redundancy).
- Ambient temperature of the module.
9.3.1 Flexa Modules Sub-menu
Clicking on the “Select Module” icon will open a module selection table.
Each number represents the address of a module in the system.
Table indicates the number of modules installed, ID, Serial number, Software version, AC IN, DC IN and AC Out details.
Click on an installed module to access the specific information of the selected module.
Selected Module information
Click “identify icon” to see the corresponding module in the bay by all LEDs blinking on the respective module.y Module status indicated through the LED colour on :
- AC input.
- DC input.
- AC output.
Green: OK.
Orange: Recoverable error.
Red: Non recoverable error.
| When a module is removed from the system, it must be uninstalled by clicking this icon. | |
| When fan is replaced in the module, the alarm “fan replaced” should be cleared by clicking this icon. | |
| Module can be switched off through web interface by clicking this icon. The current state (on or off) of the module is also given by this icon. | |
| Module AC-in, DC-in group and AC-out phase can be change by clicking this icon. Note: while changing the AC-out phase, all the modules should be in OFF condition. | |
| It will identify the current module in the system by clicking this icon. (All LEDs will blink on the respective module). |
9.4 AC Output Load Sub-menu
AC output
- Level of power bar graph in VA.
- Measures: individual phase details of L1, L2, and L3
- Voltage
- Current
- Frequency
- Active Power
- Apparent Power
- Power Factor

9.5 SBP Modules Sub-menu
NB: This sub-menu is accessible only when there is at least one SBP installed in the system and to select the SBP mode as either “ECO mode” or “Online EPC mode”.
Provides SBP module which works with Flexa module in parallel.
- The number of SBP modules is installed in the system, and the capacity of per module is 200 kVA. (Maximum number of SBP can be installed in a system is three)
- Redundancy level
- Installed power
- Available power
- Ambient temperature of the module
9.5.1 SBP Modules Sub-menu
Clicking on the “Select Module” icon will open a module selection table.
Clicking on any line will give the view of the selected module. While SBP engaged
- AC IN measures voltage and current
- AC Out measures apparent power and output ratio in percent.
Note: If there are two independent sources, then the AC IN of SBP should be configured accordingly and ensure the sync priority.
Note: If there are two independent sources, then the AC IN of SBP should be configured accordingly and ensure the sync priority.
Before changing to the SBP group, ensure the module is in OFF mode.
10. T4S Toolbar
10.1 Events and Log
Please note “text alarm page” is refreshed every minute for easy reading while LED’s are active immediately.
Display the active event/alarm present on the system.
- Red: Major alarm.
- Orange: Minor alarm.
- White: No alarm.
Click on “Log” to view the history log file presented below
Log file can be filtered using the filter menu.
Do not forget to click apply to activated the selected filter.
Clear Filter will remove all selected filter and view all log file.
10.2 Input and Output Mapping
Present the output relay mapping with possibility to test each relay with the “toogle” button. Click and check relay changing status with an ohmeter.
Note:
Only available in expert mode through laptop web browser.
10.3 Files
Transfer screen allow to export the log file and export or import configuration file
Transfer:
Event History
- Both Event log and configuration file can be exported.
- Event file name cet.log is a text format *.txt file.
- Log size limited to about 500 – 800 lines.
- Click on “clear” will erase the CET log file. Password protected.
Configuration:
- Configuration file can be exported or imported from T4S.
Update:
To upgrade T4S firmware, download the latest firmware from My.CET website and upload it in T4S.
Language:
T4S store maximum 3 languages that can be changed, updated or cleared.
Battery Log:
The discharged or battery test reports are available to download.10.4 Parameters
WARNING !
All values present are default values ! User shall consult and change default value with caution.
Wrong parameters can affect the system operation, reliability, battery life duration and system autonomy.
10.4.1 Monitoring
NOTE: Once the new parameter has been entered click « save » to record the data otherwise the previous value will be retained.
This menu allow to Set time and region, Change password, Set Catena network parameter, Set Temperature sensor, and Define the alarm mapping.
Time
Allow to set Time and Date.
Regional settings
- Choose language.
- Site name.
- Site Location.
- Auto logout delay (will disconnect user after defined seconds).
- Keyboard layout.
Password
Choose password. Read the information carefully at section 8.1, page 40.
Temperature sensors
Allow to configure the temperature probe for battery compensation or ambient temperature.
Alarms
Allow to enable and disable the alarms.
10.4.2 Communication
Network:
Allow to configure the LAN Network parameters
(Note: Default IP address is 192.168.0.2)
If catena is present on the system, “With Catena” must be selected in the Connection mode.
SNMP:
You can configure all SNMP and Trap related settings. For more details refer section 12, page 66.
Remark: Catena Network configuration is mandatory for having the screen working.
It should be on the same network as T4S.
Modbus:
You can view Modbus settings through
RTU /TCP/IP mode. For more details refer section 13, page 68.
10.4.3 Digital Input and Output Relay Mapping
Inputs : Digital Input mapping > mapping and assign a “name” to any of the 8 digital input. By default DI-1 and DI-2 are related to Manual By Pass and surge arrestor.
Input labels
- Allow to define a label that will be used for any digital input activated.
- By default Digital Input 1 is assigned to “Manual By Pass” and Digital Input 2 is assigned to “Surge protection SPD” if it presents in the system.
Digital Input3 is used to stop charger power. - Example, Label 4: Door open will report the event “Dig In 4” every time the digital input 4 is active.

Relay Label
Relay label define the text that will be used for output relay
Relay 1 and 2 are reserved for Major and
Minor alarm. Relay 3 to 8 are free for any alarm definition
Relays Delay
Allow to define the delay time in seconds after which the relay will change status once the event has occurred.
Range from 2 seconds to 60 seconds.
Relay Mapping
Allow to perform the mapping of mentioned alarms to any relay association.
One alarm can be allocated to more than one relays
Specific function that can be used to synchronized time of T4S controller through an impulse on “digital input 08”.
Please contact CE+T if you want to know more about this functionality.
10.4.4 Power Parameter Setting
The menu “Power” allow to perform the setting of the system, AC input, DC battery, AC output and Others.
General
To configure:
- SBP mode: Select “Online EPC mode”, if SBP module is present in the system. To know about ECO mode, refer to the Annexe “3.2. Principle of Operation”, page 83.
- Redundancy
- AC IN Groups and Phases
- AC Out Groups and Phases
- DC mode: Select “Battery”
AC out
To configure AC output parameter:
- Phase configuration: AC out voltage window is 200-240 and the frequency to set is +/- 3Hz for 50Hz or 60Hz
- SBP: Max and Min voltage window to set and sync with AC Out from
Flexa module
Note: The parameter “Out voltage Set point ” set by default to 230 Vac shall be adjusted according nominal AC input voltage. This will limit the inrush current when operating on Smart By pass and Manual Bypass.
Note: The phase sequence must be respected between AC IN and AC Out. Improper phase sequence might damages equipment during MBP procedure.
AC In
To configure AC input Parameter.
- Phase shift (120° for 3 phase)
- Sync Priority: Define on whichPhase – if all present – the module will synchronise the AC output.
- Low and High defined voltage to configure the voltage boundaries min and max from where Flexa will transfer to DC and vice versa.
- Frequency Window: Allow to sync within the range. Else, will transfer to DC mode

- Maximum power setting at AC input: Description: This function will allow us to limit the power at Input side and act as Peak saving
- SBP Eco mode: This function helps to set the voltage window to operate the SBP mode with range of min – 207 V and max – 253 Vac
DC group
To define min, max battery voltage for default value are related to 408VDC nominal battery (204 cells).
To configure DC input 1 Parameter.
Low and High define voltage to configure boundaries min and max from where Flexa will STOP to preserve battery from deep discharge.
Note:
If more then 1 battery, there will be 2 DC group for Battery 1 and Battery 2.
By default the Flexa config value are listed in the before screen
If those value need to be changed please respect the rules below:
(Number of cells x V float per cell) = Vdc ref the default value is described in section 10.4.5, page 59, Vref = 204 * 2, 27 = 463.1 V
300V < Vdc low stop <= Vdc low transfer < [20V hysteresis] < Vdc low start < Vdc ref < Vdc high start < [10V hysteresis] <
Vdc high transfer <= Vdc high stop < 495V
Not respecting the rules above will result is parameters not accepted.
We recommend to proceed as below (respect the sequence):
To define the new value of Low start voltage, Low transfer voltage, Low stop voltage and save.
To define the new value for Battery cells, Float voltage, Capacity, Current limit in section 10.4.5, page 59, and save.
To define the new value for High start voltage, High transfer voltage, High stop voltage and save.
BATTERY type and capacity. To enter the data for charging voltage adjustment and T° compensation coefficient and T° compensation range where the compensation apply.
Other
- Customer repartition: 0 to 100% to define the ratio from AC in and battery. 0% – AC input as primary source.
- Commutation time: define the duration to return from DC to AC.
- Synchro speed: To define the speed for synchronization (0 is a default value).
- Very Fast Synchronization: – 2
- Very Slow Synchronization: + 2
- AC reinjection: Can select either Enable or Disable, depends on the condition of boost In mode.
- Vout min ovrl too long: To define the value before alarm Over Load Alarm appear.
- Delay ovrl too long: To define the timeout to generate Over Load Alarm.
- Triac enabled: To define the BOOST function either Enable or Disable.
- Enable Boost: If Flexa and SBP has same AC input source.
- Disable Boost: If Flexa and SBP has two different AC input source.

10.4.5 Battery 1 and Battery 2
Warning: !!!
Battery configuration is extremely important. There must be correct value entered for battery.
The wrong value will affect the operation of the system and might have an impact on the battery lifetime. Those parameter will define:
– The float voltage;
– The boost voltage (if enabled);
– The current limitation to protect battery from overcharging current;
– The prediction of the battery capacity when battery test are performed.
General
Note: Configure battery. Refer to battery manufacturer for detail value.
- Flexa need always even number as there is middle point. Ideal 204 cells (2V), Min is 192 V and Max is 216 V.
- Cell float V at 20°C
- Max current to limit during charging. Never exceed C10/4
- Cells capacity, If more then one string please multiply the cell capacity x number of string.
Temperature
Compensation
- Enter the value from manufacturer mV/°C
- Min: from where the compensation start
- Max: from where compensation stop
Note: Temp probe is must to connect between battery bank to Temp input at T4S.
Test
- To set up the battery test parameter Power, time duration and voltage stop
- Auto test to define the periodicity of the test
Boost
To set up Boost, enable the “Boost Mode” and set the parameters.
- Boost mode will be activated depending upon the values in the start and stop parameters of Voltage, Current and Period.
- To activate each conditions, the corresponding parameters should be enabled.
Alarms
The alarm will generate when the battery reaches any one of the following conditions occurs:
- Cell low voltage, pre-low and end of autonomy
- Battery remaining capacity at three levels
- Cell over-voltage and battery temperature
- Battery remaining time
10.4.6 Info
Info
Provides information about T4S:
- Serial number
- Software version
- Interface version
- Bootloader version
- MAC Address
Note: Check the latest T4S software version at My.CET portal.
Product Replacement Procedures
11.1 Flexa / SBP module replacement
Flexa and SBP modules are hot-swappable. The replacement procedure of Flex and SBP are the same. After replacing the module, it will automatically synchronize with other modules and does not need any configuration.
Note: After the system detects the new module, clear the missing module alarm in the T4S interface.
Perform the following steps to replace the module:
Step 1. Remove the module by pulling out using the front handle.
Caution: Before sliding the module into the cabinet, make sure nothing is blocking the module such as objects, Catena wires and other wires.
Step 2. Place the new module in the cabinet.
Step 3. Using the front handle, slide in firmly until the module is properly engaged with the rear terminals.
11.2 Fan Replacement
The FAN pre-alarm “FAN life elapse” has been set to 5 years. An event will appear on the Catena to remind the “FAN life elapse”.
Perform the following steps to replace the Flexa Fan Kit:
- Order and receive a replacement Flexa Fan Kit which consist of a metallic front plate on which the new three fans are already fixed (T451030001).
- Remove the module from the system and let it rest at least five minutes prior to initiating the work.
- Remove the Front Red Plastic by releasing all the five latches (3 latches at top and 2 latches at bottom) in the module.
- Remove the Flexa Fan Kit (Front Metallic Plate) by unscrewing the eight screws.

- Unplug the Fan wires from the terminal in the module.
- Remove the Synoptic Board and Mylar sheet from the Flexa Fan Kit by unscrewing the four screws..

- Take the new Flexa Fan Kit (T451030001).
- Fix the Synoptic Board into the new Flexa Fan Kit by using four screws, refer “Figure 4”.
Note: Place the Synoptic Board and Mylar sheet in exact position before tightening the screws. - Connect the Fan wires from Flexa Fan Kit to terminal in the module, refer “Figure 3”.
- Fix the Flexa Fan Kit back in place by tightening the eight screws, refer “Figure 2”.
- Fix the Front Red Plastic back in place, make sure all the five latches are fixed properly, refer “Figure 1”.
- Insert the module in the system.
- Once it has started, access the fan counter through the T4S/Catena and reset it (see page 44).
11.3 T4S Replacement
T4S is a hot-swappable device. It can be removed from the live system and will not affect the load and system operations.
Perform the following steps to replace the T4S on Flexa 200 UPS systems.
- Turn OFF the power supply (12 Vdc) of the T4S.
- Remove all the connectors from the T4S (Note the position of all removed cables)
- Take out the fault T4S from the system.
- Remove the micro-SD card from the T4S and copy the content to your laptop. Ensure the “Configuration.ini” file is copied.
- Install the new T4S and connect back all the removed cables.
- Switch ON the Aux power supply of the T4S
- T4S will take a few minutes to extract the .saf file (both LEDs on the T4S will be flashing)
- Once files are extracted, then T4S will come into normal operation. It means Modules transferred all the module parameters to T4S.
- Connect it to the laptop and access it through the web interface using the default IP 192.168.0.2; the password is pass456.
- Then check all the power parameters, Alarm settings, Relay and DI mapping as per your setup.
- Change the IP Address according to your local network if needed.
- For any deviation or alarms on the T4S, update the downloaded “Configuration.ini” from the old T4S copied on your laptop.
Disclaimer: This file (Configuration.ini) should be manually edited by the CE+T crew or any specially trained operator.
Any mistake made in this file could prevent the system from starting, and we shall not guarantee the whole system’s behaviour once this file has been corrupted. All odifiable values contained here are easily accessible through the T4S web interface, which allows you to change this configuration carefully.
11.4 Catena Replacement
Catena is a hot-swappable device. It can be removed from the live system and will not affect the load and system operations.
Perform the following steps to replace the Catena on Flexa 200 UPS systems.
- Remove the screws at Catena’s front side.
- Pull out the Catena slowly from the system.
- Unplug the power supply (12 Vdc) at the T4S rear side.
- Remove all other connectors from the T4S rear side (Note the position of all removed cables)
- Remove the Catena from the system.
- Check the new Catena version.
- Install the New Catena and connect all the removed cables at the rear side.
- Catena will get powered up and wait a few minutes to communicate with T4S.
- Ensure the Dashboard and data are on the GUI screen.
12. SNMP V1 & SNMP V3 Configuration
SNMP is now available on T4S supervisor and on Catena display.
SNMPv1 is available on T4S supervisor. The MIB implemented on T4S SNMP agent is the standard USP MIB defined by RFC1628.
Catena display now includes a SNMPv1 to SNMPv3 proxy.
The main difference between SNMPv1 and SNMPv3 is the addition of secured connection in SNMPv3.
12.1 SNMPv1 Configuration
For SNMPv1 agent configuration, go to Parameters > Monitoring > Network.
See T4S network section for ETH port configuration:
- IP address.
- Subnet mask.
- Gateway.
See T4S SNMP section for SNMP agent configuration: - Trap receivers IP addresses. Up to 5 trap receivers can be configured.
- Note that ports 161 and 162 (for traps) are used. Not configurable.
12.2 SNMPv1 MIB (RFC1628)
The MIB is the standard UPS MIB defined by RFC1628.
Meaning of “input lines”: input lines are AC input groups as existing in T4S web interface. One tri-phase system will have 3 input lines, one for each phase.
Meaning of “output lines”: output lines are AC output groups as existing in T4S web interface.
The following features of UPS MIB are not implemented in T4S:
- Writable entries. The current MIB is read-only. Entries can only be edited through the web server. For this reason, the upsConfig section is also read-only.
- Bypass values. As T4S doesn’t include the monitoring of bypass devices, bypass measurements are not available in the MIB. It is however possible to know when the system switched to MBP by reading ups Output Source value (OID .1.3.6.1.2.1.33.1.4.1).
- Well known test. Only standard battery test is available. No other test is implemented in T4S at current state.
Any feature defined in RFC1628 that is not in the previous list is available.
12.3 SNMPv3 Configuration
For SNMPv3, you need a Catena display. The Catena display can be used as SNMPv1 to SNMPv3 proxy.
The configuration of Catena display is managed by T4S supervisor.
In T4S web interface, go to Parameters > Monitoring > Network.
See Catena network section:
Set IP address, subnet mask, and gateway for local network.
Set “bridge enable” option. By default, both ETH ports of Catena are in the same LAN. If the bridge is disabled, then each port is on an independent LAN.
If bridge is disabled, set IP address, subnet mask, and gateway for external network.
If bridge is disabled, the most outward ETH port is connected to the local network, and the most inward ETH port is connected to the external network. The T4S must be on the local network.
Please not that SNMPv1 agent and T4S web server are have no security. For a secure connection, it is strongly recommended to use SNMPv3 interface only (T4S on local network and bridge disabled).
See Catena SNMP section:
SNMPv3 context can be configured.
SNMPv1 agent community can be configured. Not used for now since T4S agent community is not configurable (public by default).
Three users can be configured:
- Read-only user. There is no authentication and no encryption. No other parameter than user name is required.
- NoPriv user. This user is authenticated but there is no encryption. Authentication protocol (MD5 or SHA) must be selected. Authentication password must be configured.
- Priv user. This user is authenticated and connection is encrypted. Authentication protocol (MD5 or SHA) must be selected. Authentication password must be configured. Encryption protocol (DES or AES) must be selected.
Encryption key must be configured. - A user can be completely disabled by setting an empty user name.
Base OID’s have to be configured for each user.
One trap received can be configured:
- Trap received IP address.
- Engine ID.
- Security level. You can select if the trap will use both authentication and encryption, only authentication, or none.
- Trap authentication password. Only required if authentication is enabled in security level option.
- Trap authentication protocol (MD5 or SHA). Only required if authentication is enabled in security level option.
- Trap encryption key. Only required if encryption is enabled in security level option.
- Trap encryption protocol (DES or AES). Only required if encryption is enabled in security level option.
ModBus RTU
T4S can act as a ModBus RTU slave with various baud rates and configuration options. No action can be done on the system through ModBus port; it’s only for monitoring purposes.
13.1 Physical Connection
To get access to the ModBus, the RJ45 labelled “RS485” on T4S monitoring unit should be connected. RJ45 pin out is as follow: 
Note: The colour of wires is irrelevant and may vary, but make sure the position of wires is exactly crimped.
- Pin 4 = D1
- Pin 5 = D0
- Pin 8 = Common (GND)
13.2 Configuration
ModBus slave configuration is accessible through user interface by browsing menu Parameters, Monitoring tab, ModBus sub menu.
- Modbus RTU slave can be either enabled or disabled.
- Slave address ranges from 1 to 247. Default is 1.
- Supported baud rates are: 9600, 19200, 38400, 115200, or 460800. Default is 19200.
- Parity can be none, even, or odd. Default is even.
- Stop bits can be 1 or 2. Default is 1.
- Configuration is applied once save button is clicked.
Table version parameters ensure that customer can use any revision of the modbus tables he wants. First release is based on table revision 1.
To know more about modbus, download it from My.CET.
Commissioning
| DATA | |
| Date | |
| Performed by | |
| Site | |
| System serial number | |
| Module serial numbers | |
| Actions | OK / Not OK |
| System is running | |
| All module inserted inside the system. | |
| AC load is supplied. | |
| Battery is charged. | |
| Switch OFF AC IN and check that the AC load continue to be supplied by Battery source. | |
| Switch ON AC IN and check that battery is recharged by the system. | |
| System recover “No alarm” state. |
Record the following values
| Parameters | Description |
| Number of module seen by T4S | |
| Redundancy | |
| AC IN | |
| Voltage | |
| Current | |
| Power | |
| AC OUT | |
| Voltage | |
| Current | |
| Power | |
| Battery | |
| Voltage | |
| Current | |
| Power | |
| Temperature | |
| Download configuration file and clear log file. | |
Trouble Shooting and Defective Situations Resolution
15.1 Trouble Shooting
| Module does not power up: | Check AC input present and in range (AC breakers) Check Battery input present and in range (Battery breakers) Check that the module is properly inserted Remove the module to verify that slot is not damaged, check connectors Check that module(s) is (are) in OFF state Check for loose terminations |
| System does not start: | Check that T4S is present and properly inserted Check remote ON/OFF terminal Check the configuration and setting Check threshold level |
| Module only run on AC or Battery: | Check AC input present and in range (AC breakers) Check Battery present and in range (Battery breakers) Check the configuration and setting Check threshold level(s) |
| No output power | Check output breaker |
| All OK but one has alarm: | Check configuration file and correct number of modules Download/clear log file |
| No output alarm: | Check the default time delay (UA: 60 s, NUA: 30 s) Check configuration file |
Defective Situations Resolution
16.1 Defective modules
Unless input power is down all LEDs on each module should be green (see section 6.1.1, page 23). No light, orange light, red or flashing light are abnormal conditions. Record module information. If no fix can be found, replace module.
16.1.1 Replacing Modules
Refer to section 11.1, page 62 to remove and re-insert modules.
16.1.2 Return Defective T4S Interface
A T4S totally dark (indication area) or that cannot interface with your laptop are evidence of failure. Proceed as per section 16.1.4, page 72.
16.1.3 Return Defective Shelf
The shelf is passive. Failure is unlikely to happen. In turn defective situation are barely always visible. After depose proceed as per section 16.1.4, page 72.
16.1.4 Return Defective Modules
- A repair request should follow the regular logistics chain: End-user => Distributor => CE+T Power.
- Before returning a defective product, a RMA number must be requested through the http://my.cet-power.com extranet. Repair registering guidelines may be requested by email at [email protected].
- The RMA number should be mentioned on all shipping documents related to the repair.
- Be aware that products shipped back to CE+T Power without being registered first will not be treated with high priority!
- Information on failure occurrence as well as module status given through Menu 2-1 shall be attached to defective unit return package or recorded in RMA.
Service
For Service
- Check Service Level Agreement (SLA) of your vendor. Most of the time they provide assistance on call with integrated service. If such SLA is in place, you must call their assistance first.
- If your vendor doesn’t provide such assistance (*) you may contact CE+T through email: [email protected]
(*) CE+T will redirect your call to your vendor if he has such SLA in place.
Maintenance Task
As maintenance will be performed on live system, all task should be performed only by trained personnel with sufficient knowledge on TSI product.
Tasks:
- Identify the site, customer, rack number, product type.
- Download and save configuration file for back up.
- Check configuration file to be in accordance with operational site conditions.
- Read and save log file for back up.
- Check and analyse log file, and if alarm are present.
- Replace dust filter if present. Filter is mandatory in dusty environment.
- Check module temperature and log value. If internal temperature is higher then previous year, it should be interesting analyse if it is due an increasing load or dust effect. It is common to have a delta of 15°C by 30% of load between the ambient and the internal temperature. If temperature increase due to internal dust, clean the module by air suction blower or vacuum cleaner.
- Clean cabinet (vacuum cleaner or dry cloth).
- Control the converter mapping (AC Group, DC Group, Address).
- Check load level and record the rate value (print in word document the 4 screen modules information for the 32 modules, the 3 screen for the phases value and the 2 screens for the group AC and DC value).
- Change the configuration file for AC and DC mix mode to check that all TSI work on both power supply.
- Check alarm operation (e.g., redundancy lost, mains failure, DC failure) on dry contact and through SNMP system or web interface.
- Switch OFF AC IN and check alarms.
- Check temperature terminal and temperature wiring. If possible use an infrared camera.
- Read and record value as wave form, power factor, Crest factor, THD from power analyzer.
- Take the cabinet picture.
- Keep track of report and provide end user with a copy.
Annexe 1. Battery Management with Flexa Technology and T4S
1.1. Introduction
Battery is critical element in a UPS. Many manufacturer offer high performances of their electronic but sometimes forgot about providing an efficient and reliable battery management.
Battery is fragile and needs to be treated accordingly in discharge and recharge conditions. The purpose of this document is to provide an overview of how TSI and Flexa manage the batteries, prevent their end of life and reduce possible occurrence of thermal runaway.
1.2. CE+T Battery Charging and Discharging Mode
The purpose of a charger is to “refill” the charge tank of the battery. There are many other features which enhance the convenience of the charger, or grant protection for the battery being charged. These built-in protection features is what fundamentally elongates the battery’s life, or more correctly, prevents premature failure.
TSI technology provide those features:
- Higher current levels reduce recharge times (assuming the battery can accept charge at high rates).
- Voltage limits, current limits, and time out to reduce excessive gassing at end-of charge, and prevent dry-out.
- Modified voltage and current limits as a function of temperature reduce gassing and electrode damage.
- BOOST or Equalize mode to equalize battery blocs periodically CE+T Flexa and controller T4S battery operating mode are described below
1.2.1 MODE 1 BOOST
This mode need to be activated and configured according the battery data from the manufacturer A CCCV (constant current, constant voltage ) algorithm to provide a “quick an fast recharge. Ideally to recover 80% of the battery capacity in maximum 8 hours. This mode use a Uset voltage level associated to current limit protection Figure 1. Typical recharge curve versus time for voltage and current.
MODE 1 algorithm can be trigger based on the following parameter:
- Trig Start Voltage : Will activate MODE 1 when battery voltage goes below pre-set level
- Trig Start Current : will activate MODE 1 when battery current goes above the pre-set value
- Trig Start Period : Will activate MODE 1 periodically base on pre-set value
- Manual Start : Will activate MODE 1 manually through the GUI menu
In mode 1 the temperature compensation is disabled.
MODE 1 algorithm can be stopped based on the following parameter :
- Trig Stop Current: Will stop MODE 1 when battery voltage goes below pre-set level and MODE 1 for minimum 5 minutes (to avoid successive Start and Stop)
- Trig Stop Duration: 1H to 48H will stop MODE 1 (always active) will stop the MODE1 after the duration.
Note: If MODE1 stop based on “duration” before the “Stop current” reached an alarm will be generated as the battery need to be checked. - Trig Start Period: Will activate MODE 1 periodically base on pre-set value
- An alarm appear in the system: MODE 1 will be disabled in case of alarm presence
- Manual stop: will STOP MODE 1 manually through the GUI menu
1.2.2 MODE 2 FLOAT:
This is the normal operating mode for maintaining the battery in charge. This mode is enabled by default
The MODE 2, charging voltage is adapted (provided it is enabled in the configuration) according the temperature. Using the charging curve below.
T° bas-low and T° haut-high are adjustable
Note: If the temperature probe is disconnected or defective the voltage will come back to the value at 20°C. An alarm T° sensor fail” will be generated.
1.2.3 MODE 3 Discharge
Discharge mode is active when energy flow is taken from the battery to the DC/AC converter (inverter) of each module.
In this mode the T4S monitoring sent a voltage and current value to the Flexa module. This help in case of one module has AC input failure to take power from DC and is feed through the other module to avoid discharging the battery and assure the continuity of supply for the AC load.
Following alarms and time out available:
- Ubat < Ufloat
- BAT cell V low
- BAT end of autonomy
- BAT discharge time out (Battery in discharge for more than xx minutes)
- V BAT stop: Flexa will stop operating to prevent deep discharge
Note: During discharge, T4S will record battery discharge value
1.2.4 MODE 4 BATTERY TEST
Battery test is a helpful function to get reliable information on the battery conditions and capacity.
It is recommended to perform periodic test of the battery but more important to perform those test in the same conditions in order to obtain comparative data over the years of the battery lifetime.
Starting BATTERY TEST conditions:
- Manual
- Trig Start Period: Specify the day of the week to perform the periodic test and the number of weeks between 2 tests.
Note: Periodic test will start only if no discharge during last 96 hrs. to guarantee the same start conditions for every test.
Stopping BATTERY TEST conditions:
- Trig Stop Duration : always active. Define the maximum time duration of a test
- Trig Stop Voltage : stop the test when battery voltage reaches the pre-set value
- An alarm appears in the system:
- AC IN failure
- Module failure
- V BAT too low
- System Overload
- Manually through the GUI menu
Note: During any test or battery discharge the following data will be recorded.
START BAT x TEST + data and time
FIN BAT x TEST + data and time
For every delta of 1VDC record of:
- Date in seconds
- Battery voltage
- Battery current
- Bat Temperature
END BAT TEST + date+Time, VBAT, Temp+ Success, FAIL
START BAT x DISH + data and time
FIN BAT x DISH + data and time
For every delta of 1VDC record of:
- Date in seconds
- Battery voltage
- Battery current
- Bat Temperature
END BAT DISH + date+Time, VBAT, TEMP
Annexe 2. Manual Bypass (MBP)
The purpose of this document is to provide guidelines for customers to implement, assemble, wire and test external manual by-passes using CE+T Flexa modular UPS’ with T4S monitoring units.
The CE+T delivered cabinets equipped with manual by pass are not concerned by this document.
2.1. Introduction
The purpose of the Manual Bypass also named “service by pass” is to provide the capability to completely by-pass the modular UPS Flexa system and SBP in order:
- To perform service maintenance to the equipment
- To externally by-pass the UPS installation and allow the removal of the equipment
2.2. Principle of Operation
The manual by-pass (MBP) is a “make before break” Bypass manual switch.
The MBP can be in 3 position mode:
| OFF or NORMAL: | The MBP is not engaged (OFF) and the USP normally feeds the critical load. |
| INTERIM or TRANSFER: | The MBP is in a temporary interim position where the AC load is supplied through the manual by-pass. The Flexa UPS is in start up mode and not yet connected to the AC output. |
| ON or BY PASS: | The MBP is engaged, the AC input feeds the AC load, the UPS modules are OFF. Disconnect DC source to turn OFF the system completely. (Note: Flexa Module auxiliary power supply and monitoring are still power up by DC source once MBP is engaged) |
Warning: If MBP is engaged, the neutral connection is not isolated and not voltage free.
Block wiring of the MBP
NORMAL mode or OFF: S1 is open, S2 and S3 are closed
INTERIM or TRANSFER: S1 is closed
S2 and S3 can be in position OPEN or CLOSED depending where you are in the manual by pass procedure
Note: This position is only temporary. It is used to allow the modules to start up and synchronize with the AC input. The user should not keep the Bypass in the INTERIM position.
BY-PASS mode or ON: S1 is closed. S2 and S3 are open.
2.3. Presentation
The Manual By-pass can be provided with 2 executions:
- Rotary Switch for Flexa 60 kVA and Flexa 160 kVA

- Two (2 )power switches external to the Flexa cabinet for power above 160 kVA

Please refer to the Flexa installation manual for more specific procedures.
2.4. MBP Wiring
Both solutions (rotary by-pass or separate switches) need to have auxiliary contacts that need to be wired to the monitoring unit as described below and as shown on the drawing present in annexe
Aux 3 (from the by pass switch) : Provides an input to the controller indicating that the MBP is engaged
Aux 1 (From AC input switch) and Aux 2 (from the by pass SWITCH):
- Switch OFF the Flexa modules once the MBP is engaged.
- Allow the Flexa modules to switch ON when the MBP placed in the INTERIM position.
Note:
The parameter “Out voltage consign” set by default to 230 Vac shall be adjusted according nominal AC input voltage. This will limit the inrush current when operating on Smart By pass and Manual By pass.
2.5. MBP Procedure
2.5.1 Normal to By-Pass
Internal MBP
- Turn MBP switch from position NORMAL to INTERIM
- Turn the MBP switch from INTERIM to position BYPASS
- Switch off DC input from the battery to the Flexa Cabinet
External MBP
- Turn switch S1 to position 2
- Turn Switch S2 to OFF (Position 0)
- Switch Off DC input from the battery to the Flexa cabinet
2.5.2 By-Pass to Normal
Internal MBP
Switch on the DC feed to the Flexa Cabinet (DC battery fuse ON)
- Turn Rotary Switch from BYPASS to “INTERIM” position
- Wait for all LED on Flexa module to be permanent green
- Turn Rotary Switch to NORMAL.

External MBP
- Switch on the DC feed to the Flexa Cabinet (DC battery fuse ON)
- Turn switch S2 to ON(Position 1)
- Wait for all LED on Flexa module to be permanent green
- Turn Switch S1 to Position 1
Annexe 3. Smart By-Pass (SBP)
The purpose of this document is to provide guidelines for customers to access the Smart By Pass using CE+T Flexa modular UPS’ with T4S monitoring units.
Note: SBP should be installed and operated only in Flexa UPS System.
Caution: If Flexa and SBP has two different input source, it is mandatory to disable the Boost function. Refer “Triac enabled” parameter at section “Other”, page 58.
3.1. Introduction
The purpose of the Smart By-Pass is to provide the capability to completely by-pass the modular UPS Flexa system in order:
- SBP will transfer the Load to Bypass without interruption.
- To perform service maintenance to the equipment.
- To externally by-pass the UPS installation and allow the removal of the equipment.
3.2. Principle of Operation
The SBP operates in two modes:
1. UPS Mode
The priority is given to the Flexa module and the SBP is in standby.
In the event of a disturbance of the Flexa and/or battery end of discharge, the system will provide unconditioned power to the load by returning to ECO mode feeding the load through SBP in AC to AC.
2. ECO Mode
The priority is given to the SBP while Flexa are in support mode.
If the SBP AC input voltage is out of range min or max the Flexa will take over the load.
In the event of a power disturbance, the system will provide conditioned power to the load by returning to UPS mode feeding the load through Flexa in AC to AC or DC/AC. When operating in ECO mode Flexa fan speed shall be reduced to its minimum.
Note: The parameter “Out voltage consign” set by default to 230 Vac shall be adjusted according nominal AC input voltage. This will limit the inrush current when operating on Smart By pass and Manual By pass.
In any of the operating mode: “ECO mode” or “UPS Mode”, the AC output will always be synchronized on the SBP AC input. Only Flexa module without BOOST will be used in ECO mode. If module with BOOST are used the BOOST shall be disabled.
Warning: If SBP is engaged, the neutral connection is not isolated and not voltage free.
System will stay in ECO mode provided that:
- The AC input voltage range are within the configured limits min and max Vac in of the SBP;
- Below and above those limits the UPS will go in Flexa mode (either AC to AC or DC to AC, depending on AC input connected to Flexa module). The transfer shall not suffer any interruption of the load and shall respect classification 3 of IEC 62040-3 (see curve here below);

- Vac min and Vac max will be adjustable between:
- 195 Vac to 210 Vac for Vac min transfer;
Note: Vac min too low could lead to higher transfer time.
If 195 Vac doesn’t allow to guarantee classification 3 of IEC 62040-3, the minimal acceptable value must be identified. - 250Vac to 265Vac for Vac max transfer.
- 195 Vac to 210 Vac for Vac min transfer;
- Hysteresis will be constant and fixed to the most appropriate value according the measurements device of the SBP/Flexa and to prevent any intermittent transfer ECO to Flexa and vice versa;
- One alarm shall be generated if the output power through the SBP in ECO mode exceed the Flexa installed power. In this eventuality, the system will be blocked in ECO mode and prevent any transfer;
- The return from Flexa mode to ECO will be automatic once the SBP AC input is within the range. A adjustable timer 1 to 90 sec will delay the return to ECO mode except if end of autonomy of the battery is reached.
- In order to detect a back feed on SBP input in some cases, ECO mode should be disabled when under a percentage of the max output power of the system (20% of the Flexa installed power);
- CE+T requires electrical schematics of the system deployed in order to facilitate the integration, I/O and alarm mapping;
- The monitoring will generate an URGENT alarm in case output power exceed the maximum power of the available Flexa module. Any transfer from ECO mode to UPS mode will be blocked if the AC load power exceed the power available from Flexa module. “Saturation” and “OVL” alarms active;
- CE+T will activate function to enable the eco-mode via a parameter (configured via T4S);
- It is asked to be able to configure the delay to return to eco-mode between 1 sec to 90sec (default value 90 sec). We would like to fix this time a little above 90s, because of the typical time constants of external electrical devices;
- If the Flexa & SBP are on the same AC source and the walk in mode is implemented. The walk in mode shall be used before returning to ECO mode. This means from Flexa UPS operating on battery a smooth transfer to AC input and when completed the SBP will switch to ECO mode. If the walk-in mode duration is longer than the ecomode delay (see above paragraph), the walk-in mode duration is used instead of the eco-mode delay. No walk-in mode is implemented when Flexa and SBP are not on the same AC source.
3.3. SBP LEDs Indication
LEDs in SBP indicates the status of AC Input, AC Output, SYNC, SBP, Alarm, Overload, and Ecomode.
The following image illustrates the status of:
- SBP Engaged.
- SBP Ready.
- SBP Input Not OK.

Annexe 4. T4S Alarms
4.1. Supervisor Alarms: T4S
This is the list of alarms issued by supervisor. Other alarms are issued by modules directly (see Flexa alarm table & OCA document). The supervisor is able to generate alarms that are related to the system, to Flexa modules, or to itself. Alarms related to Flexa will be seen as system alarms when module alarm is present on all Flexa modules.
Each alarm has a priority level. The level can be {disabled, event, minor, major}. If the level can be configured in user interface, then it is marked as “mappable”, please refers to the last table for standard mapping.
| Monitoring Alarms | ||||
| Text ID | Name | Level | Def. Map | Description/ Possible action |
| 224 | MBP engaged | Mappable | / | The system is in manual by pass mode. Disengaged MBP to recover normal mode |
| 225 | Surge arrester | Mappable | / | Surge protection trip. Check & replace surge protection device |
| 226 | Redundancy lost | Mappable | / | The defined redundancy for a group is lost. According to config replace or restart faulty module |
| 227 | System saturated | Mappable | / | Load power is above the defined level (settable in Saturation threshold parameter). Check load level and add modules if possible or change parameter level |
| 228 | Main source lost | Major | / | Depending on the configuration, the AC input power source is missing. Check AC input breaker or source presence |
| 229 | Secondary source lost | Minor | / | The DC source (battery) is not present or end of autonomy. Check battery fuse or voltage |
| 230 | System overloaded | Mappable | / | The load power is above 100% of the system capacity |
| 231 | Log nearly full | Event | / | The number of events in the log file is above 80% of the maximum number of events |
| 232 | Missing converter | Mappable | / | A module is not seen on the bus. It can be bus failure at module level. Unplug module and re-plug. If problem still present module need to be replaced |
| 233 | Aux power supply fail | Minor | / | One of the two power supply of the T4S is lost. Check auxiliary power supply |
| 234 | New module | Event | / | A new module is seen on the bus, it will be installed by the system automatically |
| 235 | Log cleared | Event | / | The log file has been cleared |
| 236 | Config modified | Event | / | This temporary event appears to confirm the modification of some parameters |
| 237 | System started | Event | / | The system started and is in normal operation |
| 238 | DigIn 3 | Mappable | / | The digital input 3 is active (NO or NC depending of the configuration) |
| 239 | DigIn 4 | Mappable | / | The digital input 4 is active (NO or NC depending of the configuration) |
| 240 | DigIn 5 | Mappable | / | The digital input 5 is active (NO or NC depending of the configuration) |
| Monitoring Alarms | ||||
| Text ID | Name | Level | Def. Map | Description/ Possible action |
| 241 | DigIn 6 | Mappable | / | The digital input 6 is active (NO or NC depending of the configuration) |
| 242 | DigIn 7 | Mappable | / | The digital input 7 is active (NO or NC depending of the configuration) |
| 243 | DigIn 8 | Mappable | / | The digital input 8 is active (NO or NC depending of the configuration) |
| 244 | Monitoring started | Event | / | The T4S/CATENA has restarted |
| 245 | Log full | Minor | / | The log file has reach the maximum number of events. More events will not be recorded anymore |
| 246 | Converter off | Minor | / | The given module is off manually or remotely. |
| 247 | Converter AC out fault | Mappable | / | The given module has AC out problem. Module need replacement and repair |
| 248 | DigIn 1 | Mappable | / | The digital input 1 is active (NO or NC depending of the configuration) |
| 249 | DigIn 2 | Mappable | / | The digital input 2 is active (NO or NC depending of the configuration) |
| 250 | Redundancy +1 lost | Mappable | / | Means that the system has lost one module more than the configured redundancy for a group. Means that this groups could be overloaded. |
| 251 | Missing SBP | Mappable | / | A SBP is missing in the system. |
| 252 | SBP AC out fault | Mappable | / | Problem in SBP Ac out. Module need replacement |
| 253 | SBP engaged | Mappable | / | System is running on Smart By Pass |
| 254 | Time synchronized | Event | Time synchronization through digital input occurred | |
| 255 | MBP procedure | Mappable | System with SBP is in MBP procedure | |
| 256 | Battery charge remote off | Mappable | Battery charging is disabled through digital input | |
| 512 | Discharge | Mappable | / | Battery is discharging. |
| 513 | Charging failure | Minor | / | Battery cannot be charged. |
| 514 | Boost in progress | Mappable | / | A boost charge is in operation on BAT1 or BAT 2 |
| 515 | Test in progress | Mappable | / | A battery test is in operation on BATTERY 1 or BATTERY 2 |
| 516 | Defect | Minor | / | Problem detected on a battery 1 or 2 after battery test |
| 517 | Low voltage pre | Minor | / | Battery voltage has reach the settable pre-alarm level |
| 518 | Low voltage | Mappable | / | Battery voltage has reach the settable alarm level |
| 519 | End autonomy | Mappable | / | The battery voltage has reach the settable end of autonomy level |
| 520 | Low capacity pre | Minor | / | Battery capacity is in pre-alarm condition |
| 521 | Low capacity | Minor | / | Battery capacity is in alarm condition |
| 522 | No more autonomy | Mappable | / | Battery has reach its lower level, DC converter will soon stop |
| Monitoring Alarms | ||||
| Text ID | Name | Level | Def. Map | Description/ Possible action |
| 523 | Overvoltage | Mappable | / | Battery is in overvoltage alarm |
| 524 | Unknown capacity | Minor | / | At startup, the battery is in unknown capacity state, the supervision system will soon detect the capacity |
| 525 | Temperature sensor fail | Mappable | / | Battery temperature sensor fail appears when the probe is disconnected |
| 526 | Over temperature | Mappable | / | Battery T° is above configured limits |
| 527 | Limited charging | Minor | / | The charger limits current to the battery according parameter. |
| 528 | Boost too long | Minor | / | Means that a boost charge of the battery exceed the specified time out. Please check battery is healthy |
| 529 | Low remaining time | Minor | / | The battery remaining time is low |
| 530 | Test: manual stop | Minor | / | Means that a test has stopped due to user manipulation |
| 531 | Test: recent discharge | Minor | / | A test will not start because battery has been in discharge within 96 hours |
| 532 | Test: voltage low | Minor | / | A test will not start because the voltage is too low |
| 533 | Test: system alarm | Minor | / | A test will not start because there is an alarm that prevent the battery test to start |
| 534 | Test: already in boost | Minor | / | A test will not start because the battery is already in boost charge. |
| 535 | Test: charger OFF | Minor | / | A test will not start because the charging is disabled and so the battery will not be charged after the test. |
| Mappable Events (Not alarms !!) | ||||
| Text ID | Name | Level | Def. Map | Description |
| 632 | AC in failure | / | Major + R3 | |
| 633 | AC out 1 failure | / | Major | |
| 634 | Battery 1 discharge | / | Major | |
| 635 | Battery 2 discharge | / | Major | |
| 636 | Battery 1 low | / | Major | |
| 637 | Battery 2 low | / | Major | |
| 638 | Digital input 1 | / | Event | |
| 639 | Digital input 2 | / | Event | |
| 640 | Digital input 3 | / | Event | |
| 641 | Digital input 4 | / | Event | |
| 642 | Digital input 5 | / | Event | |
| 643 | Digital input 6 | / | Event | |
| 644 | Digital input 7 | / | Event | |
| Mappable Events (Not alarms !!) | ||||
| Text ID | Name | Level | Def. Map | Description |
| 645 | Digital input 8 | / | Event | |
| 646 | MBP Engaged | / | Major + R5 | |
| 647 | Battery bad | / | Minor | Means that a test has failed |
| 648 | AC out 1 overload | / | Major | |
| 649 | AC out 1 redundancy lost | / | Event | |
| 650 | AC in freq out of limit | / | Minor | |
| 651 | Converter failure | / | Minor | |
| 652 | Temperature sensor 1 fail | / | Minor | Battery probe |
| 653 | Temperature sensor 2 fail | / | Minor | Battery probe |
| 654 | Not used | / | Event | |
| 655 | Module overtemperature | / | Minor | |
| 656 | Surge arrester | / | Minor | |
| 657 | AC out 1 redundancy +1 lost | / | Event | |
| 658 | AC out 1 saturated | / | Minor | System load is above the settable limit (normally 80%) |
| 661 | Battery 1 overvoltage | / | Event | |
| 662 | Battery 2 overvoltage | / | Event | |
| 663 | Battery 1 overtemperature | / | Event | |
| 664 | Battery 2 overtemperature | / | Event | |
| 665 | Battery 1 test active | / | Event | |
| 666 | Battery 2 test active | / | Event | |
| 667 | Battery 1 boost active | / | Event | |
| 668 | Battery 2 boost active | / | Event | |
| 722 | Battery test cancelled | / | Minor | Battery test has not started because of another event (See 530 -> 535) |
| 723 | SBP failure | / | Major | |
| 724 | SBP engaged | / | Major | |
| 736 | AC out 2 failure | / | Major | |
| 737 | AC out 2 overload | / | Major | |
| 738 | AC out 2 redundancy lost | / | Event | |
| 739 | AC out 2 redundancy +1 lost | / | Event | |
| 740 | AC out 2 saturated | / | Minor | |
| 745 | AC out 1 manual off | / | Event | |
| 746 | AC out 2 manual off | / | Event | |
| 747 | Log full | / | Minor | |
| 758 | MBP procedure | / | Major + R5 | |
| 759 | Battery safe charging control | / | Major | |
| Module alarms | ||||
| Text ID | Name | Level | Def. Map | Description |
| 96 | Start | Minor | System is starting | |
| 97 | Boost not available | Minor | AC in and AC out not synchronized (boost cannot be used) | |
| 98 | Boost recovery | Minor | Boost (triac) cooling down from previous activation | |
| 99 | Boost failure | Minor | Boost (triac) fault short-circuit | |
| 100 | Fan to be replaced | Minor | The timeout indicating FAN operates for 7 years | |
| 101 | Fan failure | Minor | Fans are not functioning properly | |
| 102 | Power disturbed | Minor | Transient power alarm with output stopped (module KO) | |
| 103 | Param phase query | Minor | No assigned AC group or DC group yet (in progress) | |
| 104 | Param mismatch | Minor | Param not compatible with the rest of the system | |
| 105 | No source | Minor | No AC/DC input | |
| 106 | Vcap too high | Minor | Internal voltage too high | |
| 107 | Vcap too low | Minor | Internal voltage too low | |
| 108 | Vref error | Minor | Reference voltage from auxiliary supply out of acceptable range | |
| 109 | Memory eeprom error | Minor | Not implemented | |
| 110 | Memory flash error | Minor | Flash continuous verification failed | |
| 111 | OFF remote | Minor | Module remote OFF | |
| 112 | OFF manual | Minor | Module OFF manually (ON / OFF switch) | |
| 113 | BUS com fail | Minor | Too many missing bus frames | |
| 114 | Bus A fail | Minor | Sync tops reception issue on bus A (com lost) | |
| 115 | Bus B fail | Minor | Sync tops reception issue on bus B (com lost) | |
| 116 | Bus sync filter error | Minor | Sync top filtering circuit fault (detected because sync tops are received at different times) | |
| 117 | ||||
| 118 | ||||
| 119 | Bus A not present | Minor | bus A present signal of backplane not seen by the module | |
| 120 | Bus B not present | Minor | bus B present signal of backplane not seen by the module | |
| 121 | Bus frame collision | Minor | Bus A and bus B are not identical in content | |
| 122 | Bus fail | Minor | Module can’t see what it writes on both bus | |
| 123 | Warm up too high | Minor | One of the measured temperature is above a threshold | |
| 124 | Power noise | Minor | Transient power alarm (some trips happening) | |
| 125 | Not defined 30 | |||
| 126 | Not defined 31 | |||
| 127 | Not defined 32 | |||
| Text ID | Name | Level | Def. Map | Description |
| 128 | Start up | Minor | ||
| 129 | Temperature derating | Minor | Power is decreased due to high temperature | |
| 130 | Temperature too high | Minor | DC converter stopped because of too high temperature | |
| 131 | Temperature sensor fail | Minor | Communication with temperature probe was lost | |
| 132 | Auto-calib error | Minor | Error during auto calibration of current offsets | |
| 133 | Pdc too low | Minor | Pdc = f(Vdc). Alarm if Pdc < Pout | |
| 134 | Impedance too high | Minor | DC input too high impedance detected | |
| 135 | No AC voltage | Minor | For PV (photo-voltaique) mode | |
| 136 | Current trip | Minor | Too many consecutive DC-/+ over-current trips | |
| 137 | Driver error | Minor | Too many “not ready”/”fault” from DC-/+ drivers over some time | |
| 138 | Not defined 43 | |||
| 139 | Not defined 44 | |||
| 140 | Not defined 45 | |||
| 141 | Not defined 46 | |||
| 142 | Not defined 47 | |||
| 143 | Not defined 48 | |||
| 144 | Source+ too low- transferred | Minor | DC+ V is under input transfer to AC threshold | |
| 145 | Source- too low -transferred | Minor | DC- V is under input transfer to AC threshold | |
| 146 | Source+ too high- transferred | Minor | DC+ V is over input transfer to AC threshold | |
| 147 | Source- too high- transferred | Minor | DC- V is over input stop threshold | |
| 148 | Source+ too low- stop | Minor | DC+ V is under input stop threshold | |
| 149 | Source- too low- stop | Minor | DC- V is under input stop threshold | |
| 150 | Source+ too high- stop | Minor | DC+ V is over input stop threshold | |
| 151 | Source- too high- stop | Minor | DC- V is over input stop threshold | |
| 152 | Source+ no voltage | Minor | DC+ V is under input not present threshold | |
| 153 | Source- no voltage | Minor | DC- V is under input not present threshold |
| 154 | Source+ brownout(<150V) | Minor | DC+ V is under extended lower limit for too much time | |
| 155 | Source- brownout (<150V) | Minor | DC- V is under extended lower limit for too much time | |
| 156 | Not defined 61 | |||
| 157 | Not defined 62 | |||
| 158 | Not defined 63 | |||
| 159 | Not defined 64 |
Module AC input alarms | ||||
| Text ID | Name | Level | Def. Map | Description |
| 160 | Start | Minor | ||
| 161 | Temperature derating | Minor | Power is decreased due to high temperature | |
| 162 | Temperature too high | Minor | ACin converter stopped because of too high temperature | |
| 163 | Temperature sensor fail | Minor | Communication with temperature probe was lost | |
| 164 | Auto-calib error | Minor | Error during auto-calibration of current offsets | |
| 165 | Impedance Too High | Minor | AC input too high impedance detected | |
| 166 | Backfeed error | Minor | Input stopped because of backfeed on it | |
| 167 | Not defined 72 | |||
| 168 | Overcurrent | Minor | Too many consecutive ACin over-current trips | |
| 169 | Driver not ready | Minor | Hardware driver not ready signal received | |
| 170 | Driver fault | Minor | Hardware driver fault signal received | |
| 171 | Driver perturbed | Minor | Too many consecutive “not ready”/”fault” from Acin driver or more than a threshold over some hours | |
| 172 | Not defined 77 | |||
| 173 | Not defined 78 | |||
| 174 | Not defined 79 | |||
| 175 | Vres Absent | Minor | Fast alarm when source V is no longer present | |
| 176 | Source V too low transferred | Minor | Source V is under input transfer to DC threshold | |
| 177 | Source V too high transferred | Minor | Source V is over input transfer to DC threshold | |
| 178 | Vres out of range | Minor | Source V is out of expected envelope | |
| 179 | Source V too low stop | Minor | Source V is under input stop threshold | |
| 180 | Source V too high stop | Minor | Source V is over input stop threshold | |
| 181 | Source frequ too low | Minor | Source freq is under input stop threshold | |
| 182 | Source frequ too high | Minor | Source freq is over input stop threshold | |
| 183 | Source no voltage | Minor | Source V RMS is below 60V (SELV threshold) – no sync possible | |
| 184 | SBP Vres absent | Minor | SBP Fast alarm when SBP source V is no longer present | |
| 185 | SBP Source V too low stop | Minor | SBP source V is under output stop threshold | |
| 186 | SBP Source V too high stop | Minor | SBP source V is over output stop threshold | |
| 187 | SBP Source frequ too low | Minor | SBP source freq is under output stop threshold | |
| 188 | SBP Source frequ too high | Minor | SBP source freq is over output stop threshold | |
| 189 | SBP Res not sync | Minor | SBP source is not in sync (freq + phase shift) with system | |
| 190 | Not defined 95 | |||
| 191 | Not defined 96 |
Module AC output alarms | ||||
| Text ID | Name | Level | Def. Map | Description |
| 192 | Start | Minor | ||
| 193 | Temperature derating | Minor | Power is decreased due to high temperature | |
| 194 | Temperature too high | Minor | ACout converter stopped because of too high temperature | |
| 195 | Temperature sensor fail | Minor | Communication with temperature probe was lost | |
| 196 | Auto-calib error | Minor | Error during auto calibration of current offsets | |
| 197 | Overload not ready | Minor | Overload capability is in cool-down | |
| 198 | Overload | Minor | Output power is higher than a threshold above nominal power | |
| 199 | Power derating | Minor | Derate output power because it cannot be supplied | |
| 200 | Vout too Low | Minor | Output V is under a threshold (due to an overload) | |
| 201 | Overload too long | Minor | Output V is under a threshold (due to an overload) for too much time | |
| 202 | Vout modify | Minor | Output V setpoint was modified and is being converged on | |
| 203 | Load-sharing low | Minor | Flexa module is supplying too much power to the load compared to the other modules | |
| 204 | Load-sharing high | Minor | Flexa module is not supplying enough power to the load compared to the other modules | |
| 205 | Mode support | Minor | Flexa is supporting either the SBP or MBP output, i.e. it does not supply any current, but in case of a voltage drop will try to keep the voltage at an acceptable level | |
| 206 | Igbt driver alarm | Minor | An individual driver is sending an alarm but global drivers monitoring signals are OK | |
| 207 | Not defined 112 | |||
| 208 | Driver not ready | Minor | Hardware driver not ready signal received | |
| 209 | Driver fault | Minor | Hardware driver fault signal received | |
| 210 | Over-current | Minor | Too many consecutive AC out over-current trips | |
| 211 | Igbt error | Minor | Software detected IGBT fault | |
| 212 | Vout pi2 error | Minor | Output V at Pi/2 (sine max) is out of expected range with open relay | |
| 213 | Vout mpi2 error | Minor | Output V at -Pi/2 (sine min) is out of expected range with open relay | |
| 214 | Off (bus) | Minor | Output Off from bus request | |
| 215 | Backfeed error | Minor | Output stopped because of backfeed from this module or another one | |
| 216 | Too many start | Minor | Too many attempts to start output over some time | |
| 217 | AC out fuse open | Minor | Output fuse open or enventualy output connector not connected | |
| 218 | SBP AC out open | Minor | SBP could not close when needed | |
| 219 | SBP AC out short circuit | Minor | SBP could not open when needed | |
| 220 | SBP temperature too high | Minor | SBP stopped because of too high temperature | |
| 221 | SBP temperature sensor fail | Minor | Communication with temperature probe was lost | |
| 222 | SBP overload | Minor | SBP Output power is higher than a threshold above nominal power (105%) (not KO) | |
| 223 | SBP overload too long | Minor | SBP Output power is higher than a threshold (200%) above nominal power for too much time (KO) |
Annexe 5. FAQ
How can I reset my admin password if I have unfortunately forgotten it?
Before version 3.1, there is a generic password that always works: 123TEC. You can use it to connect and change your expert password. As this has been identified as a potential risk for system integrity, we strongly recommend to update to a newer version where security has been improved.
From version 3.1, in case of password loss, a new temporary password (valid 24 hrs. after creation) can be issued by CE+T Power. To receive a temporary password, send an email with your T4S serial Number and the date at which you expect to go back on site to change the password to [email protected] specifically requesting a new temporary password. The serial number can be found on the sticker on the T4S, or on screen in ‘Parameters’ then ‘Info’.
Annexe 6. Electrical Diagrams
6.1. Flexa 200 – 400/400 (3ph-3ph)
6.1.1 Flexa 200 – 400/400 with MBP and SBP – Common Input
6.1.2 Flexa 200 – 400/400 with MBP and SBP – Dual Inputs
6.1.3 Flexa 200 – 400/400 with MBP
6.2. Flexa 200 – 400/230 (3ph-1ph)
6.2.1 Flexa 200 – 400/230 with SBP – Common Input
6.2.2 Flexa 200 – 400/230 with SBP – Dual inputs
6.2.3 Flexa 200 – 400/230 without SBP 





































