Roth Touchline SL EnergyLogic Projectline Wireless System

The Roth Touchline® SL repeater can be used for a number of Roth products, Roth Touchline® SL, Roth Touchline® PL, Roth wireless control for Minishunt Plus and Roth QuickStop Sensor 2. The repeater is used if there is too long a distance between a transmitter and a receiver or in difficult transmitter/receiver conditions.
In a system, you can register several different units for one or more repeaters, however max. 20 units per repeater. You can mix both expansion module, thermostats, smart home components and QuickStop Sensor via one or more repeaters. Max 2 repeaters in series When registering a repeater, there must be a maximum of 10 meters between the receiver (control unit), the repeater and the transmitter (thermostat/sensor), after registration, place the repeater midway between the transmitter location and the receiver.
After registering the repeater, the signal strength between the repeater and the control end is shown in the display on the control unit, only Roth Touchline® SL and Roth Touchline® PL apply. The registered room thermostat, smart home component or sensor, now only works via the repeater. Test evt. the repeater function by changing the setpoint on the room thermostat, or making the Roth QuickStop Sensor damp on the underside – diode B on the repeater will flash briefly, indicating that the signal has been received and forwarded. On the control unit you can check that the setpoint has changed and on the Roth QuickStop sensor control unit it will give a “beep” sound, light red and close the valve.
Roth Touchline® SL Repeater

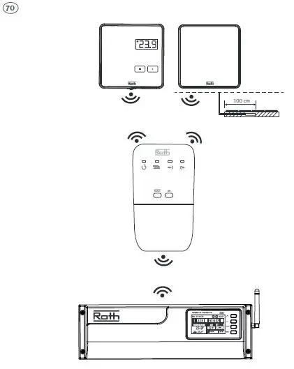
System Overview
Roth Touchline® SL

Roth Touchline® PL Controller 8 Ch

Roth Touchline® PL Controller 2 Ch

Roth Minishunt Plus

Roth QuickStop Sensor 2

Roth Touchline® SL Repeater- restoring factory settings

Roth Touchline® SL

Repeater between thermostats and control units

- Connect the Repeater to the power supply – power indicator (A) will light up.

- Press the registration button (E) on the Repeater. The registration indicator out (D) will now be permantly on and the registration indicator in (C) will start flashing.

- Press the registration button on the backside of the Room thermostat or Floor sensor. The registration indicator in (C) will now change to be permanently on and the registration indicator out (D) will start flashing.

- If installing a Room thermostat, follow the registration process on the Controller to register the Repeater to the same zone as the Room thermostat was registered to.
- When the Repeater has been registered all indicator lights (A,B,C,D) on the repeater will ash simultaneously for 5 seconds. The Controller will display the message ”Sensor registered”.
Registration of floor sensor

- Connect the Repeater to the power supply – power indicator (A) will light up. Press the registration button (E) on the Repeater.

- The registration indicator out (D) will now be permantly on and the registration indicator in (C) will start flashing.
Floor sensor type “Touchline® SL room thermostat with wired floor sensor” – HVAC No. 7466397525

- Check that the room thermostat is registered to the repeater before registration of floor sensors. When registering a cable floor sensor on the Standard room thermostat, the button must to be pushed briefly twice. The registration indicator in (C) will now change to be permanently on and the registration indicator out (D)will start flashing.

- If installing a Floor sensor, follow the registration process on the Controller to register the Repeater to the zone.
Registration and configuration of repeater between master and expansion module

- In a system, one may need a repeater between the master and one or more expansion modules.
- It is important to configure the master unit to the repeater before signing up for the expansion module, as this will ensure that all communication is properly exchanged between the two units.
Configure the Roth Touchline® SL repeater with the Roth Touchline® SL master

- Connect the repeater to 230V voltage, the power diode will light up (A).
- Press and hold the registration button (E) on the repeater until the LEDs run from side to side.
- On the master select “Fitters menu”, Repeater Configuration, Do you want to configure? Confirm with “Yes” If configuration is successful, the repeater flashes 5 times and the master confirms the setup. If several repeaters are required in extension of each other between the master and the expansion module, the above procedure must be repeated on all repeaters!
Registration of expansion module for master unit via repeater

- On the extension controller, select “Master module”.
- Select “Registration” and press “Yes”.

- Press the register button (E) on the repeater. The registration LED “out” (D) will now light up constantly and the registration LED “in”(C) will flash.
- Within 30 seconds, the registration LED “in” (C) starts to light up constantly and the registration LED “out” (D) will flash.
- On the master unit, select “Additional modules”. You can connect up to 4 slave units to a master. Select “Registration” and press “Yes”.
- Once the devices have found each other, the LEDs on the repeater flash 5 times, then the LEDs in the repeater turn off, with the exception of “Power”.
Roth Touchline® SL repeater between Smart Home components and master – Only for Roth Touchline® SL

- Setting up repeaters in between Smart Home components and master.

- First connect the repeater to 230V voltage, the power diode will light up (A).
- Press the register button (E).
- The registration LED “out” (D) will now light up constantly and the registration LED “in” (C) will flash.
- Press the registration button on the devices.

- On the master, select “Windows sensor” or “Radiator actuators”. You can connect up to 6 smart home devices per. channel.
- Select “Registration” and press “Yes” When the units have found each other, the LEDs on the repeater flash 5 times, after which the LEDs go out, with the exception of “Power”.
Roth Touchline® SL system with several repeaters
Roth Touchline® SL system with several repeaters in sequence – Only for Roth Touchline® SL


- Setting up repeaters in series (56)
- Connect the first repeater to 230V voltage, the power diode will light up (A). Press the register button (E) on the repeater. The registration LED “out” (D) will now light up constantly and the registration LED “in” (C) will flash.
- Thermostat (57)
- Press the registration button on the back of the room thermostat.
- Extension module unit (58) – Remember to configure all repeaters first. On the expansion module, select “Master module”. Select “Registration” and press “Yes”.
- SmartHome devices (59+60)
- Press the registration button on the desired device.
An extra repeater (60)

Connect the next repeater to 230V voltage, the power diode will light up (A). Press the register button (E) on the repeater. The registration LED “out” (D) will now light up constantly and the registration LED “in” (C) will flash. Within 30 seconds, the registration LED “in” (C) starts to light up constantly and the registration LED “out” (D) will flash. When the thermostat/ zone is confirmed on the master control unit, the LED stops flashing and the repeater switches off all LEDs, except “Power”.

- Register the unit on the master unit in the same way as without a repeater. Example of registering a floor sensor.
Roth Touchline® PL
Roth Touchline® PL mix system with repeater between thermostats and control units


- Connect the Repeater to the power supply – power indicator (A) will light up. Press the registration button (E) on the Repeater. The registration indicator “out” (D) will now be permanently on and the registration indicator “in” (C) will start flashing.

- Press the registration button on the backside of the Room thermostat.

- If installing a Room thermostat, follow the registration process on the Controller to register the Repeater to the same zone as the Room thermostat was registered to.
Roth Touchline® PL mix system with repeater between floor sensor and control units

- To be able to use a floor sensor, a room thermostat must be registered at the channel first.

- Press the registration button (E) on the Repeater. The registration indicator “out” (D) will now be permantly on and the registration indicator “in” (C) will start flashing.
Floor sensor type “Touchline® PL room thermostat with wired floor sensor” – HVAC no. 7466397525

- First register the room thermostat to the control unit via the repeater. Then register the floor sensor to the control unit via the repeater by pressing the registration button on the back of the floor sensor. The registration LED in (C) will now light up constantly and the registration LED out (D) will flash.
- If installing a Floor sensor, follow the registration process on the Controller to register the Repeater to the zone.

- When the Repeater has been registered all indicator lights (A,B,C,D) on reciever will flash simultaneously for 5 seconds. The Controller will display the message ”Sensor registred”. The power indicator (A) will be permaneltly on. The communication indicator (B) will flash very shortly when the set temperature is changed from the Room thermostat and the Controller will update the new set temperature on the display. Only register devices that require a better signal in order to get the best range. The signal strength displayed on the Controller is for the signal between the Controller and the Repeater.
Roth Touchline® PL Controller 2 ch
Roth Touchline® PL Controller 2 Ch mix system with repeater between thermostats and control units

- Connect the Repeater to the power supply – power indicator (A) will light up. Press the registration button (E) on the Repeater. The registration indicator “out” (D) will now be permantly on and the registration indicator “in” (C) will start flashing.

- Press the registration button on the backside of the Room thermostat.
- When the room thermostat is registered to the repeater, the repeater must be registered to the desired channel on the control unit, press once for channel 1 and twice for channel 2 on the registration button on the left side of the receiver. Check on the receiver that joints Ch.1 /Ch.2 turn on when the room thermostats call for heat.
Roth Minishunt Plus
Roth Minishunt Plus mix system with repeater between thermostats and control units

- Connect the Repeater to the power supply – power indicator (A) will light up. Press the registration button (E) on the Repeater. The registration indicator “out” (D) will now be permantly on and the registration indicator “in” (C) will start flashing.

- Press the registration button on the backside of the Room thermostat.
- When the room thermostat is registered to the repeater, the repeater must be registered to the control unit, by pressing the registration button on the left side of the receiver.
Roth QuickStop Sensor 2
Roth QuickStop Sensor 2 system with repeater between wireless sensor and control units

- Connect the Repeater to the power supply – power indicator (A) will light up. Press the registration button (E) on the Repeater. The registration indicator “out” (D) will now be permanently on and the registration indicator “in” (C) will start flashing.

- Press the registration button inside the sensor. The registration LED on the repeater “in” (C) will now light up constantly and the registration LED “out” (D) will flash.
- When the sensor is registered to the repeater, the repeater must be registered to the control unit. Press and hold the tick button for approx. 5 seconds until the LED starts flashing blue slowly. When the installation of the sensor via the repeater is completed, the LED will light blue for approx. 10 seconds.
Roth Touchline® SL repeater
Roth Repeater – restoring factory settings
If you want to reset your repeater to the factory settings, do the following:

- Press and hold Exit button for 10 seconds – the two outermost control lights will start flashing.
- Press Registration button
all control lights will start flashing.
Specification
Specification/Value
- Supply voltage: 230V / +/- 0%/50Hz
- Ambient temperature: 5°C – 50°C
- Maximum power consumption: < 1W
- Operating frequency: 868MHz
- Max. transmission power: 25mW
- Transmission range Controller/Repeater: 50 m
- Transmission range Repeater/Room thermostat: 50 m
Contact
ROTH UK Ltd
- 1a Berkeley Business Park Wainwright Road Worcester WR4 9FA
- Phone: +44 (0) 1905 453424
- E-Mail: [email protected]
- roth-uk.com
Scan




























