FREEDOM 169×80
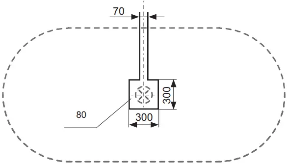
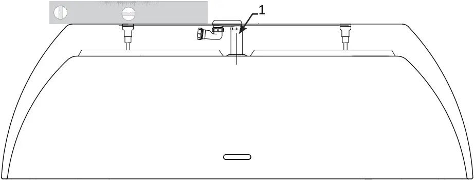
[1]


TOOLS
![]()


ASSEMBLY STEPS
[2]


[3]

[4]

[5]

[6]

- It is not part of the product and must be purchased separately.
[7]

[8]

[9]

For further information, contact your local Ravak dealer.
The manufacturer reserves the right to amend or improve on existing designs or features. Please help preserve the environment by observing local country guidelines or laws regarding re-cycling. Materials which are not suitable for re-cycling must be disposed of at an official and suitable waste control centre.
Maintenance – clean the plastic parts with a cloth and mild detergent. never use any abrasive pastes, dissolvents, acetone or detergents and desinfectants, that contain chlorine. the manufacturer accepts no liability for any type of use or care other than those contained in these instructions. The manufacturer reserves the right to introduce technical changes without notice. The guarantee is 24 months from the date of sale. For further information about assembly, use, and care contact your local dealer. The manufacturer recommends: RAVAK CLEANER – works to remove old and dried-on debris from glass surfaces, shower frames, enamel and acrylic bathtubs, washbasins and water taps; RAVAK DISINFECTANT – is a special preparation with considerable anti-bacterial and anti-fungal effects.

RAVAK a.s., Obecnická 285, 261 01 Píbram I, CR
tel.: +420 318 427 111, fax: +420 318 427 278, e-mail: [email protected], web: www.ravak.cz
RAVAK SLOVAKIA spol. s r.o., Einsteinová 11, 851 01 Bratislava
tel.: +421 2 / 444 550 01, fax: +421 2 / 444 550 02, e-mail: [email protected], web: www.ravak.sk
RAVAK POLSKA s.a., Kalczyn 2B, ul. Radziejowicka 12, 05-825 Grodzisk Mazowiecki, POLSKA
tel.: 22 / 755 40 30, fax: 22 / 755 43 90, e-mail: [email protected], web: www.ravak.pl
RAVAK Hungary Kft., 1142 Budapest, Erzsébet királyné útja 125, HUNGARY
tel.: 06 (1) 223 13 15, 06 (1) 223 13 16, fax: 06 (1) 223 13 14, e-mail: [email protected], web: www.ravak.hu
Ravak Gesellschaft für Sanitärprodukte mbH, Alexanderstrasse 58, D – 45472 Mülheim an der Ruhr
tel. (0208) 37789-30, fax. (0208) 37789-55, e-mail: [email protected], web: www.ravak.de
RAVAK a.s., Representative Office in Ukraine, 21 Dniprovska Naberezhna str., 2nd floor, 02081, Kyiv, Ukraine
tel.: 00380 44 2203232, 00380 44 3605200, fax: 00380 44 2204343, e-mail: [email protected], web: www.ravak.ua
OOO RAVAK ru, ul. Staropetrovskiy pr. 7A, Moskva 125 130,
tel./fax: 007 495 710 82 23, 007 495 450 12 77, e-mail: [email protected], web: www.ravak.com

RAVAK a.s.,
Obecnická 285, 261 01 Píbram I
Czech republic
0120.003.1.13
13
EN 14516 – CL 1

RAVAK a.s., Obecnická 285, 261 01 Píbram I
tel.: +420 318 427 200, 318 427 111 fax: +420 318 427 269
e-mail: [email protected], www.ravak.com
Version: 13052014
References
RAVAK a.s. - Acrylic Bathtubs and Shower Enclosures
Koupelny, koupelna a koupelnové vybavení | RAVAK
RAVAK GESELLSCHAFT für Sanitärprodukte mbH - Das Badeerlebnis in Ihrem Badezimmer
RAVAK Hungary Kft. - ha fürdőszoba akkor RAVAK
Ravak Polska S.A. - dożywotnia gwarancja na wszystkie wanny. Kompleksowe wyposażenie łazienek.
Kúpeľňa a zariadenie kúpeľne | RAVAK
RAVAK ua - ЕСЛИ ВАННАЯ КОМНАТА, ТО RAVAK (ванны, душевые уголки, умывальники, гидромассаж )


















