EMGA 74704DW Mirage Drop In Induction Warmers and Rethermalizers Owner's Manual

Thank you for purchasing this Vollrath equipment. Before operating the equipment, read and familiarize yourself with the following operating and safety instructions. SAVE THESE INSTRUCTIONS FOR FUTURE REFERENCE. Save the original box and packaging. Use this packaging to ship the equipment if repairs are needed.
SAFETY PRECAUTIONS
To ensure safe operation, read the following statements and understand their meaning. This manual contains safety precautions which are explained below. Please read carefully.
⚠ WARNING
Warning is used to indicate the presence of a hazard that will or can cause severe personal injury or death.
⚠ CAUTION
Caution is used to indicate the presence of a hazard that will or can cause minor or major personal injury if the caution is ignored.
NOTICE: Notice is used to note information that is important but not hazard-related.
To reduce risk of injury or damage to the equipment:
- Plug only into grounded electrical outlets matching the nameplate rated voltage.
- Do not use an extension cord with this equipment. Do not plug this equipment into a power strip or multi-outlet power cord.
- As a precaution, persons using a pacemaker should stand back 12″ (30 cm) from an operating equipment. Studies have shown that the induction element will not disrupt a pacemaker.
- Keep all credit cards, driver licenses and other items with a magnetic strip away from an operating equipment. The equipment’s magnetic field will damage the information on these strips.
- Do not put water in the outer well of the warmer/dethermalizer. It is intended to run dry. Water will damage the equipment and void the warranty.
- Use only Vollrath induction-ready insets with this equipment. Failure to use Vollrath induction-ready insets may damage equipment and void the warranty.
- Do not spray controls or outside of equipment with liquids or cleaning agents.
- Unplug when not in use.
- Keep equipment and power cord away from open flames, electric burners or excessive heat.
- Do not operate unattended.
- Closely supervise equipment operating in public areas and/or around children.
- Do not operate if the equipment is damaged or is malfunctioning.

FUNCTION AND PURPOSE
All models are intended to keep food at proper serving temperatures. For hot food holding, food must be at proper serving temperature when placed into the drop-in. The equipment is not designed to cook raw food. 800W models are intended to prethermalize refrigerated, previously cooked food and hold hot food at safe serving temperatures. Use only Vollrath induction-ready insets (items 88184 or 88204). Failure to use Vollrath Induction-ready insets may damage equipment and void the warranty. This equipment is not intended for household, industrial or laboratory use.
FCC STATEMENT
This equipment has been tested and found to comply with Part 18 of FCC Rules. These limits are designed to provide reasonable protection against harmful interference in a residential installation. This equipment generates, uses and can radiate radio frequency energy and, if not installed and used in accordance with the instructions, may cause harmful interference to radio communications. However, there is no guarantee that interference will not occur in a particular installation. If this equipment does cause harmful interference to radio or television reception, which can be determined by turning the equipment off and on, the user is encouraged to try to correct the interference by one or more of the following measures:
- Reorient or relocate the receiving antenna
- Increase the separation between the equipment and receiver
- Connect the equipment into an outlet on a circuit different from that to which the receiver is connected
- Consult the dealer or an experienced radio/TV technician for help To assure continued compliance, any changes or modifications not expressly approved by the party Responsible for compliance could void the user’s authority to operate this equipment.
UNPACK THE EQUIPMENT
- Remove all packing material and tape, as well as any protective plastic from the equipment.
- Clean any glue residue left over from the plastic or tape.
CLEARANCE REQUIREMENTS
Drop-in
- Zero clearance between the sides of the drop-in and any surrounding surface.
- Do not block airflow to the bottom of the equipment. Sufficient airflow must be allowed. Blocking the airflow could cause the equipment to overheat.

Control Box
- 4″ (10 cm) behind the control box and any surrounding surface.

INSTALLATION
NOTICE: Installation must be performed by personal experienced with installing drop-in equipment in a commercial food service environment.
NOTICE: Failure to follow these directions could damage the product. Damage due to improper installation is NOT covered under warranty.
Cut out Openings
- Choose a flat, level countertop for the mounting surface.
- Measure the area for the cut-outs.

- Apply silicone sealant to the cut-out areas to prevent moisture from penetrating the exposed surfaces.
Install the Gasket
NOTICE: Gasket installation is mandatory. Failure to install the gasket will void the warranty.
- Turn the equipment so the bottom is facing up.
- Set the equipment on a stable surface, such as a countertop.
- Lubricate the gasket with a small amount of liquid dish soap or water.
- Carefully press the groove of the gasket onto the underside edge of the rim. Take care to evenly press the gasket as you feed it onto the rim, without stretching it.

- If needed, use a scissors to trim the gasket to the proper length.
Install the Drop-in
- Insert the drop-in into the countertop as shown in the illustration below.

- Insert the included four brackets with thumb screws into slots. Choose slots that position the thumbscrews close to the bottom of the countertop
- HAND-TIGHTEN the thumbscrews slowly and in an alternating pattern. Tighten just to resistance – approximately when the screw just touches the bottom of the countertop, then tighten an additional ½ turn. Do not over tighten. NOTICE: Do not use any hand tools when tightening the thumb screws on this product.
- If desired, place a bead of silicone caulk between the gasket and the countertop.
- Plug the power cord into a grounded electrical outlet with the matching nameplate rated voltage.
NOTICE: Using a voltage other than the nameplate rated voltage will cause damage to the unit. Incorrect voltage, modification to the power cord or electrical components can damage unit and will void the warranty.
Install the Control Box
- Use the included four nuts and screws to secure the control box to the mounting surface. NOTICE: Tighten the screws to a maximum of 35 in-lbs. Do NOT over-tighten.
- Plug the USB cable into the control box and into the bottom of the drop-in.
OPERATION

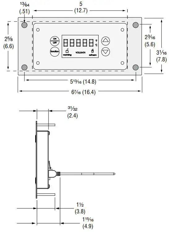
- A ON/OFF button. Press to turn equipment on.
- B Function button. Changes the function or mode of operation.
- C Lock light. Illuminates when the control panel is locked.
- D Warming light. Illuminates when the drop-in is operating in warming mode. Blinks while the food heats to temperature.
- E Retherm light. (800W Models Only) Illuminates when the drop-in is operating in rethermalizing mode. Blinks while the food heats to temperature.
- F Stir light. Flashes when the food should be stirred.
- G Arrow Down button. Lowers the temperature setting.
- H Arrow Up button. Raises the temperature setting.
- I Display panel. Displays the temperature or an error code, depending upon the mode selected.
- J Alarm (not shown). Alarm beeps when there is a fault code.
Prethermalization (800W Models Only)
- Press the ON/OFF button to turn on the equipment.
- Fill the included Vollrath induction ready inset with cooked, chilled food. Place the inset into the equipment. Close the lid. For best results keep the lid closed while heating and serving.
- Press the function button to select the Retherm (Prethermalize) mode.
- While the food is rethermalizing, the retherm light will illuminate and display will show the target temperature of 74 ºC.
- The stir light may blink to indicate the food should be stirred for even heating. For best results stir the food often, approximately every 15 minutes.
- Monitor the food temperature closely for food safety. The United States Public Health Service recommends that hot food be held at a minimum of 140 ºF (60 ºC) to help prevent bacteria growth.
Note: This equipment monitors the temperature of the inset and automatically adjusts the output to maintain the user controlled set point. Temperatures displayed may vary from actual food temperatures depending on the type of food and stirring frequency. For best results adjust the settings as needed to achieve the desired temperature of each menu item. Some foods may require a higher setting to hold at the desired temperature. - The display will blink if the inset is removed from the equipment.
- After the inset has reached approximately 74 ºC, the equipment will switch to hot food holding mode. The warm light will illuminate and the display will show the default setting for Hot Food Holding.
- Follow the instructions for Hold Hot Food at Serving Temperature. Do not add cold food to prethermalized hot food.
Hot Food Holding (All Models)
Select a temperature at which to hold hot food.
Preheat the Warmer
- Press the ON/OFF button to turn on the equipment.
- Place the empty Vollrath induction ready inset into the equipment.
- Press the arrow up or arrow down to select a temperature above 68 ºC.
- Allow the equipment to heat for 5 minutes.
Hold Hot Food at Serving Temperature
- Fill the included Vollrath induction ready inset with pre-heated food, above 68 ºC. Place the inset into the equipment. Close the lid. For best results keep the lid closed while heating and serving.
- Select a holding temperature. Press the function button to select Warming.
- The warming light blinks until the inset heats to the set temperature.
- The stir light may blink to indicate the food should be stirred for even heating. For best results stir the food often, approximately every 15 minutes.
- Monitor the food temperature closely for food safety. The United States Public Health Service recommends that hot food be held at a minimum of 140 ºF (60 ºC) to help prevent bacteria growth.
Note: This equipment monitors the temperature of the inset and automatically adjusts the output to maintain the user controlled set point. Temperatures displayed may vary from actual food temperatures depending on the type of food and stirring frequency. For best results adjust the settings as needed to achieve the desired temperature of each menu item. Some foods may require a higher setting to hold at the desired temperature. - The display will blink if the inset is removed from the drop-in.
Lock the Control Panel (optional)
Lock At the same time, press and hold the function button and the arrow down button until the lock light appears.
Unlock
At the same time, press and hold the function button and the arrow down button until the unlock light appears.
CLEANING

What you will need:
- Three soft clean cloths, one each for cleaning, rinsing and drying
- Mild dish washing detergent
- Clean warm water
NOTICE: Failure to follow these cleaning instructions may lead to product damage that will not be covered under warranty.
- Unplug the equipment and let it completely cool.
- Use a soft cloth moistened with warm water and a mild dish washing detergent to clean the well and the rim.
NOTICE: Do NOT use cleaning solutions that contain chlorine or bleach ingredients. Use of solutions with these ingredients will damage the well and will void the
warranty. - Use the second clean soft clean soft cloth moistened with clean warm water to wipe all detergent from the well and the rim.
- Use the third soft clean cloth to dry the well and the rim.
NOTICE: Failure to thoroughly remove all detergent or thoroughly dry the equipment may result in damage to the equipment. - The stainless steel insert is dishwasher safe.
TROUBLESHOOTING

SERVICE AND REPAIR
Serviceable parts are available on Vollrath.com. To avoid serious injury or damage, never attempt to repair the unit or replace a damaged power cord yourself. Do not send units directly to The Vollrath Company LLC. Please contact Vollrath Technical Services for instructions. When contacting Vollrath Technical Services, please be ready with the item number, model number (if applicable), serial number, and proof of purchase showing the date the unit was purchased.
WARRANTY STATEMENT FOR THE VOLLRATH CO. L.L.C.
This warranty does not apply to products purchased for personal, family or household use, and The Vollrath Company LLC does not offer a written warranty to purchasers for such uses. The Vollrath Company LLC warrants the products it manufactures or distributes against defects in materials and workmanship as specifically described in our full warranty statement. In all cases, the warranty runs from the date of the end user’s original purchase date found on the receipt. Any damages from improper use, abuse, modification or damage resulting from improper packaging during return shipment for warranty repair will not be covered under warranty. For complete warranty information, product registration and new product announcement, visit www.vollrath.com.



















