ORGINAL MANUAL
OWMER’S MANUAL
Wired remote controller
KCT-02.1 SR
IMPORTANT NOTE:
Thank you very much for purchasing our product. Before using your unit, please read this manual carefully and keep it for future reference.
Precautions
The following contents are stated on the product and the operation manual, including usage, precautions against personal harm and property loss, and the methods of using the product correctly and safely. After fully understanding the following contents (identifiers and icons), read the text body and observe the following rules.
Warning
Means improper handling may lead to personal severe injury.
Caution
Means improper handling may lead to personal injury o property loss.
| Icon | Meaning |
| It indicates forbidding. The forbidden subject-matter is indicated in the icon or by images or characters aside. | |
| It indicates compulsory implementation. The compulsory subject-matter is indicated in the icon or by images or characters aside. |
| Delegate installation | Please entrust the distributor or professionals to install the unit. The installers must have the relevant know-how Improper installation performed by the user without permission may cause fire, electric,shock, personal injury or water leakage. |
Usage Warning | Forbid | Do not spray flammable aerosol to the wire controller directly. Otherwise, fire may occur. |
| Forbid | Do not operate with wet hands or let water enter the wire controller. Otherwise, electric shock may occur. |
Model And Specification
| Model | KCT-02.1 SR |
| Power Supply Voltage | 5.0V DC |
| Ambient Temperature Range | -5°C~+43°C |
| Ambient Humidity Range | RH40%~RH90% |
Performance features
- Operating mode: Cool, heat, dry, fan and auto.
- Set the mode through buttons.
- Indoor setting temperature range: 17°C ~30°C.
- LCD (Liquid Crystal Display).
- Touch-style key
Function summarize
KCT-02.1 SR is the touch-style key wired controller.
| New function | Basic function |
| Air filter cleaning reminding function | ON and OFF the air-conditioner |
| Indoor unit address setting function | Auto-restart function |
| Remote control receiver function | Time ON and Time OFF setting |
| Lock the wired controller | Clock setting |
| Quiet operation | Setting the Operating mode, Temperature |
| Follow me | Fan speed and Swing functions |
- Remote signal receiving function
There is the signal receiver for wireless remote controller on the KJR-29B.You can use the wireless remote controller to control the air-conditioner through the wired remote controller when the system has been powered on.
Notes: The wired controller will not receive the swing controlling instruction. For the indoor unit with swinging function, you can directly use the remote controller to control swinging through the display panel of the indoor unit, or use the swing button on the wired remote controller to control the indoor unit for swinging. - ON/OFF button
Press the ON/OFF button to control the indoor unit on and off status. When the unit is turned off, press the ON/OFF button, the unit will be turned on and the operating icon lights up. When the unit is turned on, press the ON/OFF button, the unit will be turned off and the operating icon lights off. - Mode button
Press the mode button to set the operating mode, after each button press the operation mode will circle as follow:
When the controller has been set to cool-only, then there is no HEAT mode. - Fan speed setting
Under COOL, HEAT and FAN modes, press the fan speed button can adjust the fan speed setting. After each fan speed button press will circle as follow:
AUTO→LOW→MID→HIGH→AUTO Under AUTO and DRY modes, the fan speed is not adjustable, and the default fan speed is auto. - Temperature setting
Under AUTO, COOL, DRY, HEAT modes, press the Temp adjust Up/Down buttons to set the temperature, the adjusting range is 17℃~30℃ (or 62℉~88℉). The setting temperature cannot be adjusted under FAN mode. - Timer on and Timer off setting
Press the timer/clock setting button, then enter the timer on setting status, and the screen will display timer icon and You can press Temperature setting buttons to adjust the time. When the time setting is less than 10 hours, each press the Temp setting buttons will increase or decrease 0.5 hour. When the timer setting is more than 10 hours, each press Temp setting buttons will increase or decrease 1 hour, the maximum timer setting is 24 hours. After finish adjusting the time on setting, press the 26℃/OK button or wait for 5 seconds to confirm and exit the time on setting. Notes: If the wired remote controller has been set timer on/ off, press the ON/OFF button to turn on/ turn off the unit then the timer will be canceled simultaneously. - Clock setting
Long press the timer/clock setting button for 3 seconds, and then enter the clock setting status.
The hour position of the clock will flash and can press Temp setting buttons to adjust the hour value.
After finishing the hour setting, press left button or right button to switch to minute position setting, then the minute position will flash, press Temp setting buttons to adjust the minute value. After finishing the clock setting, press the button or wait for 5seconds to confirm and exit the setting state. - Quiet/OK button
Under the cooling, heating, and auto mode, when operate the quiet mode, it can reduce the running noise through setting the fan speed to low. This will help you bring a quieter environment.
Under AUTO, DRY mode, the fan speed is auto, and the Quiet /OK button doesn’t work. - Wired controller locking
Press the temperature adjusting UP and DOWN buttons simultaneously, the wired controller enters locking state, and the locking icon will be lighted up. Under the locking state, the wired controller will not respond to buttons by pressing and the control instruction from the wireless remote controller. Simultaneously press temperature adjusting buttons again will cancel the locking state. - Air filter cleaning reminding function
The wired controller records the total running time of the indoor unit, when the accumulated running time reaches the pre-set value, air filter cleaning reminding icon will be lighted up, to remind that the air filter of the indoor unit needs to be cleaned. Long press left button for 3 seconds and clear the reminding icon and the wired controller will re-accumulate the total running time of the indoor unit.
Notes: The default setting value of reminding function is 2500 hours, and it can change to be 1250 hours, 5000 hours or 10000 hours. The setting methods please refer to the installation manual. - Swing function
If the indoor unit supports swing function, press the right button to adjust the air outlet direction of the indoor unit. Long press this button for 3 seconds can turn on or turn off the auto-swing function. When the auto-swing function is turned on, the swing icon will be lighted up. - Follow me function
When the system is running, and the operating mode is AUTO. COOL or HEAT, press the left button will activate the Follow Me function. Press left button again will cancel follow me function.
When the operating mode is changed, and then will cancel this function as well. When the Follow Me function is activated, the icon will be light up, and the wired controller will display room temperature read from the local sensor and transmit the temperature value to the indoor unit every 3 minutes. - Setting addresses
- Press the Temp. UP and DOWN button simultaneously for more than 8 seconds, then the controller gets into address setting mode.
- In the address setting mode, there are 2 main functions:
- Querying address: Press MODE button, the corresponding indoor unit will display its address.
- Setting address: Use the UP and DOWN buttons to choose an address you want. Then press the FAN button to set the indoor unit’s address. The corresponding indoor unit will display the new address and record it. After about 4 seconds, this displaying will fade out and indoor units turn to normal display mode.
- After setting addresses, users can press the Quiet/OK button can exit the address setting mode.
- After each setting address and enter the query / set mode again, it will display the last set of address, but if re-power, this address will be cleared.
- In the address setting mode, wired controller does not respond to any command from remote controller.
Installation
※ Preparation before Installation:
Make sure the following pasts has been prepared.
| NO. | Name | QTY. | Remarks |
| 1 | Wired Controller | 1 | / |
| 2 | Cross round heat wood Mounting Screw | 3 | M4×20(For mounting on the wall) |
| 3 | Cross round heat mounting Screw | 2 | M4×25(For mounting on the electrical switch box) |
| 4 | Installation Manual | 1 | / |
| 5 | Owner’s Manual | 1 | / |
| 6 | Plastic expansion pipe | 3 | For mounting on the Wall |
| 7 | Plastic screw bar | 1 | For fixing on the 86 electrician box |
| 8 | Switching wires for signal receiving board | 1 | For connecting the signal receiving board and 4-core shielding wire |
| 9 | Switching wires for wired controller signal | 1 | (If needed) For connecting the main control panel and 4-core shielding wire |
※ Prepare for the following at installation site.
| NO. | Name | Qty. (embedded into wall) | Specification remarks (only for reference) | Remarks |
| 1 | 4-core Shield Cable | 1 | RVVP-0.5 mm2×4 | 0.05 mm2×5 cable no more than 12M |
| 2 | 86 electrician box | 1 | / | / |
| 3 | Wiring Tube (Insulating Sleeve and Tightening Screw) | 1 | / | / |
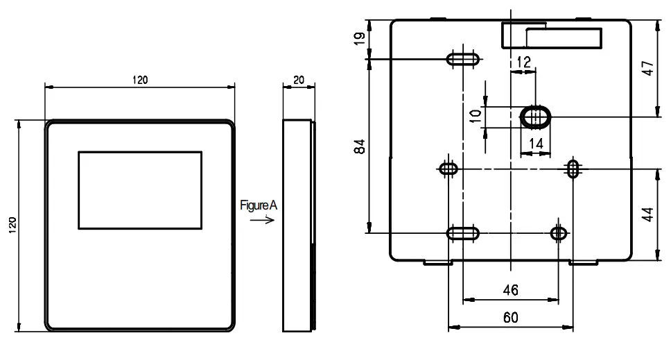
※ Dimensions:120*120*20mm
Wiring
※ Wiring principal sketch:
※ Wiring figure:
- Connect two terminals of embedded 4-core shielding wire with the switching wires of wired remote controller and signal receiving board. Make sure the sequence of 4 terminals (A/B/C/D) should correspond to the wire sequence of signal switching wires (A/B/C/D).

- If embedded 4-core shielding wire cannot go through the wired controller, it can use signal switching for connection and make sure the wires are reliable and firm. The tightening torque range of the screw is0.8~1.2N .m (8~12 kgf . cm).

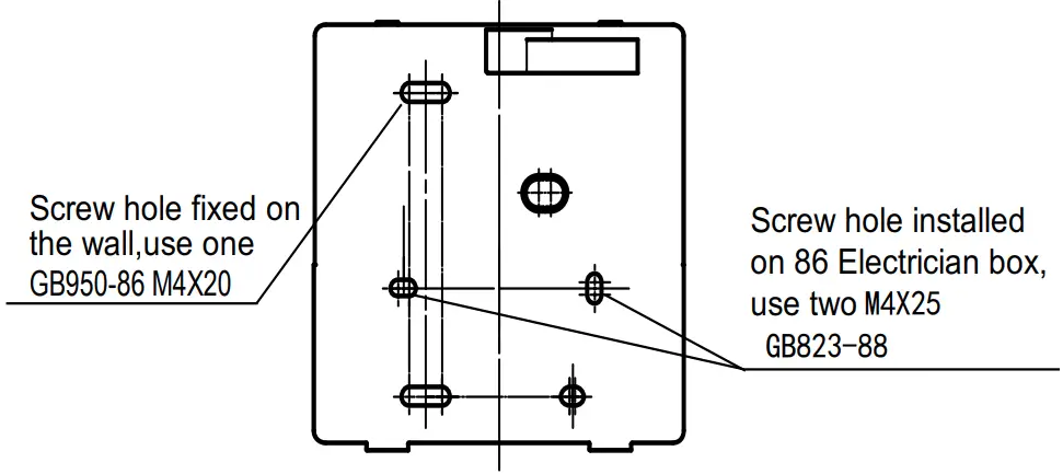
※ Back cover installation
- Use straight head screwdriver to insert into the buckling position in the bottom of a wired controller, and spin the screwdriver to take down the back cover. (Pay attention to spinning direction, if not you maybe damage the back cover.)

- Use three GB950-86 M4X20 screws to directly install the back cover on the wall.

- Use two M4X25 GB823-88screws to install the back cover on the 86 electrician box, and use one GB950-86 M4X20 screw for fixing the wall.

- Adjust the length of two plastic screw bars in the accessory to be the standard length from the electrical box screw bar to the wall. Make sure when install the screw bar to the electrical box screw bar, make it as flat as the wall.

Notes: 1.Use cross head screws to fix the wired controller bottom cover in the electric control box through the screw bar. Make sure the wired controller bottom cover is on the same level after installation, and then install the wired controller back to the bottom cover.
2. Over fasten the screw will lead to deformation of the back cover.
※ Wiring
- Wiring, three outlet positions

- Shielded wiring

※ Front cover installation
- After adjusting the front cover and then buckle the front cover; avoid clamping the communication switching wire during installation.
- Correct install the back cover and firmly buckle the front cover and back cover, if not you maybe make the front cover drop off.

※ Wired controller initial parameters setting:
- Change the related functions of the controller through adjusting the initial parameters, details refer to table 1
- The wired controller initial parameter includes two codes “XY”, the first code “X” means function class, and the second code “Y” means the detailed configuration of this function.
- Setting method:
- Simultaneously press “Mode” and “Fan” button of the wired controller for 5 seconds to enter the parameter setting state;
- The value of this first code “X” is “0”; press the temperature setting button UP and DOWN to adjust the second code value;
- After setting the second code value, press 26/OK button to switch the first code to the next value;
- When the first code value is “6”, press 26/OK button again to exit the parameters setting.
- The parameters setting function only under the situation which needs to adjust the default functions’ setting states; otherwise there is no need to do the setting.
Tabl e 1
| First code | Functions | Second code | ||||
| 0 | 1 | 2 | 3 | 4 | ||
| 0 | Cool-only/ Cool-Heat selection | Cool-Heat (Default) | Cool-only | / | / | |
| 1 | Indoor unit communication address setting | Yes (Default) | None | / | / | / |
| 2 | Auto-restart | Yes (Default) | None | / | / | / |
| 3 | Air filter cleaning reminding function | Cancel the reminding function | 1250 hours | 2500 hours (Default) | 5000 hours | 10000 hours |
| 5 | Remote receiving function | Yes (Default) | None | / | / | / |
| 6 | Centigrade/ Fahrenheit display | Centigrade | Fahrenheit | / | / | / |
TECHNICAL CERTIFICATION AND REQUIREMENT
EMC should conform to the CCC certification.
by Frigicoll
MAIN OFFICE
Blasco de Garay, 4-6
08960 Sant Just Desvern (Barcelona)
Tel. +34 93 480 33 22
http://home.frigicoll.es/
http://www.kaysun.es/en/
MADRID
Senda Galiana, 1
Poligono Industrial Coslada
Coslada (Madrid)
Tel. +34 91 669 97 01
Fax. +34 91 674 21 00
[email protected]

When the controller has been set to cool-only, then there is no HEAT mode.

























