THULE Omnistep double – 12v 500ALU

Read this installation instruction carefully. No guarantee will be allowed for wrong installation.
In order to meet the EN 1646-1 requirements, when extended, the step should not be higher than 400 mm from the ground and should be between 200 and 300 mm from the next step.
CONTENTS MOUNTING SET
Hex bolt DIN 933 – M10 x 50………………4
Washer DIN 125- M1O…………………………..8
Safety nut DIN 985 – M1O………………………4
Switch…………………………………..1
Covering plate…………………………1
Dcrew DIN 7981-2,9 x 9,5……….4
Flat connector F 4.8 x 0,5…………4
INSTALLATION OF THE STEP
These installatIon instructions are suggestions only. Because or the many different coach types, the installation requirements will vary (see fig. 2):
- right through the vehicle bottom,
- in rails incorporated in the bottom,
- on a special construction welded or bolted to the chassis.
- Extend the step by connecting 1zV DC to the motor of the step. Keep the purple wire against the positive pole and the orange one against the negative pole.
- Cut off the connection when the step is fully extended. DO NOT KEEP THE MOTOR UNDER TENSION FOR LONGER THEN 2 OR 3 SECONDS.
- Drill 4 holes diam. 9 mm according to the coordinates shown In fig.1.ikeep in mind that when retracted, the step is 40 mm out of the frame.
- Install the step.
- Check the operation of the step: keep the purple wire against the negative pole and the orange one against the positive pole of the battery: the Thule Step retracts.
Change the polarity (keep the purple wire against the positive pole and the orange one against the negative pole): the I hule Step extends.
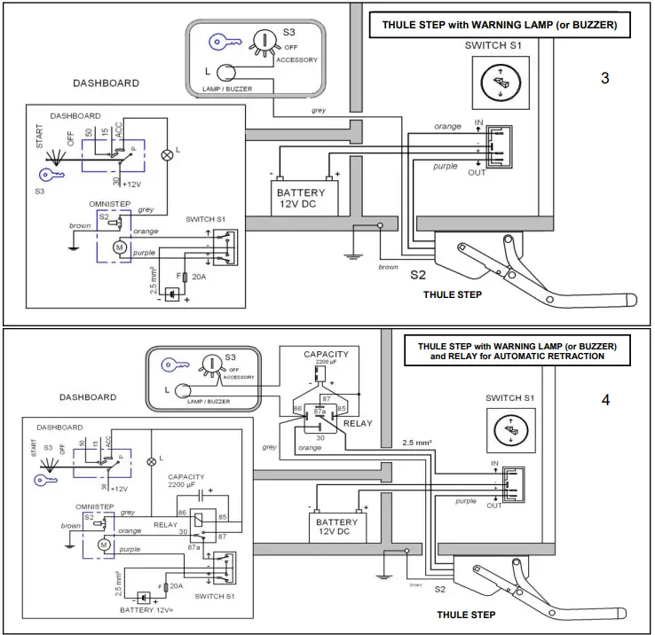
INSTALLATION OF THE SWITCH SI (fig. 3)
Install the switch near to the door.
- Drill a diam. 48 mm hole in the wal.
- Mount the covering plate with 4 screws DIN 7981-2.9 x 9,5.
Place an electric cable 2 x 2,5 mm2 from the battery to the switch via a 20A fuse in the + Conduction. In order to avoid short-circuit, wait before introduCing the fuse until the electric connection is completed.
Pass the motorwires of the Thule Step to the switch. - Provide the wires for the switch with flat connectors 4,8 F.
Make the electric connection as shown in figure 3. - Introduce the fuse into the fuseholder and try operating.
CONNECTION OFA WARNING LAMP (fig. 3)
A switch ($2), which is pushed when the step is retracted, is incorporated in the stepmotor. A warning light (L) can be connected to this switch.
Therefore current is taken:
- a) from the clamp of the electric accessories (position 1) of the key contact or
- b) from the relay which is activated by starting the engine. Connect the wire t0 a clamp which becomes positive.
- Connect this clamp over the warning light to the grey switch wire.
- Connect the brown switch wire to the negative pole of the battery.
Make sure to use the same battery as where the positive current comes from.
INSTALLATION OF THE SWITCH SI WITH AUXILIARY RELAY FOR AUTOMATIC RETRACTION AT START (fig. 4)
Ihe installation of the relay prevents the operation of the step whilst driving so that the installation meets the EMC standards 89/336/EEC.
Install the switch as described above.
- Fix the relay.
- Provide the wires for the relay with flat connectors 6,3 F.
- Make the electric connection as shown in figure 4
- Put an electrolytic capacitor 2200 microFarad 16 VDC onto the relais coil. This capacitor makes the step retract further,after the current has been disconnected by the Thule Step switch. In this way, the step is retracted until its endstop.
OPERATION
- The Thule Sterp is operated by the lever switch.
- IMPORTANT: When extending the step, hold the switch until the step is completely extended. NEVER MOUNT THE STEP IF RETRACTED OF IF NOT FULLY EXTENDED, because then the blocking is not working and the motor can be damaged.
- Check if the step is retracted before departure.
MAINTENANCE
Dirt and frost can prevent the step from operating properly. In this case the moving parts shuld be cleaned or defrosted.
All points of movement are layered in maintenance-free bearings.
IN CASE OF ELECTRICAL FAILURE
If the step does not retract by motor: Loosen the square connection according to fig. 5 (actions 1, 2 and 3), push the footboard in (4) and tie it to the frame (fig. 6).
CURRENT DRAWN
7 A. When fully extended or retracted: 19 A
OPTIONS
- ELECTRONIC Control bOx: Electronic control for activating the step by door. When opening or closing the door, the step is extended or retracts.
- Relay for automatic retraction when starting. The installation of this relay is necessary to meet the EMC standards 89/336/EEC.
Dimension


Diagram



Thule NV, Kortrijkstraat 343 – BE 8930 Menen, BELGIUM
[email protected]
www.thule.com




















