LEVEL RF-1620 Electronic Lock

OVERVIEW

INSTRUCTION

Installation guide
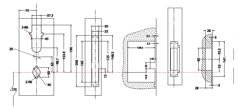
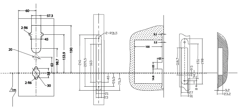
Drilling/Routing Template
(Please note drawings NOT to scale)
American (squared 7Omm Backset) lock case and keep (option 1)

European (radial 60mm Backset) lock case and keep (option 2)

Operating Guide
(Based on Level hotel lock management software user manual)
RFID Contactless
LEVEL Electronic Lock RF-1620 lock set can be operated via RFID (radio frequency identication) Specically MiFare 13.56Mhz key cards, key fobs, wristbands or even sticker tags.

If the RFID credential is valid when presented to the front panel it will sounda”beep”and activate the motor so the lever can be rotated downwards and inturn retracts the latch. The lock will also display a blue LED. Invalid credentials will show a red LED and blink a number of times, it is important to count the quantity of red blinks as this helps to diagnose the reason why access was rejected.
Smartphone App using BLE
BLE stands for Bluetooth Low Energy, the lock set allows an App (iOS and Android) to operate it. Ensure to be close by to the lock set, and that Bluetooth is enabled on the smartphone. Press the unlock icon on screen within the app, the red and blue LED will blink rapidly as the BLE key is being validated, and then if valid the same blue LED will display and a beep will sound.
Changes or modifications to this unit not expressly approved by the party responsible for compliance could void the user s authority to operate the equipment. to provide reasonable protection against harmful interference ina residential installation. This equipment generates uses and can radiate radio frequency energy and, not installed and used in accordance with the instructions, may cause harmful interference to radio communications. However, there I5 no guarantee that interference will not occur in a particular installation. If this equipment does cause harmful interference to radio or television reception, which can be determined by turning the equipment and on, the user is encouraged to try to correct the interference by one or more of the following measures:
- Reorient or relocate the receiving antenna.
- Increase the separation between the equipment and receiver.
- Connect the equipment into an outlet on a circuit dierent from that to which the receiver is connected.
- Consult the dealer or an experienced radio/TV technician for help.
TEL: +86-757-83998771/83998772/83998773
FAX: +86-757-83998770
Salels center: 3 Floor 67 bldg,.Shidongxia Road, FoShan, China.
E-mail: [email protected]
WEB: www.levellock.com
Production base: NO.I PingXi Industrial Park, PingZhou, NanHai, FoShan,China.



















