kinet technologies KTM5000 USB Type-C DisplayPort1.4 MST Hub

General Description
The KTM50x0 is an advanced DisplayPort1.4a MST hub with an integrated USB type-C de-multiplexer, targeted primarily for Mobile Notebook accessories and display applications. This device functions as a multi-stream audio-video splitter and protocol converter with an HDCP1.x/ HDCP2.3 repeater supporting both compressed (DSC) and uncompressed AV streams.
KTM50x0 has a DP alt-mode capable USB Type-C Upstream Facing Port (UFP). The four high-speed lanes of UFP can receive DP1.4a MST audio-video and USB3.2 Gen2 data streams simultaneously. The input lane mapping is flexible and meets standard DP or the USB Type-C connector with flip orientation requirements. The incoming DP and USB signals are de-multiplexed, retimed, and transmitted on the Downstream Facing Ports (DFP). The KTM50x0 consists of three AC-coupled DP/DP++ or DC coupled
HDMI/DVI DFPs, each with four high-speed lanes and one USB port with USB 3.2 TX and RX pair. The Stream Routing Logic in KTM50x0 allows flexible routing of incoming DP MST stream converted into any combination of MST or SST streams on any of the DFP video ports with link rate and lane count change option. Also, the SST stream can be replicated on two or more DFP ports. In addition, the DP SST stream can be converted into an HDMI or DVI output (TMDS signal format). The combo receiver in KTM50x0 supports all DP standard data rates up to HBR3 (8.1 Gbps/lane) and USB3.2 Gen1 (5.0 Gbps) and Gen2 (10.0 Gbps). The dual mode (DP++) transmitters support DP standard data rates up to 8.1 Gbps/lane and TMDS data rates up to 6.0 Gbps/lane. The side-band channel uses 1.0 Mbps Manchester-coded AUX signaling for DP and DDC signaling up to 100kbps for the HDMI interface
EVAL Kit Photo 
Reference Design EVAL Kit 
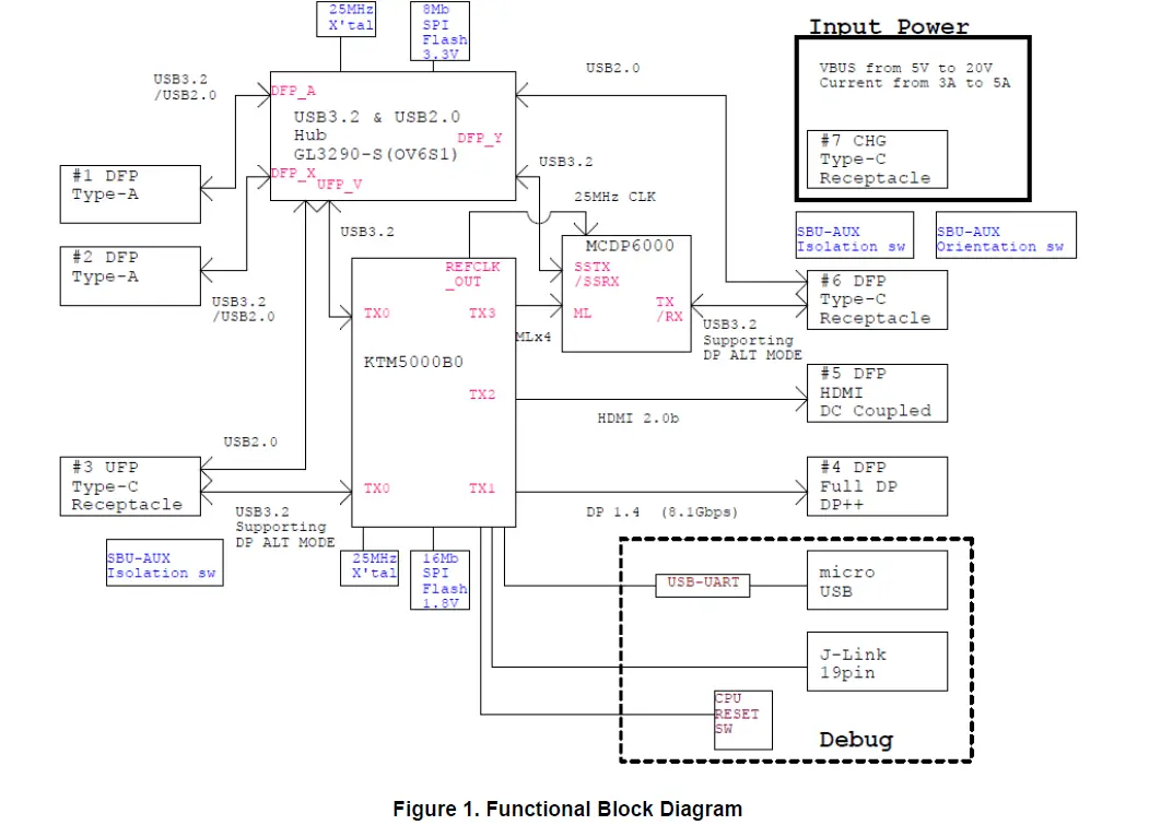
- DFP Type A: USB 3.2 GEN2 and USB 2.0
- DFP Type A: USB 3.2 GEN2 and USB 2.0
- UFP Type C: Up to 60 Watts and DP1.4 and USB 3.2 GEN2 /USB 2.0
- DFP TX1: DP++ (DP1.4b or HDMI 2.0b)
- DFP TX2: HDMI2.0b
- DFP TX3 Type C: USB GEN2 and DP Alt Mode
- DFP Type C Charger: 100 Watts Preferred. Minimum 35 watts is required to support all DFPs. (5 V Charger is not enough) UART: Debug and FW update
Connection Setup
- DFP Type C Charger is required to turn on RD4. UFP Type can’t power up
- RD4 board because RD4 is designed as the dock station.
- DPF Type C(TX3): Max 7.5 watt
Recommended Sequence: Not mandatory but in general
- Connect 100-Watt Type C Charger (> 35Watt) to PDF Type C Charger
- Connect PDF TX1 or TX2 or TX3 or both or all
- Connect UFP Type C
Evaluation Board Features
- DUT: KTM50x0
- Board Name: RD4-5000
- Power Supply:
- Type-C Charger 100 Watts Preferred. Minimum 35 watt required to support all DFPs
- Interfaces:
- Input: USB Type C / DP Alt mode Supporting Billboard Functionality
- Display Port: 1.62 / 2.74 / 5.4 / 8.1 Gbps, 1 /2 / 4 lane configuration
- USB3.2 GEN2 / USB 2.0:
- Outputs:
- TX1: DP++ (DP1.4/HDMI2.0b) transmitters supporting DP standard data rates up to 8.1 Gbps/lane
- TX2: HDMI2.0b TMDS data rates up to 6.0 Gbps/lane.
- TX3: Type-C: USB GEN2 and DP Alt Mode
- 2x USB3.2 SSPx1 operation with USB Type-A Connector as DFP/5Gbps, 10Gbps
- CPU Reset: 1x Push switch
- Charging Port: USB type-C Receptacle
- Handling voltage can be up to 20VDC as Power delivery specification
- Components
- 3x MCDP9000 (USB PD3.0 Type-C Port Controller)
- Small crystal operation: 25MHz with 2016 size (metric)
- 16Mbit SPI Flash: MX25U1633FM2I (default) or compatibles1.
- 8Mbit SPI Flash: W25Q80DVSNIG (default) or compatibles2.
- Protection Circuit
- ESD Diodes on
- RX: High-Speed Line and AUX/HPD
- TX2(HDMI): High-Speed Line and DDC
- USB3 SSP: High-Speed Line
- Pin header of G-Probe Interface (debug use)
System Overview 
Recommended Type-C Chargers for the board
Legal Notice
Copyright © Kinetic Technologies. Other names, brands and trademarks are the property of others. Kinetic Technologies assumes no responsibility or liability for the information contained in this document. Kinetic Technologies reserves the right to make corrections, modifications, enhancements, improvements, and other changes to its products and services at any time and to discontinue any product or service without notice. The information contained herein is believed to be accurate and reliable at the time of printing.
Reference Design Policy
This document is provided as a design reference and Kinetic Technologies assumes no responsibility or liability for the information contained in this document. Kinetic Technologies reserves the right to make corrections, modifications, enhancements, improvements and other changes to this reference design documentation without notice.
Reference designs are created using Kinetic Technologies’ published specifications as well as the published specifications of other device manufacturers. This information may not be current at the time the reference design is built. Kinetic Technologies and/or its licensors do not warrant the accuracy or completeness of the specifications or any information contained therein. Kinetic Technologies does not warrant that the designs are production worthy. The customer should completely validate and test the design implementation to confirm the system functionality for the end-use application. Kinetic Technologies provides its customers with limited product warranties, according to the standard Kinetic Technologies terms and conditions. For the most current product information visit us at www.kinet-ic.com
Life Support Policy
LIFE SUPPORT: KINETIC TECHNOLOGIES’ PRODUCTS ARE NOT DESIGNED, INTENDED OR AUTHORIZED FOR USE AS COMPONENTS IN LIFE SUPPORT DEVICES OR SYSTEMS. NO WARRANTY, EXPRESS OR IMPLIED, IS MADE FOR THIS USE. AUTHORIZATION FOR SUCH USE SHALL NOT BE GIVEN BY KINETIC TECHNOLOGIES, AND THE PRODUCTS SHALL NOT BE USED IN SUCH DEVICES OR SYSTEMS, EXCEPT UPON THE WRITTEN APPROVAL OF THE PRESIDENT OF KINETIC TECHNOLOGIES FOLLOWING A DETERMINATION BY KINETIC TECHNOLOGIES THAT SUCH USE IS FEASIBLE. SUCH APPROVAL MAY BE WITHHELD FOR ANY OR NO REASON.
“Life support devices or systems” are devices or systems that (1) are intended for surgical implant into the human body, (2) support or sustain human life, or (3) monitor critical bodily functions including, but not limited to, cardiac, respiratory, and neurological functions, and whose failure to perform can be reasonably expected to result in a significant bodily injury to the user. A “critical component” is any component of a life support device or system whose failure to perform can be reasonably expected to cause the failure of the life support device or system or to affect its safety or effectiveness.
SUBSTANCE COMPLIANCE
Kinetic Technologies IC products are compliant with RoHS, formally known as Directive 2002/95/EC of the European Parliament and of the Council of 27 January 2003 on the restriction of the use of certain hazardous substances in electrical and electronic equipment. However, this evaluation kit does not fall within the scope of the EU directives regarding electromagnetic compatibility, restricted substances (RoHS), recycling (WEEE), FCC, CE or UL, and may not meet the requirements of these or related directives. To the best of our knowledge, the information is true and correct as of the date of the original publication of the information. Kinetic Technologies bears no responsibility to update such statement.



















