

RUBY Mini Spray Gun with 0.8mm Nozzle
User Manual
RUBY Mini Spray Gun with 0.8mm Nozzle

Hobbynox RUBY Mini Spray Gun Set
First we want to thank you for purchasing the Hobby NOx RUBY mini spray gun set. The RUBY is a true workhorse and it’s perfect for booth painting and clear-coating medium to larger models or other hobby sized items.
It works equally good with water based non-toxic paints such as our Hobby NOx Airbrush Colors or similar from Create or Parma Fakelore and also thinner-based paints and automotive 2K urethane clear-coats.
Another good application is spraying Bitty design Liquid Mask (with the optional 1 mm needle set)!
The RUBY is a complete set that is ready to be used and it connects easily to the AS196AW Hobby NOx Airbrush Compressor or any other larger compressor that has an G1/8 male threaded coupler.
Included Items:
- Hobbynox RUBY – Mini Spray Gun Set – #HN001-00
- Nozzle/Needle – 0.8 mm
- Paint Cup – 125 ml plastic with screw-on lid
- Braided Hose – 3 m long – G1/4 Female & G1/8 Female
- Cleaning Brush, Small Paint Cup Filter & Printed Manual
Description
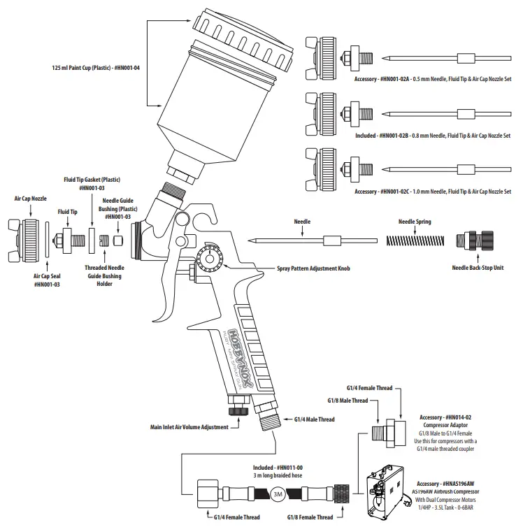
A. Needle. Out of the box there is a 0.8 mm needle set installed in your mini spray gun. To remove the needle, first unscrew the back-stop unit (F) and then carefully pull back the needle out of the spray gun body. There is an optional smaller 0.5 mm and a bigger 1.0 mm needle/ set to chose from if you want to experiment with more or less paint flow and coverage.
B. Air Cap Nozzle. The air cap nozzle unit is adjustable and it’s controlling the fan spray pattern of the mini spray gun. Loosen the main knob (B) and turn the front part (C) in any direction (mostly 90° or 180°), then tighten it again.
C. Fan Spray Nozzle. In the two front “ears” of the air cap nozzle there are two holes – they are”activated” if you turn the Spray Pattern Adjustment knob (G) out (counter clock-wise) – fully-out will give you a “flat” spray pattern. Turn the spray pattern knob fully-in (clockwise) then these holes are blocked and it will give you a circular spray pat-tern. See illustrations to the left.
D. Fluid Tip. If you unscrew the air cap nozzle (B) completely you will get to the 0.8 mm fluid tip that can be removed with a 8 mm key tool. There are 0.5 & 1.0 mm tip/needle sets available as options but most likely the included 0.8 mm set will be the best choice for most projects.
E. Trigger. It’s pulled back for more air and paint.
F. Back-Stop Adjustement. The rear nut is threaded to al-low adjustments of the back-stop movement of the nee-dle. That can be useful if one wants to limit the maximum possible paint flow (when the trigger is pulled fully in).
G. Spray Pattern Adjustement. Turning the knob anti-clockwise activates the two front spray pattern holes in the air cap nozzle (C).
H. Paint Cup. 125 ml with screw-on lid.
I. Inlet Air Adjustment. Adjust the inlet air while you paint so you don’t need to reach the compressor air regulator.
J. G1/4 Male Thread. Tighten the included hose adapter with medium force with a 16 mm key tool.
Parts List
HN001-02A ..RUBY – 0.5 mm Needle, Fluid Tip & Air Cap Nozzle Set …
HN001-02B ..RUBY – 0.8 mm Needle, Fluid Tip & Air Cap Nozzle Set …
HN001-02C ..RUBY – 1.0 mm Needle, Fluid Tip & Air Cap Nozzle Set …
HN001-03 ….RUBY – Sealing Set ……………………………
HN001-04 ….RUBY – 125 ml Paint Cup & Screw-On Lid …………..
HN011-00 ….Braided Hose 3m – G1/8 Female x G1/4 Female ………
HN014-00 ….Compressor T-Adapter – 2x G1/8 Male & G1/8 Female….
HN014-02 ….Compressor Adapter – G1/8 Male & G1/4 Female……..
HN017-00 ….Airbrush Holder 2+2 (with Air Regulator Holder) …….
HN013-01 ….Air Regulator & Manometer Unit …………………
Learning to Spray
The mini spray gun is not that different to use if you compare it to a normal airbrush. Basically it’s used for painting or clearcoating larger items where an airbrush just don’t cover it evenly.
With this mini spray gun you can use our Hobbynox Airbrush Colors for painting lets say a medium sized rc boat, rc airplane model or any other item that is too large for an airbrush and then you can apply a top-coat with automotive 2K urethane/ acrylic clear to protect the paint if necessary. Most of that type of spray painting can be done with the included 0.8 mm needle/tip set but there are 0.5 and 1.0 mm needle/tip sets available if you want to increase or decrease the amount of spray coverage (sold separately).
Thinning the Paint
Use the manufacturer recommended paint reducer. With modern water based paints though you may get away with using just water as a reducer but if you paint on the outside of a model and on for example a wood base (prepped & sealed with epoxy etc) then you should use the recommended reducer. At least do yourself a favor and buy a bottle of the manufacturer recommended reducer and test it to see the difference.
Not Enough Reducer:
- Excessive clogging of the airbrush tip/nozzle.
- Cobwebbing of the paint – as in the paint dries before it even hits the surface to be painted.
- You can hear a “dry notice” from the spray gun fluid tip while painting.
- Solution: Add more reducer and/or increase air pressure.
Too Much Reducer:
- Paint runs (that can also happen if you are airbrushing too close to the painted surface or too high air pressure).
- Paint coverage is weak.
- Solution: Increase the distance from the airbrush nozzle vs the surface to be painted, add more paint to the mix (making the paint mix thicker) and/or lower the air pressure.
Air Pressure
Normally the air pressure needs to be stable and constant and for that reason we recommend an airbrush compressor with an air tank and that it can at least produce around 35-40L liters of airflow per minute to be on the safe side with the RUBY mini spray gun set (Hobbynox AS196AW compressor).
The normal air pressure needed is mostly around 1.8-2 BAR but for thicker paints it can be used up to 3.5BAR.
Clear Coating
The mini spray gun can be used with 2K paints and clear coats. You can use most 2K paints and clear coats that are available on the market including 2K automotive acrylic/urethane such as a MS (Medium Solid content or HS (High Solid content) type. Use the manufacturers recommended hardener and reducer without any exception!
Note that our waterbased Hobbynox Airbrush Colors can be topcoated with a 2K acrylic/urethane clear for a really tough and durable finish!
Normally when you 2K paint or clear coat a model you can use a quite fast hardener to help with reducing the risk of runs.
When you have used any 2K paints, or clear coats, it’s important to clean the mini spray gun with laquer thinner immediately when you are done!
Spray Gun Issues
Normally any issues you will have regarding the function of your spray gun is due to not enough maintenance or that you have an air leak somewhere.
So of that reason the cleaning, disassembly and reassembly of your spray gun is the most important things to do correctly, and frequently, to get a good constant function.
If there is no paint coming through the tip/nozzle it’s most likely clogged with paint build-up. Clean it again and maybe increase the amount of reducer in the paint mix to reduce the clogging and maybe even increase the air pressure.
Cleaning Your Spray Gun
If you use our Hobbynox Airbrush Colors then you can use normal tap-water to clean most parts of your mini spray gun. Don’t let the paint sit in the spray gun for too long though or it can get difficult to flush out – it’s best to clean it directly after you are done painting. If water is not enough to remove the paint residue – Use our Hobbynox SP Reducer/Cleaner!
If you have used a solvent based paint/clearcoat use cellulose lacquer thinner to flush/clean it with.
Cleaning Procedure:
- Empty the paint cup from any remaining paint and clean it out with a paper towel.
- Fill the paint cup with some thinner/reducer and pull back the trigger and aim the spray gun down into a waste bin. Flush the spray gun with “thinner” until there is no visible paint left and that the liquid that is sprayed out is clean.
- Use an small nylon paint brush and some thinner to help remove any paint that is still left in the paint cup and other areas of the mini spray gun.
- Remove the fluid tip and needle and clean them with thinner.Assemble it again.
- Use a paper towel and thinner to clean the outside of the mini spray gun. Done.
Compressor After Use
When you are done painting and you have cleaned your airbrush thoroughly – empty the air tank of your compressor either by pressing the release valve under the airfilter/regulator or by unscrewing the tank draining plug. It’s also good advice to use the drain valve every once in a while to remove any moisture that trapped in the tank due to humidity and moisture in the air.
Brushes with Synthetic Bristles
We recommend that you get a couple of small paint brushes with synthetic bristles.
A synthetic brush will help you considerably when cleaning the mini spray gun of paint or clear coat that is not removed when you flush it with thinner.
Dental Mini/Micro Brushes
If you really want to clean the hard to reach areas of your mini spray gun there are mini- and micro-sized brushes available from your local pharmacy. Their main intended use is to brush between your teeth’s but they’re also excellent for cleaning the hard to reach spots in your mini spray gun!
There are several sizes available and you need to test which ones works the best for you – the ones we have tested is in the 0.5 to 0.7 mm range and they work very good.
AIRBRUSH COLORS
Wide Color Range
Hobbynox Airbrush Colors include a wide assortment of Solids (Opaque), Transparent, Neon’s, Pearls, Iridescent, Change and Glow colors.
For more Hobbynox Airbrush Color info visit us at:www.minicars.se
Your Airbrush/Spray Gun
Hobbynox Airbrush Colors work best out of the bottle with a 0.5 mm tip-sized airbrush operated @ 2.8-3.5 BAR or 0.5-0.8 mm tip/needle with our RUBY Mini Spray Gun @ 1.8-3.5BAR when painting larger models.
For smaller tip-sizes, lower the BAR settings and reduce the paint with Hobbynox SP Reducer/Cleaner until the desired viscosity and atomization is reached (normally 5-10% by volume and max up to 25%). After use: use normal water to flush out the remaining paint directly after use and finish off the
cleaning process with our SP Reducer/Cleaner to flush through the airbrush until it’s totally clean.
Water-Based & Non-Toxic
Our water-based, non-toxic airbrush paints are made with light-fast pigments, durable resins and quality ingredients.
Hobbynox Airbrush Colors works on polycarbonate (Lexan®) and most other plastics, wood, metals and more.
Hobbynox Airbrush Colors remains flexible and resists cracking, chipping and most impact damage.
If needed Hobbynox Airbrush Colors can be cleared with most 1K and 2K clear coats (including automotive top-coat clears).
Use Hobbynox Airbrush Colors to paint:
- RC Polycarbonate Bodyshells
- Custom Paint Jobs
- Fishing Lures & Crankbaits
- Model Kits
- RC Boats
- Helmets
- And More!
Temperature & Humidity
The optimum temperature range for using Hobbynox Airbrush Colors are 21-26°C and with less then 50% humidity.
Hobbynox Airbrush Colors cure with the assistance of mild-heat and airflow (use an hairdryer set on low to assist drying).
Hobbynox Solid Colors
Opaque/Solid paints are the base of the Hobbynox Airbrush Colors. They are suitable for any airbrush work and can be mixed with any other Hobbynox Airbush Color. Note that solid white is the color that needs most SP Reducer/Cleaner as it has the most dance pigment content of all our paints.
Hobbynox Transparent Colors
Perfect to use when fading/mixing with other transparent colors or back them with solid white for a lighter appearance, or any other Hobbynox Airbrush Color for a custom effect. Use either Pearl Silver or Pearl Gold backing for a pearl type look or Chrome for a deeper metallic look. They can be backed or mixed with any Hobbynox Airbrush Color.
Hobbynox Chrome Color
Chrome can be used as “silver” (faster drying and thinner, more transparent, than pearl silver) or backed with Solid Black for a brilliant satin chrome finish. Chrome can also be used to cover the transparent colors for a deep metallic look.
Hobbynox Pearl Colors
Pearl colors are vibrant paints made by combining pearlescent pigments of various type. A difference when compared to a metallic paint is that pearl colors are not limited to sparkle with silver alone and the color-effect looks a little deeper.
They are slightly transparent and can be backed or mixed with any Hobbynox Airbrush Color.
Hobbynox Iridescent Colors
The Iridescent Colors are Pearl paints with an added hue shift that changes it’s appearance mostly on contours and edges of the painted item. They are slightly transparent and can be backed or mixed with any Hobbynox Airbrush Color.
Hobbynox Neon Colors
Neon Colors are very vivid colors and are transparent so they need to be backed with solid white for optimum neon effect. Note that Neon Colors are not UV stable – they will eventually fade due to exposure of direct sunlight.
Hobbynox SP Reducer/Cleaner
Use SP Reducer/Cleaner with Hobbynox Airbrush Colors when a thinner paint viscosity is wanted/needed. Generally add 5-10% per volume to paint (especially the solid colors). It may be added in greater volumes to achieve best viscosity for optimum atomization of the paint (normally max up to 25%). After mixing with SP Reducer/Cleaner the mixed paint has a 72 hour pot-life.
Hobbynox Interco at-Clear 2-in-1 The Interco at-Clear 2-in-1 is a water-based polyurethane clear cover that can be used as a protective coat over Hobbynox Airbrush Colors or preferably directly mixed with the paint (5-10%) for improved spray performance, improved coating durability and urethane-like performance with automotive airbrushing on hard surfaces. Leveling/smoothness and airbrush/ spray gun flow on non-porous surfaces is greatly improved and our Airbrush Colors dry hard and durable faster when mixed with Interco at-Clear 2-in-1 (the dried paint can also be taped/ masked on also which is a nice feature).
If you are adding just a small amount of Interco at-Clear 2-in-1 into the paint it improves the appearance and performance greatly for a better looking finish!
Interco at-Clear 2-in-1 also serves as an adhesion promoter (for painting hard surfaces) when mixed with Hobbynox Airbrush Colors. Use the Interco at- Clear 2-in-1 mixed Airbrush Colors within 6 hours and keep mixed colors capped airtight after use.
Painting on the in- or outside
Note, the mentioned recommendations of “backing” colors is aimed at for when one is painting in “reverse” like painting on the inside of a transparent Lexan® R/C car bodyshell. When painting on the outside of the object you need to apply the base/covering color first and apply the top-color afterwards…
Not all colors are the same
Note, that there are differences even within a color group regarding how much they need to be reduced. In general the solid colors need more reducer then any other colors (especially solid white).

AIRBRUSH COMPERSSORS
Hobbynox AS196AW Compressor
The AS196AW compressor is perfectly matched to any of our smaller airbrushes but also the larger RUBY Mini Spray Gun.
- High capacity dual cylinder piston type compressor with air tank suitable for multiple airbrushes & mini spray gun
- Power: 1/4 HP
- Max Air Flow: 35-40 litre/minute
- Air Pressure Adjustable Range: 0-6 BAR
- Air Tank: 3.5 litre
- Dual Air Pressure Modes: One for airbrushing (4 BAR) and one for airfoils (6 BAR)
- Suitable airbrush nozzles: all sizes
- Air Outlet Thread: G1/8 (BSP) male
- Size: L350 x W140 x H360 mm
- Weight: 10.7 kg
Distributed in Europe by: Minicars Hobby Distribution AB Channelisation 17C 749 40 Encoding, Sweden
Phone: +46-171-14 30 00
E-mail: [email protected]
Web: www.minicars.se
FB: www.facebook.com/MinicarsHobbyDistributionAB/
Minicars Hobby Distribution AB
Phone: +46-171-14 30 00
E-mail: [email protected]
Web: www.minicars.se
Version: 2023-03-29


















