M1 GYS AUTO Single Phase Mig Mag Welder Machine User Manual








Optional
Balancing arm only (ref. 059276)


STANDARD
GENERAL INSTRUCTIONS
Read and understand the following safety recommendations before using or servicing the unit. Any change or servicing that is not specified in the instruction manual must not be undertaken.
The manufacturer is not liable for any injury or damage caused due to non-compliance with the instructions featured in this manual . In the event of problems or uncertainties, please consult a qualified person to handle the installation properly.
ENVIRONMENT
This equipment must only be used for welding operations in accordance with the limits indicated on the descriptive panel and/or in the user manual. The operator must respect the safety precautions that apply to this type of welding. In case of inadequate or unsafe use, the manufacturer cannot be held liable for damage or injury.
This equipment must be used and stored in a place protected from dust, acid or any other corrosive agent. Operate the machine in an open, or well-ventilated area.
Operating temperature: Use between -10 and +40°C (+14 and +104°F).
Store between -20 and +55°C (-4 and 131°F). Air humidity: Lower or equal to 50% at 40°C (104°F).
Lower or equal to 90% at 20°C (68°F). Altitude: Up to 1000 meters above sea level (3280 feet).
PROTECTION OF THE INDIVIDUALS
Arc welding can be dangerous and can cause serious and even fatal injuries. Welding exposes the user to dangerous heat, arc rays, electromagnetic fields, noise, gas fumes, and electrical shocks. People wearing pacemakers are advised to consult with their doctor before using this device. To protect oneself as well as the other, ensure the following safety precautions are taken :

WELDING FUMES AND GAS
The fumes, gases and dust produced during welding are hazardous. It is mandatory to ensure adequate ventilation and/or extraction to keep fumes and gases away from the work area. An air fed helmet is recommended in cases of insufficient air supply in the workplace. Check that the air intake is in compliance with safety standards.
Care must be taken when welding in small areas, and the operator will need supervision from a safe distance. Welding certain pieces of metal containing lead, cadmium, zinc, mercury or beryllium can be extremely toxic. The user will also need to degrease the workpiece before welding. Gas cylinders must be stored in an open or ventilated area. The cylinders must be in a vertical position secured to a support or trolley. Do not weld in areas where grease or paint are stored.
FIRE AND EXPLOSION RISKS
Protect the entire welding area. Compressed gas containers and other inflammable material must be moved to a minimum safe distance of 11 meters. A fire extinguisher must be readily available. Be careful of spatter and sparks, even through cracks. It can be the source of a fire or an explosion. Welding of sealed containers or closed pipes should not be undertaken, and if opened, the operator must remove any inflammable or explosive materials (oil, petrol, gas…). Grinding operations should not be directed towards the device itself, the power supply or any flammable materials.
GAS BOTTLE
⚠ Gas leaking from the cylinder can lead to suffocation if present in high concentrations around the work area. Transport must be done safely: Cylinders closed and product off. Always keep cylinders in an upright position securely chained to a fixed support or trolley. Close the bottle after any welding operation. Be wary of temperature changes or exposure to sunlight. Cylinders should be located away from areas where they may be struck or subjected to physical damage. Always keep gas bottles at a safe distance from arc welding or cutting operations, and any source of heat, sparks or flames. Be careful when opening the valve on the gas bottle, it is necessary to remove the tip of the valve and make sure the gas meets your welding requirements.
ELECTRIC SAFETY
The machine must be connected to an earthed electrical supply. Use the recommended fuse size. An electrical discharge can directly or indirectly cause serious or deadly accidents .
Do not touch any live part of the machine (inside or outside) when it is plugged in (Torches, earth cable, cables, electrodes) because they are connected to the welding circuit. Before opening the device, it is imperative to disconnect it from the mains and wait 2 minutes, so that all the capacitors are discharged. Do not touch the torch or electrode holder and earth clamp at the same time. Damaged cables and torches must be changed by a qualified and skilled professional. Make sure that the cable cross section is adequate with the usage (extensions and welding cables). Always wear dry clothes in good condition, in order to be insulated from the electrical circuit. Wear insulating shoes, regardless of the environment in which you work in.
For the United States and Canada, refer to the standard CAN/CSA-W117.2 concerning the protection against personal dangers for operators or persons working in close proximity of the welding machine (electric shock, fumes, gas , arc radiation, hot metal, sparks and noise).
EMC CLASSIFICATION
These Class A devices are not intended to be used on a residential site where the electric current is supplied by the public network, with a low voltage power supply. There may be potential difficulties in ensuring electromagnetic compatibility on these sites, because of the interferences, as well as radio frequencies.
This equipment (T1 GYS AUTO & T3 GYS AUTO) complies with IEC 61000-3-12, provided that the power of the short-circuit Ssc is equal to or greater than 1.4 MVA at the interface between the machine and the mains power network. It is the responsibility of the installer or user of the equipment to ensure if necessary by consulting the operator of the mains electricity, that the equipment is only connected to a power supply where the power of short-circuit ssc is equal to or greater than 1.4 MVA.
This equipment (M1 GYS AUTO & M3 GYS AUTO) does not comply with IEC 61000-3-12 and is intended to be connected to private low-voltage systems interfacing with the public supply only at the medium- or high-voltage level. On a public low voltage power grid, it is the responsibility of the installer or user of the device to ensure, by checking with the operator of the distribution network, which device can be connected.
ELECTROMAGNETIC INTERFERENCES
The electric currents flowing through a conductor cause electrical and magnetic fields (EMF). The welding current generates an EMF field around the welding circuit and the welding equipment.
The EMF fields may disrupt some medical implants, such as pacemakers. Protection measures should be taken for people wearing medical implants. For example, access restrictions for passers-by or an individual risk evaluation for the welders.
All welders should take the following precautions in order to minimise exposure to the electromagnetic fields (EMF) generated by the welding circuit::
- position the welding cables together if possible, attach them;
- keep your head and torso as far as possible from the welding circuit;
- never enrol the cables around your body;
- never position your body between the welding cables. Hold both welding cables on the same side of your body;
- connect the earth clamp as close as possible to the area being welded;
- do not work too close to, do not lean and do not sit on the welding machine
- do not weld when you’re carrying the welding machine or its wire feeder.
⚠ People wearing pacemakers are advised to consult their doctor before using this device.
Exposure to electromagnetic fields while welding may have other health effects which are not yet known.
RECOMMANDATIONS TO ASSES THE AREA AND WELDING INSTALLATION
Overview The user is responsible for installing and using the arc welding equipment in accordance with the manufacturer’s instructions. If electromagnetic disturbances are detected, it is the responsibility of the user of the arc welding equipment to resolve the situation with the manufacturer’s technical assistance. In some cases, this remedial action may be as simple as earthing the welding circuit. In other cases, it may be necessary to construct an electromagnetic shield around the welding power source and around the entire piece by fitting input filters. In all cases, electromagnetic interferences must be reduced until they are no longer bothersome.
Welding area assessment Before installing the machine, the user must evaluate the possible electromagnetic problems that may arise in the area where the installation is planned. . In particular, it should consider the following:
a) the presence of other power cables (power supply cables, telephone cables, command cable, etc…)above, below and on the sides of the arc welding machine.
b) television transmitters and receivers ;
c) computers and other hardware;
d) critical safety equipment such as industrial machine protections;
e) the health and safety of the people in the area such as people with pacemakers or hearing aids;
f) calibration and measuring equipment
g)The isolation of the equipment from other machinery. The user will have to make sure that the devices and equipments that are in the same room are compatible with each other. This may require extra precautions; h) make sure of the exact hour when the welding and/or other operations will take place. The surface of the area to be considered around the device depends on the the building’s structure and other activities that take place there. The area taken in consideration can be larger than the limits determined by the companies.
Welding area assessment Besides the welding area, the assessment of the arc welding systems intallation itself can be used to identify and resolve cases of disturbances. The assessment of emissions must include in situ measurements as specified in Article 10 of CISPR 11. In situ measurements can also be used to confirm the effectiveness of mitigation measures.
RECOMMENDATION ON METHODS OF ELECTROMAGNETIC EMISSIONS REDUCTION
- a. National power grid : The arc welding machine must be connected to the national power grid in accordance with the manufacturer’s recommendation. If interferences occur, it may be necessary to take additional preventive measures such as the filtering of the power supply network. Consideration should be given to shielding the power supply cable in a metal conduit. It is necessary to ensure the shielding’s electrical continuity along the cable’s entire length. The shielding should be connected to the welding current’s source to ensure good electrical contact between the conduct and the casing of the welding current source..
- b. Maintenance of the arc welding equipment : The arc welding machine should be be submitted to a routine maintenance check according to the manufacturer’s recommendations. All accesses, service doors and covers should be closed and properly locked when the arc welding equipment is on.. The arc welding equipment must not be modified in any way, except for the changes and settings outlined in the manufacturer’s instructions. The spark gap of the arc start and arc stabilization devices must be adjusted and maintained according to the manufacturer’s recommendations.
- c. Welding cables : Cables must be as short as possible, close to each other and close to the ground, if not on the ground.
- d. Electrical bonding : consideration should be given to bonding all metal objects in the surrounding area. However, metal objects connected to the workpiece increase the risk of electric shock if the operator touches both these metal elements and the electrode. It is necessary to insulate the operator from such metal objects.
- e. Earthing of the welded part : When the part is not earthed – due to electrical safety reasons or because of its size and its location (which is the case with ship hulls or metallic building structures), the earthing of the part can, in some cases but not systematically, reduce emissions It is preferable to avoid the earthing of parts that could increase the risk of injury to the users or damage other electrical equipment. If necessary, it is appropriate that the earthing of the part is done directly, but in some countries that do not allow such a direct connection, it is appropriate that the connection is made with a capacitor selected according to national regulations.
- f. Protection and plating : The selective protection and plating of other cables and devices in the area can reduce perturbation issues. The protection of the entire welding area can be considered for specific situations.
TRANSPORT AND TRANSIT OF THE WELDING MACHINE
Do not use the cables or torch to move the machine. The welding equipment must be moved in an upright position.
Do not place/carry the unit over people or objects.
Never lift the machine while there is a gas cylinder on the support shelf. A clear path is available when moving the item. The removal of the wire reel from the machine is recommended before undertaking any lifting operation.
Stray welding currents/voltages may destroy earth conductors, damage electrical equipment or cause components to warm up which may cause a fire.
- All welding connections must be firmly secured, check regularly !
- Check that the metal piece fixation is strong and without any electrical problems !
- Attach or hang all the electrically conductive elements, such as the trolley and slinging equipment, in order to insulate them
- Do not place any electrical equipment, such as drills or grinders, on top of the welding machine without insulating them !
- Always place welding torches or electrodes holders on an insulated surface when they’re not in use !
EQUIPMENT INSTALLATION
- Put the machine on the floor (maximum incline of 10°.)
- Ensure the work area has sufficient ventilation for welding, and that there is easy access to the control panel.
- The machine must be placed in a sheltered area away from rain or direct sunlight.
- The machine must not be used in an area with conductive metal dusts.
- The machine protection level is IP21, which means :
– Protection against access to dangerous parts from solid bodies of a 12.5mm diameter and,
– Protection against vertically falling drops. - The power cables, extensions and welding cables must be fully uncoiled to prevent overheating.
⚠ The manufacturer does not incur any responsibility regarding damages to both objects and persons that result from an incorrect and/or dangerous use of the machine .
MAINTENANCE / RECOMMENDATIONS
Maintenance should only be carried out by a qualified person. Annual maintenance is recommended.- Ensure the machine is unplugged from the mains, and wait for two minutes before carrying out maintenance work. DANGER High Voltage and Currents inside the machine.
- Remove the casing 2 or 3 times a year to remove any excess dust. Take this opportunity to have the electrical connections checked by a qualified person, with an insulated tool.
- Regularly check the condition of the power supply cable. If the power cable is damaged, it must be replaced by the manufacturer, its after sales service or an equally qualified person.
- Ensure the ventilation holes of the device are not blocked to allow adequate air circulation.
- Do not use this equipment to thaw pipes, to charge batteries, or to start any engine.
RISK OF INJURY DUE TO MOVING PARTS!
The wire feeders contain moving parts that may catch hand, hair, clothes or tools which can lead to injuries! Take extra care.
- Do not place your hand on mobile/pivoting/wire feeding parts of the machine!
- Make sure that all panels remain closed when in use !
- Do not wear gloves when feeding the wire through or changing reel.
Minimum and maximum filler metal diameter : Ø 0,6 Ø 0,8 – Ø 1,0 mm Minimum and maximum wire speed: 1 m/min to 15 m/min Maximum gas pressure : 0,5 MPa (5 bars).
DESCRIPTION
Thank you for your choosing this product. In order to get the best from your purchase, please read with care the following instructions:
The M1 GYS AUTO, T1 GYS AUTO, M3 GYS AUTO and T3 GYS AUTO are «synergic» semi-automatic welding units on wheels, ventilated for welding (MIG or MAG). They are recommended to weld steel, stainless steel, aluminium and for “MIG Brazing” of high-tensile strength steels with CuSi and CuAl wires (ideal for car body repairs). Their adjustment is quick and easy with their « synergic wire speed » function. The T1 GYS AUTO and T3 GYS AUTO work on 3-phase 400V or on 230V/400V – 3 phase for the T1 GYS AUTO DV and T3 GYS AUTO DV. he M1 GYS AUTO and M3 GYS AUTO work on single phase 230V or on 208/240V for the M1 GYS AUTO 208/240V and M3 GYS AUTO 208/240V.
ELECTRICITY SUPPLY
The absorbed current (I1rms) is indicated on the device, for its maximum setting. Check that the power supply and its protection (fuse and/or circuit breaker) are compatible with the current needed by the machine. The device must be positioned so that the socket is always accessible.
– T1 GYS AUTO and T3 GYS AUTO are supplied with a 16 A type 3P + N + E plug according to IEC 60309-2. – M1 GYS AUTO and M3 GYS AUTO are delivered with a 16 A single-phase plug type JT 003-B with earth connector.
– The M1 GYS AUTO and M3 GYS AUTO have to be connected to a single phase power supply – 230V earthed power supply with a circuit breaker 16A and 1 differential 30mA. – The T1 GYS AUTO, T3 GYS AUTO, T1 GYS AUTO DV and T3 GYS AUTO DV have to be connected to a 3-phase power supply – 400V earthed power supply with a a circuit breaker 16A and 1 differential 30mA. Do not use with extension leads with a cable cross section below 2.5mm².
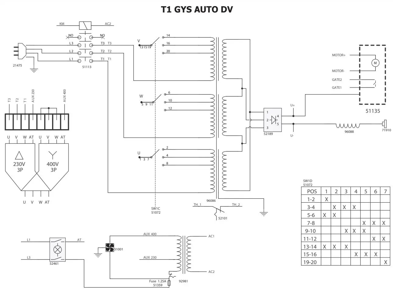
– Only for T1 GYS AUTO DV and T3 GYS AUTO DV: 3-phase power supply – 230V, WARNING: this device is pre-assembled at the factory on 3-phase 400V. If your electrical installation is on 3-phase 230V, amend the connections on the terminal block inside the product. This operation must be done by a skilled and qualified person. Please see electrical diagram 230V located inside the product. The power supply must be protected by a 16A circuit breaker and 1 differential 30mA.< (See electrical diagram at the end of the manual).
– For the M1 GYS AUTO 208/240V and M3 GYS AUTO 208/240V: Single phase power supply 208V, WARNING: this device is pre-assembled at the factory on single phase 240V. If your electrical installation is single phase 208V, amend the connections on the terminal block inside the product. This operation must be done by a skilled and qualified person. Please see electrical diagram 208V located inside the product. The power supply must be protected by a circuit breaker
16A and 1 differential 30mA.< (See electrical diagram at the end of the manual)
CONTROLS AND FEATURES (FIG I & II)
- switch On-Off
- 7 positions power adjustment switch : allows adjustment of the welding voltage at the generator output. The adjustment of the output voltage is proportional to the thickness of the material to weld. (fig 6)
- welding settings adjustment keyboard (manual or automatic mode)
- A- European standard torch coupling
- spool on gun coupling command
- torch support
- supply cable (2m M1GYS AUTO, 3m T1GYS AUTO, 6m T3 GYS AUTO and M3 GYS AUTO).
- out earth cable for T1 GYS AUTO and M1 GYS AUTO, earth cable with a 200A clamp for T3 GYS AUTO and M3 GYS AUTO.
- gas bottles support (max 1 bottle 4m³ for M1 GYS AUTO, T1 GYS AUTO and max 2 bottles 4m³ for T3 GYS AUTO, M3 GYS AUTO).
- fastening chain for bottles
- reel support 200/300 mm
- solenoid valve torch 1
- torch cable support T3GYS GYS AUTO : 4B- spool gun spark lamp power connection
- solenoid valve torch 2
- reel support 200 mm 16- solenoid valve for spool gun
- wheel drive system
SEMI-AUTOMATIC WELDING FOR STEEL/STAINLESS STEEL (MAG MODE)(FIG III)
These welding can weld 0.6/0.8 and 1.0 mm steel and stainless steel wires (fig III-A). The device is capable of working with Ø 0.8 mm steel wire (contact tube Ø 0.8, roller Ø 0.6/0.8 and Ø 0.8/1.0 mm). If you need to use Ø 0.6mm wire, you will have to change the contact tube, and ensure that the reversible rollers in the wire feeder are positioned correctly (so that the writing that states “0.6mm” is visible when in place). For Steel or Stainless Steel, you will need to use specific gas – Argon + CO2 (Ar + CO2). The proportion of CO2 will vary depending on usage. The gas flow in steel is between 8 and 12L / min depending on the environment and experience of the welder. For the specific requirements, seek advice from your gas distributor.
SEMI-AUTOMATIC WELDING FOR ALUMINIUM (FIG III)
These welding can weld 0.8 and 1mm aluminium wires (fig III-B). To weld aluminium, neutral gas “pure argon” (AR) is required. When choosing gas, ask a gas distributor for advice. The gas flow in aluminium should be between 15 and 25 L / min depending on the environment and experience of the welder. Things to note when welding with Aluminium: – Pressing rollers: use special motorcycle press rollers for aluminium to avoid deforming the wire cross-section. – Set the pressure rollers of the wire feeder on the wire at the minimum pressure so as not to pinch the wire – When welding aluminium use a special aluminium torch with Teflon sheath to reduce friction.It is used to guide the wire from the rollers. (diagram III-B ) – If using a specific aluminium torch is not an option, replace the metal the liner in the steel torch by a Teflon sheath. – Wire guide tube in the wire feeder connector : remove the tube before connecting the aluminium torch with Teflon liner. – DO NOT cut the sheath near the edge of the connector !! This sheath guides the wire from the rollers (fig III-B). – Contact Tip of the torch : Use the specific Aluminium contact tip corresponding to the diameter of the wire.
SEMI-AUTOMATIC BRAZING WELDING FOR HIGH-TENSILE STRENGTH STEELS
These welding are recommended by car manufacturers to braze-weld high-tensile strength plates with a cuprosilicium CusI3 wire or cuproaluminium CuAl8 wire (Ø 0.8 mm and Ø 1 mm). The welder must use a neutral gas: pure argon (Ar). For specific gas requirements, seek advice from your gas distributor. The gas flow required s between 15 and 25 L / min.
GAS CONNECTION (FIG II)
Connect the manometer (flowmeter) to the gas bottle (manometer not supplied with the product).For use with one or two bottles of gas. To connect two bottles of gas to three torches, split the pipe into 3 pieces and attach a 3-way “Y” connector. (fig II-C ) To link a single bottle of gas with 3 torches, cut the pipe into 4 pieces and attach two 3-way “Y” connectors. Connect each bottle to the solenoid valves in the following order: -T1 GYS AUTO solenoid valve to the top left (fig II-B:12) -Spool gun solenoid to the top right (fig II-B:16) -T3 GYS AUTO solenoid valve to the bottom (fig II-B:14) To avoid any gas leaks, always use the collars supplied with the product.
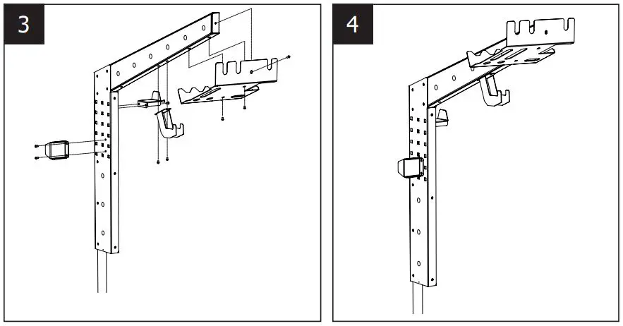
PROCESS OF REELS AND TORCHES ASSEMBLY (FIG 4)
Open the device trapdoor.
– Place the reel on the driving pin (fig IV-2) of the reel support.
– Adjust the reel brake (fig IV-3) to avoid the reel inertia tangling the wire when welding stops. In general, do not tighten too much!
– The electrical roller (fig IV-4) is a double groove roller (0,6/ 0,8 and 0,8/1). The indication on the visible side of the roller is the diameter in use. For a 0,8 wire, use the 0,8 groove.
– For the first use:
– Release the fixing screw of the wire guide.
To set the adjusting knob of the pressing rollers (fig IV-5), proceed as follow: loosen the knob fully, start the motor by pressing the torch trigger, tighten the adjustment knob whilst pressing the trigger. Bend the wire where it comes out of the nozzle and hold it in place to stop its progress. The setting is correct when the guide roller slides over the wire even when it is blocked at the end of the torch. A common adjustment is the rollers command (fig IV-5) on the scale 3 for steel and 2 for aluminium. Nb: for the aluminium wire put a minimum pressure in order not to crush the wire.
CHOICE OF REELS
Possible settings :

«MANUAL» MODE (FIG V)
- welding mode choice : – Normal (2T) : standard two-stage welding – Delay: intermittent welding modes for an optimised operating procedure. – Spot: spot-welding with adjustable spot diameter
- Wire speed settings : wire speed fitting potentiometer. The speed varies from 1 to 15L/minute.
- Spot/delay potentiometer fitting
- Manual mode : In manual mode, the wire speed is determinate by the user by adjusting the potentiometer (2).
- Synergic mode: position the potentiometer (2) in the middle of the «optimal synergic» zone. In this mode, the device determines the optimal wire speed according to 3 parameters : – Voltage – Wire diameter (5a) – The power mode (5b). It’s possible to adjust the wire speed +/-. In position Normal(2T), 2 modes are proposed to ease the settings of the device: Manual or Synergic.
- thermal protection light : informs when a short break is necessary following intensive use.
«MANUAL» MODE (FIG V)
To set your device, proceed as follow:
– Choose the welding voltage using the 7 positions switch Example: position 1 for 0,6 mm metal sheets and position 7 for 4 mm metal sheets.
– Adjust the wire speed with the potentiometer(2).
Advice: The wire speed adjustment is often determinate « with the noise »: the arc must be stable and have a low crackling. If the speed is too low, the arc is not continuous. If the speed is too high, the arc crackles and the wire pushes back the torch.
«SYNERGIC» MODE (FIG V)
This function will set the wire speed automatically.
For this: Position the wire speed potentiometer (2) in the middle of the« Optimal synergic » zone. -Select: -The wire type (5b) -The wire diameter (5a) The power mode (7 position switch), to select the right position in accordance with the thickness of the part to weld, please refer to the table (fig VI)
From this combination, they determines the optimal wire speed and the device is ready to weld. It is also possible to adjust the wire speed if necessary by adjusting potentiometer (2) + or manually. A memory of the last welding configuration is done (wire diameter, wire type, mode).
GAS choice (only for steel welding) : In synergic mode, it’s determines the welding settings in accordance with the gas used. By default, in steel welding the machine is set in « Argon + CO2 ». To change the gas and set the machine in C02 mode or come back in Argon + CO2 mode, process as explained:
1-Press « Type » for 5 seconds until the keyboard switches off the release. 2-Within 5 seconds, choose the required setting with the key « choose mode ». -Normal (2T) => Argon + CO2 (default setting) -Delay => CO2 100%
3-The confirmation is done either by the « Type » key, or by waiting for 5 seconds. 4-Once confirmed, the machine reverts to the normal functioning mode but the modification is registered even when the machines is switched off.
SPOT MODE (FIG V) This function allows spot welding. To adjust the length of each spot, use the potentiometer (3).
DELAY MODE (FIG V) Allows intermittent welding, the delay can be adjusted through the potentiometer (3). This function allows welding very thin steel or aluminium metal sheet, limiting the risk of piercing and distortion (especially for aluminium welding).
SPOOL GUN (OPTION) Spool gun description and functioning – The spool on gun torch must be installed on the torch T1 GYS AUTO connector. – The spool on gun works either in « Manual » mode or either in « Synergic » mode. – In « manual » or « Synergic » mode, only the wire speed adjustment knob on the torch (4) is active (the wire speed potentiometer of the device is not active).
-« Synergic » mode:
-Place the wire speed knob on the torch (4) at the middle of its area then adjust if necessary.

- Hood Opening/closing knob
- Reel holding nut
- Reel locknut (do not tighten too much)
- Rollers tension adjusting screw
- Wire speed adjusting knob
Assembly process
Reel : – Open the hood (1) – Remove the reel holding nut (2) (NB. : no reversed screw) – Tighten the locknut (3) to bulge the reel axis (do not tighten too much) – Insert the reel-To insert the wire in the rollers, apply pressure on the «roller tension setting screw »
Torch: – Pull out the wire of the torch 1 in winding up the reel. – Pull out the torch 1. – Plug the power connector of the spool on gun on the connector. – Plug the control connector of the spool gun-Place the switch on position 1.
ADVICE AND THERMAL PROTECTION
– Respect the basic rules of welding.
– Leave the air holes of the device open to allow air circulation.
– Leave the device plugged after welding to allow its cooling.
– Thermal protection: The light (fig V-6) turns on and the cooling duration is a couple of minute according to the area temperature.



TECHNICAL SPECIFICATIONS


SPARE PARTS





SYMBOLS




CIRCUIT DIAGRAM
















ACCESORIES

WARRANTY
The warranty covers faulty workmanship for 2 years from the date of purchase (parts and labour).
The warranty does not cover:
- Transit damage.
- Normal wear of parts (eg. : cables, clamps, etc..).
- Damages due to misuse (power supply error, dropping of equipment, disassembling).
- Environment related failures (pollution, rust, dust).
In case of failure, return the unit to your distributor together with:
– The proof of purchase (receipt etc …)
– A description of the fault reported
GYS SAS – 1, rue de la Croix des Landes – CS 54159
53941 SAINT-BERTHEVIN Cedex
FRANCE
Maintenance should only be carried out by a qualified person. Annual maintenance is recommended.

















