
ThermoPlus AS2
Programmable Room Thermostat
Installation Instructions

The ThermoPlus AS2 Programmable Room Thermostat offers a number of pre-installed heating profiles which are easily set-up by the installer or user to provide maximum comfort. Once complete, user operations are kept to a minimum by using the +/ – and Warm / Cool buttons on the front of the unit.
The ThermoPlus contains a selection of five pre-set and one adjustable profile options, one of these options should have been set by the Installer to meet your heating requirements. Care should be taken to ensure the correct profile is selected that most suits your lifestyle. Details on how to change the selected profile are located on page 9 of this guide.
INSTALLATION AND CONNECTION OF THE THERMOPLUS AS2 SHOULD ONLY BE CARRIED OUT BY A SUITABLY QUALIFIED PERSON. ALWAYS CONSULT THE SPECIFIC BOILER MANUFACTURERS INSTALLATION INSTRUCTIONS BEFORE COMMENCING THE INSTALLATION.
WARNING : ISOLATE MAINS SUPPLY BEFORE COMMENCING INSTALLATION
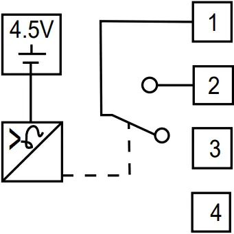
Internal and external wiring connections
Internal Wiring Connections

- LIVE (LINE)
- LOAD (HEAT)
- NOT USED
- N (PARKING)
– The ThermoPlus AS2 has Voltage Free contacts.
– The ThermoPlus AS2 is battery powered.
Rear View of the ThermoPlus

1 – Connector pins
2 – Capacity label
3 – Production date label
4 – Batteries
Wiring Diagrams
An example circuit diagram for a typical combination boiler installation is shown below. This diagram is schematic and should be used as a guide only.
Please ensure that all installations comply with the current IET regulations and the boiler manufacturers installation instructions.
For reasons of space and clarity not every connection has been included and the diagram has been simplified, for instance some Earth connections have been omitted.

Fitting the backplate (part 1)
To remove the Backplate from the AS2 press the two lugs located on the underside, the backplate should now be easily removed. Mounted on the backplate is a wiring block, this will need to be removed to enable the wiring connections to be made.
To remove the connection block hold the backplate with the back facing you and pull gently down on the release lever(see below) the block will now be easily removed, please remember to keep this safe until required.
Now position the Backplate to the wall in the position where the ThermoPlus is to be mounted, remembering that the Backplate fits to the left hand end of the thermostat. Mark the fixing positions through the slots in the Backplate, drill and plug the wall. The slots in the Backplate will compensate for any misalignment of the fixings.

Rear view of back plate
DO NOT FIT THE BACKPLATE AT THIS TIME.
Additional information if mounting box fitting
The Backplate may be fitted directly on to a single gang steel flush wiring box complying with BS4662, using two M3.5 screws. ThermoPlus thermostats are suitable for mounting on a flat surface only, they must not be positioned on a surface mounted wall box or on unearthed metal surfaces.
Electrical Connections
All necessary electrical connections should now be made to the wiring block. The Backplate has been design to allow for both flush and surface mounted wiring. PLEASE NOTE – The Backplate must not be altered or modified, it has been specifically designed to isolate the mains supply when the AS2 is removed for battery change.

- Live (Line)
- Load (Heat)
- Not Used
- N (Parking)
If you require a replacement Backplate contact the sales office on the telephone number located on the rear of this guide. The ThermoPlus is double insulated and does not require an Earth connection. If replacing an existing thermostat Earth continuity must be maintained and all bare Earth conductors must be sleeved. Ensure that no conductors are left protruding outside the central space enclosed by the Backplate.
Fitting The Backplate (Part 2)
The wiring block, once all the wiring connections have been made, must be returned and secured to the Backplate. Hold the block with the screws uppermost and push firmly into the Backplate (see diagram).

FRONT VIEW OF BACKPLATE
The connector block will now click in to place. The Backplate can now be mounted directly on to the fixing points established.
Fitting The Thermostat
– If surface wiring has been used, remove the knockout/insert from the bottom of the thermostat to accommodate it.
– Fit the thermostat to the Backplate, ensure the lugs on the Backplate engage with the slots on the thermostat.
– Swing the bottom of the thermostat into position ensuring that the connection pins on the back of the unit locate into the terminal slots in the Backplate.

End view of the thermoplus
Commissioning The Thermostat
ThermoPlus Programming Mode
Once the ThermoPlus has been installed, please press buttons 1 and 2 simultaneously to enter the programming mode, this will allow you to;
– Check the current time / date / year is correct
– Set a profile suitable for the end user.

Upon completion of the instructions above, please ensure that you explain operation of this thermostat to the user and hand over the user guide as supplied.
Time and Date Check
The ThermoPlus thermostat has been pre-set with the current time and date during manufacture. No alteration should be required to the time and date, however if any modification is required please refer to the flowchart below.

Setting User Profiles – One to Five
The ThermoPlus contains a selection of five pre-set profile options, one of these must be set by the Installer. It is vital that care is taken to ensure a profile is selected that suits the lifestyle of the householder concerned. The flow chart below is designed to easily guide you through the process of setting the required profile. Profiles one to five are detailed on page 8 and 9 of the user guide.
PLEASE NOTE: If none of the provided profiles meet the users requirements it is possible to set a user defined profile (6), full details are given on page 10 of the user guide.

Profiles one to five have fixed programmes, they can be reviewed by pressing the set button once the selection process detailed above has been completed. To set a custom profile please refer to the instructions on page 10 of the user guide.
General information
Before handing over the installation to the user, always ensure that the system responds correctly on all control programmes and that other electrically operated equipment and controls are correctly adjusted.
EXPLAIN HOW TO OPERATE THE CONTROLS AND HAND OVER THE USER OPERATING INSTRUCTIONS TO THE USER.
Reset Procedure
Please note; Using this procedure will restore the ThermoPlus to the original factory programme settings, the time setting will also default to 1st January 2005.
Resetting the ThermoPlus AS2
On the ThermoPlus AS2 press the ‘UP’ and DOWN’ arrow buttons together:
– Then release the buttons and the thermostat will return to preset factory settings.

The ThermoPlus AS2 is battery powered and is intended for applications where no mains supply is available to operate the unit. To conserve battery life there is an 8 second auto power down mode on the indicator lights and the display back light. The LED target temperature display will remain on, but not back-lit, at all times. The LED indicators will illuminate whenever the +/- or ‘Warm/Cool’ buttons are pressed. The Back-lit display will operate whenever any of the buttons located under the flap are pressed.
Frost Protection
The Blue button situated under the flap will initiate the frost protection mode when pressed, the word ‘STANDBY’ will appear on the display. The thermostat has been preprogrammed with a frost protection temperature level of 7°C, this can be adjusted by using the up and down arrow buttons.
Specification ThermoPlus AS2
| Electrical | |
| Purpose of Control | Electronic Programmable Thermostat (Independently Mounted) |
| Supply | 4.5 Volt (3 x AA alkaline batteries) Nominal battery life >2 years. With lithium battery reserve |
| Contact Rating | 3(1)Amps (230 V AC) |
| Contact Type | Micro-Interruption |
| Insulation | Class II |
| Control Action | 1B |
| Operating Time Limitation | Intermittent |
| Software Class | Class A |
| Temperature Control Range | 5°C – 30°C (1°C Steps) |
| Temperature Accuracy at 20°C | ± 0.25°C (Wet Central Heating System) |
| Temperature Differential (Hysteresis) | <0.5°C (At 4°C/hour) |
| Display | LCD (Backlit) |
| Clock | 24 Hour (1 minute steps) |
| Switch time Adjustment | 15 minute steps |
| Programme Selection | Auto/Standby |
| Operating Periods | 3 |
| Override | Instant Warm/Cool |
| Mechanical | |
| Dimensions | 120mm x 90mm x 32mm |
| Case Material | Thermoplastic, flame retardant |
| Ball Pressure Test Temperature | 75°C |
| Mounting | Independently wall mounted wallplate, or onto a flush single gang wiring box (to Bs4662) |
| Environmental | |
| Impulse Voltage Rating | Cat II 2500V |
| Enclosure Protection | Ip30 |
| Pollution Degree | Degree 2 |
| Operating Temperature Range | 0°C to +40°C |
| Compliance | |
| Design Standards | EN 60730-2-9, BS EN 60730-1, BS EN 60730-2-9 |

Secure Meters (UK) Ltd
Secure House, Lulworth Close,
Chandler’s Ford,
Eastleigh, SO53 3TL, UK 
t: +44 1962 840048 f: +44 1962 841046
www.securemeters.com
Part Number 82345 Issue 6



















