
OPAL Plus
Outdoor dual technology motion detector
Firmware version 3.00
opal_plus_en 03/21
SATEL sp. z o.o.
ul. Budowlanych 66
80-298 Gdask
POLAND tel. +48 58 320 94 00
www.satel.eu
IMPORTANT
The device should be installed by qualified personnel. Prior to installation, please read carefully this manual.
Changes, modifications or repairs not authorized by the manufacturer shall void your rights under the warranty.
SATEL aims to continually improve the quality of its products, which may result in changes in their technical specifications and software. Current information about the changes being introduced is available on our website. Please visit us at: https://support.satel.eu
The declaration of conformity may be consulted at www. satel.eu/ce
The following symbols may be used in this manual:
– note,
– caution.
The OPAL Plus detector detects motion in the protected area. It is designed for outdoor use. This manual applies to the detector with electronics version D. The detector meets the requirements of the EN 50131-2-4 standard for Grade 2.
The Grade 2 certificate applies to indoor use. The outdoor use of the detector (despite full Grade 2 functionality) is not covered by the certificate (there is no standard for the outdoor detectors).
Features
- Motion detection with two sensors: passive infrared sensor (PIR) and microwave sensor (MW).
- Digital motion detection algorithm.
- Digital temperature compensation.
- Pet immunity up to 20 kg.
- Immunity to false alarms caused by objects moving but not changing their position (e.g. branches of trees).
- Creep zone.
- Microwave-based anti-mask feature.
- Dusk sensor.
- The capability of separate sensor configuring / testing.
- Sensitivity configuration by means of OPT-1 keyfob.
- Three LED indicators.
- Remote LED enable / disable.
- Remote configuration mode enable / disable.
- Supervision of motion detection system and supply voltage.
- Tamper protection against cover removal and tearing enclosure from the wall.
- Weatherproof enclosure featuring a very high mechanical strength.
Description
The alarm will be triggered when the infrared sensor (PIR) and microwave sensor detect motion within a time period shorter than 4 seconds.
Anti-mask feature
Detection by the microwave sensor of an object moving at a distance of 10-20 centimeters from the detector is interpreted as an attempt to mask the detector and results in activation of anti-mask output for two seconds. Objects permeable to microwaves, but isolating the infrared radiation are not detected by the anti-mask feature.
The anti-mask feature meets the EN 50131-2-4 requirements.
Dusk sensor
Figure 1 shows the way the dusk sensor operates. On the timeline, the T time delay is presented (in operating mode T=3 min, in configuration mode T=3 s). Illustrated with the letter H light intensity hysteresis and time delay make the sensor immune to short and accidental changes of light intensity. Table 1 presents light intensity values for three out of sixteen programmable detection thresholds of the sensor (see “Configuring the detector”).

Supervision features
In the event of the voltage drop below 9 V (± 5%) for more than 2 seconds or the motion detection system failure, the detector will signal trouble. The trouble is indicated by the activation of alarm output and the steady light of all LED indicators. The trouble signaling will continue as long as the trouble persists.
LED indicators
The LEDs indicate:
- warm-up all LEDs flashing alternately for about 40 seconds;
- motion detected by microwave sensor green LED ON for 4 seconds;
- motion detected by PIR sensor yellow LED ON for 4 seconds;
- alarm red LED ON for 2 seconds;
- trouble all LEDs ON for the entire duration of the trouble.
The LEDs are also used in the configuration mode (see: “Configuring the detector”). You can enable/disable the LEDs. When disabled, the LEDs will not indicate the states described above.
Enabling the LEDs by using a jumper
If you put a jumper across the LED pins, the LEDs will be enabled, i.e. they will indicate the events described above (the LED indicators can’t be enabled/disabled remotely). If you do not put a jumper across the pins, the LEDs will be disabled, but they can be enabled / disabled remotely.
Remote LEDs enable / disable
The LED terminal is provided to allow remote LEDs to enable/disabled. When the terminal is connected to common ground, the LEDs are enabled. When the terminal is disconnected from common ground, the LEDs are disabled.
If the detector is used in the INTEGRA / INTEGRA Plus alarm system, you can connect to the terminal the OC type control panel output programmed e.g. as “Zone test status” or “BI switch”.
Remote configuration mode enable / disable
The SVCE terminal is provided to allow remote configuration mode enable/disable. The configuration mode is enabled when the terminal is connected to the common ground. If the detector is used in the INTEGRA / INTEGRA Plus alarm system, you can connect to the terminal the OC type control panel output programmed e.g. as “Service mode status” or “BI switch”.
Electronics module
Do not remove the plastic cover from the circuit board to prevent damage to the components located on the board.
Do not touch the pyroelectric sensor, so as not to soil it.
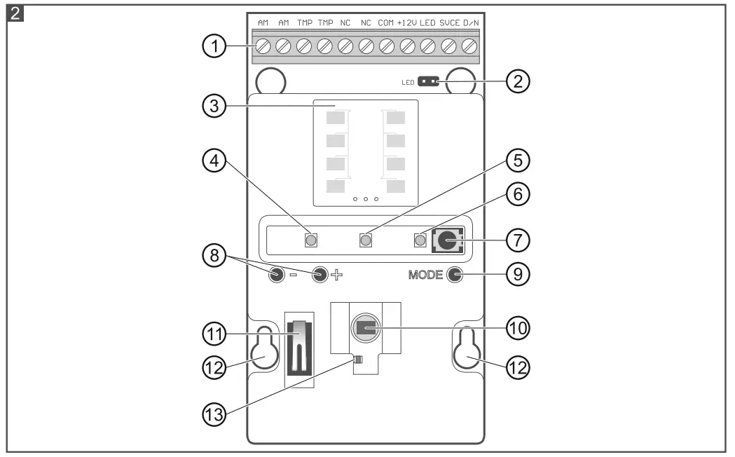
- terminals:
AM – anti-mask output (NC relay).
TMP – tamper output (NC).
NC – alarm output (NC relay).
COM – common ground.
+12V – power input.
LED – remote LED control.
SVCE – remote control of configuration mode.
D/N – dusk sensor output (OC type output). - pins to enable/disable the LED indicators.
- microwave sensor.
- green LED.
- red LED.
- yellow LED.
- infrared receiver allowing to configure the detector by means of OPT-1 keyfob. The keyfob is offered by SATEL.
- buttons used during sensors sensitivity setting. MODE button used for the detector configuration (see: “Configuring the detector”).
- PIR sensor (dual element pyro sensor).
- tamper switch activated by cover removal.
- fixing screw holes.
- dusk sensor.
On the other side of the electronics module, there is a tamper switch activated by removing the detector from the wall.
When mounting the detector on the angle or ball bracket, it is necessary to install an additional tamper switch (it is included in the detector delivery set).
Installation
Disconnect power before making any electrical connections.
If the detector is to be pet immune, it should be mounted at 2.4 m height with no vertical tilt. It is especially important when mounting on a ball bracket.
- Install the detector at the recommended height (Fig. 3-I).
- If traffic nearby or objects moving out of the protected area cause an alarm, move the detector slightly downwards or reduce the detector sensitivity (Fig. 3-II).
- Install the detector so that the expected movement of an intruder will be across the coverage pattern (Fig. 3-III).
- Don’t install the detector closer than 3 meters from the moving objects (e.g. tree branches, bushes, laundry etc.) (Fig. 3-IV).
- Don’t direct the detector on reflective surfaces or on fans or a heat source (Fig. 3-V).

When putting two or more cables into the enclosure, it is advisable to place them in a heat shrink tube. It reduces the risk of getting water into the enclosure.
- Remove the front cover (Fig. 4).
- Remove the electronics module (Fig. 5).

- Make the opening for cable in the enclosure base.
- Mount the enclosure base to the wall (see: “Wall mounting”), to the angle bracket (see: “Angle bracket mounting”) or to the ball bracket (see: “Ball bracket mounting”). In Figure 6 possible ways of mounting the detector are shown.
- Fasten the electronics module in the enclosure base.
- Connect the wires to the corresponding terminals.
- Configure the detector (see: “Configuring the detector”). 8. Replace the cover.

Wall mounting
- Run the cable through the opening in the enclosure base.
- Using wall plugs (screw anchors) and screws, fasten the enclosure base to the wall.
Angle bracket mounting
- Attach extra tamper switch:
screw the holder to the tamper switch (Fig. 7-I),
screw the tamper unit to the enclosure base (Fig. 7-III).
Figure 7 shows mounting the tamper switch in one of two available positions. The place of tamper switch installation depends on the way of angle bracket mounting. If the tamper switch is to be installed in the other position, place the tamper switch holder on the other side. - Prepare openings in the bracket for screws and a cable.
- Pass the cable through the prepared opening.
- Using wall plugs (screw anchors) and screws, fasten the bracket to the wall.
- Run the cable through the opening in the enclosure base.
- Using screws, fasten the enclosure base to the bracket (Fig. 7-IV).

Ball bracket mounting
- Attach extra tamper switch:
screw the holder to the tamper switch (Fig. 8-I),
put the unit making the surface bigger on the tamper switch (Fig. 8-II),
screw the tamper unit to the ball bracket (Fig. 8-IV). - Run the cable through the opening in the handle of the bracket.
- Using wall plugs (screw anchors) and screws, fasten the ball bracket to the wall (Fig. 8-V).
- Run the cable through the opening in the enclosure base (Fig. 8-VI).
- Using screws, fasten the enclosure base to the ball bracket (Fig. 8-VII).

Connecting the additional tamper switch
The additional tamper switch is provided with three wires:
– black - common wire,
– blue - wire for NC circuit,
– grey – wire for NO circuit.
The tamper switch can be connected in series to the detector tamper output (TMP) or to an additional tamper circuit.
Configuring the detector
The detector allows you to configure the working parameters of each sensor separately:
– detection sensitivity of the microwave sensor,
– detection sensitivity of the PIR sensor,
– detection threshold of the dusk sensor.
Each sensor has 16 sensitivity thresholds.
All parameters set in the configuration mode are written in the detector non-volatile memory and are retained even after power loss.
If the detector is to be pet immune, for the infrared and microwave sensors do not set the detection sensitivity higher than the default.
Starting configuration mode
Press the detector MODE button for 2 seconds or apply the common ground to the SVCE terminal. After starting the configuration mode, the green LED starts to blink, it means that you can configure the sensitivity of the microwave sensor.
Signaling in the configuration mode
The way in which LEDs operate during the configuration of the sensors is as follows:
The microwave sensor
green LED blinking informs of microwave sensor configuration, blinking frequency informs of sensitivity (higher blinking frequency = higher sensor sensitivity), yellow LED signals motion detection ON for 2 seconds.
The PIR sensor
yellow LED blinking informs of PIR sensor configuration, blinking frequency informs of sensitivity (higher blinking frequency = higher sensor sensitivity), green LED signals motion detection ON for 2 seconds.
The dusk sensor
red LED blinking informs of dusk sensor configuration, blinking frequency informs on the set detection threshold (higher blinking frequency = higher detection threshold), yellow LED ON when the light intensity is below the set threshold.
Reaching the bottom or top limit of the adjustment setting is indicated by the LED which is ON for 3 seconds.
Configuring by means of the detector buttons
By pressing buttons – (value decreasing) and + (value increasing) set the sensitivity / the detection threshold of the sensor.
Pressing buttons – and + simultaneously restores default settings for the configured sensor. Keeping the buttons pressed for 3 seconds restores default settings for all sensors.
Press the MODE button briefly in order to proceed and configure another sensor. Blinking of the proper LED will indicate which sensor is being configured (see: “Signaling in the configuration mode”).
Configuring by means of OPT-1 keyfob
The OPT-1 keyfob is available in SATEL’s product range.
Point the keyfob towards the detector and by pressing buttons
(value decreasing) and
(value increasing) set the sensitivity/detection threshold of the sensor.
Pressing the button
restores default settings for the configured sensor.
By pressing
(the next sensor) or
(the previous sensor) go to another sensor configuration. Blinking of the proper LED will indicate which sensor is being configured (see: “Signaling in the configuration mode”).
Ending configuration mode
Press the detector MODE button for 2 seconds or remove the common ground from the SVCE terminal.
If the configuration mode was activated by means of the MODE button, it is automatically exited after 20 minutes since the last operation performed by the user.
Start-up and walk test
- Power up the detector. All LEDs will begin alternately blinking for 40 seconds, which indicates the detector warm-up.
- When the LEDs stop blinking, check that moving within the coverage area will make the LED light-up red. Figure 9 shows the coverage areas of the motion detector (a – minimum, b – default, c – maximum, d – creep zone).

Separate testing of sensors
Testing of the sensors is done in the detector configuration mode. Starting the mode, choosing the sensor and the way of changing sensitivity are described in detail in the chapter “Configuring the detector”.
- Start the configuration mode.
- Choose the sensor to be tested.
- Check that moving in the coverage area will make the violation signaling LED light up.
- If it is needed, readjust sensitivity and check the sensor operating.
Specifications
Supply voltage ………………………………………………………………………………………. 12 VDC ±15%
Standby current consumption ………………………………………………………………………………15 mA
Maximum current consumption…………………………………………………………………………….22 mA
Outputs
alarm (NC relay, resistive load) …………………………………………………………. 40 mA / 24 VDC
anti-mask (NC relay, resistive load) ……………………………………………………. 40 mA / 24 VDC
tamper (NC) ………………………………………………………………………………….. 100 mA / 30 VDC
D/N dusk sensor (OC type output)……………………………………………………… 50 mA / 12 VDC
Relay contact resistance
alarm output………………………………………………………. 34 Ω
anti-mask output …………………………………………………. 34Ω
Microwave frequency ………………………………………………………………………………………..24 GHz
Detectable speed ………………………………………………………………………………………… 0.3…3 m/s
Alarm signaling period…………………………………………………………………………………………….. 2 s
Warm-up period …………………………………………………………………………………………………… 40 s
Recommended installation height …………………………………………………………………………. 2.4 m
Security grade according to EN 50131-2-4 …………………………………………………………. Grade 2
Standards complied with ……………………..EN50131-1, EN 50131-2-4, EN50130-4, EN50130-5 IP code………………………………………………………………………………………………………………..IP54
Environmental class according to EN50130-5 ……………………………………………………………. IIIa
Operating temperature range……………………………………………………………………….-40…+55 °C
Maximum humidity …………………………………………………………………………………………….93±3%
Dimensions ……………………………………………………………………………………… 65 x 138 x 58 mm
Detector weight (without a bracket)……………………………………………………………………….. 176 g






















