STEGO ETF 012 Electronic Hygrotherm

WARNING: There is a risk of personal injury and equipment damage if the connection values are not observed or polarity is incorrect!
DIMENSIONS
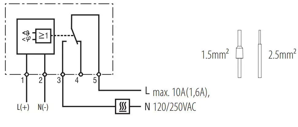
CIRCUIT
FEATURES

USAGE
The electronic temperature and humidity regulators are used to switch heaters, cooling equipment, filter fans or signal devices on or off if the temperature or humidity value rises above or falls below an adjustable or preset reference value. The controllers must only be used in stationary, sealed housings for electrical devices. There is a default response delay of approximately 5 sec. The external sensor with cable can detect the temperature decentrally (observe temperature range!).
Versions
- Internal temperature and humidity sensor
- External temperature and humidity sensor
Safety considerations
- Installation must only be performed by qualified electrical technicians in observation of the respective national power-supply guidelines (IEC 60364).
- The safety measures according to VDE 0100 are to be ensured.
- The technical specifications on the type plate must be strictly observed!
- No changes or modifications must be made to the device.
- In case of apparent damage or malfunction, the device may not be repaired or put into operation. (Dispose of device.)
Installation guidelines
- The regulator should be installed in the upper area of the electric cabinet as far as possible from heaters or other heat-generating components.
- Alternatively, the external sensor enables detection of heat/humidity far from the regulator.
- The device must not be covered.
- The device must not be operated in environments with aggressive atmospheres.
- The device is to be installed vertically, i.e. with the connection terminals at the bottom.
- Mode of operation: 1.C
- The device must only be operated in an environment that ensures contamination class 2 (or better) in accordance with IEC 61010. Contamination class 2 means that only non-conductive contamination may occur. However, it is likely that there will occasionally be temporary
conductivity caused by condensation.
- Rated impulse voltage: 4kV
Humidity function
If the relative humidity exceeds the value set on the humidity dial, the electric circuit is closed via terminals 5-3. LED illuminates. Temperature function If the ambient temperature drops below the value set on the temperature dial, the electric circuit is closed via terminals 5-3. LED illuminates. If
the ambient temperature rises above the value set on the temperature dial, the electric circuit is opened via terminals 5-3.
Notice: The manufacturer accepts no liability in the case of failure to observe this brief instruction, improper use and changes or damage to the device.






















