
E-VOL20
Volume Control![]()
Introduction
The APart E-VOL20 is a 100 Volt volume control that can handle up to 20 watts of power.
It is very durable due to the step-by-step attenuation in 11 steps + zero position.
The volume control is equipped with a 24V priority relais. This way a microphone call will always come through at maximum volume, no matter what position the volume control is in.
The E-VOL20 is built on a universal chassis that can easily be integrated with Gira, Jung, and Euro. Different cover plates are available for the UK market.
Please avoid
- Please avoid any power overload, and measure your speaker lines before connecting.
- In reality, a lot of speakers have a much higher load than the value listed in their specifications.
Our APART speakers are specially engineered within their specifications, so no risk of overload when using them! - Please never apply clipped or overloaded levels from your amplifier to this volume control.
It may cause overheating and damage! Our APART amplifiers are automatically limited to avoid such distorted signals!
Tech. Specifications
- Type: Euro
- Handling power: 20 watt
- Voltage: 100 Volt
- 24V priority: Yes (20mA)
- Attenuation steps : 11 + “0”
- Build-in box: E-MODIN
- Build-on box: E-MODON
- Dimensions (H x W x D) : 80 x 80 x 70 mm
- Weight: 0.3 Kg
- Colour: white
2-WIRE CONNECTION

4-WIRE CONNECTION WITH PRIORITY

What does a priority system do?
When the volume controller is turned to 0 there is no background music. (e.g. meeting room, office)
At this moment if there is a microphone call the information is lost.
With the priority system connected, the volume control is set to maximum volume during the microphone calls.
In this way, there is no information lost.
To be able to use a priority system you need the following components :
– Volume controller with priority relay
– Amplifier with 24Volts priority output contact (24Volts / 1A: you can connect up to 50pcs of volume controllers)
– 4-wire cable connection
– Microphone (MICPAT-D)
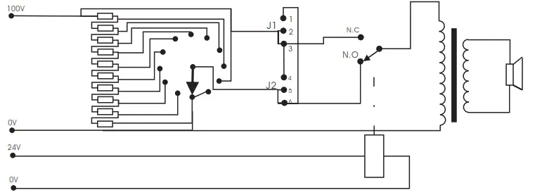
PRIORITY RELAY SYSTEM
Please note that the volume control can also be used without this priority system or 24 V dc.
The priority system is often used for emergency announcements or to allow the paging to come thru at maximum level for a clear understanding.
As a standard, with jumpers set on 2-3 and 5-6, the relay will bypass the volume control to obtain the maximum level when 24Vdc is applied.
For special safety emergency applications with the inverted operation mode, the jumpers can be moved to 1-2 and 4-5.
In this case, 24Vdc and thus the relay will always be activated for normal operation with the volume control.
The volume control will be bypassed and set to its maximum as soon as the 24Vdc is cut off.
Introduction
The APart E-VOL20 is a 100 Volt volume control that can handle up to 20 watts of power.
It is very durable due to the step-by-step attenuation in 11 steps + zero position.
The volume control is equipped with a 24V priority relais. This way a microphone call will always come through at maximum volume, no matter what position the volume control is in.
The E-VOL20 is built on a universal chassis that can easily be integrated with Gira, Jung, and Euro. Different cover plates are available for the UK market.
Please avoid
- Please avoid any power overload, and measure your speaker lines before connecting.
- In reality, a lot of speakers have a much higher load than the value listed in their specifications.
Our APART speakers are specially engineered within their specifications, so no risk of overload when using them! - Please never apply clipped or overloaded levels from your amplifier to this volume control.
It may cause overheating and damage! Our APART amplifiers are automatically limited to avoid such distorted signals!
Tech. Specifications
- Type: Euro
- Handling power: 20 watt
- Voltage: 100 Volt
- 24V priority: Yes (20mA)
- Attenuation steps : 11 + “0”
- Build-in box: E-MODIN
- Build-on box: E-MODON
- Dimensions (H x W x D) : 80 x 80 x 70 mm
- Weight: 0.3 Kg
- Colour: white
2-WIRE CONNECTION

4-WIRE CONNECTION WITH PRIORITY

What does a priority system do?
When the volume controller is turned to 0 there is no background music. (e.g. meeting room, office)
At this moment if there is a microphone call the information is lost.
With the priority system connected, the volume control is set to maximum volume during the microphone calls.
In this way, there is no information lost.
To be able to use a priority system you need the following components :
– Volume controller with priority relay
– Amplifier with 24Volts priority output contact (24Volts / 1A: you can connect up to 50pcs of volume controllers)
– 4-wire cable connection
– Microphone (MICPAT-D)
Mounting
- Keep the inside of the wall box clear of all wires, this is to prevent short circuits between the wires in the wall box and the printed circuit of the volume controller.
- Don’t use solid copper conductor wires, the screw connectors on the printed circuit board of the volume, and controller are designed for flexible wires.
- Don’t connect more than one wire to each onboard screw connector of the volume controller.
- Don’t use force when mounting the volume controller in the wall box.

Introduction
The APart E-VOL20 is a 100 Volt volume control that can handle up to 20 watts of power.
It is very durable due to the step-by-step attenuation in 11 steps + zero position.
The volume control is equipped with a 24V priority relais. This way a microphone call will always come through at maximum volume, no matter what position the volume control is in.
The E-VOL20 is built on a universal chassis that can easily be integrated with Gira, Jung, and Euro. Different cover plates are available for the UK market.
Please avoid
- Please avoid any power overload, and measure your speaker lines before connecting.
- In reality, a lot of speakers have a much higher load than the value listed in their specifications.
Our APART speakers are specially engineered within their specifications, so no risk of overload when using them! - Please never apply clipped or overloaded levels from your amplifier to this volume control.
It may cause overheating and damage! Our APART amplifiers are automatically limited to avoid such distorted signals!
Tech. Specifications
- Type: Euro
- Handling power: 20 watt
- Voltage: 100 Volt
- 24V priority: Yes (20mA)
- Attenuation steps : 11 + “0”
- Build-in box: E-MODIN
- Build-on box: E-MODON
- Dimensions (H x W x D) : 80 x 80 x 70 mm
- Weight: 0.3 Kg
- Colour: white
2-WIRE CONNECTION

4-WIRE CONNECTION WITH PRIORITY

What does a priority system do?
When the volume controller is turned to 0 there is no background music. (e.g. meeting room, office)
At this moment if there is a microphone call the information is lost.
With the priority system connected, the volume control is set to maximum volume during the microphone calls.
In this way, there is no information lost.
To be able to use a priority system you need the following components :
– Volume controller with priority relay (E-VOL60, E-VOL120)
– Amplifier with 24Volts priority output contact (24Volts / 1A: you can connect up to 60pcs of volume controllers)
– 4-wire cable connection
– Microphone (MICPAT-D)
Mounting
- Keep the inside of the wall box clear of all wires, this is to prevent short circuits between the wires in the wall box and the printed circuit of the volume controller.
- Don’t use solid copper conductor wires, the screw connectors on the printed circuit board of the volume controller are designed for flexible wires.
- Don’t connect more than one wire in each onboard screw connector of the volume controller.
- Don’t use force when mounting the volume controller in the wall box.
Introduction
The APart E-VOL20 is a 100 Volt volume control that can handle up to 20 watts of power.
It is very durable due to the step-by-step attenuation in 11 steps + zero position.
The volume control is equipped with a 24V priority relais. This way a microphone call will always come through at maximum volume, no matter what position the volume control is in.
The E-VOL20 is built on a universal chassis that can easily be integrated with Gira, Jung, and Euro. Different cover plates are available for the UK market.
Please avoid
- Please avoid any power overload, and measure your speaker lines before connecting.
- In reality, a lot of speakers have a much higher load than the value listed in their specifications.
Our APART speakers are specially engineered within their specifications, so no risk of overload when using them! - Please never apply clipped or overloaded levels from your amplifier to this volume control.
It may cause overheating and damage! Our APART amplifiers are automatically limited to avoid such distorted signals!
Tech. Specifications
- Type: Euro
- Handling power: 20 watt
- Voltage: 100 Volt
- 24V priority: Yes (20mA)
- Attenuation steps : 11 + “0”
- Build-in box: E-MODIN
- Build-on box: E-MODON
- Dimensions (H x W x D) : 80 x 80 x 70 mm
- Weight: 0.3 Kg
- Colour: white
2-WIRE CONNECTION

4-WIRE CONNECTION WITH PRIORITY

What does a priority system do?
When the volume controller is turned to 0 there is no background music. (e.g. meeting room, office)
At this moment if there is a microphone call the information is lost.
With the priority system connected, the volume control is set to maximum volume during the microphone calls.
In this way, there is no information lost.
To be able to use a priority system you need the following components :
– Volume controller with priority relay
– Amplifier with 24Volts priority output contact (24Volts / 1A: you can connect up to 50pcs of volume controllers)
– 4-wire cable connection
– Microphone (MICPAT-D)
Mounting
- Keep the inside of the wall box clear of all wires, to prevent short circuits between the wires in the wall box and the printed circuit of the volume controller.
- Don’t use solid copper conductor wires, the screw connectors on the printed circuit board of the volume controller are designed for flexible wires.
- Don’t connect more than one wire in each onboard screw connector of the volume controller.
- Don’t use force when mounting the volume controller in a wall box.
Introduction
The APart E-VOLST is a stereo volume control that can handle up to 2 x 40 watts in 4 ohms.
It can be used with a standard HiFi amplifier to adjust the loudspeaker volume. It is very durable due to the step-by-step attenuation in 10 steps.
The E-VOLST is built on a universal chassis that can easily be integrated with Gira, Jung and Euro.
Different cover plates are available for the UK market.
Tech. Specifications
- Type: Euro
- Handling power: 2 x 40 watt
- Impedance: Minimum 2 x 4 Ohm
- 24V priority: No
- Attenuation steps: 10
- Build-on box: E-2MODON
- Build-in box: NA
- Dimensions (H x W x D) : 80 x 80 x 76 mm
- Weight: 0.32 Kg
- Colour: white
Mounting
- Keep the inside of the wall box clear of all wires, this is to prevent short circuits between the wires in the wall box and the printed circuit of the volume controller.
- Don’t use solid copper conductor wires, the screw connectors on the printed circuit board of the volume of the controller are designed for flexible wires.
- Don’t connect more than one wire in each onboard screw connector of the volume controller.
- Don’t use force when mounting the volume controller in the wall box.

- MAX MUSIC POWER 40 WATT
- IMPEDANCE: 4-20 OHM
Do not connect a loudspeaker with an impedance lower than 4 ohms, this can permanently damage the unit

















