
ELX200 Passive Loudspeakers
Installation manual
Safety
ELX200 Passive Loudspeakers
Safety
1.1 Important safety instructions
- Read these instructions.
- Keep these instructions.
- Heed all warnings.
- Follow all instructions.
- Clean only with a dry cloth.
- Do not install near any heat sources such as radiators, heat registers, stoves, or other apparatus (including amplifiers) that produce heat.
- Only use attachments/accessories specified by the manufacturer.
- Use only with the cart, stand, tripod, bracket, or table specified by the manufacturer, or with the apparatus. When a cart is used, use caution when moving the cart/apparatus combination to avoid injury from tip-over.
1.2 Suspension
Warning!
Suspending any object is potentially dangerous and should only be attempted by individuals who have a thorough knowledge of the techniques and regulations of suspending objects overhead. Electro-Voice strongly recommends all loudspeakers be suspended taking into account all current national, federal, state, and local laws and regulations. It is the responsibility of the installer to ensure all loudspeakers are safely installed in accordance with all such requirements. When loudspeakers are suspended, Electro-Voice strongly recommends the system be inspected at least once per year or as laws and regulations require. If any sign of weakness or damage is detected, remedial action should be taken immediately. The user is responsible for making sure the wall, ceiling, or structure is capable of supporting all objects suspended overhead. Any hardware used to suspend a loudspeaker not associated with Electro-Voice is the responsibility of others.
Warning!
Do not suspend this product in any other manner than explicitly described in this manual, or Electro-Voice installation guides. Do NOT use handles to suspend the loudspeaker. Handles on Electro-Voice loudspeakers are intended to only be used for temporary transport by people. Items, such as fiber rope, wire rope, cables, or other types of materials cannot be used to suspend the loudspeaker from the handles.
1.3 Precautions
| Do not use Electro-Voice loudspeakers in an environment where temperatures are below 0°C (32°F) or exceed +40°C (104°F). | |
| Never expose an Electro-Voice loudspeaker to rain, water, or high moisture. |
Electro-Voice loudspeakers are easily capable of generating sound pressure levels sufficient to cause permanent hearing damage to anyone within normal coverage distance. Caution should be taken to avoid prolonged exposure to sound pressure levels exceeding 90 dB.
1.4 Notices
Old electrical and electronic appliances
Electrical or electronic devices that are no longer serviceable must be collected separately and sent for environmentally compatible recycling (in accordance with the European Waste Electrical and Electronic Equipment Directive).
To dispose of old electrical or electronic devices, you should use the return and collection systems put in place in the country concerned.
Copyright and disclaimer
All rights reserved. No part of this document may be reproduced or transmitted in any form by any means, electronic, mechanical, photocopying, recording, or otherwise, without the prior written permission of the publisher. For information on getting permission for reprints and excerpts, contact Electro-Voice.
The content and illustrations are subject to change without prior notice.
Description
Thank you for choosing an Electro-Voice passive loudspeaker system. Please take time to consult the manual to understand all the features built into your EV system and fully utilize its performance capabilities.
ROCK SOLID SOUND: Electro-Voice ELX200 portable loudspeakers
The ELX200 series is the newest member of the best-selling Electro-Voice portable loudspeaker family. Positioned above ZLX and below the EKX series, the ELX200 series
features ten models (five powered and five passive), including 10-inch, 12-inch, and 15-inch two-way models, and 12-inch and 18-inch subwoofers.
The ELX series is designed to deliver an unprecedented combination of sound quality, portability, and durability at its price point. All-new custom components—tested to levels far exceeding the industry norm—make ELX200 a robust workhorse capable of handling real-world abuse and professional applications beyond the capability of competitors’ products in its category.
Every aspect of ELX200 is designed for ideal results as part of the whole – the acoustical, electrical, and mechanical components all work together seamlessly. The full-range models feature a low profile form factor designed with a high-spec composite enclosure to balance weight, manageability, as well as structural integrity. The subwoofers pack powerful low-frequency output into a surprisingly compact footprint and feature tuned 15 mm thick wood enclosures with a premium top-coat finish. The proprietary features that have made the other members of the EV portable speaker family a go-to for best-in-class performance are also present: Signal Synchronized Transducers (SST) waveguide
concept.
EV’s industry-leading quality and testing procedures yield efficient transducer design and meaningful specs, resulting in components that deliver accurate, linear response at the
system’s highest output levels. Translation: loud and clear all the way up to the limit. Unified in one of the strongest full-range composite enclosures ever built by EV. The LX200 is established as the new benchmark for toughness – both acoustically and physically; maximum efficiency with maximum toughness.
2.1 Short information
The following table lists products in a family, with CTN (Commercial Type Number) and identifying product name DESCRIPTION.
| CTN | Description |
| ELX200-10 | 10″ 2-Way passive speaker |
| ELX200-12 | 12″ 2-Way passive speaker |
| ELX200-15 | 15″ 2-Way passive speaker |
| ELX200-12S | 12″ passive subwoofer |
| ELX200-18S | 18″ passive subwoofer |
| ELX200-10-W | 10″ 2-Way passive speaker, white |
| ELX200-12-W | 12″ 2-Way passive speaker, white |
CTN | Description |
| ELX200-15-W | 15″ 2-Way passive speaker, white |
| ELX200-12S-W | 12″ passive subwoofer, white |
| ELX200-18S-W | 18″ passive subwoofer, white |
2.2 System features
ELX200-10 — 10″ two-way passive loudspeaker system
– 1200 W (Peak), 127 dB peak SPL system that is reliability verified with over 500 hours of abuse testing and endurance testing to 4x typical industry practices.
– 1.4 inch DH-1C (1-inch exit) titanium compression driver for an extended transparent high-frequency response.
– High-output EVS-10M woofer designed to exacting specifications for superior durability and exceptional low-frequency reproduction.
– EV-patented Signal Synchronized Transducers (SST) waveguide design provides precise and consistent coverage, minimal distortion, and maximized acoustical loading.
– Professional-grade hardware: three M10 threaded mounting points for forged eyebolts, integrated pole-mounts, and the proven ZLX two-handle design for easy lifting.
ELX200-12 — 12″ two-way passive loudspeaker system
– 1200 W (peak), 128 dB peak SPL system that is reliability verified with over 500 hours of abuse testing and endurance testing to 4x typical industry practices.
– 1.4 inch DH-1C (1-inch exit) titanium compression driver for an extended transparent high-frequency response.
– High-output EVS-12M woofer designed to exacting specifications for superior durability and exceptional low-frequency reproduction.
– EV-patented Signal Synchronized Transducers (SST) waveguide design provides precise and consistent coverage, minimal distortion, and maximized acoustical loading.
– Professional-grade hardware: three M10 threaded mounting points for forged eyebolts, integrated pole-mounts, and the proven ZLX three-handle design for easy lifting.
ELX200-15 — 15″ two-way passive loudspeaker system
– 1200 W (peak), 130 dB peak SPL system that is reliability verified with over 500 hours of abuse testing and endurance testing to 4x typical industry practices.
– 1.4 inch DH-1C (1-inch exit) titanium compression driver for an extended transparent high-frequency response.
– High-output EVS-15M woofer designed to exacting specifications for superior durability and exceptional low-frequency reproduction.
– EV-patented Signal Synchronized Transducers (SST) waveguide design provides precise and consistent coverage, minimal distortion, and maximized acoustical loading.
– Professional-grade hardware: three M10 threaded mounting points for forged eyeboltsintegrated pole-mounts and the proven ZLX three-handle design for easy lifting.
ELX200-12S — 12″ passive subwoofer system
– 1600 W (peak), 129 dB peak SPL utilizing high-sensitivity transducer designed and engineered by EV for maximum punch.
– High-output EVS-12L woofer designed to exacting specifications for superior durability and exceptional low-frequency reproduction.
– System reliability was verified with over 500 hours of abuse testing and endurance testing.
– Ideal for portable and installed applications. Lightweight, compact 15 mm wood enclosure with internal bracing with durable polyurea top-coat finish.
– Professional-grade hardware: integrated M20 threaded pole mount plate and two-handle design for easy lifting.
ELX200-18S — 18″ passive subwoofer system
– 1600 W (peak), 133 dB peak SPL utilizing high-sensitivity transducer designed and engineered by EV for maximum punch.
– High-output EVS-18L woofer designed to exacting specifications for superior durability and exceptional low-frequency reproduction.
– System reliability was verified with over 500 hours of abuse testing and endurance testing.
– Ideal for portable and installed applications. Lightweight, compact 15 mm wood enclosure with internal bracing with durable polyurea top-coat finish.
– Professional-grade hardware: integrated M20 threaded pole mount plate and two-handle design for easy lifting.
Tripod and floor monitor operation
3.1Tripod or pole mount
ELX200-10, ELX200-12, and ELX200-15 loudspeakers mount on a tripod stand or on a pole above a subwoofer.
Mounting a loudspeaker on a tripod stand
Figure 3.1: Full-Range models on a tripod stand
Caution!
Tripod is not evaluated for safety with this loudspeaker. Check the specifications of the tripod stand to be certain it is capable of supporting the weight of the loudspeaker.
Caution!
We recommend that two or more persons lift and place heavier loudspeakers. Single-person lift and placement of heavier loudspeakers could cause injury.
To mount a loudspeaker on a tripod stand, do the following:
- Place the tripod stand on a level and stable surface.
– Fully extend the legs on the tripod stand.
– Do not compromise the tripod stands structural integrity by trying to make the stand taller.
– Do not attempt to suspend more than one loudspeaker on a stand designed for a single loudspeaker. - Using two hands lift the loudspeaker.
- Set the pole cup located on the bottom of the loudspeaker onto the pole.
Tighten the thumbscrew (A) to secure the loudspeaker to the pole.
The thumbscrew is only available on the 12″ and 15″ full-range loudspeaker models. The 10″ full-range loudspeaker does not have a thumbscrew.
Mounting a loudspeaker on a pole
Caution!
We recommend that two or more persons lift and place heavier loudspeakers. Single-person lift and placement of heavier loudspeakers could cause injury.
To mount a loudspeaker on a pole, do the following:
- Place the subwoofer on a level and stable surface.
- Insert the M20 threaded pole into the combo pole cup on the top of the subwoofer.
- Turn the M20 threaded pole clockwise to secure the pole to the subwoofer.

- Using two hands lift the loudspeaker.
- Set the pole cup located on the bottom of the loudspeaker onto the pole.
Tighten the thumbscrew to secure the loudspeaker to the pole.
The thumbscrew is only available on the 12″ and 15″ full-range loudspeaker models. The 10″ full-range loudspeaker does not have a thumbscrew.

3.2 Floor monitor
ELX200-10, ELX200-12, and ELX200-15 loudspeakers may be used as a floor monitor by placing the loudspeaker on the integral monitor angle.
To set up a loudspeaker as a floor monitor, do the following:
- Place the loudspeaker on a level and stable surface.
- Safely route cables to prevent injury to performers, production crew, and audience members.
Notice!
Secure cables with wire ties or tape whenever possible.
Figure 3.2: Optimum coverage in monitor position (side view left and front view right)
Suspension
The ELX200 enclosures have three M10 threaded points; two points on top of the enclosure and one point on the bottom. Forged shoulder eyebolts rated for overhead suspension may be used to suspend an individual loudspeaker, such as the EBK1-M10-3PACK accessory.
Warning!
Suspending any object is potentially dangerous and should only be attempted by individuals who have a thorough knowledge of the techniques and regulations of suspending objects overhead. Electro-Voice strongly recommends that loudspeakers be suspended taking into account all current national, federal, state, and local laws and regulations. It is the responsibility of the installer to ensure all loudspeakers are safely installed in accordance with all such requirements. When loudspeakers are suspended, Electro-Voice strongly recommends the system be inspected at least once per year or as laws and regulations require. If any sign of weakness or damage is detected, remedial action should be taken immediately. The user is responsible for making sure the wall, ceiling, or structure is capable of supporting all objects suspended overhead. Any hardware used to suspend a loudspeaker not associated with Electro-Voice is the responsibility of others.
Figure 4.1: Suspension points (A top, B bottom)
Prior to use, inspect the suspension points and associated hardware for any cracks, deformations, broken welds, corrosion, missing or damaged components that could reduce
the suspension points to strength. Replace any damaged hardware. Never exceed the limitations or maximum recommended load intended for the suspension points. As an added safety measure, it is suggested the user install an extra suspension point back to the building structural supports. This redundant safety point should have as little slack as possible (less than one inch is preferable). Prior to each use, inspect the loudspeaker enclosures for any cracks, deformations, missing or damaged components, which could reduce enclosure strength. Replace any loudspeaker systems that are damaged or missing hardware.
Installing the eyebolts
To install the eyebolts, do the following:
- Remove the three fly point covers from the suspension points.

- Install M10 eyebolts and washers into the suspension points.

Warning!
Eyebolts must be fully seated and oriented in the plane of pull. Always use washers under the eyebolt to distribute the load on the enclosure.
Figure 4.2: Eyebolt shown with washers (A) and without washers (B)
Figure 4.3: Eyebolts shown orientated in the plane of pull (left correct, right incorrect)
Warning!
Never exceed the limitations or maximum recommended working load for Electro-Voice loudspeakers.
Disregarding this warning could result in serious injury or death.

Figure 4.4: Maximum working load – vertical orientation 50 lb per suspension point
Warning!
Never suspend ELX200 Series loudspeakers in a vertical column array.
Disregarding this warning could result in serious injury or death.
Figure 4.5: Loudspeaker vertical suspension (Correct, left; Incorrect, right)
Recommended configurations
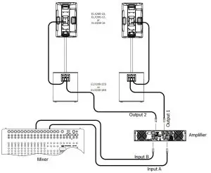
5.1 Basic stereo system using full-range systems
Basic stereo system using ELX200-10, ELX200-12, or ELX200-15 loudspeakers (ELX200-15 versions shown).

NL4 Pin Configuration | |
| Pin 1+ and 1- | Used |
| Pin 2+ and 2- | Not used |
Caution!
Do not exceed the maximum load rating of the amplifier.
Amplifier Load (per Output Channel) | ||
| # of Speakers | Nominal | Minimum |
| 1 | 8 Ohms | 7.2 Ohms |
| 2 | 4 Ohms | 3.6 Ohms |
| 3 | 2.7 Ohms | 2.4 Ohms |
| 4 | 2 Ohms | 1.8 Ohms |
5.2 Using full-range systems as stage monitors
Multiple ELX200-10, ELX200-12, or ELX200-15 loudspeakers in monitor position (ELX200-15 versions shown).

NL4 Pin Configuration | |
| Pin 1+ and 1- | Used |
| Pin 2+ and 2- | Not used |
Caution!
Do not exceed the maximum load rating of the amplifier.
Amplifier Load (per Output Channel) | ||
# of Speakers | Nominal | Minimum |
| 1 | 8 Ohms | 7.2 Ohms |
| 2 | 4 Ohms | 3.6 Ohms |
| 3 | 2.7 Ohms | 2.4 Ohms |
| 4 | 2 Ohms | 1.8 Ohms |
5.3 Stacking full-range systems with subwoofers
This configuration allows a user to increase the low-frequency performance without using additional amplifier channels (ELX200-15 and ELX200-18S versions shown).

NL4 Pin Configuration | |
| Pin 1+ and 1- | Used |
| Pin 2+ and 2- | Not used |
Caution!
Do not exceed the maximum load rating of the amplifier.
Amplifier Load (per Output Channel) | ||
# of Subwoofer/Full-Range Combinations | Nominal | Minimum |
| 1 | 4 Ohms | 3.8 Ohms |
| 2 | 2 Ohms | 1.9 Ohms |
Troubleshooting
| Problem | Possible Cause(s) | Action |
| 1. No sound | Amplifier | Connect a known working test loudspeaker to the amplifier outputs. If there is no sound, verify all the electronics are on, the signal routing is correct, the source is active; the volume is turned up, etc. Correct/repair/replace as necessary. If there is a sound, the problem is in the wiring. |
| Wiring | Verify you have connected the correct cables to the amplifier. Play something at a low level through the amplifier. Connect the test loudspeaker in parallel with the malfunctioning line. If the sound level is gone or is very weak, the line has a short in it (possibly a severe scrape, pinch, or a missed connection). Using the test loudspeaker, move down the line and test each connection/junction until you find the problem and correct it. Observe proper polarity. | |
| 2. Poor Low- frequency Response | Loudspeakers wired out-of-polarity | When two loudspeakers are connected out of polarity, the low frequencies will cancel each other acoustically. Carefully observe the wire markings or tracers on your loudspeaker wires. Verify the amplifier (+) terminal is connected to pin 1+ of the NL4 connector and the amplifier (-) terminal is connected to pin 1-of the NL4 connector. |
| 3. Intermittent output such as cracking or distortion | Faulty connection | Check all connections at amplifier and loudspeakers to ensure they are all clean and tight. If the problem persists, check the wiring. See problem 1. |
| 4. Constant noise such as buzzing, hissing or umming | Defective source or another electronic device | If noise is present, but no program material is playing, evaluate each component as necessary to isolate the problem. Most likely there is a break in the signal path. |
| Poor system grounding or ground loop | Check and correct the system grounding, as required. |
If these suggestions do not solve your problem, contact your nearest Electro-Voice dealer or Electro-Voice distributor.
Technical data
ELX200-10, ELX200-12, and ELX200-15
| ELX200-10 | ELX200-12 | ELX200-15 | |
| Freq. response (-3 dB)1: | 65 Hz – 20 kHz | 77 Hz – 17 kHz | 77 Hz – 16 kHz |
| Freq. range (-10 dB)1: | 49 Hz – 22 kHz | 51 Hz – 20 kHz | 52 Hz – 19 kHz |
| Axial sensitivity1: | 90 dB | 93 dB | 95 dB |
| Maximum SPL1,2: | 127 dB | 128 dB | 130 dB |
| Recommended high-pass freq.: | 55 Hz | 50 Hz | 42 Hz |
| Coverage (H x V): | 90˚x 60˚ | ||
| Power handling: | 300 W Continuous, 1200 W Peak | ||
| LF transducer: | EVS-10M 254 mm (10 in) | EVS-12M 300 mm (12 in) | EVS-15M 381 mm (15 in) |
| HF transducer: | DH-1L 1-inch titanium compression driver | ||
| Crossover freq.: | 2 kHz | 1.7 kHz | 1.6 kHz |
| Nominal impedance: | 8 Ω | ||
| Minimum impedance: | 7.2 Ω | 7.5 Ω | 7.0 Ω |
| Connectors: | Dual NL4 | ||
| Enclosure: | Polypropylene | ||
| Grille: | 18 AWG steel with powder coat | ||
| Suspension: | (3) M10 suspension points | ||
| Color: | Black or white | ||
| Dimensions (H x W x D): mm (in) | 531 x 330 x 319 (21.0 x 13.0 x 12.6) | 629 x 363 x 344 (24.8 x 14.3 x 13.6) | 710 x 423 x 384 (28.0 x 16.6 x 15.1) |
| Net weight: | 13.4 kg (29.6 lb) | 15.2 kg (33.4 lb) | 18.7 kg (41.2 lb) |
| Shipping weight: | 15.3 kg (33.7 lb) | 17.1 kg (37.7 lb) | 21.4 kg (47.2 lb) |
1Full-space measurement.
2Maximum SPL is measured at 1 m using broadband pink noise at rated peak power rating.
ELX200-12S and ELX200-18S
| ELX200-12S | ELX200-18S | |
| Freq. response (-3 dB)1: | 42 Hz – 220 Hz | 45 Hz – 200 Hz |
| Freq. range (-10 dB)1: | 33 Hz – 300 Hz | 28 Hz – 300 Hz |
| Axial sensitivity1: | 93 dB | 94 dB |
| Maximum SPL1,2: | 129 dB | 133 Hz |
| Recommended high-passfreq.: | 42 Hz | 35 Hz |
| Power handling: | 400 W Continuous, 1600 W Peak | |
| LF transducer: | EVS-12L 300 mm (12 in) | EVS-18L 457 mm (18 in) |
| Nominal Impedance: | 8 Ω | |
| Minimum impedance: | 6.9 Ω | 7.2 Ω |
| Connectors: | Dual NL4 | |
| Enclosure: | 15 mm plywood with durable polyurea top-coat finish | |
| Grille: | 18 AWG steel with Powdercoat | |
| Color: | Black or white | |
| Dimensions (H x W x D): mm (in) | 397 x 445 x 45716.7 x 17.6 x 18.0 | 600 x 507 x 574 23.7 x 20.0 x 22.6 |
| Net weight: | 17.2 kg (38.0 lb) | 26.6 kg (58.7 lb) |
| Shipping weight: | 20.2 kg (44.6 lb) | 30.5 kg (67.3 lb) |
1 Half-space measurement.
2 Maximum SPL is measured at 1 m using broadband pink noise at rated peak power rating.
7.1 Dimensions
Figure 7.2: ELX200-12 dimensions

Figure 7.5: ELX200-18S dimensions
7.2 Frequency response
Figure 7.6: ELX200-10 frequency response and impedance

Figure 7.7: ELX200-12 frequency response and impedance Figure 7.8: ELX200-15 frequency response and impedanceFigure 7.9: ELX200-12S frequency response and impedance

Figure 7.10: ELX200-18S frequency response and impedance
TELEX
12000 Portland Avenue South
Burnsville MN 55337
USA
www.telex.com
© Bosch Security Systems, LLC, 2021





















