WCB100 Wi-Fi Smart Circuit Breaker
Instruction Manual
Wifi Smart Circuit Breaker Mobile APP Remote Control Circuit Breaker
Scope and characteristics of the application
Intelligent circuit breaker for AC50Hz, Rated operating voltage 230/400V, Rated working current 100A and the following user or load, With overload and short-circuit protection function, Mobile Phone Remote Control Circuit Breaker on and off, The mobile phone real-time displays the on-off state of the breaker, Timing, Delay shared control, Good-looking, Good and reliable performance, High on-off ability, Quick release, Modular rail type installation.
Normal working conditions
2.1 Ambient air temperature a The upper limit shall not exceed 40°C
b The lower limit shall not be lower than-5 °C
c The average value within 24h does not exceed 35°C
d Limit service temperature -25°C — 70°C
2.2 Altitude The elevation of the installation site shall not exceed 2,000 meters.
2.3 Atmospheric condition
When the ambient air temperature is + 40 °c, the relative humidity of the air does not exceed 50%, Higher relative humidity can be achieved at lower temperatures.
b When the monthly mean minimum temperature of the wettest month is 25 °C, the monthly mean phase humidity is 90%. c Condensation on the surface of the product due to a change in temperature has been taken into account.
2.4 Pollution level The pollution level used in the circuit breaker is level 2.
2.5 Type of installation Class II, Class III installation
Type and meaning

Technical parameter
4.1 Rated operating voltage: AC230V/400V
4.2 Shell frame rating current: 100A
4.3 On-off capacity : Ics=6000A
4.4 Rated current In: 32A,40A,63A,80A,100A
4.5 Life Span: Mechanical Life, on and off 20,000 times, Electrical Life, on and off 4000 times.
4.6 Wiring: Using clamp wiring terminal
4.7 The cross-sectional area of the connecting cable can reach 35mm
4.8 Installation: installed on 35*7.5 mm standard guide rail
Installation
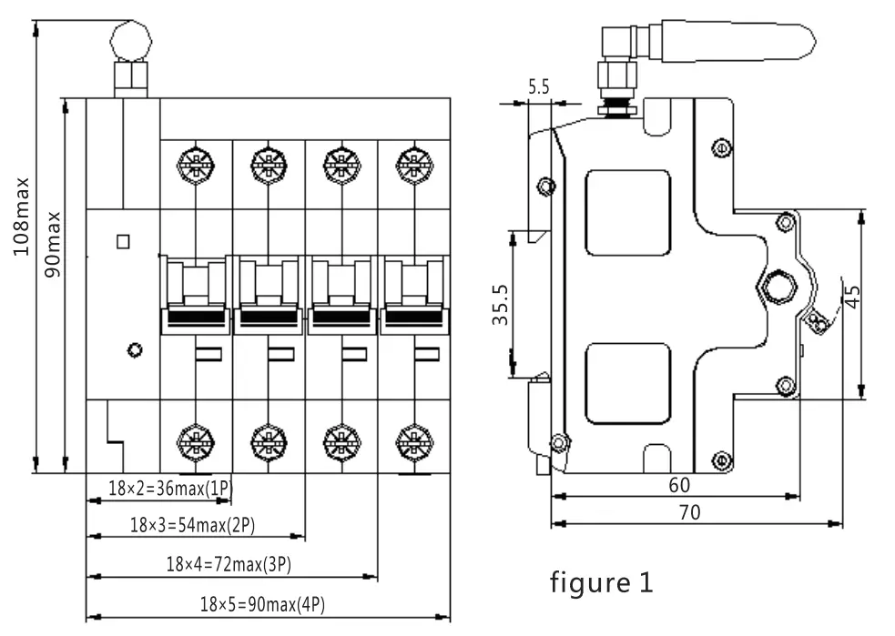
5.1 The dimensions are shown in figure 1
5.2 Installation method
The circuit breaker shall be mounted vertically on the mounting rail, which shall be fixed to the plywood or metal plate with M5 screws.
Wiring Diagram ( See figure 2-figure 5 ) 

Mechanical locking device
Mechanical locking is provided to ensure the safety of personnel during maintenance, The device is shown below.
Install doodler “tuya” APP
8.1 Direct scan figure 6 Installation,
8.2 Download the”tuya Smart” app. Serch” smart life” in App Store for IOS version or Google play for android version.
8.3 As shown in figure 2, the circuit breaker according to the requirements of the correct wiring and electrification, to circuit breaker signal indicator light
Distribution Network:
9.1Run “tuya Smart”, Click “-F ” in the upper right corner and pop up *add manually”.
9.2 The device was successfully added and then automatically connected to the network. The connection may take a few minutes. Please be patient. When the indicator light (green light) is always on, the connection is successful.
If the signal indicator light is not bright or slow flash, you need to press the “blue button” key for about 10 seconds, when the signal indicator light flash after release, into the distribution network state..
The indicator lights flash quickly: Direct configuration network. Indicator light not on or flashing slowly: Long press the ‘blue button’, fast flicker after matching network after.
9.3 When the indicator is always on and the connection is successful, the switch can be operated on the mobile phone APP.
9.4When the indicator is always on and the connection is successful, you can also click on the “blue button’ to operate the opening/closing, which can normally open and close, indicating that the circuit breaker is also correct distribution network success.
9.5 When the network is connected, the circuit breaker can be operated on/off, sharing, timing, delay, user operation notification, power-on status and so on
Points to note
10.1 The Circuit Breaker shall be protected from rainwater during transportation and storage, and the product shall be stored in a place with air circulation.
10.2 Dust and dirt should be removed regularly during use. It is better to use the mask to make the circuit breaker only show the handle part.
10.3 The basic technical data on the nameplate or sign should be checked before use.
10.4 The protective characteristics of the circuit breaker shall be set by the manufacturer, and can not be adjusted by disassembly in use.
10.5Zero wire must be connected correctly.
10.6 Tighten the connection screw before use to avoid bad contact and damage to the product,
10.7 The setting temperature of this series of circuit breakers is 30 + 5 °C. if several circuit breakers are installed in the same sealed box, the capacity reduction Coefficient should be 0.8.
11 The signal indicator is not on: Please check
11.1 Whether the power cord is connected as required (the 1p/3p product external zero wire must be connected to the zero wire of the distribution system).
Is The power supply voltage normal,
12 Place of use
Mainly used in homes, schools, hospitals, shopping malls, office buildings, irrigation, farms, pumps, rental housing and other electrical equipment remote control.



















