molif bm08199 Mover 180 User Manual
Important
This user manual contains important safety instructions and information regarding the use of the lifter and accessories.
In this manual the user is the person being lifted. The assistant is the person operating the lifter.
Warning!
This symbol indicates important information related to safety. Follow these instructions carefully.
Read user manual before use! It is important to fully understand the content of the user manual before attempting to use the equipment.
Visit www.etac.com for download of documentation to ensure you have the latest version.
Molift Mover 180
Lifter components:

About Molift Mover 180
Molift Mover 180 is a mobile lifter intended for lifting and transferring a person from/to bed, floor, chair, wheelchair or toilet with a sling. The lifter is made of light-weight materials, has castors and electric actuator and is powered by a battery. Ithas electrically adjustable legs and a lifting capacity of 182 kg ( 400 lbs). It is ideal for hospitals and institutional care settings but can also be used in privates homes. The lifter should only be used for transfers across short distances, such as between a chair and a bed orinto bathroom / rest room, and is not intended to transport the user over longer distances.
General
CE declaration
The product, and its related accessories, described in this instruction for use (IFU), is in compliance with the regulation (EU) 2017/745 of 5. April 2017 – as a medical device, risk class I.
The product has been tested and approved by a third party according to standards IEC 60601-1, IEC 60601-1-2 and EN/ISO 10535:2006. Any serious incident that occurs in relation to the device should be reported tothe manufacturer and the competent authority of the Member State in which the user and/or patient is established.
Conditions for use
Lift and transfer of a person will always pose a certain risk and only trained personnel are allowed to use the equipment and accessories covered by this user manual.
Modifications and use of components made by other manufacturers.
We recommend only using Molift components and spare parts. Declaration of conformity is not valid and Etac is not responsible for warranty if any modifications are made to the product. Etac shall not be liable for faults or accidents that can occur when using components made by other manufacturers.
Only certified personnel are allowed to open lifter or accessories to perform service or repair. Risk of injury from rotating parts and electric shock.
The lifter is not intended to be operated by the person being lifted.
Warranty notice
Two-year warranty against defects in workmanship and materials of our products.
One-year warranty for batteries. Please refer to www.etac.com for terms and conditions.
Product identification
Product label
The product labels barcode contain article number, serial number and production date.


Warning labels and symbols
Symbols used on the product, explained in more detail:
- Type BF applied part

- CE marked

- Refer to user manual

- Indoor use only

- Do not dispose in general waste

- Emergency lowering

- Service light

- Battery light

- Certification body mark

- Manufacturer

- Date of manufacture

- Catalogue number

- Serial number

- Medical Device
Technical data
Safe Working Load (SWL):
182 kg (400 lbs)
Weight of unit:
Excl. battery and sling bar: 32 kg/70,5 lbs
Chassis: 16 kg/35 lbs
Lifting column: 16 kg/35 lbs
Battery: 0,85 kg/1,9 lbs 4-
point medium sling bar: 2,2 kg/4.8 lbs
Battery:
Art: 0541000 14.4 V NiMH 2.6 Ah
Battery charger:
100-240 V AC, 50-60 Hz 0,9 A output
Lifting speed:
46mm/second (1.81 inches/second) with 75kg (165 lbs) load
Protection class:
Hand control IP24 Lift motor IP24
Maximum A-weighted sound power level:
LWA = 49,4 dB Operating forces button Buttons on handset: 3.4 N
Material:
Aluminum, plastic
Motor:
Lifting motor/actuator: 12 V DC
Leg spreading motor: 12 V DC
Turning diameter:
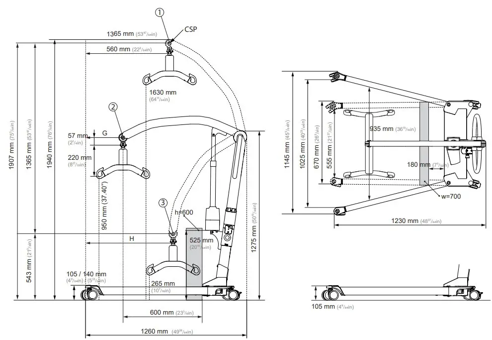
1320 mm (52 inches)
Number of lifts with fully charged battery:
50 lifts ( 75 kg / 165 lbs, 50 cm / 20 inches)
Expected lifetime:
The lifter has an expected lifetime of 30 000 SWL lifts or 10 years.
- Highest position: 1907 mm (755/64in)
- Max reach: 1227 mm (485/16in)
- Lowest position: 542 mm (2111/32in)

Assembly
Charge the battery. The battery must not be in the battery holder during assembly!
Lifting column
Place lifting column in chassis.
Lock the lift column in place by fastening the two hexagon socket screws in front and rear of the chassis.
Screws will ensure that the column cannot be pulled upwards. Do not use lifter unless the screws are mounted correctly.
Mounting sling bar

- Align sling bar in connection point.
- Push button on locking pin and insert all the way through.
- Make sure locking pin is properly fastened
- Push button and push bolt from opposite side while holding in button to remove locking pin.
Battery and hand control

- Connect hand control to bottom of battery holder.
- Insert battery with terminals facing down.
- Connect hand control wire to push handle bracket so it does not fall to the floor whendropped.
Checklist after assembly
Do not start using lifter before completing control according tochecklist after assembly
Use this checklist to verify that the lifter is properly installed and can operate correctly and safely before use.
- Ensure that the lifting arm, lifting column and sling bar are properly fixed and that there are no loose parts on the lifter.
- Make sure battery is charged (no lights on the battery lamps).
- Check that the lifter has no apparent damage or other faults.
- Perform one lift with load (60-80 kg)
How to use Molift Mover 180
General safety precautions
Only use accessories and slings that are adjusted to fit the user, type of disability, size, weight and type of transfer.
Working pause ratio/duty Cycle.
Molift Mover 180 should not be run constantly for more than 2 minutes (with maximum load), and rest for minimum 18 minutes. Duty cycle10%. (Intermittence according to standard ISO-EN 10535)
Safe Working Load
The lifter is marked with Safe Working Load (SWL)
If maximum load (SWL) differs between lifter sling bar and body support unit, then the lowest maximum load shall always be used
Molift lifters shall only be used to lift persons. Never use the lifter to lift or move objects of any kind.
Before use / Daily check / Monthly
Inspection to be performed daily or before use:
- Make sure lifter has no visible damage, defects or deformations
- Make sure sling bar connection and all detachable parts are properly connected and secured
- Make sure battery indicator is not illuminated and service light is green
- Make sure sling strap does not have visible damage or frays.
- Make sure wheels are rolling freely and lifter is easy to manouvre Inspection to be performed monthly:
- Test run lifters operation functions and make sure lifter does not make any abnormal sounds
- Test emergency stop button and emergency lowering
If there are any faults or defects, the lift needs to be taken out of operation and marked ”out of order”
Hand control
The hand control has 4 buttons for lifting and lowering of lifting arm and leg spread mechanism in and out.
The hand control has an indicator light that will illuminate when battery level is low and the lifter requires charging
Lifting arm – up / down
NB! The lifter is most unstable in top position.
Legs – In / Out
NB! Spreded legs provides increased stability and better access to chair or toilet.
Safety devices
Molift Mover 180 is equipped with several safety devices, which are intended to prevent damage or injuries to personnel and equipment in the case of incorrect use.
The lifter has an overload sensor preventing the lifter to be operated if the load exceeds SWL.
The lifting arm is hinged to prevent the arm and sling bar from squeezing the user. Theactuator will not produce any force when moving downwards.
The electronics are disabled if overheated. Wait until the lifter has cooled down before using it again.
Push handles
Use the push handles to move the lifter.
Do not push or pull the user, lifting arm or actuator. This may cause stability problems and lifter may tip over
The lifter shall only be used for movement over short distances. It is not a replacement for wheelchair or similar.
Brakes
Rear wheels/castors are equipped with brakes. Step on lever to lock brakes. Flip up to unlock.
Emergency stop / Emergency lowering

Emergency stop
The emergency stop shuts off the power when pushed in. Turn clockwise to reset (OK to operate when the green ring is visible).
Electrical emergency lowering
Push and hold button for electrical emergency lowering to lower lifting arm. The electrical emergency lowering function does not work when the emergency stop is activated.
Manual emergency lowering

Pull handle on the actuator upwards to start emergency lowering, and the lifting arm moves downwards if under load. The lowering will increase in speed the higher the handle is pulled. Release the handle gently. Releasing the handle too quickly may cause person injury or damage to the lifter.
The manual emergency lowering function on the actuator should only be used when the electrical emergency lowering does not work.
Electronics
Transport and operating conditions
Transport and storage
For long time storage it is recommended that the emergency stop button is activated (pushed in). The lifter can be stored and transported under temperatures between -25 – 70 °C.
Operating
The lifter is designed for use at standard room temperatures (+5 to +40°C). Air pressure: 70 – 106 kPa Relative humidity: 15 – 93 % Following storage or transport at other temperatures leave the lifter in a room with a suitable temperature until it reaches a safe operating temperature.
Medical electrical equipment requires special precautions regarding electromagnetic compatibility (EMC). Portable or mobile radio communication equipment may affect the medical electrical equipment, and should be kept minimum 25 cm (10 inches) from the lifters electronics.
Battery
Molift Mover 180 is equipped with a 14.4 V 2.6Ah NiMH battery. The battery has a life expectancy of approx. 500 charging cycles.
Recharge battery upon receipt, and then every six months, to avoid battery failure.
Used batteries must be disposed of as special waste according to local rules and regulations. Do not dispose in general waste
Batteries must be fully charged and drained completely a couple of times before it achieves full capacity. Also follow this procedure if the lifter has not been in use for a long period (4 weeks or more)
Battery and Service indicator (LED)
The lifter has two indicator lights on the battery holder.
Service indicator![]()
Battery indicator
The electrical system has a power save function which will turn off the electrical system after ten minutes without activity. All lights will turn off. The system is activated when pushing one of the operating buttons
Battery indicator (LED)
The battery indicator (LED) will illuminate and make a sound when battery level is low and the lifter requires charging. When this occurs the lifter will have sufficient power available for one full lifting cycle with max load. When battery is critically low it is only possible to lower the lifting arm.
Service indicator
The lifters electronics record the loads lifted and number of lifts. After a certain period of operation a signal is given to indicate that service is required.
| Service indicator | Mode |
| No light | Power saving (Stand by) |
| Green | Ready for use |
| Yellow | Order service |
| Red | Perform service |
| Red + sound | Perform service immediately |
Service scope
Service involves replacing the lifting motor and inspection/replacement of worn parts. This must be carried out by authorized personnel.
Service is needed when the service light is red (calculated 10.000 lifts in SWL.)
Charging

Battery charger
The battery charger can be used as a tabletop charger or mounted to a vertical wall surface close to a power outlet, minimum 120 cm above the floor. The charger has to be used outside the patient environment. The charger must be placed or installed in a way that makes it easy to disconnect mains cable plug. Take care not to damage the cable. The charger can be connected to the power outlet at all times.
Battery charger 12-24V
Art. no. 1340100
PowerPac 14,4 V NiMH
Art. no. 0541000
Charger indicator
Description of battery indicator (LED):
| LED | Mode |
| Yellow | Ready for use, no bat- tery connected |
| Yellow | Initialization |
| Red | Fast Charge |
| Green/Yellow | Top-off charge |
| Green | Trickle charge |
| Red/Green | Error |
Transfer
Plan the lifting operation in advance to ensure that it is as safe and smooth as possible. Remember to work ergonomically. Assess the risks and take notes. The assistant is responsible for the safety of the user.
Molift Mover 180 can be used with both 2-point and 4-point sling bar for different types of transfers; sitting, recumbent or ambulating.
Using slings
It is important that the sling has been tested with the individual user and for the intended lifting situation.
Read user manual for the sling prior to use.
Do not to use damaged or badly worn slings.
Slings made by other manufacturers
We recommend only using Molift slings. Etac shall not be liable for faults or accidents that can occur when using slings made by other manufacturers.
Lifting and lowering
When moving the user, stand to the side of the person you are lifting. Make sure that arms and legs do not obstruct the seat, bed, etc. Keep eye contact with the user to help them feel safe.
The 4-point sling bar must always be positioned across the user, to prevent the user from unintentionally sliding out of the sling.
The sling bars hook design prevents sling to be inadvertently detached when mounted correct.
- Check that the sling is correctly fitted around the user and that the strap loops are correctly fitted to the sling bar hooks.
- Stretch the sling straps without lifting the user. Ensure that all four loops of the sling are securely fastened to avoid the user slipping or falling.
- Lift user, and perform transfer.
Transfer

Try to position the user as low as possible (preferably resting the feet on the chassis) when transferring the lifter with a suspended user. In this way the centre of gravity will be low and reduce the risk of instability
Never lift the user higher than necessary to carry out a lift. Remember that wheels on a mobile lift must NOT be locked.
Never leave a user unattended in a lifting situation.
Be careful during movement, the suspended user may swing during turns, stops and starts. Be careful when manoeuvring close to furniture toprevent the suspended user from colliding with these objects.
The lifter shall not be used to lift or move users on sloping surfaces
Avoid deep pile carpets, high thresholds, uneven surfaces or other obstacles that may block the castors. The lifter may become unstable if forced over such obstacles increasing the risk of tipping over.
Lowering into sitting

When transferring the user into sitting, the following techniques can be used when lowering the user as far back into the seat as possible:
- Position the user with the help of the push handle
- Push gently on the users knees
- Tilt the seat backwards
User must be facing lifter when lifting or lowering from or into a chair.
Accessories
Recommended optional equipment and accessories for Molift Mover 180.
Sling bars
Molift Mover 180 can be used with 2 or 4 point sling bar.
Aluminum sling bar

2-point Small, aluminum, width = 350 mm,
Art. no.: 1830043
2-point Medium, aluminum, width = 450 mm,
Art. no.: 1830042
2-point Large, aluminum, width = 550 mm,
Art. no.: 1830041

4-point Small, aluminum, width = 350 mm,
Art. no.: 1830110
4-point Medium, aluminum, width = 450 mm,
Art. no.: 1830111
4-point Large, aluminum, width = 550 mm,
Art. no.: 1830112
4-point X-Large, aluminum, width = 650 mm,
Art. no.: 1830113
Stretcher
The Molift stretcher can be used in combination with all Molift Mover 180 4-point sling bars.

Scoop stretcher MRI compatible (SWL 300 kg) Art. no.: 2150108
Scale
The scale set sling bar coupling fits all Molift Mover 180 compatible sling bars. Molift Scale is approved Class III. The scale can also calculate BMI (Body Mass Index).
Molift Scale Set (without Sling bar) Art. no.: 1840000
Slings
Etac supplies a wide selection of slings for different types of transfers. The Molift RgoSling sling series is developed to be combined with a 4-point sling bar, (also works with a 2-point sling bar).
The Etac EvoSling series is developed to be combined with a 2-point sling bar.
See the combination list in the slings user manualfor the correct sling and sling bar combination. The sling series is available in sizes XXS – XXL, in polyester and polyester mesh.
RgoSlings:
RgoSling Mediumback Padded (XS-XXL)
RgoSling Highback Padded (XS-XXL)
RgoSling Mediumback Net (XXS-XXL)
RgoSling Highback Net (XXS-XXL)
RgoSling Toilet Lowback (XXS-XXL)
RgoSling Toilet Highback (XXS-XXL)
RgoSling Ampu Mediumback (XXS-XXL)
RgoSling Ampu Highback (XXS-XXL)
RgoSling Ambulating Vest (XXS-XL)
RgoSling Comfort Highback (S-L)
Accessories:
RgoSling Extension Loops RgoSling Ambulating Vest Groin strap (XXS-XL)
Evoslings:
EvoSling HighBack (XS-XXL)
EvoSling MediumBack (XS-XXL)
EvoSling LowBack (XS-XXL)
EvoSling Hygiene (XS-XXL)
EvoSling Ampu MediumBack (XS-XXL)
EvoSling Comfort MediumBack (XS-XXL)
Accessories:
EvoSling soft padding (XS-M)
EvoSling strap marker
EvoSling extension loops 16 (+9) cm
EvoSling Flexistrap 15 x 115
EvoSling support
Maintenance
Cleaning and disinfection
Clean on a regular basis. Clean surfaces with a damp cloth using an appropriate pH-neutral detergent. Do not use solvents or strong liquids, this may damage surfaces on the lifter. For disinfection when needed; use isopropyl alcohol. Avoid abrasive cleaning products. Remove hair and pile from the castors and verify that the castors rotates freely. Clean contact and hand control with isopropyl alcohol to remove grease and dirt. Check emergency stop and emergency lowering after cleaning. The lift should not be exposed to running water.
Make sure not to damage or remove labels when cleaning
Reconditioning
Follow cleaning and assembly procedure, complete periodic inspection and use checklist after assembly to recondition the lifter.
Recycling
Refer to “Recycling instructions” for how to properly dispose of product. This can be found on www.etac.com.
Spare parts
A list of spare parts is available on request.
Periodic Inspection
Periodic inspection scope
Periodic inspection is a visual examination (particularly of the lifter’s load bearing structure and lifting mechanism with attachments, brakes, controls, safety devices and person-support devices) according to Periodic Inspection Report for Molift Mover 180. This can be found on www.etac.com.
If there is any problems with the lifter that could jeopardize someones safety, the lifter shall immediately be taken out of service and marked “out of order”. Do not use the lifter untill it is repaired.
Periodic Inspection shall be performed annually or more frequently if required by local requirements. The inspection must be performed by service personnel authorized by Etac. Contact Etac at [email protected] for training and authorization or recommendation of an approved service partner.
When performing a periodic inspection, the inspector shall fill out the inspection report for Molift Mover 180. The reports should be retained by the person(s) responsible for servicing the lifter.
If the inspection reveals defects and damages, the owner shall be notified.
When periodic inspection is completed the inspector shall mark the lifter with a sticker on the control label showing the date when periodic inspection is performed and a label (with 6-digit ID from Etac or distributor) showing who has performed the periodic control. The control label can be found on the right side of the battery holder, and this will then indicate the date when next Inspection is due.
Troubleshooting
| Symptom | Possible cause / action |
| The lifting column is wobbly | The lifting column is not correctly positioned in the chassis or the screw in front or back is not properly tightened. Assemble column and chassis, and tighten screws properly. |
| The lifter moves unevenly on a plane surface | The castors move unevenly because of pile and dust. Clean the castors. Remove hair and dirt. |
| The lifting arm or adjustable legs moves uncontrolled. | Short circuit between hand control and lifter. Clean hand control plug surfaced with alcohol to remove grease. |
| Defective hand control. Replace hand control. | |
| The control electronics has failed. Contact local representative for service. | |
| The lifter does not respond to hand control action / The lifting arm or legs does not move. | Emergency stop button is activated. Turn button clockwise to reset emergency stop. |
| Battery is empty. Change or charge battery. | |
| The lifters electronics is overheated. Wait for it to cool down. | |
| The lifter is overloaded. Make sure the load does not exceed SWL. | |
| Hand control is not plugged in properly. Plug in Hand control properly. Hand control, plug or cord can be broken an should be replaced. | |
| Contact between chassis and column has no connection. Column is not correctly mounted in chassis. Assemble column and chassis properly. | |
| Defective control electronics. Contact local representative for service. | |
| Battery does not charge | Faulty battery. Check indicators on charger when charging. Try another battery. |
| Faulty battery charger. Check indicators on charger when charging. See chapter “Charging”. Try another charger. |
Etac A/S Parallelvej 3 DK-8751 Gedved
www.etac.com



















