Bruel Kjaer 2619 Microphone Preamplifier

Product Information
- Product Name: BRUEL & KJER Naerum – Denmark Preamplifier 2619
- Model Numbers: 2619.1, 2619.2, 2619.3, 2619.4
- Electronic Section: Valid from serial number 373440
- Manufacturer: BRUEL & KJER Naerum – Denmark
How to open the Preamplifier Type 2619
see exploded view. (2619.2)
Refer to the exploded view diagram (2619.2) in the user manual for instructions on opening the preamplifier.
Troubleshooting
The provided tolerances in the instructions are only meant as a guide for adjustment and control. Deviations should not be corrected without ensuring that the instruments used for adjustment have minimal influence on the measurements. If the reason for a fault is not an obvious one such as a faulty transistor, broken down resistor etc., then first test the DC-voltages and compare them with the voltages shown in the tables sheet 1 in order to localize the defect. Should this method of finding the fault prove unsuccessful, then check the instrument by adipting the method described in the adjustment procedure. When the trouble has been found an remedied, the voltages and adjustments which are influenced by the remedy must be rechecked. The tolerances stated in the instructions can only be used as a guide for adjustment and control, but any deviations must not be cor- rected without being sure that the tolerances of the instruments used for making the adjustment are so small as to have no influence on the measurements. The instructions in this manual are given purely as a guide to the service of equipment with minor faults. Some faults, as f. inst small deviations in tolerances require for their correction special control equipment and extensive experience, and in these cases it is necessary to send the instrument to the factory.
Spare Parts
When ordering spare parts, please provide the type and serial number of the apparatus.
Instruments Necessary for Service and Repair
- Multimeter (50 pA)
- Beat Frequency Oscillator type 1022 (1013)
- Frequency Analyzer type 2107
- Pistonphone type 4220
DC Voltages
- When type 2619 is connected to a 120 V DC supply.
- Voltages on Guard Ring: 60 V =5 V.
- Voltages on V, emitter: 65 V
- collector: 60 V
- Heating Element approx. 50 mA
- Vz collector: 120 V
- emitter: 65 V

Function Check
- a. Place the Pistonphone 4220 on the Microphone of the Preamplifier 2619 and switch 4220 to Measure. The indication of the Microphone Amplifier (2107) should be equal to the Sound Pressure Level produced by the pistonphone (corrected for the corresponding K factor).
- b. If a pistonphone is not available, feed an input signal of 1V, 1kHz through the input adaptor JJ 2615 to the preamplifier 2619 and check the output voltage for 1V.

Attenuation
- Check the sensitivity of the Microphone Amplifier type 2107 in position Condenser Microphone and Direct with a 120V DC supply or 28V DC supply. If necessary, adjust deflection to the red mark using Sen. Cond. Micr. and Sen. Ampl. Input. Connect an input signal (1000Hz) to INPUT of Microphone Amplifier 2107 and adjust the input voltage for 1V deflection.
- Now connect c 6 pF capacitor in series with the input signal and feed the signal to the gold contact on the front end of 2619 and measure the attenuation of the output voltage: Max. 1 dB
- Change the frequency to 10 Hz and check item b. again.
- Attenuation: Max. 4 dB
Frequency Response
- a. Using a 28V DC supply, measure the attenuation of the output voltage of 2619.
- b. Using a 120V DC supply, measure the attenuation of the output voltage of 2619.
Distortion
- a. Using a 28V DC supply, measure the attenuation of the output voltage of 2619 when a 6pF capacitor is connected in series with the input signal.
- b. Using a 120V DC supply, measure the attenuation of the output voltage of 2619 when a 6pF capacitor is connected in series with the input signal.


Note: For item b, change the frequency to 10Hz and repeat the measurement.
Noise and Hum

Position of Components



Parts-List
CAPACITORS:

RESISTERS
SEMICONDOCTORS
PRINTED CIRCUITS

Consisting of
- Electronic Section 2619 .1
- Position of Components: 2619.2
- Parts List 2619.3
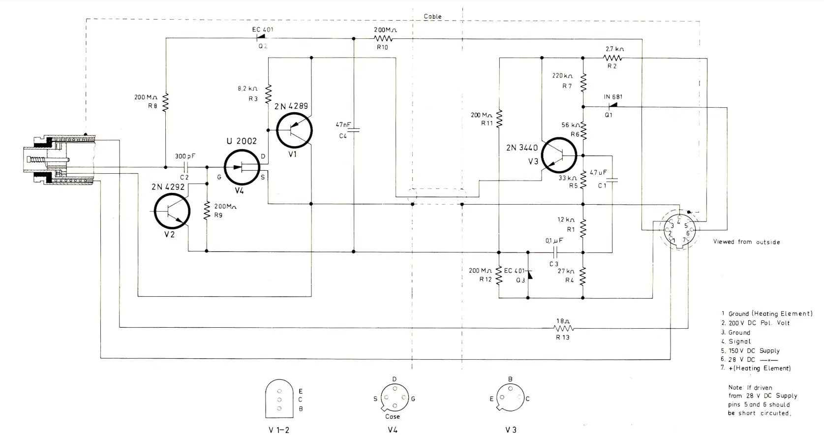
- Circuit Diagram 2619.4
VIEWED FROM OUTSIDE

- Ground (Heating Element)
- 200 V DC Pol. Volt
- Ground
- Signal
- 150 V DC Supply
- 28 V DC –
- + (Heating Element)
Note: If driven from 28 V DC Supply pins 5 and 6 should be short circuited.






















