HiKOKI H 60MC Demolition Hammer Instruction Manual

(Original instructions)
GENERAL POWER TOOL SAFETY WARNINGS
WARNING
Read all safety warnings and all instructions.
Failure to follow the warnings and instructions may result in electric shock, fi re and/or serious injury.
Save all warnings and instructions for future reference.
The term “power tool” in the warnings refers to your mains operated (corded) power tool or battery-operated (cordless) power tool.
- Work area safety
a) Keep work area clean and well lit.
Cluttered or dark areas invite accidents.
b) Do not operate power tools in explosive atmospheres, such as in the presence of flammable liquids, gases or dust.
Power tools create sparks which may ignite the dust or fumes.
c) Keep children and bystanders away while operating a power tool.
Distractions can cause you to lose control. - Electrical safety
a) Power tool plugs must match the outlet.
Never modify the plug in any way.
Do not use any adapter plugs with earthed (grounded) power tools.
Unmodified plugs and matching outlets will reduce risk of electric shock.
b) Avoid body contact with earthed or grounded surfaces, such as pipes, radiators, ranges and refrigerators.
There is an increased risk of electric shock if your body is earthed or grounded.
c) Do not expose power tools to rain or wet conditions.
Water entering a power tool will increase the risk of electric shock.
d) Do not abuse the cord. Never use the cord for carrying, pulling or unplugging the power tool.
Keep cord away from heat, oil, sharp edges or moving parts.
Damaged or entangled cords increase the risk of electric shock.
e) When operating a power tool outdoors, use an extension cord suitable for outdoor use.
Use of a cord suitable for outdoor use reduces the risk of electric shock.
f) If operating a power tool in a damp location is unavoidable, use a residual current device (RCD) protected supply.
Use of an RCD reduces the risk of electric shock. - Personal safety
a) Stay alert, watch what you are doing and use common sense when operating a power tool. Do not use a power tool while you are tired or under the influence of drugs, alcohol or medication.
A moment of inattention while operating power tools may result in serious personal injury.
b) Use personal protective equipment. Always wear eye protection.
Protective equipment such as dust mask, non-skid safety shoes, hard hat, or hearing protection used for appropriate conditions will reduce personal injuries.
c) Prevent unintentional starting. Ensure the switch is in the off position before connecting to power source and/or battery pack, picking up or carrying the tool.
Carrying power tools with your finger on the switch or energizing power tools that have the switch on invites accidents.
d) Remove any adjusting key or wrench before turning the power tool on.
A wrench or a key left attached to a rotating part of the power tool may result in personal injury.
e) Do not overreach. Keep proper footing and balance at all times.
This enables better control of the power tool in unexpected situations.
f) Dress properly. Do not wear loose clothing or jewellery. Keep your hair, clothing and gloves away from moving parts.
Loose clothes, jewellery or long hair can be caught in moving parts.
g) If devices are provided for the connection of dust extraction and collection facilities, ensure these are connected and properly used.
Use of dust collection can reduce dust-related hazards. - Power tool use and care
a) Do not force the power tool. Use the correct power tool for your application.
The correct power tool will do the job better and safer at the rate for which it was designed.
b) Do not use the power tool if the switch does not turn it on and off .
Any power tool that cannot be controlled with the switch is dangerous and must be repaired.
c) Disconnect the plug from the power source and/ or the battery pack from the power tool before making any adjustments, changing accessories, or storing power tools.
Such preventive safety measures reduce the risk of starting the power tool accidentally.
d) Store idle power tools out of the reach of children and do not allow persons unfamiliar with the power tool or these instructions to operate the power tool.
Power tools are dangerous in the hands of untrained users.
e) Maintain power tools. Check for misalignment or binding of moving parts, breakage of parts and any other condition that may affect the power toolʼs operation.
If damaged, have the power tool repaired before use.
Many accidents are caused by poorly maintained power tools.
f) Keep cutting tools sharp and clean.
Properly maintained cutting tools with sharp cutting edges are less likely to bind and are easier to control.
g) Use the power tool, accessories and tool bits etc. in accordance with these instructions, taking into account the working conditions and the work to be performed.
Use of the power tool for operations different from those intended could result in a hazardous situation. - Service
a) Have your power tool serviced by a qualified repair person using only identical replacement parts.
This will ensure that the safety of the power tool is maintained.
PRECAUTION
Keep children and infi rm persons away.
When not in use, tools should be stored out of reach of children and infirm persons.
DEMOLITION HAMMER SAFETY WARNINGS
- Wear ear protectors.
Exposure to noise can cause hearing loss. - Use auxiliary handle(s), if supplied with the tool.
Loss of control can cause personal injury. - Hold power tool by insulated gripping surfaces, when performing an operation where the cutting accessory may contact hidden wiring or its own cord.
Cutting accessory contacting a “live” wire may make exposed metal parts of the power tool “live” and could give the operator an electric shock.
ADDITIONAL SAFETY WARNINGS
- Ensure that the power source to be utilized conforms to the power requirements specified on the product nameplate.
- Ensure that the power switch is in the OFF position. If the plug is connected to a receptacle while the power switch is in the ON position, the power tool will start operating immediately, which could cause a serious accident.
- When the work area is removed from the power source, use an extension cord of sufficient thickness and rated capacity. The extension cord should be kept as short as practicable.
- When using tools such as bull points, cutters, etc., make sure to use the genuine parts designated by our company.
- Be sure to grip the handle and side handle during work.
Do not hold by the grip (A) during work. If you pull it by mistake, the bull point could jump out. - Do not touch the bit during or immediately after operation. The bit becomes very hot during operation and could cause serious burns.
- Before starting to break, chip or drill into a wall, floor or ceiling, thoroughly confirm that such items as electric cables or conduits are not buried inside.
- Wear a mask when turning your head upward.
- Properly set the bit holder.
- At the start of work, confirm screw tightening.
- When working at a highly elevated location, pay attention to articles and persons below.
- Wear protective shoes to protect your feet.
SYMBOLS
WARNING
The following show symbols used for the machine.
Be sure that you understand their meaning before use.


STANDARD ACCESSORIES
In addition to the main unit (1 unit), the package contains the accessories listed in the below.

Standard accessories are subject to change without notice.
APPLICATIONS
Demolishing concrete, chipping off concrete, grooving, bar cutting, and driving piles.
Application examples:
Installation of piping and wiring, sanitary facility installation, machinery installation, water supply and drainage work, interior jobs, harbor facilities and other civil engineering works.
SPECIFICATIONS

* Be sure to check the nameplate on product as it is subject to change by areas.
NOTE
Due to HiKOKI’s continuing program of research and development, the specifications herein are subject to change without prior notice.
MOUNTING AND OPERATION

* By utilizing the empty weight of the machine and by firmly holding the demolition hammer with both hands, one can effectively control the subsequent recoil motion. Proceed at a moderate work-rate, the use of too much force will impair efficiency.
CAUTION
After long time of use, the cylinder case becomes hot.
Therefore, be careful not to burn your hands.
GREASE REPLACEMENT
This machine is of full air-tight construction to protect against dust and to prevent lubricant leakage. This machine can be used without grease supplement for an extended period of time. However, perform the grease replacement to maintain the service life. Replace the grease as described below.
- Grease Replacement Period
You should look at the grease when you change the carbon brush. (See the section MAINTENANCE AND INSPECTION.) Ask for grease replacement at the nearest authorized HiKOKI Service Center. In the case that you are forced to change the grease by yourself, please follow the following points. - How to replace grease
CAUTION
Before replacing the grease, turn the power off and pull out the plug from the receptacle.
- Remove the crank cover and wipe off the old grease inside.
- Supply 76 g (the standard volume to cover the connecting rod) of HiKOKI Electric Hammer Grease A to the crank case.
- After replacing the grease, install the crank cover securely. At this time, do not damage or lose the oil seal.
NOTE
The HiKOKI Electric Hammer Grease A is of the low viscosity type. When the grease is consumed, purchase from an authorized HiKOKI Service Center.
MAINTENANCE AND INSPECTION
CAUTION
Be sure to switch OFF and disconnect the attachment plug from the receptacle to avoid a serious accident.
- Inspecting accessories
Since use of a dull accessory, such as a bull point, a cutter, etc. will degrade efficiency and cause possible motor malfunction, sharpen or replace with a new one as soon as abrasion is noted. - Inspecting the mounting screws
Regularly inspect all mounting screws and ensure that they are properly tightened. Should any of the screws be loose, retighten them immediately. Failure to do so could result in serious hazard. - Maintenance of the motor
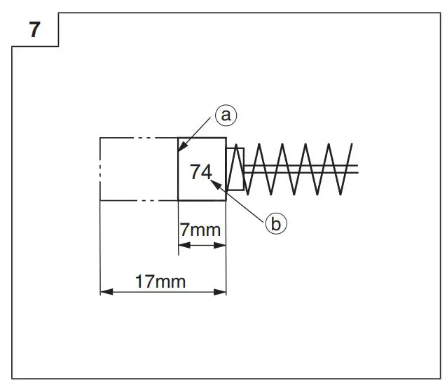
The motor unit winding is the very “heart” of the power tool. Exercise due care to ensure the winding does not become damaged and/or wet with oil or water. - Inspecting the carbon brushes (Fig. 7)
The Motor employs carbon brushes which are consumable parts. When they become worn to or near the “wear limit” ⓐ, it results in motor trouble.
When an auto-stop carbon brush is equipped, the motor will stop automatically. At that time, replace both carbon brushes with new ones which have the same carbon brush Numbers ⓑ shown in the Fig. 7. In addition, always keep carbon brushes clean and ensure that they slide freely within the brush holders. - Replacing carbon brushes
Loosen the set screw and remove the tail cover. Remove the brush caps and carbon brushes. After replacing the carbon brushes, do not forget to tighten the brush caps securely and to install the tail cover.
CAUTION
In the operation and maintenance of power tools, the safety regulations and standards prescribed in each country must be observed.
GUARANTEE
We guarantee HiKOKI Power Tools in accordance with statutory/country specific regulation. This guarantee does not cover defects or damage due to misuse, abuse, or normal wear and tear. In case of complaint, please send the Power Tool, undismantled, with the GUARANTEE CERTIFICATE found at the end of this Handling instruction, to a HiKOKI Authorized Service Center.
IMPORTANT
Correct connection of the plug
The wires of the main lead are coloured in accordance with the following code:
Blue: — Neutral
Brown: — Live
As the colours of the wires in the main lead of this tool may not correspond with the coloured markings identifying the terminals in your plug proceed as follows:
The wire coloured blue must be connected to the terminal marked with the letter N or coloured black. The wire coloured brown must be connected to the terminal marked with the letter L or coloured red. Neither core must be connected to the each terminal.
NOTE
This requirement is provided according to BRITISH STANDARD 2769: 1984.
Therefore, the letter code and colour code may not be applicable to other markets except The United Kingdom.
Information concerning vibration
Vibration total values (triax vector sum) determined according to EN60745.
Chiselling:
Vibration emission value ah, Cheq = 20.0 m/s2
Uncertainty K = 4.3 m/s2
The declared vibration total value has been measured in accordance with a standard test method and may be used for comparing one tool with another.
It may also be used in a preliminary assessment of exposure.
WARNING
- The vibration emission during actual use of the power tool can diff er from the declared total value depending in the ways in which the tool is used.
- Identify safety measures to protect the operator that are based on an estimation of exposure in the actual conditions of use (taking account of all parts of the operating cycle such as the times when the tool is switched off and when it is running idle in addition to the trigger time).
NOTE
Due to HiKOKI’s continuing program of research and development, the specifications herein are subject to change without prior notice.






![]()
GUARANTEE CERTIFICATE
- Model No.
- Serial No.
- Date of Purchase
- Customer Name and Address
- Dealer Name and Address (Please stamp dealer name and address)

Hikoki Power Tools Deutschland GmbH
Siemensring 34, 47877 willich, Germany
Tel: +49 2154 49930
Fax: +49 2154 499350
URL: http://www.hikoki-powertools.de
EC DECLARATION OF CONFORMITY
We declare under our sole responsibility that Demolition Hammer, identified by type and specific identification code *1), is in conformity with all relevant requirements of the directives *2) and standards *3). Technical fi le at *4) – See below.
The European Standard Manager at the representative office in Europe is authorized to compile the technical file.
2000/14/EC
- Type of equipment: Hand-held concrete breaker
- Type name: H60MC
- Weight of equipment: 10.7 kg
- Conformity assessment procedure: Annex VI
- Notified Body: CE 0044 TÜV NORD CERT Am TÜV 1, 30519 Hannover, Germany
- Measured sound power level: 100 dB
- Guaranteed sound power level: 102 dB
The declaration is applicable to the product affi xed CE marking.
- H60MC C349738S
- 2006/42/EC, 2014/30/EU, 2000/14/EC, 2011/65/EU
- EN60745-1:2009+A11:2010
EN60745-2-6:2010
EN55014-1:2006+A1:2009+A2:2011
EN55014-2:1997+A1:2001+A2:2008
EN61000-3-2:2014
EN61000-3-3:2013 - Representative offi ce in Europe
Hikoki Power Tools Deutschland GmbH
Siemensring 34, 47877 Willich, GermanyHead office in Japan
Koki Holdings Co., Ltd.
Shinagawa Intercity Tower A, 15-1, Konan 2-chome,
Minato-ku, Tokyo, Japan29. 6. 2018
Naoto Yamashiro
European Standard Manager

806
Code No. C99704671 M
Printed in Malaysia

















