Contents hide
ICSTATION HU-012BT Voice Digital Electronic Clock DIYKit

Introduction
HU-012BT is a Voice Digital Electronic Clock DIY Kit. It will display current date and time and temperature in the real time.User can set alarm as your needs.It is easy to operate, beautiful design, very suitable for home or office environment.
It is a very interesting DIY electronic product which enables users to understand the circuit more clearly and learn soldering skills.
Feature
- Automatic brightness adjustment
- Time/Date/Alarm/Temperature
- 12H or 24H hourly optional system
- Time memory function
- Temperature can be calibrated
- Voice Hourly Report
- DIY manual soldering
- Simple and easy to operate
Parameter
- Item name: HU-012BT Voice Digital Electronic Clock DIY Kit
- Model:HU-012BT
- Work voltage:DC 5V
- Work Temperature:-20℃~85℃
- Work Humidity:5%~95%RH
- Size(Installed):122*66*30mm
Functions
- Light control brightness
- 12/24H time display mode
- Two selectable alarm clock ringtones
- Voice time broadcast
- Hourly report
- Display temperature
- Temperature calibration
- Display date
- Display week
- Set alarm
- Power-off memory
Parameters Set
- Reset and Enter Set Mode: Keep press S3/Right-UP and S2/Right-Down buttons for 10~15secondand then release to Reset and Enter Set Mode. It will return to factory settings by display time 7:59 and after 30second,the alarm will turn ON at 8:00. Press S1/Top button can stop alarm. Note:Every time you enter setup mode, it resets and all parameters must be reset.
- Calibration temperature: Short press S3/Right-UP button for the 1st time and then press
S2/Right-Down button to calibrate the temperature value. (Note: The parameter value will flash automatically and the same as following functions) Keep press S2 can change the value quickly. - Set Year: Short press S3/Right-UP button for the 2nd time and then press S2/Right-Down button to set value for current year.
- Set Month: Short press S3/Right-UP button for the 3rd time and then press S2/Right-Down button to set value for current month.
- Set Day: Short press S3/Right-UP button for the 4th time and then press S2/Right-Down button to set value for current day.
- Set Week: Short press S3/Right-UP button for the 5th time and then press S2/Right-Down button to set value for current week.
- Set 12/24H mode: Short press S3/Right-UP button for the 6th time and then press S2/Right-Down button to select AA12 for 12H or AA24 for 24H.
- Set Hour: Short press S3/Right-UP button for the 7th time and then press S2/Right-Down button to set value for current hour.
- Set Minute: Short press S3/Right-UP button for the 8th time and then press S2/Right-Down button to set value for current minute.
- ON/OFF Alarm: Short press S3/Right-UP button for the 9th time and then press S2/Right-Down button to turn ON or OFF alarm. It will display ‘A ON’ or ‘AOFF’.
- Set Alarm Hour: Short press S3/Right-UP button for the 10th time and then press S2/Right-Down button to set value for alarm hour. This parameter can be set when turn ON Alarm for ‘A ON’.
- Set Alarm Minute: Short press S3/Right-UP button for the 11th time and then press
S2/Right-Down button to set value for alarm minute. This parameter can be set when turn ON Alarm for ‘A ON’. - Set Alarm Rings: Short press S3/Right-UP button for the 12th time and then press S2/Right-Down button to set rings for alarm.It will display ‘V 00’ or ‘V 01’.
- ON/OFF Hourly Report: Short press S3/Right-UP button for the 13th time and then press
S2/Right-Down button to turn ON or OFF Hourly Report. It will display ‘C ON’ or ‘COFF’. - Set Hourly Report Start Hour: Short press S3/Right-UP button for the 14th time and then press S2/Right-Down button to set value for Hourly Report Start hour. This parameter can be set when turn ON Hourly Report for ‘C ON’.
- Set Hourly Report Stop Hour: Short press S3/Right-UP button for the 15th time and then press S2/Right-Down to set value for Hourly Report Stop Hour. Such as 07:21 means Hourly Report from 7:00 to 21:00. This parameter can be set when turn ON Hourly Report for ‘C ON’.
- Save and Exit: Short press S3/Right-UP button for the 16th time to save parameters and return to normal display status.
Auxiliary Function
- Stop alarm: Press S1/Top button to stop alarm when it is working.
- Light control function: Keep press S2/Right-Down about 1~3 second at normal display status to turn ON/OFF Light control function.
- Set display mode: Keep press S2/Right-Down about 3~5 second to switch display mode: Only display time or Display time, day, week, temperature in turns.
- Speech time clock: Press S1/Top button to broadcast time, date, temperature.
Component list
| NO. | Component Name | PCB Marker | Parameter | QTY |
| 1 | IC Socket | DS1302,NY3P | DIP-8 | 2 |
| 2 | DS1302 Clock IC | DS1302 | DIP-8 | 1 |
| 3 | NY3P Voice IC | NY3P | DIP-8 | 1 |
| 4 | IC Socket | MCU | DIP-28 | 1 |
| 5 | STC15F204EA | MCU | DIP-28 | 1 |
| 6 | Metal Film Resistor | R1-R8 | 510ohm | 8 |
| 7 | Metal Film Resistor | R9,R10 | 10Kohm | 2 |
| 8 | Metal Film Resistor | R11-R13 | 4.7Kohm | 3 |
| 9 | Ceramic Capacitor | C1-C3 | 0.1uF 104 | 3 |
| 10 | Ceramic Capacitor | C4,C5 | 22pF | 2 |
| 11 | Electrolytic Capacitor | C6 | 470uF | 1 |
| 12 | NTC Temperature Sensor | NTC | 10K B:3950 1% | 1 |
| 13 | Photoresistor | LDR | 1 | |
| 14 | Crystal Oscillator | XTAL | 32.768k | 1 |
| 15 | Black Button | S1-S3 | 1 | |
| 16 | Speaker | BEEP | 8ohm 0.5W | 1 |
| 17 | DC-005 Power Socket | DC-IN | 5.5*2.1mm | 1 |
| 18 | CR1220 Battery Socket | BAT | 1 | |
| 19 | LED Red Digital Tube | DS1-DS4 | 1Bit | 4 |
| 20 | Red wire | 10cm | 1 | |
| 21 | Black wire | 10cm | 1 | |
| 22 | USB Power Cable | 100cm | 1 | |
| 23 | Acrylic Board | 7 | ||
| 24 | Filter | 92*35mm | 1 | |
| 25 | Double-sided tape | 15*15mm | 1 | |
| 26 | Copper Pillar | M2*23mm | 4 | |
| 27 | Screw | M2*6mm | 8 | |
| 28 | PCB | 92*35*1.6mm | 1 | |
Note:
| ||||
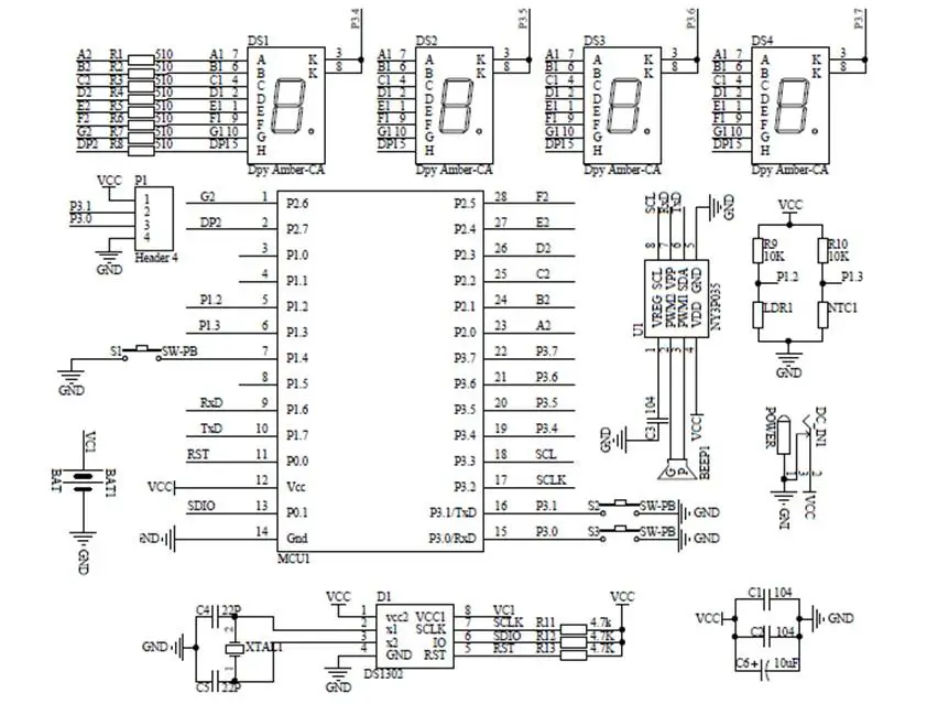
Schematic Diagram

Installation Tips
- User needs to prepare the soldering tool at first.
- Soldering iron (<50 Watt)
- Rosin core (“radio”) solder
- Wire cutters
- Wire strippers
- Philips screwdriver
- Please be patient until the installation is complete.
- The package is DIY kit.It need finish install by user.
- The soldering iron can’t touch components for a long time(1.0s), otherwise damage components.
- Pay attention to the positive and negative of the components.
- Strictly prohibit short circuit.
- Install complex components preferentially.
- Make sure all components are in right direction and right place.
- Please wear anti-static gloves or anti-static wristbands when installing electronic components.
- It is strongly recommended to read the installation manual before starting installation!!!
Installation Steps(Please be patient)
- Step 1: Install 8pcs 510ohm Metal Film Resistor at R1-R8. Identify the resistor value as shown in color: Green/Brown/Black/Black/Brown.

- Step 2: Install 2pcs 10Kohm Metal Film Resistor at R9,R10. Identify the resistor value as shown in color: Brown/Black/Black/Red/Brown.
- Step 3: Install 3pcs 4.7Kohm Metal Film Resistor at R11-R13. Identify the resistor value as shown in color: Yellow/Purple/Black/Brown/Brown.

- Step 4: Install 1pcs 32.768K Crystal Oscillator at XTAL.
- Step 5: Install 1pcs 10K B:3950 1% NTC Temperature Sensor at NTC. Pay attention to reserve 3mm distance.

- Step 6: Install 1pcs Photoresistor at LDR. Pay attention to reserve 3mm distance.
- Step 7: Install 1pcs DIP-28 IC Socket at MCU. There is a mark(notch) on one end of the IC Socket and there is a mark(curved silk screen printing) on PCB where the IC Socket can place on. These two marks are corresponding to each other and are used to specify the installation direction of the IC Socket.

- Step 8: Install 2pcs DIP-8 IC Socket at DS1302,NY3P by the same method.

- Step 9: Install 1pcs CR1220 Battery Socket at BAT. Pay attention to the installation direction. 10>.Step 10: Install 2pcs 22pF Ceramic Capacitor at C4,C5.

- Step 11: Install 3pcs 0.1uF 104 Ceramic Capacitor at C1-C3.
- Step 12: Install 1pcs 470uF Electrolytic Capacitor at C6. There is a white ‘ + ’ on PCB silk screen printing where the positive(anode) can insert into. The longer lead is positive(anode)

- Step 13: Install 3pcs Black Button at S1-S3.
- Step 14: Install 1pcs 5.5*2.1mm DC-005 Power Socket at DC-IN.

- Step 15: Install 1pcs DIP-28 IC STC15F204EA at MCU. There is a mark(notch) on one end of the IC Socket and there is a mark(curved silk screen printing)on PCB where the IC can place on. These two marks are corresponding to each other and are used to specify the installation direction of the IC.

- Step 16: Install 1pcs DIP-8 IC DS1302 Clock Chip by the same method.

- Step 17: Install 1pcs DIP-8 IC NY3P Voice Chip by the same method.
- Step 18: Install 1pcs 3V CR1220 Battery on battery socket. Note the front of battery.
Note: Users need to prepare their own CR1220 battery, otherwise the data cannot be saved after disconnect power.
- Step 19: Connect 1pcs 8ohm 0.5W Speaker to BEEP by 15cm red and black wire.
- Step 20: Install 4pcs 1Bit LED Red Digital Tube at DS1-DS4.Pay attention to the installation direction of the decimal point. The installation direction of the third one is different.

- Step 21: Paste the speaker on the chip by double-sided adhesive.

- Step 22: Tear off the protective film on the surface of acrylic board.

- Step 23: Fix 4pcs M2*23mm Copper Pillar on acrylic board by 4pcs M2*6mm Screw. Be careful not to tighten, to facilitate the installation steps later.

- Step 24: Cut off the excess filter with scissors, and then put it on top of the acrylic, taking care not to cover the mounting holes
(Note: The filter can also be unmounted)
- Step 25: Place PCB module on acrylic board within 4pcs M2*23mm Copper Pillar.

- Step 26: Place 4pcs Acrylic Board on sides.

- Step 27: Fix top Acrylic Board by 4pcs M2*6mm Screw.

- Step 28: Connect to power supply and set parameters according to set method.
Install shown steps







































