Mircom TX3-IP-NP-256 Telephone Access System Module Installation Guide

TX3-IP-NP-256 Installation
These instructions explain how to install the TX3-IP-NP-256 in the following TX3 units:
TX3-2000-8U-C-256
TX3-2000-8C-C-256
A. Contents of Kit
- TX3-IP-NP-256
- 2 Nuts for attaching TX3-IP-NP-256 to the TX3 unit
- USB cable for programming TX3-IP-NP-256
- USB flash containing TX3 software and manuals
B. Mount TX3-IP-NP-256
- Mount TX3-IP-NP-256 on the two posts as shown in Figure 1.
- Secure it with the provided nuts.

Figure 1 Mount TX3-IP-NP-256
C. Wiring
WARNING: Disconnect the power before wiring.
- RS-485 wiring maximum total length: 1219.2 m (4000 ft)
- PoE maximum length: 100 m (328 ft)

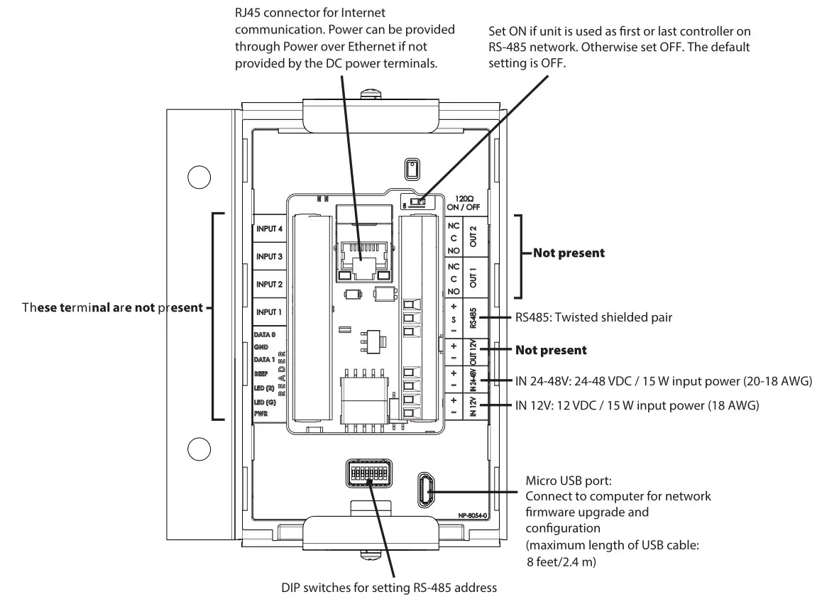
Figure 2 Wiring TX3-IP-NP-256
D. DIP Switch
- Use DIP switches 1-6 (shown in Figure 1) to set the RS-485 network address.
Figure 3 Set the RS-485 address
Note: You must set the RS-485 address even if you are not using RS-485.
- DIP switch 7: keep off.
- DIP switch 8: Set open (off) to get an IP address from the DCHP server, and set closed (on) to set a fixed IP address using the TX3 Configurator software. The default setting is off.
For more information and the complete list of RS-485 addresses, see LT-980, the TX3 Card Access System Manual, on the Mircom website (www.mircom.com) or the USB flash.
E. RS-485
Connect the RS-485 input terminal to the RS-485 output terminal of another controller. See Figure 4.
Set the 120Ω switch ON (shown in Figure 2) if unit is used as first or last controller on RS-485 network. Otherwise set OFF. The default setting is OFF.
Note: Use twisted shielded pair.
Recommended cables:
- RS485 cables
• Belden 3109A RS-485, (4 pr) 22 AWG (7×30) or equivalent
• Belden 9842 RS-485, (2 pr) 24 AWG (7×32) or equivalent
• Belden 9841 RS-485, (1 pr) 24 AWG (7×32) or equivalent - CAT5 Cables
• Belden 72001E ETHERNET Cat 5e 2 Pair, 24 AWG or equivalent
• Belden 70006E Cat 5e, 100Mb/s, Quad, AWG 22 (1) or equivalent
Maximum total length:
- 4000 feet (1244 m) for 22 AWG
- 2500 feet (762.5 m) for 24 AWG

Figure 4 RS-485
F. USB Port
The USB port provides a connection to a PC, for configuring the Card Access System and upgrading the firmware.
G. Power
The Single Door Controller can be powered in three ways. Use only one of the power inputs.
- Power over Ethernet (PoE) – use Cat 5 cable
- 12 VDC/15 W – use 18 AWG
- 24-48 VDC/15 W – use 20-18 AWG
H. Example Network Diagram
Use TX3-IP-NP-256 IP Gateway to connect TX3 devices to an Ethernet network. The IP Gateway is a bridge between RS-485 on the device side, and Ethernet on the network side.

Figure 5. TX3 devices on a mixed network with TX3-IP-NP-256
LT-5997-256 Rev 0 March 2022
Subject to change without notice. See http://www.mircom.com for the latest information
Figure 3 Set the RS-485 address
















