
Notification
Strobe, 29 Candela, Explosion Proof
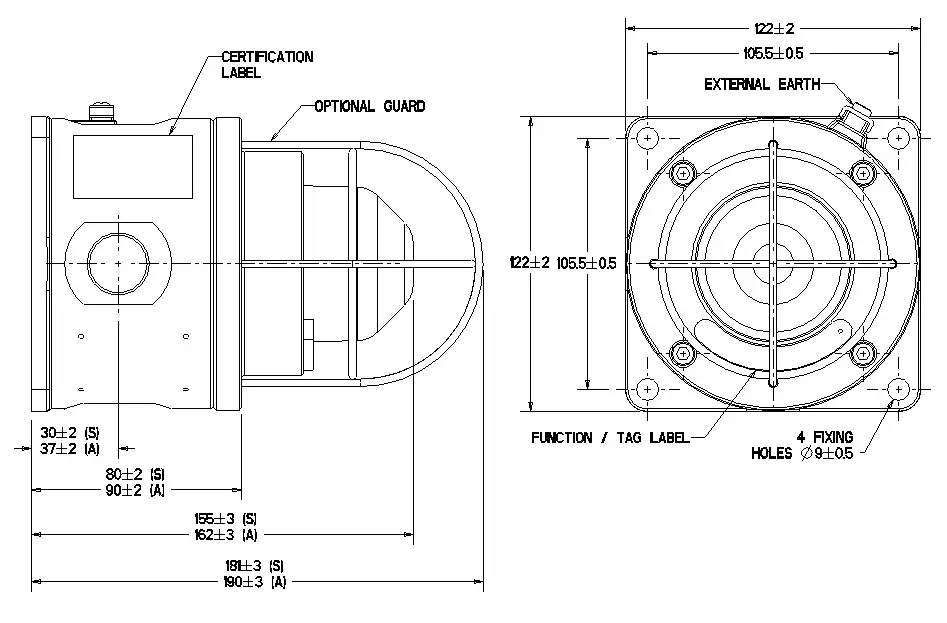
SM87

Description:
These certified strobes have been designed for use in harsh environmental conditions. The marine grade alloy enclosures are suitable for use offshore or onshore, where light weight combined with corrosion resistance and strength is required. Units can be painted to customer specification and fitted with identification labels.
A high temperature unit is available.
Architects and Engineers Specifications
Explosion-proof strobes shall be UL and cUL Listed for Class I, Division 1, Groups C&D, and Class I, Zone 1 hazardous locations. The strobes shall be constructed of marine grade alloy with an epoxy paint finish and shall meet NEMA 4x, NEMA6, IP 66 and IP 67 environmental requirements over a temperature range of -67°F to 158°F (-55°C to 70°C) in hazardous and harsh environments.
The strobe shall be rated to flash at 1 Hz with 5 joules per flash. Rated current draw shall not exceed 320 mA at 24 vdc. The strobe shall be capable of direct surface mounting in any direction.
Features*:
- UL Listed for USA and Canada:
- Class I, Div. 1, Groups C & D
- Class I, Zone 1 AExd IIB
- CSA Certified
- cUL Listed
- ATEX Approved
- NEMA 4x &6, IP66 and IP67
- Certified temperature 67°F to +158°F (55°C to +70°C)
- High temperature unit (up to 185°F/85°C) available
- Various lens colors
- Optional lens guard
- 4 wire monitored connection
- 24 & 48 VDC
- 110, 120, 240 & 254 VAC
- Xenon
- 29 Candela with clear lens
*Depending on version
Note: Due to continuous development of our products, specifications and offerings are subject to change without notice in accordance with Cooper Wheelock standard terms and conditions.

Specification
| Voltage | DC | AC 50/60 Hz | ||||
| 24 | 48 | 110 | 120 | 240 | 254 | |
| SM87 HXB XBT Tube Energy (Joules) | 5 | 5 | 6 | 7 | 7 | 8 |
| Peak Current Consumption (mA) | 320 | 170 | 250 | 275 | 135 | 150 |
| Effective Intensity (Cd) | 29 | 29 | 32 | 39 | 39 | 44 |
| Peak Intensity | 22213 | 22213 | 25061 | 30187 | 30187 | 34174 |
| Power Consumption (Watts) | 7.2 | 7.6 | 25 | 27 | 27 | 35 |
FOR COLORED LENSES
| Color | Red | Blue | Amber | Green | Yellow |
| Multiplying Factor | 0.15 | 0.12 | 0.51 | 0.49 | 0.86 |
| Certification: | UL Listed fro USA and Canada for Class I, Div I. Groups C & D and Class I, Zone 1. Listing No. E187894. CSA Certification to C22.2 Nos. 0, 0.4, 0.5, 9, 30-M 1986, 94-M91, 137-M 1981, Class 1, Div 1, Group 0, Enclosure 3/4, Cert. No. 96406 ATEX approved: EN50014, EN50018, EN50019. Cert. No. Baseefa 03ATEX0222, EExd IIC T6 |
| Weight: | 4.4lb./2.0kg. approx. |
| Material: | LM25 TF Marine Grade Alloy, Finish: Expoxy paint as standard or to customer’s specification Lens – Toughened Glass |
| Certified Temperature: | Standard unit SM87 HXB: –67°F to +158°F (–55°C to +70°C). High temperature unit: –67°F to +185°F (–55°C to +85°C) |
| Ingress Protection: | NEMA 4x & 6, IP66 & IP67 |
| Terminals: | 4 off suitable for up to 14AWG conductor size |
| Labels: | Duty & Tag Labels optional |
Configuration Options:
The following code is designed to help in the selection of the correct unit. Build up the reference number by inserting the code for each component into the appropriate box.

Standard Models
| Series | Model Number | Order Code | Decription |
| SM87 | SM87HXBAUL024RN4L4RNNR | 109200-001 | Strobe, Red Lens, 29 Joules, 24 VDC, Red finish |
| SM87 | SM87HXBAUL024CN4L4RNNR | 109200-002 | Strobe, Clear Lens, 29 Joules, 24 VDC, Red finish |
| SM87 | SM87HXBAUL110AN3R3LNNR | 109200-003 | Strobe, Amber Lens, 29 Joules, 110 VAC, Red finish |
| SM87 | SM87HXBAUL11ORN3R3LNNR | 109200-004 | Strobe, Red Lens, 29 Joules, 110 VAC, Red finish |
![]()
WE ENCOURAGE AND SUPPORT NICET CERTIFICATION
3 YEAR WARRANTY
SM87 02/08
![]()
NJ Location | FL Location 7565 Commerce Ct. Sarasota, FL 34243 P: 941-487-2300 F: 941-487-2389 | VA Location |

Cooper Notification is Wheelock®![]()
















