FISHER & PAYKEL
WALL RANGE HOOD, CHIMNEY PYRAMID
CLASSIC
HC24PCX1, HC30PCX1, HC30PCB1, HC30PCR1, HC30PCW1, HC36PCX1,
HC36PCB1, HC36PCR1 & HC36PCW1
INSTALLATION GUIDE
US CA
Registration
To register your product visit our website: fisherpaykel.com/register
SAFETY AND WARNINGS
| |
| Electric Shock Hazard Failure to follow this advice may result in electric shock or death.
| |
| |
| Weight Hazard Failure to follow this advice may result in personal injury
| |
READ AND SAVE THESE INSTRUCTIONS
WARNING!
When using this appliance always exercise basic safety precautions including the following:
General
- Please read the entire set of instructions before installing or using this appliance.
- Please make this information available to the person installing the appliance.
- Always switch the power off prior to installation, servicing, or cleaning of the appliance.
- The room must have adequate ventilation when the range hood is used at the same time as appliances burning gas or other fuels.
- Stainless steel or powder coat is very easily damaged during installation if abraded or knocked by tools. It is recommended to protect the top of the appliance with cardboard or polystyrene during the installation to minimize the risk of damage occurring.
- To reduce the risk of damage occurring to the cooktop, it is recommended that the surface of the cooktop is protected with cardboard or a similar object during the installation of the range hood.
- Attention should be given to ensure that any applicable regulations concerning the discharge of exhaust air are fulfilled.
- Before connecting any pipes, consult municipal ordinances to ensure that any applicable regulations concerning the discharge of exhaust air are adhered to and request permission from the person in charge of the building.
- Exhaust air must not be discharged into an existing flue that is used for exhausting fumes from appliances burning gas or other fuels.
WARNING! TO REDUCE THE RISK OF FIRE, ELECTRIC SHOCK, OR INJURY TO PERSONS, OBSERVE THE FOLLOWING:
- Installation work and electrical wiring must be done by a qualified person(s) in accordance with all applicable codes and standards, including fire-rated construction.
- Sufficient air is needed for proper combustion and exhausting of gases through the flue (chimney) of fuel-burning equipment to prevent back drafting.
Follow the heating equipment manufacturer’s guidelines and safety standards such as those published by the National Fire Protection Association (NFPA), and the American Society for Heating, Refrigeration and Air Conditioning Engineers (ASHRAE), and the local code authorities. - When cutting or drilling into a wall or ceiling, do not damage electrical wiring and other hidden utilities.
- Ducted fans must always be vented to the outdoors.
- This unit must be grounded.
- Wear gloves to protect against sharp edges.
Electrical
- This appliance must be installed and connected to the mains power supply only by a qualified person according to these installation instructions and in compliance with any applicable local building and electricity regulations. Failure to install the appliance correctly could invalidate any warranty or liability claims.
- To comply with electrical safety regulations, the appliance must be plugged into a socket near the appliance. The socket must be accessible, or have an accessible isolating switch, to enable the end-user to isolate the appliance from the power for the purpose of internal cleaning or maintenance.
- A power outlet should be within 750mm of the motor assembly and can either be on the wall, behind the chimney or in the ceiling.
- If the supply cord of this equipment is damaged, it must only be replaced by the manufacturer, its service agent, or a similarly qualified person in order to avoid a hazard.
- Ducting accessories are not supplied. All ducting must comply with local requirements and building codes.
- Electrical wiring must be done by a qualified person(s) in accordance with all applicable codes and standards and the unit must be grounded.
- Installation work and electrical wiring must be done by a qualified person(s) in accordance with all applicable codes and standards, including fire-rated construction.
Fire
- WARNING: To reduce the risk of fire, use only metal ductwork. Do not use flexible plastic ducting.
- CAUTION: To reduce the risk of fire and to properly exhaust air, be sure to duct air outside – do not vent exhaust air into spaces within walls or ceilings or into attics, crawl spaces, or garages.
- To reduce the risk of fire and electric shock, install this range hood only with the integral blowers supplied with this range hood.
- The 8’ metal duct adapter supplied with this rangehood must be used for connecting any ducting to this range hood. Ducting should not be fitted onto the plastic blower outlet.
PARTS SUPPLIED
![]() |
![]() |
PRIOR TO INSTALLATION
The manufacturer is not liable for any damage caused by not following these instructions.
- Unpack the range hood.
- Ensure the voltage (V) and the frequency (Hz) indicated on the rating plate match the voltage and frequency of the installation site.
- Check that the area behind the installation surface to be drilled is clear of any electrical cables or pipes etc.
- The range hood surfaces can be damaged during installation if grazed or knocked by tools. Please take care to protect the surfaces during installation.
- Protect the cooktop surface with cardboard, or the like, to prevent damage from occurring whilst the range hood is being installed above.
- The wall used for mounting the rangehood should have sufficient strength and a flat surface.
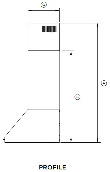
PRODUCT DIMENSIONS – 24″ MODELS
| ![]() |
![]() | ![]() |
PRODUCT DIMENSIONS – 24″ MODELS
| HC24 | ||
| PRODUCT DIMENSIONS | IN | MM |
| A maximum overall height of the product | 38 3/8 | 975 |
| B Minimum overall height of the product | 25 1/16 | 636 |
| C Overall width of the product | 23 9/16 | 598 |
| D Overall depth of product | 19 11/16 | 500 |
| E Height of the product | 11 3/4 | 298 |
| F Width of chimney | 12 5/8 | 320 |
| G Depth of chimney | 11 7/16 | 290 |
| H Distance from center of ducting outlet to the back of the product | 4 5/16 | 110 |
| I Distance from the center of ducting outlet to the side of the chimney | 6 5/16 | 160 |
| J Diameter of ducting outlet | 7 7/ 8 | 200 |
| K Distance between the center of lights | 16 1/4 | 413 |
| L Distance between center of lights and back of the product | 1 5/8 | 42 |
Actual product dimensions may vary by ± 1/16’ (2 mm).
PRODUCT DIMENSIONS – 30″ MODELS
| ![]() |
![]() | ![]() |
| HC30 | ||
| PRODUCT DIMENSIONS | IN | MM |
| A maximum overall height of the product | 38 3/8 | 975 |
| B Minimum overall height of the product | 25 1/16 | 636 |
| C Overall width of the product | 29 3/4 | 755 |
| D Overall depth of product | 19 11/16 | 500 |
| E Height of the product | 11 3/4 | 298 |
| F Width of chimney | 12 5/8 | 320 |
| G Depth of chimney | 11 7/16 | 290 |
| H Distance from center of ducting outlet to the back of the product | 4 5/16 | 110 |
| I Distance from center of ducting outlet to the side of the chimney | 6 5/16 | 160 |
| J Diameter of ducting outlet | 7 7/ 8 | 200 |
| K Distance between the center of lights | 16 1/4 | 413 |
| L Distance between center of lights and back of the product | 1 5/8 | 42 |
Actual product dimensions may vary by ± 1/16’ (2 mm).
PRODUCT DIMENSIONS – 36″ MODELS
| ![]() |
![]() | ![]() |
| HC36 | ||
| PRODUCT DIMENSIONS | IN | MM |
| A Maximum overall height of the product | 38 3/8 | 975 |
| B Minimum overall height of the product | 25 1/16 | 636 |
| C Overall width of the product | 35 3/8 | 898 |
| D Overall depth of product | 19 11/16 | 500 |
| E Height of the product | 11 3/4 | 298 |
| F Width of chimney | 12 5/8 | 320 |
| G Depth of chimney | 11 7/16 | 290 |
| H Distance from center of ducting outlet to the back of the product | 4 5/16 | 110 |
| I Distance from center of ducting outlet to the side of the chimney | 6 5/16 | 160 |
| J Diameter of ducting outlet | 7 7/ 8 | 200 |
| K Distance between the center of lights | 16 1/4 | 413 |
| L Distance between center of lights and back of the product | 1 5/8 | 42 |
Actual product dimensions may vary by ± 1/16’ (2 mm).
INSTALLATION HEIGHT

| HEIGHT DIMENSIONS | IN | MM |
A Ducted installation
| 25 1/16 38 3/8 | 636 975 |
Recirculation
| 26 5/8 38 3/8 | 676 975 |
| B Height top of cooktop to base of the product | 26 – 30 | 660 – 762 |
This range hood must be installed no lower than the minimum height indicated in the table above. Minimum installation height may be greater if required by the cooktop, refer to your cooktop installation instructions.
Installation at the minimum height will improve the efficiency of capturing cooking odors, grease, and smoke. Installation above the minimum height is the user’s preference, it is not recommended to install above the maximum height indicated in the table above.
ATTACHMENT DIMENSIONS

| ATTACHMENT DIMENSIONS | IN | MM |
| A Lower range hood attachment point width | 20 | 508 |
| B Lower range hood attachment point height | 1 3/4 | 45 |
| C Upper range hood attachment point width | 9 7/ 8 | 250 |
| D Upper range hood attachment point height | 11 1/4 | 286 |
| E Chimney bracket attachment point width | 9 7/ 8 | 250 |
| F Chimney bracket attachment point height | 31 1/4 | 794 |
| G Upper chimney bracket attachment point width | 9 7/ 8 | 250 |
| H Upper chimney bracket attachment point height | 1 | 25 |
VENTING OPTIONS
Attention should be given to ensure that any applicable regulations concerning the discharge of exhaust air are fulfilled.
Ducted
It is recommended that 8″ (203mm) diameter, rigid, or semi-rigid ducting is used. This will require an 8 1/4″ (210mm) (min) round hole in the ceiling or wall. Care should be taken to position the hole correctly.
For optimal efficiency use the shortest and straightest duct route possible and use rigid or semi-rigid ducting for reduced noise and increased airflow. Flexible metal ducting should only be used as a last resort (ie in difficult installations) and if used ensure that it is straight, smooth, and extended as much as possible.

Recirculating
To enable the product to operate with the air recirculating, purchase a recirculation diverter and carbon filters (refer to the ‘Parts and accessories’ section). This recirculation diverter is required to channel the air out the side vents at the top of the chimney and the carbon filters are required to remove odors.
A ducting hole is not required in the wall or ceiling if the ventilation hood is installed to operate with exhaust air recirculating.
ELECTRICAL REQUIREMENTS

Before connecting the range hood to the power supply, ensure the voltage and frequency indicated on the rating plate match that of the installation location.
| MODEL | FREQUENCY | VOLTAGE |
| HC24, HC30, HC36 | 60 Hz | 120 V |
PREPARE RANGE HOOD
Warning: Failure to install the screws or fix the device in accordance with these instructions may result in electrical hazards.

Remove the filters –pull the catch and tilt the filter downwards until it disengages from the supports.
ATTACH BRACKETS AND MOUNTING SCREWS
![]() | Temporarily mark the height of the bottom of the range hood and the center of the cooktop on the wall according to the information provided in ‘Installation Height’. |
![]() | Attach the chimney bracket and upper chimney bracket (if using the upper chimney). Use the 1 3/16″ (30mm) screws and expansion plugs if attaching to masonry. |
![]() | Attach the upper hood mounting screws. Use the 1 3/16″ (30mm) screws and expansion plug if attached to masonry.Ensure that there is a 1/16″ (2mm) gap between the screw head and the wall. |
HANG RANGE HOOD
![]() | Hang the range hood of the upper range hood mounting screws with 1/16″ (2mm) gap. Hang off the keyhole attachment points on the back of the range hood then tighten the screws. |
![]() | Attach the lower range hood mounting screws to fix the range hood to the wall.Refit the filters. |
![]() | Attach ducting to the ducting adapter using aluminum duct tape. |
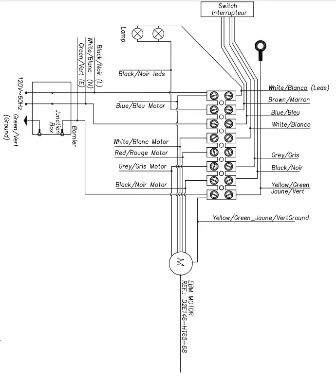
ELECTRICAL CONNECTION

- Run three wires from the power connection box on the range hood to the PowerPoint.
- Two wires for the power supply and one for the ground wire.
Open the power connection box on the range hood and secure the power conductor with strain relief (not included). - Connect the power conductors to the conductors for the range hood, black to black and white to white.
- Connect the grounding wire (green or bare) to the ground conductor (green) of the range hood power connection box.
Secure all the connections with wire nuts.
Replace the power connection box cover.

Motor speeds cabling colors:
Grey 4 speed
Black 3 speed
Red 2 speed
Blue 1 speed
Brown (Neutral)
Motor operative speeds on the switch:
Grey 4 speed
Black 3 speed
White 1 speed
FINAL CHECKLIST
TO BE COMPLETED BY THE INSTALLER
- The range hood is correctly installed and all connections are secure.
- Connections have not pierced any electrical or water lines within the wall.
- Ducting has not been crushed or bent in any areas.
- Flexible ducting has been pulled taut and any excess removed (if required).
- The power mains switch is accessible to the customer and switched on.
- Operation of the product has been tested, refer to user guide.
Complete and keep for safe reference:
Model ————————————————————-
Serial no. ———————————————————
Purchase date —————————————————
Purchaser ——————————————————–
Dealer address ————————————————–
Installer’s name ————————————————-
Installer’s signature ——————————————–
Installation company —————————————–
Installation date ———————————————–
© Fisher & Paykel Appliances 2020. All rights reserved.
The models shown in this guide may not be available in all markets and are subject to change at any time.
The product specifications in this guide apply to the specific products and models described at the date of issue. Under our policy of continuous product
improvement, these specifications may change at any time.
For current details about model and specification availability in your country, please go to our website or contact your local Fisher & Paykel dealer.
105937D 12.20






























