
LIVING SPACES 267664 Bilbao Grey Power Glider Recliner With Massage And Power Headrest

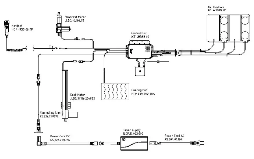
Components
- Hand wand – placed in the side pocket (outside LAF arm/RAF arm), controls all motors and functions (reclining, power headrest, lifting, etc.) via a direct connection with motors. .
- AC wall plug – connects the power transformer to the power outlet.
- DC cord – connects the power transformer to the DC socket (mounted on the rear bottom of LAF arm/RAF arm stump).
- DC socket – receives power from DC cord then transfer to motors.
- Power Transformer – A box-shaped unit to transfer 110V AC power to 25V DC power to supply for the furniture.
- Junction Box – splitter/extension cord connecting the power transformer to multiple motors/air baddders/heat padding/hand wand.
- Seat / Headrest Motor – motors mounted on mechanism to drive movement on seat/headrest via hand wand control.
- Air Bladders– mounted inside lower section of back, inflate the air bladders via hand wand control. Turns off automatically after 30 minutes of use as safety feature.
- Heating pad – mounted inside lower section of back, produces heat via hand wand control. Turns off automatically after 30 minutes of use as safety feature.
Quick Trouble-Shoot for Motors Malfunctioning:
- Loose connection or wires not securely plugged in.
- Broken side switch
- Broken DC socket
- Broken power transformer (especially when ALL motors stops working on one unit)
- Power cords damaged
- Motors failure
NOTE: In some cases a button on the switch might be stuck after being pushed, thus continuously activating the motor. This can cause overheating or even damages on the power transformer.
Instruction for hand wand


Hand Wand Manual
| HEAT | Description |
![]() | |
| Standard Function | The heat function is activated by pressing the HEAT button. When active, the heat pad will provide up to 65 ⁰C of heat. The heat function will be active while the HEAT button is illuminated.
To de-activate heat, press the HEAT button again. The HEAT button will not be illuminated when the heat function is off.
The heat function has a 30-minute timer. After 30 minutes, the heat pad will turn off automatically, and the HEAT button will not be illuminated. |
| Error: HEAT Button illuminated but no heat is produced. | If the HEAT button is illuminated, but the heat pad is not producing heat, the heat pad could have become disconnected. 1) Unplug the piece of furniture from the wall outlet 2) Wait at least 30 seconds 3) Lift the back panel to reveal zipper pouch. 4) Unzip pouch to reveal the Junction. 5) Locate the Heat Cord (shown below) 6) Ensure that the heat pad is securely connected. 7) Zip the pouch and reset the back panel. 8) If the heat pad still does not produce heat, please contact your furniture provide so that they may repair or replace the faulty part. |
Heat Cord ![]() | |
| Note: Heat will be disabled if any Headrest/Recline/Lumbar button is pressed. This is to ensure safety for the user and to improve system longevity. | |
| HEADR EST/ RECLINE/ LUMBAR | Description |
![]() | |
| Standard Function | Headret/Recline/Lumbar are sets of two buttons that control the motion features of the piece of furniture. Headrest buttons will open and close the headrest cushion. Recline will open and close the seat back and footrest if applicable. Lumbar will open and close the lumbar air cushion. All open buttons are located on the right side of the Hand Control, and all close buttons are located on the left side of the Hand Control. The Recline close button operates as a “Home” button. This means that both the Headrest and Recline motors will close when the Recline close button is pressed. Each motion feature has a 20 second safe operational window. If a Headrest/ Recline/Lumbar button is pressed for more than 20 seconds, all system functions will stop. The hand control will also flash for the duration of the locked period. All functions will be able to be started after 4 seconds pass. This is normal operation, and should not raise concern. |
| Note | Using the Lumbar function will stop all other massage features. If the massage feature is running and either Lumbar button is pressed, the massage will stop. The Headrest/Recline/Lumbar buttons only allow one operation at a time. This is to ensure safety for the user and longevity of the system. If the Hand Control is disconnected from the system and then reconnected, the Hand Control will take several seconds to connect to the system. The Hand Control will flash three times to indicate that it has successfully connected. |
| Error: Button is pressed but the system does not show movement. | If a Headrest/Recline/Lumbar button is pressed and no motion occurs, the Hand Control could be in the lock out state. 1) Wait for at least 10 seconds and press the button again. 2) If motion does not occur ensure the Hand Control is connected. 3) Unplug the piece of furniture from the wall outlet. 4) Wait at least 30 seconds. 5) Lift the back panel and locate the zipper pouch. |
| 6) Unzip the pouch and locate the Hand Control cord 7) Ensure that there are no frayed, pinched, exposed, or otherwise damaged wires. Do not connect the Hand Control if the cord is damaged in any way. 8) Ensure that the Hand Control is securely connected to the Junction with the white connectors (shown below). 9) Zip the pouch and reset the back panel. | |
|
Hand Control Connector | |
| Error: Headrest or Recline motor does not function. | If a Headrest or Recline motor does not function, a motor connection could have become disconnected. If the Headrest motor does not function: 1) Unplug the piece of furniture from the wall outlet 2) Wait at least 30 seconds 3) Lift the back panel to reveal zipper pouch. 4) Unzip pouch to reveal the Junction. 5) Locate the Headrest motor cord (shown below). 6) Ensure that there are no frayed, exposed, or otherwise damaged wires. Do not connect the motor if the cord is damaged in any way. 7) Ensure that there is nothing blocking the path of the motor or connected frame. 8) Zip the pouch and reset the back panel. 9) If the motor still does not function, contact your furniture provider so they may replace or repair the faulty part. |
![]() Headrest Motor Cord | |
| Error: Headrest or Recline motor does not function. | If the Recline motor does not function: 1) Unplug the piece of furniture from the wall outlet 2) Wait at least 30 seconds 3) Lift the back panel to reveal zipper pouch. 4) Unzip pouch to reveal the Junction. 5) Locate the Headrest motor cord (shown below). 6) Ensure that there are no frayed, exposed, or otherwise damaged wires. Do not connect the motor if the cord is damaged in any way. 7) Ensure that there is nothing blocking the path of the motor or connected frame. 8) Zip the pouch and reset the back panel. |
| 9) If the motor still does not function, contact your furniture provider so they may replace or repair the faulty part. | |
|
Recline Motor Cord | |
| Error: Lumbar Air cushion does not inflate. | If the Lumbar air cushion does not inflate, the air hose may be disconnected, pinched, or damaged. 1) 1) Unplug the piece of furniture from the wall outlet 2) Wait at least 30 seconds 3) Lift the back panel to reveal zipper pouch. 4) Unzip pouch to reveal the Junction. 5) Locate the air hose connectors (shown below). 6) Ensure that the connector is fully mated. 7) Ensure that the air hoses are not pinched or otherwise blocked. 8) Ensure that the air hoses are not damaged in anyway. 9) Zip the pouch and reset the back panel. 10) If the Lumbar air cushion still does not inflate, control your furniture provider so they may replace or repair the faulty part. |
![]() Air Hose Connector | |
| AIR MASSAGE | Description |
![]() | |
| Standard Function | The Air Massage has three massage modes and four controllable zones. Each zone can be turned on or off, and will disable that zone for each massage mode. If all zones are turned off, the Air Massage will turn off.
The Air Massage is started by pressing the PWR button. The four numerical buttons, the MODE button and the PWR button will be lit for the start of the Air Massage. Pressing a numerical button will un-light the numerical button pressed and turn off the corresponding zone.
While the Air Massage is active, it can be turned off at any time by pressing the PWR button.
The Air Massage mode can be changed by pressing the MODE button. There are three massage modes: Alternate, Pulse, and Wave. The Air Massage will always start in the Alternate mode.
Each massage mode is indicated by the MODE button color. Alternate is Red, Pulse is Green, and Wave is Blue.
Pressing the numerical buttons or MODE while Air Massage is not active will not cause the system to respond. Air Massage must be active for the numerical buttons and MODE button to control the system.
The Air Massage has a built in 30-minute timer. After 30 minutes the Air Massage will turn off and the Hand Control buttons will be un-lighted. Pressing a numerical button or the MODE button will reset the 30-minute timer. |
| Note | Using the Lumbar function will stop all other massage features. If the massage feature is running and either Lumbar button is pressed, the massage will stop. Massage can be re-enabled when Lumbar buttons are not pressed. |
| Error: Massage Zones do not inflate. | If the Massage Zones do not inflate while Air Massage is active, the air hose could be disconnected, pinched or damaged. 1) 1) Unplug the piece of furniture from the wall outlet 2) Wait at least 30 seconds 3) Lift the back panel to reveal zipper pouch. 4) Unzip pouch to reveal the Junction. 5) Locate the air hose connectors (shown below). 6) Ensure that the connector is fully mated. 7) Ensure that the air hoses are not pinched or otherwise blocked. 8) Ensure that the air hoses are not damaged in anyway. 9) Zip the pouch and reset the back panel. 10) If the Lumbar air cushion still does not inflate, control your furniture provider so they may replace or repair the faulty part. |
|
Air Hose Connector | |
POWER RECLINER PARTS

Power Recliner Trouble Shooting

- Check power cords integrity and connection to transformer.
- If power cords undamaged, and connection secured, replace power transformer.
- Check connection security and components integrity on DC socket and power cable.
- Check connection security and integrity of motor’s 2-pin cable
- For dual-power recliners, please check connection and integrity of Y-Cable splitter.






















