YOUNG 12102 Gill 3-Cup Anemometer

INTRODUCTION
The Gill 3-Cup Anemometer measure horizontal wind speed. This Wind Speed Instrument is sufficiently sensitive for detailed wind speed studies yet rugged enough to remain exposed for extended periods with minimum maintenance.
The 3-Cup Anemometer has light-weight hemispherical cups made from injection molded UV resistant polypropylene. The standard anemometer employs a DC tach-generator coupled to the cup wheel shaft. Cup wheel rotation produces a DC voltage which is directly proportional to wind speed.
The anemometer uses low torque stainless steel precision grade ball bearings for low starting threshold.
The 3-Cup Anemometer is supplied with a single mounting bracket which threads onto 3/4″ standard pipe.
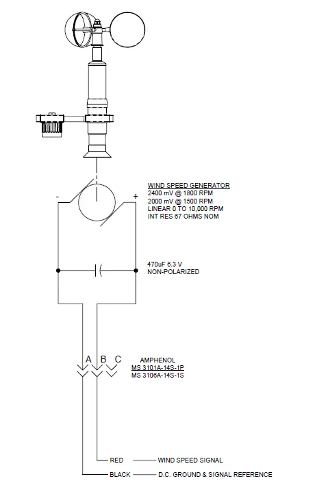
Electrical connections are made via a connector at the bottom of the instruments. A variety of devices are available for signal conditioning, display, and recording.
INITIAL CHECK-OUT
The instrument is fully calibrated and inspected before shipment, however when unpacked they should be examined for any signs of shipping damage and checked for proper operation before installation. Refer to the accompanying exploded view drawings to identify parts.
Remove the plastic nut from the cup wheel shaft and install the cup wheel. Replace the nut and thumb-tighten. The cup wheel should easily rotate with little friction.
Before installation connect the instrument to an indicator or translator and check for proper wind speed calibration. To check wind speed remove the cup wheel and drive the shaft with a calibration motor. Additional details appear in the CALIBRATION section of this manual.
INSTALLATION
Proper instrument placement is very important. Eddies from trees, buildings, or other structures can greatly influence wind speed observations. To get meaningful data, locate the instrument well above or upwind from any obstructions. As a general rule, the flow around a structure is disturbed to twice the height of the structure upwind, six times the height downwind, and up to twice the height of the structure above ground. For some applications it may not be practical or necessary to meet these requirements.
Install the instruments as follows:
- MOUNT THE INSTRUMENT
- The 3-Cup Anemometer is supplied with a mounting bracket which threads onto a vertical, threaded 3/4″ pipe.
- CHECK ANEMOMETER
- Connect cable to 3-Cup Anemometer and monitor output.
- Rotate anemometer shaft. Check output for activity and proper polarity.
WIND SPEED SPECIFICATION SUMMARY:
- Range: 0 to 50 m/s (112 mph) Gust Survival to 60 m/s (134 mph)
- Sensor: 3-Cup Anemometer (100cm per revolution)
17 cm Diameter Cup Wheel Assembly
63 mm Diameter Hemispherical Cups - Dynamic Response: 2.3 m (7.5 ft) cup wheel distance constant
- Threshold Sensitivity: 0.5 m/s (1.0 mph) tach-generator
Transducer Excitation Anemometer generator is self-powered. - Requirement:
Transducer Output Analog DC voltage from tach-generator.
1800 rpm (2400 mV) = 28.6 m/s (63.9 mph).
GENERAL:
Operating Temp: -50 to +50°C (-58 to +120°F)
CALIBRATION
The 3-Cup Anemometer is fully calibrated before shipment and should require no adjustments. Recalibration may be necessary after some maintenance operations. Periodic calibration checks are desirable and may be necessary where the instruments are used in programs which require sensor performance audits.
Wind speed calibration is determined by the turning ratio of the cup wheel and the output characteristics of the transducer. A chart showing calibration formulas as well as cup wheel rpm vs. wind speed and transducer output is included in this manual. Formulas for various wind speed engineering units are also listed. The instrument is accurate to within 2 percent of values resulting from these formulas. For greater accuracy the cup wheel must be individually calibrated in comparison with a wind speed standard in a wind tunnel. Contact the factory or your supplier to schedule a wind tunnel calibration at our facility.
To check tach-generator and signal conditioning calibration, temporarily remove the cup wheel and connect a calibrating motor to the instrument shaft. Apply the appropriate calibration formula to the calibrating motor rpm and observe the signal output. If necessary, adjust the signal conditioning electronics for proper output. For example, with the cup wheel shaft turning at 1800 rpm the tach-generator output should be 2400mV ±10mV representing 28.6 m/s.
Details on checking bearing torque, which affect wind speed and direction threshold, appear in the following section.
MAINTENANCE
Given proper care these instruments should provide many years of service. Well built and using components which are conservatively rated the instruments require little maintenance. The only components likely to need replacement due to normal wear are the precision ball bearings, and tach-generator.
Only a qualified instrument technician should perform the replacement. If service facilities are not available return the instrument to the company.
Before performing any maintenance operations refer to the drawings to become familiar with part names and locations. The asterisk * which appears in the following outlines is a reminder that maximum torque on all set screws is 2800 gm-cm (40 oz-in).
TACH-GENERATOR REPLACEMENT
The tach-generator has a life expectancy of 750 million revolutions. When output voltage becomes erratic (usually due to brush failure) the entire generator assembly should be removed and replaced as follows:
- REMOVE TACH-GENERATOR ASSEMBLY
- Unthread shaft housing from generator housing.
- Unthread cable receptacle from generator housing.
- Unsolder generator wires from cable receptacle. Note connections.
- Loosen set screw in generator housing which holds generator cell.
- Remove generator cell assembly from housing.
- INSTALL NEW TACH-GENERATOR ASSEMBLY
- Insert new generator/cell assembly into generator housing. Be sure it is properly seated.
- Tighten set screw* holding cell in housing.
- Solder generator wires to cable receptacle.
- Thread cable receptacle into generator housing.
- Thread shaft housing with O-ring into generator housing.
FLANGE BEARING REPLACEMENT
If anemometer bearings become noisy or wind speed threshold increases above an acceptable level, bearings may need replacement. Check anemometer bearing condition with a Model 18312 Cup Wheel Torque Disk. If necessary replace bearings as follows:
- REMOVE FLANGE BEARINGS
- Remove cup wheel from cup wheel shaft.
- Unthread shaft housing from generator housing.
- Loosen set screw on shaft collar/coupling disc and remove from cup wheel shaft.
- Slide cup wheel shaft out top of housing.
- Remove dust shield.
- Remove bearings.
- INSTALL NEW FLANGE BEARINGS
- Insert new flange bearings in shaft housing. Be careful not to apply pressure to bearing shields.
- Replace dust shield on shaft housing.
- Insert cup wheel shaft into bearings.
- Place shaft collar/coupling disc on cup wheel shaft allowing 0.25 mm (0.010″) clearance from bearing.
- Tighten set screw* on shaft collar/coupling disc.
- Thread shaft housing with O-ring into generator housing.
- Replace cup wheel on cup wheel shaft.
WARRANTY
This product is warranted to be free of defects in materials and construction for a period of 12 months from date of initial purchase. Liability is limited to repair or replacement of defective item. A copy of the warranty policy may be obtained from R. M. Young Company.
WIND SPEED vs CUP WHEEL RPM
MODEL 12102 3-CUP ANEMOMETER
CABLE & WIRING DIAGRAM
MODEL 12102 3-CUP ANEMOMETER

GENERAL ASSEMBLY & REPLACEMENT PARTS
MODEL 12102 3-CUP ANEMOMETER




















