Panasonic KX-TGC210 Telephones and Smart Home

WARNING
This service information is designed for experienced repair technicians only and is not designed for use by the general public. It does not contain warnings or cautions to advise non-technical individuals of potential dangers in attempting to service a product. Products powered by electricity should be serviced or repaired only by experienced professional technicians. Any attempt to service or repair the product or products dealt with in this service information by anyone else could result in serious injury or death.
IMPORTANT SAFETY NOTICE
There are special components used in this equipment which are important for safety. These parts are marked by in the Schematic Diagrams, Circuit Board Diagrams, Exploded Views and Replacement Parts List. It is essential that these critical parts should be replaced with manufacturer’s specified parts to prevent shock, fire or other hazards. Do not modify the original design without permission of manufacturer.
IMPORTANT INFORMATION ABOUT LEAD FREE, (PbF), SOLDERING
If lead free solder was used in the manufacture of this product, the printed circuit boards will be marked PbF. Standard leaded, (Pb), solder can be used as usual on boards without the PbF mark.
When this mark does appear, please read and follow the special instructions described in this manual on the use of PbF and how it might be permissible to use Pb solder during service and repair work.
- When you note the serial number, write down all 11 digits. The serial number may be found on the bottom of the unit.
- The illustrations in this Service Manual may vary slightly from the actual product.
Safety Precautions
For Service Technicians
- Repair service shall be provided in accordance with repair technology information such as service manual so as to prevent fires, injury or electric shock, which can be caused by improper repair work.
- When repair services are provided, neither the products nor their parts or members shall be remodeled.
- If a lead wire assemb ly is supplied as a repair part, the lead wire assembly shall be replaced.
- FASTON terminals shall be plugged straight in and unplugged straight out.
- ICs and LSIs are vulnerable to static electricity.
When repairing, the following precautions will help prevent recurring malfunctions.- Cover plastic parts boxes with aluminum foil.
- Ground the soldering irons.
- Use a conductive mat on worktable.
- 4. Do not grasp IC or LSI pins with bare fingers.
Warning
Battery Caution
Risk of explosion if battery is replaced by an incorrect type. Dispose of used batteries according to the instructions.
Attention:
A nickel metal hydride battery that is recyclable powers the product you have purchased. Please call 1-800-8-BATTERY (1-800-822-8837) for information on how to recycle this battery.
About Lead Free Solder (PbF: Pb free)
Note:
In the information below, Pb, the symbol for lead in the periodic table of elements, will refer to standard solder or solder that contains lead.
We will use PbF solder when discussing the lead free solder used in our manufacturing process which is made from Tin (Sn), Silver (Ag), and Copper (Cu).
This model, and others like it, manufactured using lead free solder will have PbF stamped on the PCB. For service and repair work we suggest using the same type of solder.
Caution
- PbF solder has a melting point that is 50 F ~ 70 F (30 C ~ 40 C) higher than Pb solder. Please use a soldering iron with temperature control and adjust it to 700 F ± 20 F (370 C ± 10 C).
- Exercise care while using higher temperature soldering irons.:
Do not heat the PCB for too long time in order to prevent solder splash or damage to the PCB. - PbF solder will tend to splash if it is heated much higher than its melting point, approximately 1100 F (600 C).
- When applying PbF solder to double layered boards, please check the component side for excess which may flow onto the opposite side (See the figure below).

Suggested PbF Solder
There are several types of PbF solder available commercially. While this product is manufactured using Tin, Silver, and Copper (Sn+Ag+Cu), you can also use Tin and Copper (Sn+Cu), or Tin, Zinc, and Bismuth (Sn+Zn+Bi). Please check the manufacturer’s specific instructions for the melting points of their products and any precautions for using their product with other materials.
The following lead free (PbF) solder wire sizes are recommended for service of this product: 0.3 mm, 0.6 mm and 1.0 mm.
Discarding of P. C. Board
When discarding P. C. Board, delete all personal information such as telephone directory and caller list or scrap P. C. Board.
Specifications
- Standard:
DECT 6.0 (Digital Enhanced Cordless Telecommunications 6.0) - Number of channels:
60 Duplex Channels - Frequency range:
1.92 GHz to 1.93 GHz - Duplex procedure:
TDMA (Time Division Multiple Access) - Channel spacing:
1,728 MHz - Bit rate:
1,152 Mbit/s - Modulation:
GFSK (Gaussian Frequency Shift Keying) - RF transmission power:
115 mW (max.) - Voice coding:
ADPCM 32 kbit/s
| Base Unit | Handset | Charger | |
| Power source
Receiving Method Oscillation Method Detecting Method Tolerance of OSC Frequency Modulation Method ID Code Ringer Equivalence No. (REN) Dialing Mode Redial Speed Dialer Power Consumption | AC Adaptor (PNLV226Z, 120 V AC, 60 Hz) Super Heterodyne PLL synthesizer Quadrature Discriminator 13.824 MHz ± 83 Hz Frequency Modulation 40 bit 0.1B Tone (DTMF)/Pulse Up to 48 digits Up to 24 digits (Phonebook) for KX-TGC210: Standby: Approx. 0.6 W Maximum: Approx. 3.2 W | Rechargeable Ni-MH battery AAA (R03) size (1.2 V) Super Heterodyne PLL synthesizer Quadrature Discriminator 10,368,000 Hz ± 83 Hz Frequency Modulation 40 bit Tone (DTMF)/Pulse Up to 48 digits Up to 24 digits (Phonebook) 6 days at Standby, 10 hours at Talk | AC Adaptor (PNLV233-AZ, 120 V AC, 60 Hz)
Standby: Approx. 0.1 W, Maximum: Approx. 1.8 W |
| for KX-TGC220: | |||
| Standby: Approx. 0.7 W Maximum: Approx. 3.5 W | |||
| Operating Conditions
Dimensions (H x W x D) | 0 ˚C – 40 ˚C (32 ˚F – 104 ˚F) 20 % – 80 % relative air humidity (dry) Approx. 77 mm x 107 mm x 96 mm | 0 ˚C – 40 ˚C (32 ˚F – 104 ˚F) 20 % – 80 % relative air humidity (dry) Approx. 164 mm x 47 mm x 30 mm | 0 ˚C – 40 ˚C (32 ˚F – 104 ˚F) 20 % – 80 % relative air humidity (dry) Approx. 40 mm x 72 mm x 72 mm |
| for KX-TGDA20: Approx. 168 mm x 48 mm x 30 mm | |||
| Mass (Weight) | for KX-TGC210: | Approx. 130 g | Approx. 100 g |
| Approx. 100 g | |||
| for KX-TGC220: | |||
| Approx. 120 g |
Note:
- Design and specifications are subject to change without notice.
Note for Service:
- Operation range: Up to 300 m outdoors, Up to 50 m indoors, depending on the condition.
- Analog telephone connection: Telephone Line
- Range extender: KX-TGA405
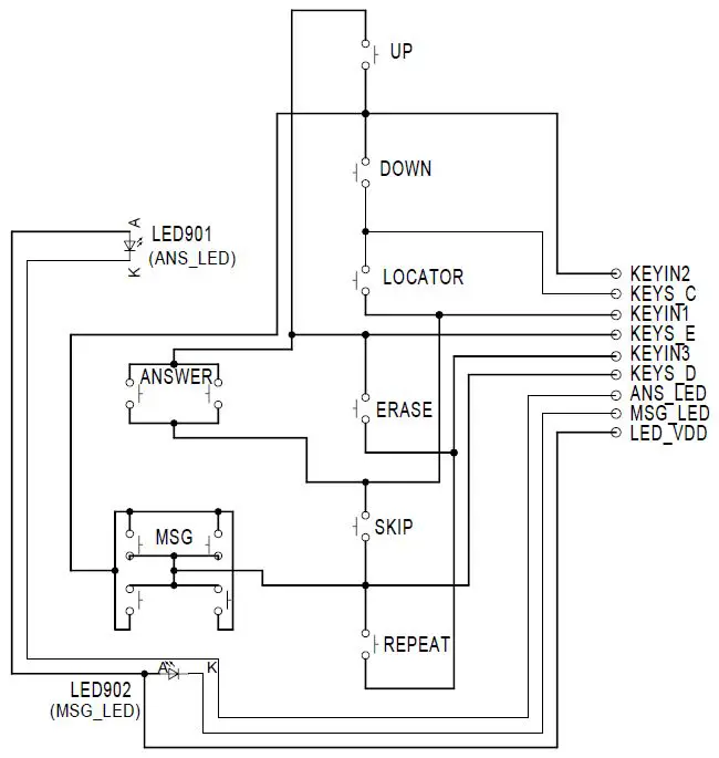
Location of Controls and Components
Refer to the Operating Instructions.
Note:
You can download and refer to the Operating Instructions (Instruction book) on TSN Server.
Installation Instructions
Refer to the Operating Instructions.
Note:
You can download and refer to the Operating Instructions (Instruction book) on TSN Server.
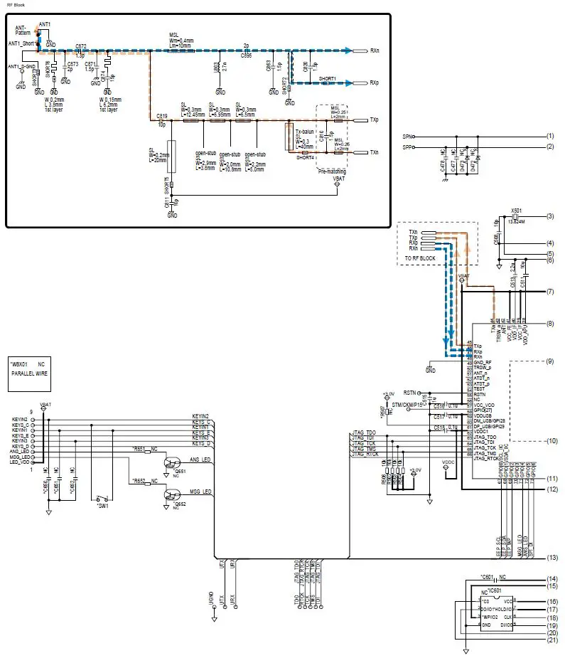
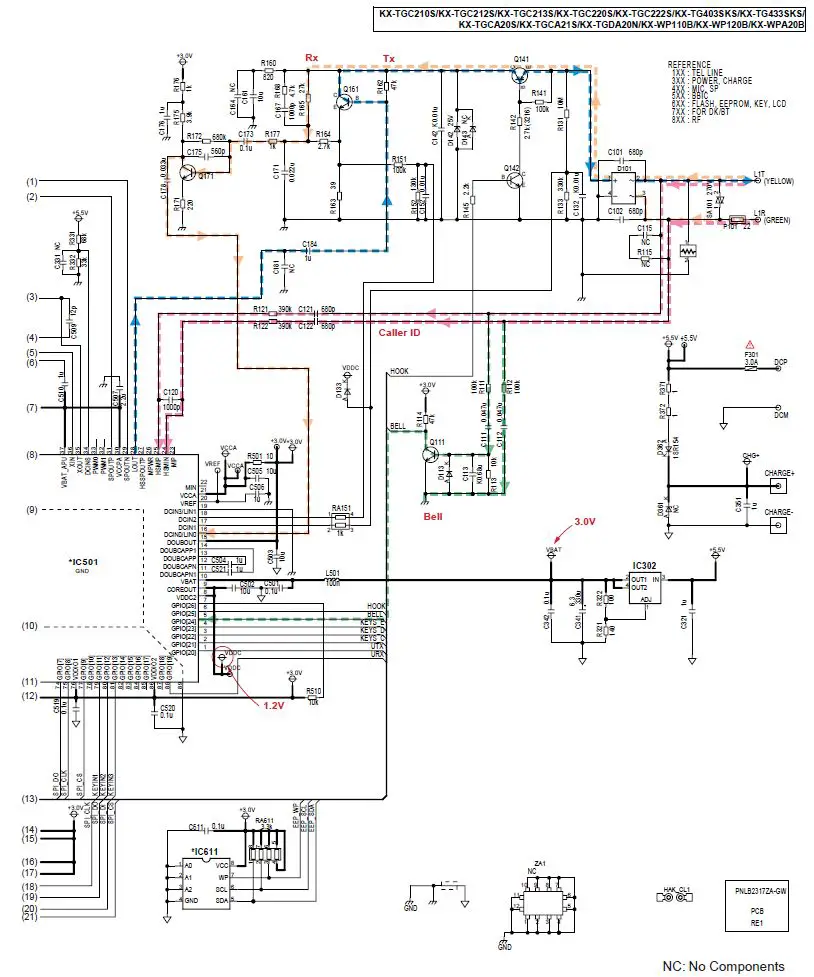
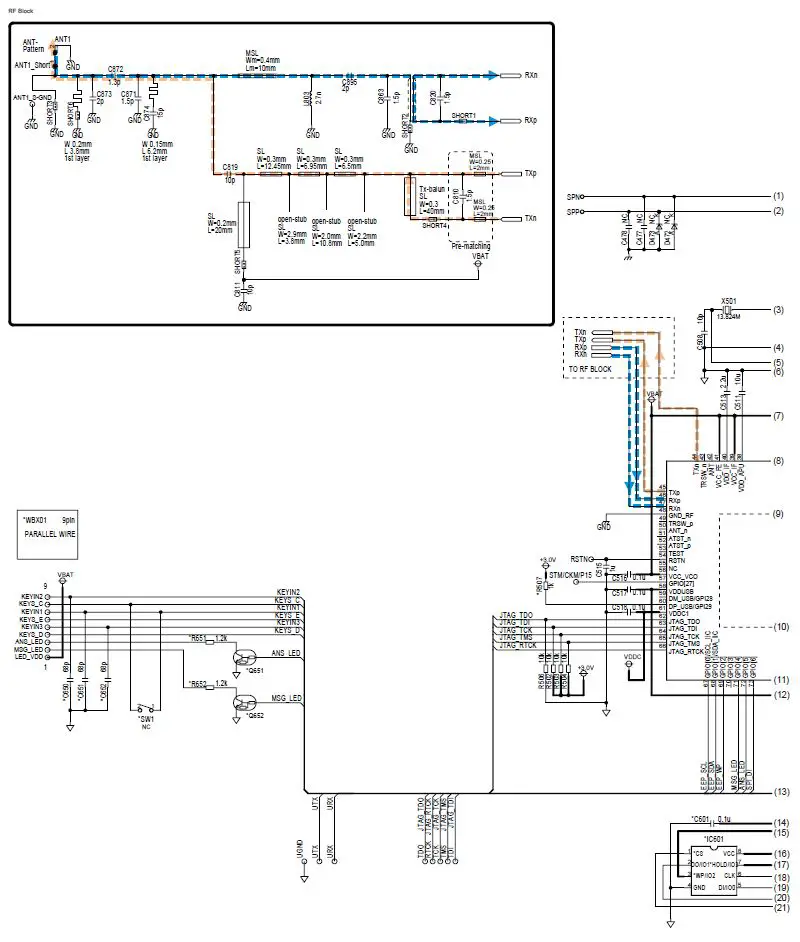
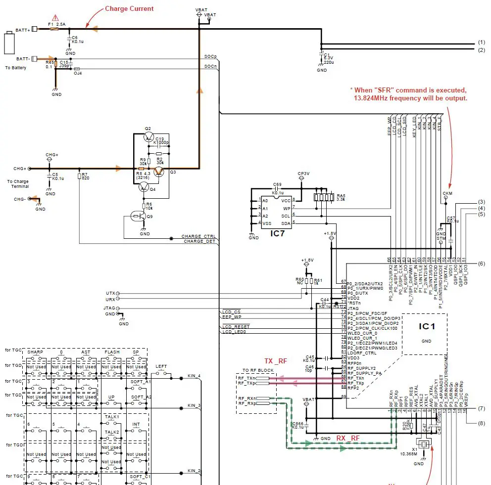
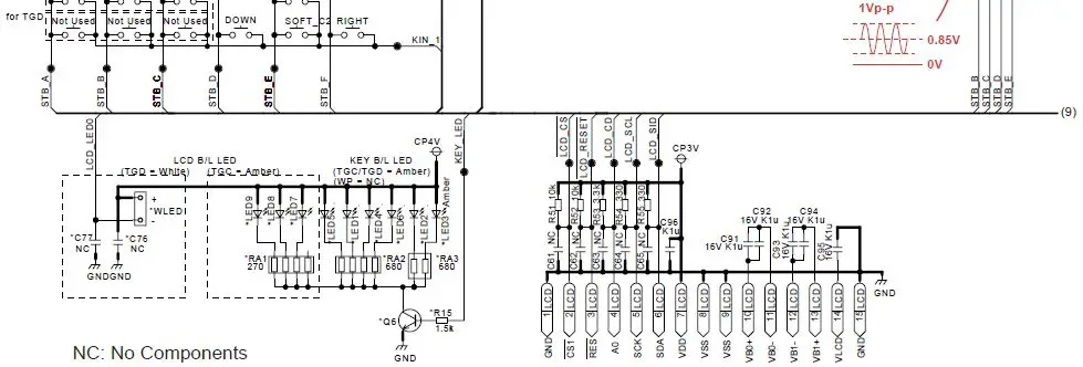
Schematic Diagram
For Schematic Diagram
Base Unit (Base Unit (Main))
Notes:
- DC voltage measurem ents are taken with voltmeter from the negative voltage line.
Important Safety Notice:
Components identified by mark have special characteristics important for safety. When replacing any of these components, use only the manufacture’s specified parts. - The schematic diagrams may be modified at any time with the development of new technology.
Handset (Handset (Main))
Notes:
- DC voltage measurements are taken with an oscilloscope or a tester with a ground.
- The schematic diagrams may be modified at any time with the development of new technology.
Base Unit (Main)
KX-TGC210/KX-WP110

KX-TGC22 0/KX-WP120

Base Unit (Operation)
Handset (Main)

Explode d View and Replacement Parts List
Replacement Parts List
- RTL (Retention Time Limited)
Note:
The “RTL” marking indicates that its Retention Time is Limited.
When production is discontinued, this item will continue to be available only for a specific period of time.
This period of time depends on the type of item, and the local laws governing parts and product retention. At the end of this period, the item will no longer be available. - Important safety notice
Components identified by the mark indicates special characteristics important for safety. When replacing any of these components, only use specified manufacture’s parts. - ISO code (Example: ABS-94HB) of the remarks column shows quality of the material and a flame resisting grade about plastics.
| Safety | Ref. No. | Part No. | Part Name & Description | Remarks |
| A1 | PQJA10075Z | CORD, TELEPHONE | ||
| A2 | PNLV226Z | AC ADAPTOR | ||
| A3 | PNQX6482Z | INSTRUCTION BOOK (*1) (*2) | ||
| A4 | PNQX6600Z | INSTRUCTION BOOK (*1) (*3) | ||
| A5 | PNQX6592Z | INSTRUCTION BOOK (*1) (*4) | ||
| A6 | PNQW2611Z | LEAFLET | ||
| A7 | PNLC1055ZS | CHARGER UNIT | ||
| A7-1 | PNLV233-AZ | AC ADAPTOR FOR CHARGER UNIT | ||
| A8 | PNKK1077Z4 | LID, BATTERY (*2) (*3) | ABS-HB | |
| A9 | PNKK1077Z1 | LID, BATTERY (*4) | ABS-HB | |
| A10 | PNKK1038X4 | LID, BATTERY (*5) | ABS-HB | |
| A11 | PNHS1466Z | SPACER (*2)(*3)(*4) | ||
| A12 | PNHS1079Z | SPACER (*5) | ||
| A13 | PNYNTGCA20SR | LID, BATTERY ASS’Y (*2) (*3) | ABS-HB | |
| A14 | PNYNTGCA20BR | LID, BATTERY ASS’Y (*4) | ABS-HB | |
| A15 | PNYNTGDA20NR | LID, BATTERY ASS’Y (*5) | ABS-HB |
Note:
(*1) You can download and refer to the Operating Instructions (Instruction book) on TSN Server.
(*2) For KX-TGC210S, KX-TGC212S, KX-TGC213S, KX-TGC220S, KX-TGC222S, KX-TG403SKS.
(*3) For KX-TG433SKS.
(*4) For KX-WP110B, KX-WP120B.
(*5) For KX-TGDA20N.




















