Panasonic KX-TGD210N DECT 6.0 Cordless Phone Silver Owner’s Manual

1 Safety Precautions
1.1. For Service Technicians
- Repair service shall be provided in accordance with repair technology information such as service manual so as toprevent fires, injury or electric shock, which can be caused by improper repair work.
- When repair services are provided, neither the products nor their parts or members shall be remodeled.
- If a lead wire assembly is supplied as a repair part, the lead wire assembly shall be replaced.
- FASTON terminals shall be plugged straight in and unplugged straight out.
- ICs and LSIs are vulnerable to static electricity.
When repairing, the following precautions will help prevent recurring malfunctions.
- Cover plastic parts boxes with aluminum foil.
- Ground the soldering irons.
- Use a conductive mat on worktable.
- Do not grasp IC or LSI pins with bare fingers.
2 Warning
2.1. Battery Caution
Risk of explosion if battery is replaced by an incorrect type. Dispose of used batteries according to the instructions. Attention:
2.2. About Lead Free Solder (PbF: Pb free)
Note:
In the information below, Pb, the symbol for lead in the periodic table of elements, will refer to standard solder or solder that contains lead.
We will use PbF solder when discussing the lead free solder used in our manufacturing process which is made from Tin (Sn), Silver (Ag), and Copper (Cu).
This model, and others like it, manufactured using lead free solder will have PbF stamped on the PCB. For service and repair work we suggest using the same type of solder.
Caution
- PbF solder has a melting point that is 50 F ~ 70 F (30 C ~ 40 C) higher than Pb solder. Please use a soldering iron with temperature control and adjust it to 700 F ± 20 F (370 C ± 10 C).
- Exercise care while using higher temperature soldering irons.: Do not heat the PCB for too long time in order to prevent solder splash or damage to the PCB.
- PbF solder will tend to splash if it is heated much higher than its melting point, approximately 1100 F (600 C).
- When applying PbF solder to double layered boards, please check the component side for excess which may flow onto the opposite side (See the figure below).

2.2.1. Suggested PbF Solder
There are several types of PbF solder available commercially. While this product is manufactured using Tin, Silver, and Copper (Sn+Ag+Cu), you can also use Tin and Copper (Sn+Cu), or Tin, Zinc, and Bismuth (Sn+Zn+Bi). Please check the manufacturer’s specific instructions for the melting points of their products and any precautions for using their product with other materials.
The following lead free (PbF) solder wire sizes are recommended for service of this product: 0.3 mm, 0.6 mm and 1.0 mm
2.3. Discarding of P. C. Board
When discarding P. C. Board, delete all personal information such as telephone directory and caller list or scrap P. C. Board.
3 Specifications
Note:
Design and specifications are subject to change without notice.
Note for Service:
- Operation range: Up to 300 m outdoors, Up to 50 m indoors, depending on the condition.
- Analog telephone connection: Telephone Line
- Range extender: KX-TGA405
4 Location of Controls and Components
Refer to the Operating Instructions.
Note:
You can download and refer to the Operating Instructions (Instruction book) on TSN Server. 5 Installation Instructions
Refer to the Operating Instructions.
Note:
You can download and refer to the Operating Instructions (Instruction book) on TSN Server. 6 Operating Instructions Refer to the Operating Instructions.
Note:
You can download and refer to the Operating Instructions (Instruction book) on TSN Server7 Schematic Diagram
7.1. For Schematic Diagram
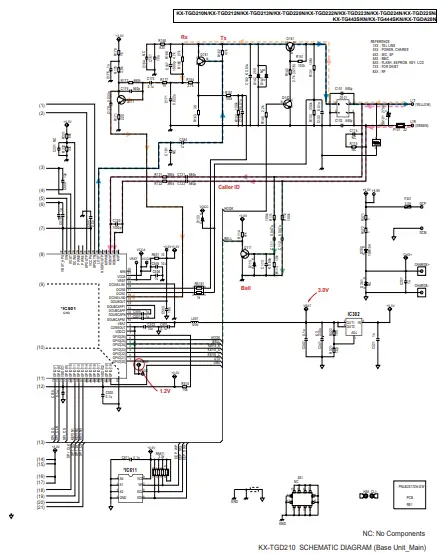
7.1.1. Base Unit (Base Unit (Main))
Notes:
1. DC voltage measurements are taken with voltmeter from the negative voltage line
Important Safety Notice:
Components identified by mark have special characteristics important for safety. When replacing any of these components, use only the manufacture’sspecified parts.
2. The schematic diagrams may be modified at any time with the development of new technology.
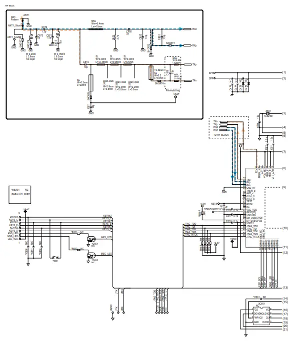
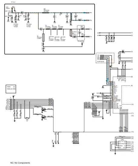
7.1.2. Handset (Handset (Main))
Notes:
- DC voltage measurements are taken with an oscilloscope or a tester with a ground.
- The schematic diagrams may be modified at any time with the development of new technology.
7.2. Base Unit (Main)
7.2.1. KX-TGD210
KX-TGD210N/KX-TGD212N/KX-TGD213N/KX-TGD220N/KX-TGD222N/KX-TGD223N/KX-TGD224N/KX-TGD225N/
KX-TG443SKN/KX-TG444SKN/KX-TGDA20N
KX-TGD210N/KX-TGD212N/KX-TGD213N/KX-TGD220N/KX-TGD222N/KX-TGD223N/KX-TGD224N/KX-TGD225N/
KX-TG443SKN/KX-TG444SKN/KX-TGDA20
KX-TGD210N/KX-TGD212N/KX-TGD213N/KX-TGD220N/KX-TGD222N/KX-TGD223N/KX-TGD224N/KX-TGD225N/
KX-TG443SKN/KX-TG444SKN/KX-TGDA20N
7.3. Base Unit (Operation)
8 Exploded View and Replacement Parts List
8.1. Replacement Parts List
- RTL (Retention Time Limited)
‘Note:
The “RTL” marking indicates that its Retention Time is Limited.
When production is discontinued, this item will continue to be available only for a specific period of time.
This period of time depends on the type of item, and the local laws governing parts and product retention. At the end of this period, the item will no longer be available. - Important safety notice
Components identified by the mark indicates special characteristics important for safety. When replacing any of these components, only use specified manufacture’s parts. - ISO code (Example: ABS-94HB) of the remarks column shows quality of the material and a flame resisting grade about plastics.
| Safety | Ref. No. | Part No. | Part Name & Description | Remarks |
| A1 | PQJA10075Z | CORD, TELEPHONE | ||
| A2 | PNLV226Z | AC ADAPTOR | ||
| A3 | PNQX6490Z | INSTRUCTION BOOK (*1) | ||
| A4 | PNQW2611Z | LEAFLET | ||
| A5 | PNKE1054Z4 | BELT CLIP | ||
| A6 | PNKL1001Y3 | WALL MOUNTING ADAPTOR | ||
| A7 | PNLC1056ZN | CHARGER UNIT | ||
| A7-1 | PNLV233-AZ | AC ADAPTOR FOR CHARGER UNIT | ||
| A8 | PNKK1038X4 | LID, BATTERY | ABS-HB | |
| A9 | PNHS1079Z | SPACER | ||
| A10 | PNYNTGDA20NR | LID, BATTERY ASS’Y | ABS-HB |
Note:
(*1) You can download and refer to the Operating Instructions (Instruction book) on TSN Server.
KX-TGD210N/KX-TGD212N/KX-TGD213N/KX-TGD220N/KX-TGD222N/KX-TGD223N/KX-TGD224N/KX-TGD225N/ KX-TG443SKN/KX-TG444SKN/KX-TGDA20N
KX-TGD210N/KX-TGD212N/KX-TGD213N/KX-TGD220N/KX-TGD222N/KX-TGD223N/KX-TGD224N/KX-TGD225N/
KX-TG443SKN/KX-TG444SKN/KX-TGDA20N



















![At&t Dect 6.0 Cordless Telephone [cl82219, Cl82229, Cl82319, Cl82419] User Manual At&t Dect 6.0 Cordless Telephone [cl82219, Cl82229, Cl82319, Cl82419] User Manual](https://static-data1.manualsee.com/1/img/315/17759/2020/12/ATT-Dect-6.0-Cordless-Telephone-CL82219-CL82229-CL82319-CL82419-User-Manual.jpeg)
![At&t Dect 6.0 Cordless Telephone [cl82219, Cl82229, Cl82319, Cl82419] User Manual At&t Dect 6.0 Cordless Telephone [cl82219, Cl82229, Cl82319, Cl82419] User Manual](https://static-data1.manualsee.com/1/img/312/17757/2020/12/ATT-Dect-6.0-Cordless-Telephone-CL82219-CL82229-CL82319-CL82419-1568x1568.jpeg)






