
Lora-CC68
Spread spectrum wireless transceiver module
Product Specification 
Note: Revision History
| Revision | Date | Comment |
| V1.0 | 2021-06 | First release |
Overview
The LoRa-CC68 wireless module uses Semtech’s LLCC68 device, ultra-low receive current and sleep current, and sensitivity of -129dBm. A built-in 64KHz crystal oscillator can wake up the microcontroller periodically under low power consumption. The module antenna switch is integrated and controlled by the chip, which saves the resources of the external MCU. The compact size and 8~10dBm output power have great advantages in IoT and battery-powered applications. Lora-CC68 complies with lead-free craft in production and testing and meets RoHS and Reach standards.
Module | Chip | Frequency Band | Crystal |
| Lora-CC68-868-T | LLCC68 | Center 868 MHz | 1ppm Industrial grade crystal oscillator |
| Lora-CC68-915-T | LLCC68 | Center 915 MHz | 1ppm Industrial grade crystal oscillator |
| Lora-CC68-868 | LLCC68 | Center 868 MHz | 10ppm Industrial grade crystal oscillator |
| Lora-CC68-915 | LLCC68 | Center 915 MHz | 10ppm Industrial grade crystal oscillator |
Features
- Frequency Range:868/915 MHz
- Sensitivity:-129dBm @LoRa
- Maximum output power:8~10 dBm
- Industrial grade high precision crystal oscillator
- Lora,(G)FSK
- 255 bytes FIFO
- Data transfer rate:
0.6-300 Kbps @FSK
1.76-62.5 Kbps @Lora
Applications
- Industrial meter reading
- Parking lot sensor management
- Industrial automation
- Agricultural sensor
- Smart city
- Remote control
- Street lights
- Logistics management
- Environmental sensor
- Health products
- Security products
- Warehouse management
Electrical Characteristics(@Vcc=3.3v ANT connected to the 50-ohm load)
★Note: The default shipment is the ordinary crystal oscillator version. If needed, the TCXO crystal
The oscillator version can also be customized.
| Parameter | Min. | I Typ. | Max. | Unit | Condition | ||||||||||
| Operation Condition | |||||||||||||||
| Working voltage | I S | 3.3 | 3.7 | V | |||||||||||
| Temperature range | -40 | 25 | 85 | °C | |||||||||||
| Current Consumption | |||||||||||||||
| R X current | <5 | mA | @ crystal oscillator | ||||||||||||
| Tx current | < 130 | m A | @868MHz @915MHz | ||||||||||||
| < 110 | mA | @433MHz @490MHz | |||||||||||||
| Sleep current | I.9 | LIA | OFF mode (SLEEP mode with cold star 0 All blocks off | ||||||||||||
| , 1 | 0A | SLEEP mode (SLEEP mode with a warm start) Configuration retained | |||||||||||||
| 2A | uA | SLEEP mode (SLEEP mode with warm st az 0 Configuration retained + RC64k | |||||||||||||
| 0.56 | mA | STDBY_RC mode, RC13M, XOSC OFF | |||||||||||||
| 2.35 | mA | STDBY_XOSC mode . COST ON | |||||||||||||
| RF Parameter | |||||||||||||||
| Frequency range | 400 | 433 | 450 | MHz | @433MHz | ||||||||||
| 470 | 490 | 510 | MHz | @490MHz | |||||||||||
| 848 | 868 | 888 | MHz | @868MHz | |||||||||||
| 900 | 915 | 940 | MHz | @915MHz | |||||||||||
| Output power | -15 | 22 | dBm | ||||||||||||
| Receiving sensitivity | -129 | dBm | @LoRa BW=2501CHz_SF = 10 CR=4/5 | ||||||||||||
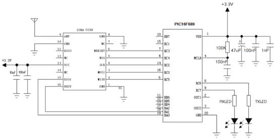
Typical application circuit

Pin definition

| Pin NO. | Pin name | Description |
| 1 | GND | Power ground |
| 2 | MISO | SPI Output for SPI data |
| 3 | MOSI | SPI Input for SPI data |
| 4 | SCK | Serial clock for SPI interface |
| 5 | NSS | SPI enable |
| 6 | RESET | Reset input |
| 7, 12, 14 | NC | Empty |
| 8 | GND | Power ground |
| 9 | ANT | Connect with a 50-ohm coaxial antenna |
| 10 | GND | Power ground |
| 11 | D103 | Digital I/O |
| 13 | VCC | Connected power supply (default3.3V) |
| 15 | DIO1 | Digital I/O |
| 16 | BUSY | Used for status indication, see datasheet for details. |
Communication Antenna
The antenna is very important for RF communication, its performance will affect the communication directly. To ensure the module in the best performance, we suggest using our antenna.

★To ensure modules get the best performance, users must obey the following principles when using the antennas:
- Put the antenna away from the ground and obstacles as possible as you could;
- If you choose the sucker antenna, pull straight the lead wire as possible as it can be, the sucker under arches should be attached to the metal object.
Mechanical Dimensions(Unit: mm)

.Product order information
For example: If the customer needs 868MHz Frequency, the order no. shall be LoRa-CC68-868.
| Product Name | Description |
| LoRa-CC68-433 | LLCC68 chip. Working frequency 433MHz |
| LoRa-CC68-490 | LLCC68 chip. Working frequency 490MHz |
| LoRa-CC68-868 | LLCC68 chip. Working frequency 868MHz |
| Lora-CC68-915 | LLCC68 chip., Working frequency 915MHz |
A common problem
a) Why can’t the normal communication between the modules?
1) The power connection is wrong and the module is not working normally;
2) Check whether the frequency bands of each module and other RF parameters are consistent;
3) Whether the module is damaged.
b) Why is the transmission distance not far?
1) The power supply ripple is too large;
2) The antenna type is not matched or installed incorrectly;
3) Surrounding co-channel interference;
4) The surrounding environment is harsh and there are strong interference sources.
Appendix 1:SMD Reflow Chart
We recommend you should obey the IPC related standards in setting the reflow profile:

| IPC/JEDEC J -STD-020B the condition for lead-free reflow soldering | big size components (thickness >=2.5mm) |
| The ramp-up rate (Ti to Tp) | 3°C/s (max.) |
| preheat temperature – Temperature minimum (Tsmin) | 150°C 200°C 60’180s |
| Average ramp-up rate(Tsmax to Tp) | 3°C/s (Max.) |
| – Liquidous temperature(TL) | 217°C |
| – Time at liquids(tL) | 60˜150 second |
| peak temperature(Tp) | 245+/-5C |
Appendix 2:Demo Board
The module is equipped with a standard DEMO board for customers to debug the program and test distance. The power supply voltage range: is 3.3V~6.0V. It shows as below:

The LCD Full Segment is as below:
The users can set the parameters of the RF module such as frequency /transmitter power /transmission data rate through the buttons.
Working Mode
1) Tx normal mode: send data packets regularly (in the setting mode, data packets will not be sent temporarily);
2) Rx normal mode: Power on and enter the receiving state, receive data packets, and then send out the correctly received data packets;
3) Tx Test Mode: RF module continuously transmits signal;
4) Rx Test Mode: RF module is always in Rx mode;
5) Standby Mode: RF module is always in the standby state.
Button Operation
1) [SET] Button
Press the key to enter the setting mode. If the last parameter is set, the key will exit the setting mode.
2) UP /Down Button
In setting mode, press to modify the corresponding setting parameters.
Note: The DEMO board has FLASH memory inside, all the setting parameters will behave automatically and keep unchanged even power-off.
ATTENTION
This device is intended only for OEM integrators under the following conditions:
1) The antenna must be installed such that 20 cm is maintained between the antenna and users, and
2) This device and its antenna(s) must not be co‐located with any other transmitters except in accordance with FCC multi‐transmitter product procedures. Referring to the multi‐transmitter policy, multiple transmitter(s) and module(s) can be operated simultaneously without C2P. 3) For all products markets in the US, OEM has to limit the Operating Frequency: 902-928MHz by supplying firmware programming tools. OEM shall not supply any tool or info to the end‐user regarding Regulatory Domain change. USERS MANUAL OF THE END PRODUCT: In the user manual of the end product, the end-user has to be informed to keep at least 20cm separation with the antenna while this end product is installed and operated. The end-user has to be informed that the FCC radio-frequency exposure guidelines for an uncontrolled environment can be satisfied. The end-user has to also be informed that any changes or modifications not expressly approved by the manufacturer could void the user’s authority to operate this equipment. If the size of the end product is smaller than 8x10cm, then an additional FCC part 15.19 statement is required to be available in the user’s manual: This device complies with Part 15 of FCC rules. Operation is subject to the following two conditions: (1) this device may not cause harmful interference and (2) this device must accept any interference received, including interference that may cause undesired operation.
FCC WARNING
This device complies with part 15 of the FCC Rules. Operation is subject to the condition that this device does not cause harmful interference (1) this device may not cause harmful interference, and (2) this device must accept any interference received, including interference that may cause undesired operation. Any changes or modifications not expressly approved by the party responsible for compliance could void the user’s authority to operate the equipment. NOTE: This equipment has been tested and found to comply with the limits for a Class B digital device, pursuant to Part 15 of the FCC Rules. These limits are designed to provide reasonable protection against harmful interference in a residential installation. This equipment generates, uses, and can radiate radio frequency energy and, if not installed and used in accordance with the instructions, may cause harmful interference to radio communications. However, there is no guarantee that interference will not occur in a particular installation. If this equipment does cause harmful interference to radio or television reception, which can be determined by turning the equipment off and on, the user is encouraged to try to correct the interference by one or more of the following measures:
— Reorient or relocate the receiving antenna.
— Increase the separation between the equipment and receiver.
— Connect the equipment into an outlet on a circuit different from that to which the receiver is connected.
— Consult the dealer or an experienced radio/TV technician for help.
Antennas
The LoRa-CC68 is a LoRa Module that beams signals and communicates with its antenna, which is Wire antenna&Spring antenna. The Wire antenna&Spring antenna gain is 2dBi
LABEL OF THE END PRODUCT
The final end product must be labeled in a visible area with the following: Host must Contain FCC ID: 2AD66-CC68-915. If the size of the end product is larger than 8x10cm, then the following FCC part 15.19 the statement has to also be available on the label: This device complies with Part 15 of FCC rules. Operation is subject to the following two conditions: (1) this device may not cause harmful interference and (2) this device must accept any interference received, including interference that may cause undesired operation.
Information on test modes and additional testing requirements Data transfer module demo board can control the EUT work in RF test mode at a specified test channel. Additional testing, Part 15 Subpart B disclaimer The module is without an unintentional-radiator digital circuit, so the module does not require an evaluation by FCC Part 15 Subpart B. The host should be evaluated by the FCC Subpart B.

















