USB to RS-232/485/422
Interface Converter
User manual
RND 405-00002
Overview
With the continuous development of PC industry, USB interface is gradually replacing various low-speed peripheral interfaces of old PC, however, many important devices in industrial environment still use RS-232/485/422 interface design, so many users use USB to RS-232/485/422 converter to achieve PC and RS-232/485/422 devices data transfer between PC and RS-232/485/422 devices.
The RND 405-00002 is a universal USB/RS-232/485/422 converter with no external power supply, zero latency automatic transceiver conversion, unique I/O circuitry to automatically control the direction of data flow, and plug-and-play operation. It is suitable for all existing communication software and interface hardware.
RND 405-00002 interface converter can be point to point, data communication rate 300-921600bps, with power indicator and data flow indicator can indicate the failure situation, support the communication mode of USB to RS-232/485/422 conversion.
Major Functions & Features
The RND 405-00002 interface converter supports the following 4 communication methods.
- Point to point/four-wire full duplex
- Point to multi-point/four-wire full duplex
- Point to point/two-wire half-duplex
- Point to multi-point/two-wire half-duplex
When the converter is wired as full-duplex or half-duplex, a matching resistor (120 ohm 1/4W) should be connected at the terminal of the line to prevent signal eflection and interference.
Hardware installation and application
Before installing RND 405-00002 interface converter, please read the product manual carefully, and connect the communication cable provided with the product to the USB interface end. This product adopts USB/DB-9, universal connector as input/output interface, which automatically realizes RS-232, RS-485 or RS-422 communication mode without jumper setting, and can use twisted pair or shielded cable, which is very convenient to connect and disassemble. T/R+T/R- represents transmitting, receiving A+/B-,RXD+/RXD- represents receiving A+/B-, GND represents common ground, point-to-point, full-duplex communication connects seven wires RXD, TXD, DTR, GND, DSR, RTS, CTS; point-to-point, point to multi-point, half-duplex communication connects two wires T/R+, T/R-;point-to-point, point to multi-point, full-duplex Communication connects four wires T/R+, T/R-, RXD+, RXD-.
Technical Parameters
- Standard: Compliant with USBV.1, 1.0, 2.0 standard and ELA RS-485, RS-422S standard
- USB signal: VCC, DATA+, DATA-, GND, FG
- RS-232 signals: RXD, TXD, DTR, DSR, RTS, CTS
- RS-485 signals: T/R+, T/R-, GND
- RS-422 signal: T/R+, T/R-, RXD+, RXD-, GND
- Working mode: 232 full duplex, asynchronous work, point-to-point or multi-point, 2-port half duplex, 4-port full duplex
- Direction control: Data flow direction automatic control technology, automatic control of data transmission direction
- Baud rate: 300-921.6Kbps, automatic detection of serial signal rate
- Load capacity: support point to multi-point, each converter can allow the connection of 256 RS-422 or RS-485 interface devices
- Transmission distance: RS-232 end no more than 5 meters, USB end no more than 5 meters; RS-485/422 end no more than 1200meters (9600bps when), USB end no more than 5 meters
- Interface protection: Surge protection, ±15KV electrostatic protection
- Interface form: USB end of the Class A interface male, DB9 male connector connection
- Signal approval: 2 signal approval lights send (TXD) or (RXD) 1 power indicator (POWER)
- Transmission medium: twisted pair or shielded wire
- Dimensions: 1000mm*36mm*16mm (L*W*H)
- Operating temperature: -40 ~ 85°C
- Relative humidity: 5 ~ 95%
- Transmission distance: 0-1200m (485/422)
- Support WinXP/7/8/8.1/10 etc.
Pin Definition Description
- RS-232 signal pin assignment
DB9 Male (PIN) Output Signal RS-232 full duplex wiring 1 N/A N/A 2 RXD RXD 3 TXD TXD 4 DTR DTR 5 GND GND 6 DSR DSR 7 RTS RTS 8 CTS CTS 9 N/A N/A DB9 Male

- RS-485/422 signal pin assignment
DB9 Male(PIN) Output Signal RS-422 full duplex wiring RS-485 half-duplex wiring 1 T/R+ Transmitting(A+) RS-485 (A+) 2 T/R- Transmitting(B-) RS-485 (B-) 3 RXD+ Receiving(A+) N/A 4 RXD – Receiving(B-) N/A 5 GND GND GND 6 N/A 7 N/A 8 N/A 9 N/A - USB-A: USB signal input and pin assignment diagram
1 VCC
2 DATA-(DM)
3 DATA+(DP)
4 GND
Communication connection diagram
- When the mode is RS-232:

- When the mode is RS-485/422:
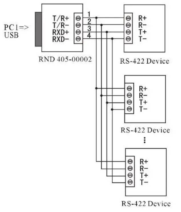
USB to RS-422 Converter
1. RND 405-00002 point-to-poini/4-wire full duplex communication
2. RS-422 point-to-multipoint/4-wire full duplex
3.Full-duplex communication connection between RND 405-00002 interface converters
USB to RS-485 Converter
1. RND 405-00002 point-to-point/2-wire full duplex communication
2. RS-485 point-to-multipoint/2-wire full duplex
3.Half-duplex communication connection between RND 405-00002 interface converters
Troubleshooting
- Data communication failure
A. Check whether the wiring of USB interface is correct
B. Check whether the RS-232/RS-485/RS-422 output interface is wired correctly
C. Check whether the power supply is normal
D. Check whether the terminals are well connected
E. Check whether the receiving indicator flashes when receiving
F. Check whether the transmitting indicator flashes when sending - 2. Data loss or error
A. Check whether the data rate and format are consistent at both ends of the data communication equipment
Steps to install the driver
This product is divided into conventional installation and one-click installation, after downloading the driver from the official website to the local.
8.1 Conventional installation
When the product is plugged into the computer on a non-Windows10 system, the driver installation will fail, so open the Device Manager.

Find the XR21B1411 device in other devices as shown below, right click and select Update Driver Software

In the pop-up window, select Browse Computer to find the driver software

According to their own computer system, select the appropriate driver software path, the following chart, the computer for Windows 7 32-bit system, then select the x86 driver, to install

After that, after a short installation process, you will be prompted with a successful installation, click close to use

Windows10 system access may show a driver, you need to update to a dedicated driver, update the same way as the above installation.
9.2 One-click installation
Find the downloaded driver file, double click the EXE file as shown below
Follow the prompts and keep clicking Next to complete
Mode change and configuration (default is RS-232 mode) As shown in the figure, right click on the serial device and select Properties, click Port Setting to change the mode.

- RS-232 mode (default mode):

- RS-485 mode:

- RS-422 mode:

- Serial port number configuration


1 VCC
2. RS-422 point-to-multipoint/4-wire full duplex
3.Full-duplex communication connection between RND 405-00002 interface converters
2. RS-485 point-to-multipoint/2-wire full duplex
3.Half-duplex communication connection between RND 405-00002 interface converters






















