Xylem 150S-HD Replacement Head Mechanism

WARNING
- Before using this product read and understand instructions.
- Save these instructions for future reference.
- All work must be performed by qualified personnel trained in the proper application, installation, and maintenance of plumbing, steam, and electrical equipment and/or systems in accordance with all applicable codes and ordinances.
- To prevent serious burns, the boiler must be cooled to 80’F (27 C) and the pressure must be psi (0 bar) before servicing.
- To prevent electrical shock, turn off the electrical power before making electrical connections.
- This low water cut-off must be installed in series with all other limit and operating controls installed on the boiler. After installation, check for proper operation of all of the limit and operating controls, before leaving the site.
- We recommend that secondary (redundant) Low Water Cut-Off controls be installed on all steam boilers with heat input greater than 400,000 BTU/hour or operating above 15 psi of steam pressure. At least two controls should be connected in series with the burner control circuit to provide safety redundancy protection should the boiler experience a low water condition. Moreover, at each annual outage, the low water cut-offs should be dismantled, inspected, cleaned, and checked for proper calibration and performance.
- To prevent serious personal injury from steam blow down, connect a drain pipe to the control opening to avoid exposure to steam discharge.
- To prevent a fire, do not use this low water cut-off to switch currents over 7.4A, 1/3 Hp at 120 VAC or 3.7A, 1/3 Hp at 240 VAC, unless a starter or relay is used in conjunction with it.
- This product can expose you to chemicals including Lead, which is known to the State of California to cause cancer and birth defects or other reproductive harm.
- For more information go to: www.P65Warnings.ca.gov.
- Failure to follow this warning could cause property damage, personal injury or death.
OPERATION
Maximum Pressure: 150 psi (10.5 kg/cm2)
Electrical Ratings
| Voltage | Pump Circuit Rating (Amperes) | Pilot Duty | |
| Full Load | Locked Rotor | ||
| 120 VAC | 7.4 | 44.4 | 345 VA at 120 or 240 VAC |
| 240 VAC | 3.7 | 22.2 | |
Enclosure rating: NEMA 1 General Purpose
| Alarm Circuit Rating | |
| Voltage | Amps |
| 120 VAC | 1 |
| 240 VAC | 1/2 |
| Motor Horsepower | |
| Voltage | Hp |
| 120 VAC | 1/3 |
| 240 VAC | 1/3 |
Settings and Differential Pressures
Values are ± 8″ (3.2mm).
Series 150S and 157S
|
Pressure |
Setting | Approximate Distance Above Cast Line In. (mm) |
Differential In. (mm) | ||
| 0 psi (0 kg/ cm2) | Pump Off | 15/16 | (24) | 5/16 (8) | |
| Pump On | 5/8 | (16) | |||
| Burner On | 5/8 | (16) | 3/8 | (16) | |
| Burner Off | 1/4 | (6.4) | |||
| 150 psi (10.5 kg/ cm2) | Pump Off | 13/8 | (41) | 3/4 | (19) |
| Pump On | 5/8 | (16) | |||
| Burner On | 7/8 | (22) | 7/8 | (22) | |
| Burner Off | 0 | (0) | |||
150 psi (10.5 kg/cm2) Levels
Model 150S-MD and 157S-MD
|
Pressure |
Setting | Approximate Distance Above Cast Line In. (mm) |
Differential In. (mm) | ||
| 0 psi (0 kg/ cm2) | Pump Off | 15/16 | (24) | 3/8 | (16) |
| Pump On | 9/16 | (14) | |||
| Burner Off | 0 | (0) | N/A | ||
| 150 psi (10.5 kg/ cm2) | Pump Off | 17/16 | (37) | 3/4 | (19) |
| Pump On | 11/16 | (17) | |||
| Burner Off | – 3/8 | (-16) | N/A | ||
150 psi (10.5 kg/cm2) Levels
Values are ± 8″ (3.2mm).
Model 158S
|
Pressure |
Setting | Approximate Distance Above Cast Line In. (mm) |
Differential In. (mm) | ||
| 0 psi (0 kg/ cm2) | Motorized Valve Closed | 15/16 | (24) | 5/16 (8) | |
| Motorized Valve Open | 5/8 | (16) | |||
| Burner On | 5/8 | (16) | 3/8 | (16) | |
| Burner Off | 1/4 | (6.4) | |||
| 150 psi (10.5 kg/ cm2) | Motorized Valve Closed | 13/8 | (41) | 3/4 | (19) |
| Motorized Valve Open | 5/8 | (16) | |||
| Burner On | 7/8 | (22) | 7/8 | (22) | |
| Burner Off | 0 | (0) | |||
150 psi (10.5 kg/cm2) Levels
NOTE: Due to the slower operation of some motorized valves, complete valve opening or closing will occur at slightly different levels than indicated above.
Model 158S-MD
|
Pressure |
Setting | Approximate Distance Above Cast Line In. (mm) |
Differential In. (mm) | ||
| 0 psi (0 kg/ cm2) | Pump Off | 15/16 | (24) | 3/8 | (16) |
| Pump On | 9/16 | (14) | |||
| Burner Off | 0 | (0) | N/A | ||
| 150 psi (10.5 kg/ cm2) | Pump Off | 17/16 | (37) | 3/4 | (19) |
| Pump On | 11/16 | (17) | |||
| Burner Off | – 3/8 | (-16) | N/A | ||
150 psi (10.5 kg/cm2) Levels
NOTE: Due to the slower operation of some motorized valves, complete valve opening or closing will occur at slightly different levels than indicated above.
Values are ± 8″ (3.2mm).
Model 159S
|
Pressure |
Setting | Approximate Distance Above Cast Line In. (mm) |
Differential In. (mm) | ||
| 0 psi (0 kg/ cm2) | Pump #1 Off | 15/16 | (24) | 5/16 (8) | |
| Pump #1 On | 5/8 | (16) | |||
| Pump #2 Off | 5/8 | (16) | 3/8 | (16) | |
| Pump #2 On | 1/4 | (6.4) | |||
| 150 psi (10.5 kg/ cm2) | Pump #1 Off | 13/8 | (41) | 3/4 | (19) |
| Pump #1 On | 5/8 | (16) | |||
| Pump #2 Off | 7/8 | (22) | 7/8 | (22) | |
| Pump #2 On | 0 | (0) | |||
150 psi (10.5 kg/cm2) Levels
INSTALLATION
TOOLS NEEDED:
One (1) pipe wrench, one (1) flathead screwdriver, one (1) scraper, and one (1) 9/16″ socket or wrench.
Preparation
WARNING
- To prevent serious burns, the boiler must be cooled to 80˚F (27˚C) and the pressure must be 0 psi (0 bar) before servicing.
- To prevent electrical shock, turn off the electrical power before disconnecting or making electrical connections. Failure to follow this warning could cause property damage, personal injury or death.
- Drain water in the boiler to a level which is below the float chamber (A). Allow the boiler to cool to 80˚F (27˚C) and release the boiler pressure to 0 psi (0 bar).

- Using a flathead screwdriver, remove the junction box cover (B). Disconnect, mark, and remove the supply wires and conduit connections.
CAUTION
There may be more than one source of power to the boiler.
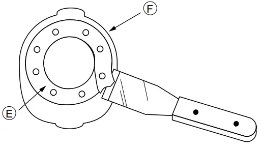
- Remove the existing head mechanism (C) from the body (D).

- sing a scraper, remove the old gasket (E). Clean all debris from the float chamber. The gasket sealing surface (F) must be smooth and clean.

Installing the Replacement Head Mechanism
- a. Carefully remove the new replacement head mechanism from the carton. Handle it carefully to prevent damage to the float rod (G).

- Align the bolt holes of the new head gasket (J) on the sealing surface of the control body.

- Install the new replacement head (K) on the body (D) by guiding the float into the control body and aligning the bolt holes.

- Using a wrench, insert the eight (8) bolts and tighten them to approximately 14-20 ft•lb (19-27 N•m) in an alternating star pattern.

Electrical Wiring
WARNING
- To prevent a fire, do not use this product to switch currents over 7.4A, 1/3 Hp at 120 VAC or 3.7A, 1/3 Hp at 240 VAC, unless a starter or relay is used in conjunction with it.
- To prevent electrical shock, turn off the electrical power before making electrical connections.
- This low water cut-off must be installed in series with all other limit and operating controls installed on the boiler. After installation, check for proper operation of all of the limit and operating controls, before leaving the site.
- Modification of the switch assembly before or after installation could cause damage to the boiler and/or boiler system.
Failure to follow this warning could cause electrical shock, an explosion and/or a fire, which could result in property damage, personal injury or death.
- Reconnect conduit and wires which were disconnected prior to head removal.
IMPORTANT: There must be a minimum space of 1/2″ (13mm) between connector fittings and electrical live metal parts. - b. Re-attach the junction box cover (B).
Note:
Cover must be installed correctly as shown
Switch Operation
For all Models except 158S and 159S
- Boiler feed pump off, burner on, alarm off.
- Boiler feed pump on, burner on, alarm off.
- Boiler feed pump on, burner off, alarm on.
For Model 158S
- Motorized valve closed, burner on, alarm off.
- Motorized valve open, burner on, alarm off.
- Motorized valve open, burner off, alarm on.
For Model 159S
- Pump #1 off, pump #2 off.
- Pump #1 on, pump #2 off.
- Pump #1 on, pump #2 on.
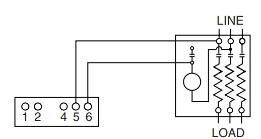
WIRING DIAGRAMS
For Motorized Valves, refer to the valve manufacturer’s wiring instructions.
Low Water Cut-Off Only
- Main Line Switch – For burner circuits within the switch’s electrical rating.

- Pilot Switch – To holding coil of a starter when the burner circuit exceeds the switch’s electrical rating. LINE
Pump Control Only
- Install a starter or relay in pump control circuit, as shown, to prevent damage to snap switch and help insure proper switch/control operation. Failure to do so may shorten the life of the switch when actual amperage exceeds switch rating.
- Connect wires from holding coil of pump starter or relay to terminals 1 and 2 as shown.
NOTE
To help insure most effective operation, balance boiler feed pump(s) to deliver required water feed rate to match boiler steaming requirements.
NOTE
For Model 159S, use terminals 5 and 6 from starter or relay for pump #2.
Alarm Circuit Only
- Low Water Alarm

- High Water Alarm

Combination Pump Control, Low Water Cut-Off and Alarm
- Main Line Switch – For burner circuits within the switch’s electrical rating.

- Pilot Switch – To holding coil of a starter when the burner circuit exceeds the switch’s electrical rating.

Testing
This control is factory calibrated for specific level settings as shown on pages 2-4 in the “Operation” section.
The following testing procedure is only meant to serve as a verification of proper operating sequence.
IMPORTANT: Follow the boiler manufacturer’s start-up and operating instructions along with all applica-ble codes and ordinances.
- a. Turn on the electric power to the boiler.The pump should go on and the burner must remain off.

WARNING
If the burner comes on, immediately turn the boiler off and make the necessary corrections.
Failure to follow this warning could cause an explosion or fire and result in property damage, personal injury or death.
- b The boiler should begin to fill with water. As the water level rises in the sight glass, the burner should turn on and then the pump should turn off at appropriate levels. For manual reset models, press the reset button (K) when the water reaches appro-priate level.
If the burner does not turn on or pump turn off at appropriate levels, immediately turn off the boiler and make necessary corrections.
CAUTION
To prevent serious personal injury from steam pipe blow down, connect a drain pipe to the control opening to avoid exposure to steam discharge.
Failure to follow this caution could cause personal injury.
- c. Blow down the control when the water in the boiler is at its normal level and the burner is on. Follow Blow Down Procedure found in Maintenance Section on page 11 of these instructions.
Location of Manual Reset Button
Snap Switch Models
MAINTENANCE
SCHEDULE:
Blow down control as follows when boiler is in operation.
- Daily if operating pressure is above 15 psi.
- Weekly if operating pressure is below 15 psi.
NOTE
More frequent blow-down may be necessary due to dirty boiler water and/or local codes.
- Remove head assembly and inspect water side components annually. Replace head assembly if any of the internal components are worn, corroded or damaged or if control no longer operates properly.
- Inspect the float chamber and equalizing piping annually. Remove all sediment and debris.
NOTE
The control may need to be inspected and cleaned more frequently on systems where there is the potential of excessive scale or sludge build-up. This includes systems:
- With high raw water make-up
- With no condensate return
- With untreated boiler water
- Where significant changes have been made to the boiler-water chemical treatment process
- With oil in the boiler water
Replace head mechanism every 5 years.
More frequent replacement may be required when severe conditions exist.
Replacement parts are available from your local authorized McDonnell & Miller Distributor.
The use of parts or components other than those manufactured by McDonnell & Miller will void all warranties and may affect the units compliance with listings or regulating agencies.
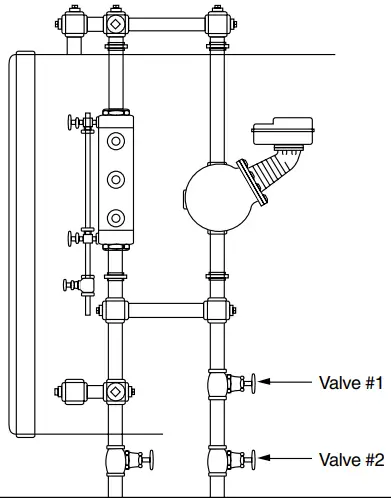
BLOW DOWN PROCEDURE:
CAUTION
To prevent serious personal injury from steam pipe blow down, connect a drain pipe to the control opening to avoid exposure to steam discharge.
Failure to follow this caution could cause personal injury.
When blowing down a control at pressure, the blow down valves should be opened slowly.The piping needs to be warmed up and stagnant water in the drain piping needs to be pushed out. Suddenly opening a blow down valve causes steam to condense, which can create water hammer. Damage to components can occur when water hammer occurs due to improper blow down piping. For these reasons, McDonnell & Miller recommends a dual valve blow-down system for each control.
Blow down the control when the water in the boiler is at its normal level and the burner is on.
NOTE: Refer to page 2 for switch operating points.
- Open upper valve (#1)
- Slowly open the lower valve (#2)
- Water in the sight glass should lower.
- As the water in the sight glass lowers, the pump should turn on.
- As the water continues to lower in the sight glass, the burner should turn off.
- Slowly close the lower valve (#2).
- Close the upper valve (#1)
- The water level in the sight glass should rise, first turning on the burner and then turning off the pump. NOTE: On manual reset models, the reset button will need to be pressed after the water level has been restored before the burner will operate.
NOTE
If this sequence of operation does not occur as described, immediately close all the valves, turn off the boiler and correct the problem. Inspection/cleaning of the float mechanism may be required to determine why the control was not working properly. Retest the control after the problem has been identified and corrected.
COMMERCIAL WARRANTY
Warranty. For goods sold to commercial buyers, Seller warrants the goods sold to Buyer hereunder (with the exception of membranes, seals, gaskets, elastomer materials, coatings and other “wear parts” or consumables all of which are not warranted except as otherwise provided in the quotation or sales form) will be (i) be built in accordance with the specifications referred to in the quotation or sales form, if such specifications
are expressly made a part of this Agreement, and (ii) free from defects in material and workmanship for a period of one (1) year from the date
of installation or two (2) years from the date of manufacture, whichever shall occur first, unless a longer period is specified in the product documentation (the “Warranty”).
Except as otherwise required by law, Seller shall, at its option and at no cost to Buyer, either repair or replace any product which fails to conform with the Warranty provided Buyer gives written notice to Seller of any defects in material or workmanship within ten (10) days of the date when any defects or non-conformance are first manifest. Under either repair or replacement option, Seller shall not be obligated to remove or pay for the removal of the defective product or install or pay for the installation of the replaced or repaired product and Buyer shall be responsible for all other costs, including, but not limited to, service costs, shipping fees and expenses. Seller shall have sole discretion as to the method or means of repair or replacement. Buyer’s failure to comply with Seller’s repair or replacement directions shall terminate Seller’s obligations under this Warranty and render the Warranty void. Any parts repaired or replaced under the Warranty are warranted only for the balance of the warranty period on the parts that were repaired or replaced. Seller shall have no warranty obligations to Buyer with respect to any product or parts of a product that have been: (a) repaired by third parties other than Seller or without Seller’s written approval; (b) subject to misuse, misapplication, neglect, alteration, accident, or physical damage; (c) used in a manner contrary to Seller’s instructions for installation, operation and maintenance; (d) damaged from ordinary wear and tear, corrosion, or chemical attack; (e) damaged due to abnormal conditions, vibration, failure to properly prime, or operation without flow;(f) damaged due to a defective power supply or improper electrical protection; or (g) damaged resulting from the use of accessory equipment not sold or approved by Seller. In any case of products not manufactured by Seller, there is no warranty from Seller; however, Seller will extend to Buyer any warranty received from Seller’s supplier of such products.
THE FOREGOING WARRANTY IS EXCLUSIVE AND IN LIEU OF ANY AND ALL OTHER EXPRESS OR IMPLIED WARRANTIES, GUARANTEES, CONDITIONS OR TERMS OF WHATEVER NATURE RELATING TO THE GOODS PROVIDED HEREUNDER, INCLUDING WITHOUT LIMITATION ANY IMPLIED WARRANTIES OF MERCHANTABILITY AND FITNESS FOR A PARTICULAR PURPOSE, WHICH ARE HEREBY EXPRESSLY DISCLAIMED AND EXCLUDED. EXCEPT AS OTHERWISE REQUIRED BY LAW, BUYER’S EXCLUSIVE REMEDY AND SELLER’S AGGREGATE LIABILITY FOR BREACH OF ANY OF THE FOREGOING WARRANTIES ARE LIMITED TO REPAIRING OR REPLACING THE PRODUCT AND SHALL IN ALL CASES BE LIMITED TO THE AMOUNT PAID BY THE BUYER FOR THE DEFECTIVE PRODUCT. IN NO EVENT SHALL SELLER BE LIABLE FOR ANY OTHER FORM OF DAMAGES, WHETHER DIRECT, INDIRECT, LIQUIDATED, INCIDENTAL, CONSEQUENTIAL, PUNITIVE, EXEMPLARY OR SPECIAL DAMAGES, INCLUDING BUT NOT LIMITED TO LOSS OF PROFIT, LOSS OF ANTICIPATED SAVINGS OR REVENUE, LOSS OF INCOME, LOSS OF BUSINESS, LOSS OF PRODUCTION, LOSS OF OPPORTUNITY OR LOSS OF REPUTATION.
LIMITED CONSUMER WARRANTY
Warranty. For goods sold for personal, family or household purposes, Seller warrants the goods purchased hereunder (with the exception of membranes, seals, gaskets, elastomer materials, coatings and other “wear parts” or consumables all of which are not warranted except as otherwise provided in the quotation or sales form) will be free from defects in material and workmanship for a period of one (1) year from the date of installation or two (2) years from the product date code, whichever shall occur first, unless a longer period is provided by law or is specified in the product documentation (the “Warranty”).
Except as otherwise required by law, Seller shall, at its option and at no cost to Buyer, either repair or replace any product which fails to conform with the Warranty provided Buyer gives written notice to Seller of any defects in material or workmanship within ten (10) days of the date when any defects or non-conformance are first manifest. Under either repair or replacement option, Seller shall not be obligated to remove or pay for the removal of the defective product or install or pay for the installation of the replaced or repaired product and Buyer shall be responsible for all other costs, including, but not limited to, service costs, shipping fees and expenses. Seller shall have sole discretion as to the method or means of repair or replacement. Buyer’s failure to comply with Seller’s repair or replacement directions shall terminate Seller’s obligations under this Warranty and render this Warranty void. Any parts repaired or replaced under the Warranty are warranted only for the balance of the warranty period on the parts that were repaired or replaced. The Warranty is conditioned on Buyer giving written notice to Seller of any defects in material or workmanship of warranted goods within ten (10) days of the date when any defects are first manifest.
Seller shall have no warranty obligations to Buyer with respect to any product or parts of a product that have been: (a) repaired by third parties other than Seller or without Seller’s written approval; (b) subject to misuse, misapplication, neglect, alteration, accident, or physical damage; (c) used in a manner contrary to Seller’s instructions for installation, operation and maintenance; (d) damaged from ordinary wear and tear, corrosion, or chemical attack; (e) damaged due to abnormal conditions, vibration, failure to properly prime, or operation without flow; (f) damaged due to a defective power supply or improper electrical protection; or (g) damaged resulting from the use of accessory equipment not sold or approved by Seller. In any case of products not manufactured by Seller, there is no warranty from Seller; however, Seller will extend to Buyer any warranty received from Seller’s supplier of such products.
THE FOREGOING WARRANTY IS PROVIDED IN PLACE OF ALL OTHER EXPRESS WARRANTIES. ALL IMPLIED WARRANTIES, INCLUDING BUT NOT LIMITED TO THE IMPLIED WARRANTIES OF MERCHANTABILITY AND FITNESS FOR A PARTICULAR PURPOSE, ARE LIMITED TO ONE (1) YEAR FROM THE DATE OF INSTALLATION OR TWO (2) YEARS FROM THE PRODUCT DATE CODE, WHICHEVER SHALL OCCUR FIRST. EXCEPT AS OTHERWISE REQUIRED BY LAW, BUYER’S EXCLUSIVE REMEDY AND SELLER’S AGGREGATE LIABILITY FOR BREACH OF ANY OF THE FOREGOING WARRANTIES ARE LIMITED TO REPAIRING OR REPLACING THE PRODUCT AND SHALL IN ALL CASES BE LIMITED TO THE AMOUNT PAID BY THE BUYER FOR THE DEFECTIVE PRODUCT. IN NO EVENT SHALL SELLER BE LIABLE FOR ANY OTHER FORM OF DAMAGES, WHETHER DIRECT, INDIRECT, LIQUIDATED, INCIDENTAL, CONSEQUENTIAL, PUNITIVE, EXEMPLARY OR SPECIAL DAMAGES, INCLUDING BUT NOT LIMITED TO LOSS OF PROFIT, LOSS OF ANTICIPATED SAVINGS OR REVENUE, LOSS OF INCOME, LOSS OF BUSINESS, LOSS OF PRODUCTION, LOSS OF OPPORTUNITY OR LOSS OF REPUTATION.
Some states do not allow limitations on how long an implied warranty lasts, so the above limitation may not apply to you. Some states do not allow the exclusion or limitation of incidental or consequential damages, so the above exclusions may not apply to you. This warranty gives you specific legal rights, and you may also have other rights which may vary from state to state.
To make a warranty claim, check first with the dealer from whom you purchased the product or call +1-847-966-3700 for the name and location of the nearest dealer providing warranty service.
Xylem Inc.
8200 N. Austin Avenue
Morton Grove, Illinois 60053
Phone: (847) 966-3700
Fax: (847) 965-8379
www.xylem.com/mcdonnellmiller
McDonnell & Miller is a trademark of Xylem Inc. or one of its subsidiaries. © 2019 Xylem Inc. MM-219M May 2019 Part No. 210343


































