midmark 255 Ceiling Mounted Light

255 Ceiling Mounted Light Installation
Note
Installation requirements may vary the dimensions.
- Step 1: Determine mounting location.
- Use the weight / dimension information shown on this page to determine the mounting location.
Note: Power source must be within 12 ft. (3.6 m) of mounting location.
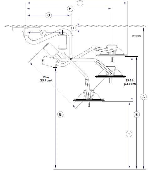
Notes (Applies to 9 ceiling):
The ceiling must be capable of supporting the light system.
Weight (max.): ………118 lb (53.6 kg) (for double light) / 65 lb (29.5 kg) (for single light)
Torque (max.): ………………….172.9 ft-lb (234.4 Nm)
In addition to supporting the weights listed, the ceiling structure must be able to support the
light without deflection. To prevent the suspension arm from drifting, the assembly must deflect no more than 1/16″ (0.16 mm) over a 12″ (30.5 cm) distance.
Note
Installation requirements may vary the dimensions.
| Ceiling Support Structure Installation (Single Light) | |||
| Reference | 8 ft (96 in / 243.8 cm) | 9 ft (108 in / 274.3 cm) | 10 ft (120 in / 304.8 cm) |
| A | 96 in (243.8 cm) | 108 in (274.3 cm) | 120 in (304.8 cm) |
| B | 80 in (203.2 cm) | 81 in (205.7 cm) | 81 in (205.7 cm) |
| C | 50.4 in (128 cm) | 51.6 in (131.1 cm) | 51.6 in (131.1 cm) |
| D | 2.1 in (5.3 cm) | 11.2 in (28.4 cm) | 17.2 in (43.7 cm) |
| E | 71 in (180.3 cm) | 72.2 in (183.4 cm) | 72.2 in (183.4 cm) |
| F | 19.1 in (48.5 cm) | 17.1 in (43.4 cm) | 17.1 in (43.4 cm) |
| G | 24 in (61 cm) | 22 in (55.9 cm) | 22 in (55.9 cm) |
| H | 48.4 in (122.9 cm) | 46.4 in (117.8 cm) | 46.4 in (117.8 cm) |
| I | 58.4 in (148.3 cm) | 56.4 in (143.2 cm) | 56.4 in (143.2 cm) |
Note
Installation requirements may vary the dimensions.
Notes
Reference J is the dimension from the center of the mount bracket and the center rotation point of the downtube.
References K through M are added dimensions for the double light.
| Ceiling Support Structure Installation (Double Light) | |||
| Reference | 8 ft (96 in / 243.8 cm) | 9 ft (108 in / 274.3 cm) | 10 ft (120 in / 304.8 cm) |
| A | 96 in (243.8 cm) | 108 in (274.3 cm) | 120 in (304.8 cm) |
| B | 80 in (203.2 cm) | 81 in (205.7 cm) | 81 in (205.7 cm) |
| C | 50.4 in (128 cm) | 51.6 in (131.1 cm) | 51.6 in (131.1 cm) |
| D | 2.1 in (5.3 cm) | 11.2 in (28.4 cm) | 17.2 in (43.7 cm) |
| E | 71 in (180.3 cm) | 72.2 in (183.4 cm) | 72.2 in (183.4 cm) |
| F | 19.1 in (48.5 cm) | 17.1 in (43.4 cm) | 17.1 in (43.4 cm) |
| G | 24 in (61 cm) | 22 in (55.9 cm) | 22 in (55.9 cm) |
| H | 48.4 in (122.9 cm) | 46.4 in (117.8 cm) | 46.4 in (117.8 cm) |
| I | 58.4 in (148.3 cm) | 56.4 in (143.2 cm) | 56.4 in (143.2 cm) |
| J | 3 in (7.6 cm) | 3 in (7.6 cm) | 3 in (7.6 cm) |
| K | 44.2 in (112.3 cm) | 40.2 in (102.1 cm) | 40.2 in (102.1 cm) |
| L | 54 in (137.2 cm) | 50 in (127 cm) | 50 in (127 cm) |
| M | 102.8 in (261.1 cm) | 98.8 in (251 cm) | 98.8 in (251 cm) |
| N | 122.8 in (311.6 cm) | 118.8 in (301.8 cm) | 118.8 in (301.8 cm) |

- Step 2: Inspect components per assembly.


Attention
Illustrations are suggestions only. Mismark does not supply ceiling structures. Consult a structural engineer for the best solution for your situation.
Recommended Ceiling Mounting Locations
These locations allow the lightheaded to be positioned over any portion of the patient’s body without running into a physical arm restriction; mounting the light system on the centerline of the table or headrest will result in some areas of the patient’s body not being able to be illuminated by the lightheaded. Also, the light system should be mounted on the opposite side of the table as the doctor’s work position, so the light system is not hanging above their head.
| Ceiling Support Structure Installation | |||
| Mounting Style | Ceiling Height | Weight | Torque |
| Single | 8 ft (2.44 m) | 64 lb (29.1 kg) | 94 ft-lb (127 Nm) |
| 9 ft (2.74 m) | 65 lb (29.5 kg) | 87 ft-lb (118 Nm) | |
| 10 ft (3.05 m) | 66 lb (29.9 kg) | 88 ft-lb (119 Nm) | |
| Double | 8 ft (2.44 m) | 116 lb (52.7 kg) | 171 ft-lb (232 Nm) |
| 9 ft (2.74 m) | 118 lb (53.6 kg) | 173 ft-lb (235 Nm) | |
| 10 ft (3.05 m) | 120 lb (54.4 kg) | 176 ft-lb (239 Nm) | |
Recommended Ceiling Support Structure Layout
The 255 LED Lighting system requires a sturdy ceiling support structure to support the weight and the dynamic torque which will be applied to the support structure .
The 255 LED lighting system is engineered for ease of movement during positioning. The arm assemblies and light heads(s) will rotate with a minimum of force, provided the arm assemblies are leveled and stay level. If, however, the ceiling support is weak and flexes, the weakness will have a negative impact on the operation of the arm assemblies during positioning.
If the ceiling support structure flexes too much, the lightheaded(s) will drift to the lowest point. Although the arms are equipped with brakes to prevent drift, the undesirable side effect of stiffer braking is that the arm assemblies / lightheaded(s) will be harder to move. For a set of arm assemblies to rotate without drift and a minimum amount of force, the ceiling plate assembly must not be allowed to deflect more than 1/16″ over a 12″ distance. The ceiling plate must be level and stay level when the arm assemblies are rotated in every position and all worst case scenarios
( example: two sets of arm assemblies on one side), which requires the ceiling support structure be braced in multiple directions.
The bottom of the ceiling plate assembly must be installed so it is flush with the finished surface of the facility’s ceiling. The ceiling cover is designed to fit up against the finished ceiling.

Caution
The ceiling support structure must support the weight of the system and the rotating suspension arms and lightheaded(s) without deflection.
Connect Junction Box Wiring
Electromagnetic Interference
This product is designed and built to minimize electromagnetic interference with other devices.
If interference is noticed between another device and this product, then remove the interfering device from the room or wire this product into an isolated circuit.
Wiring Installation
The wiring, supplying power to the junction box of the 255 LED lighting system, must be supplied by the customer. The single and double 255 LED lighting system requires 115 VAC or 230 VAC input voltage. The wire should be a two-conductor with ground, 14 gauge copper wiring (minimum), rated for 120 VAC (for 115 VAC inputs) and 250 VAC (for 230 VAC inputs). The customer supplied wiring must be connected to the junction box with some form of strain relief fitting, preferably a conduit fitting. Connect and route the wiring according to state and local codes using conduit where necessary.
WARNING
Ensure facility supplied wiring is turned to OFF.
- Step 3: Prepare customer/facility supplied wiring.
- Turn OFF facility power breaker so no power in customer supplied wiring.
- In ceiling box, loosen four screws; then pull outward on cover and remove from junction box.
- Install conduit fitting (customer supplied) in the knockout of the junction box.
- Feed the facility supplied wiring through the knock-out in the junction box.
Note
Double unit shown in graphic.
WARNING
Ensure facility supplied wiring is not shorted to junction box and do not touch wires.
- Step 4: Check facility power.
- Turn ON facility power breaker so there is power in customer supplied wiring.
- Using a multimeter, measure the input voltage between black power lead and white neutral lead of customer supplied wiring. Record this voltage.
Equipment Alert
Single light wiring shown.
Customer supplied wiring same for double.
WARNING
Ensure facility supplied wiring is turned to OFF.
CAUTION
Failure to properly connect and insulate wires in junction box could result in a short or electrical shock to personnel or improper system operation.
Always use a strain relief (conduit fitting) between facility wiring and the junction box. Always connect the earth ground wires inside the junction box.
For single lights and double lights
- Step 5: Connect facility wiring.
- Turn OFF facility power breaker so there is no power in customer supplied wiring.
- Connect the line (L), neutral (N), and ground wires as labeled.
WARNING
Ensure facility supplied wiring is not shorted to junction box and do not touch wires.
- Step 6: Finalize facility wiring.
- Feed power supply output wire harness through hole in bottom of junction box.
- Position box cover on junction box and secure by tightening four screws.
Notes
Perform these steps now if the ceiling is a drywall/plastered ceiling; these steps cannot be performed later. Double unit shown in graphic.
WARNINGS
Ensure facility supplied wiring is not shorted to junction box and do not touch wires.
Failure to install nuts so at least two full threads are visible below nuts could result in unit falling.
- Step 7: Install ceiling plate assembly (guiding method – consider other methods).
- Install four 1/2″ nuts on four all-thread bolts (not supplied) as far as possible.
- Install ceiling plate assembly on four all-thread bolts and secure with four 1/2″ lock washers and 1/2″ nuts.
- Ensure nuts do not contact the ceiling plate assembly, otherwise leveling of ceiling plate assembly with nuts will not be possible. Adjust four nuts until bottom of ceiling plate assembly is flush with surface of ceiling.
- Use a level to check the levelness of ceiling plate assembly in all directions. Adjust four nuts as necessary until the ceiling plate assembly is level in all directions and flush with surface of ceiling.
- E) Tighten nuts against ceiling plate assembly; then recheck levelness of ceiling plate and readjust if necessary.

WARNING
Failure to install nuts so that there are at least two full threads visible below nuts, could result in unit falling.
- Step 8: Install Down Tube.
- Thread three 3/8″ x 16 hex nuts (supplied) onto three bolts until they are hand-tight; then back off each nut one full turn.
- Position down tube near hole.
- Connect junction box wire harness to down tube wire harness.
- Install down tube on three bolts and secure with three 3/8″ lock washers and 3/8″ x 16 hex nuts (supplied).
- Under normal circumstances, the down tube should be level enough to provide drift-free operation. If, after complete assembly and operation of the light system, drifting is observed, use a protractor or level to adjust nuts until down tube is vertical (+/- 0.5 degrees); then tighten nuts.
- For double light, repeat steps A through E for remaining down tube.
- Slide ceiling cover onto down tube(s).
- Attach ceiling cover to ceiling plate with four #10-24 x 3/4″ screws (supplied).
Note
Double unit shown in graphic.
Note:
There are three screw holes in cross tube; two of the holes are larger and have a courser thread.
Use these two holes to secure cross tube assembly with screws. The other hole is for securing ball pivot sleeve.
- Step 9: Install Cross Tube Assembly.
- Slide ball pivot sleeve onto down tube making sure screw hole in sleeve is towards the bottom.
- With ball pivot sleeve positioned as high as possible on down tube, pull wire harness through top window of down tube.
- Align three screw holes; then insert pivot shaft of cross tube assembly into down tube. Secure cross tube assembly in position with two #10-24 x 3/8″ button head screws.
- Feed wire harness through top window of down tube.
- Connect wire harnesses. Push harness into top window.
- Slide ball pivot sleeve down into position and secure with one #10-24 x 3/8″ (New Units Only) Philips head screw.

- Step 10: To verify operation…
- Turn ON facility power breaker so there is power in customer supplied wiring.
- Turn light ON and adjust intensity as needed using light intensity controls.
- Position the light 36″ from the table and aim the light at the table.
- Observe. There should be an evenly distributed circular pattern of bright light, approximately 7.5 inches in diameter, on the table surface.
- Rotate the lightheaded, lamp tube, cross tube, and down tube through their range of motion. Release the lightheaded at different positions.
- Observe. The lightheaded should be able to be positioned easily through the entire range of its motion.
When the lightheaded is released in any position, no drifting should occur at any axis. - If any problems are discovered, refer to the troubleshooting guide for adjustment and repair tips.

To adjust ball pivot tension…
- Remove screw, then slide sleeve down.
- Insert screwdriver into adjustment hole.
- Move the screwdriver LEFT / RIGHT to adjust tension setting (LEFT: decreases tension / RIGHT: increases tension)
- Remove screwdriver, and check for desired tension.
Repeat until desired tension is achieved. - Slide fixed arm sleeve up, then install screw.
To adjust cross tube counterbalance…
- Release tension.
- Remove cap from counterbalance.
- Loosen / tighten the adjustment screw until the cross tube balances in horizontal position.
- Install cap onto counterbalance.
- Set tension.
Note: Turning the adjustment screw clockwise will lower the lightheaded.
Turning the adjustment screw counterclockwise will raise the lightheaded.
- © 2014 Midmark Corp.
- 60 Vista Drive Versailles, OH 45380 USA
- 1.800.643.6275
- 1.937.526.3662
- midmark.com
TP200 20-42-FO-00012 Rev A1 C2169























