CLESSIDRA
DESIGN BY ANTONIO CITTERIO
Instruction Manual
Clessidra Outdoor Wall Lamp
INSTRUCTION FOR CORRECT INSTALLATION AND USE
WARNING!
The safety of this fitting can only be guaranteed if these instructions are observed, during both installation and use. Please retain these instructions safety.
REMARKS:
- When installing and whenever acting on the appliance, ensure that the power supply has been switched off.
- The appliance may in no way be modified or tampered with, any modification may compromise safety causing the appliance to become dangerous. FLOS declines all responsibility for products that are modified.
- This appliance must be connected to an efficient grounding system in order to work safely and correctly.
- The device carries no risk of photobiological emissions;
- The light source cannot be replaced by the customer.
Contact FLOS for information. - If not familiar with electrical connections, contact a qualified electrician.
- The symbol
shown on the device indicates that the product must be thrown out in a different manner than with the urban trashes.
TECHNICAL DATA
- 2 x 1 Led; 2 x 5W.
The chrome plating used is environmentally friendly and thus adheres to RoHS regulations.
CLEANING INSTRUCTIONS
- Use only a soft cloth to clean the appliance, dampened with water and soap.
- Warning: do not use alcohol or other solvents.
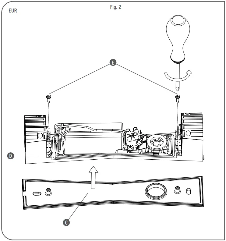
Fig.1 Dismantle the cover (A) unscrewing the screws (B) with the allen key included. | Fig.2 Separate the wall attachment from the (C) body (D) unscrewing the screws (E). |
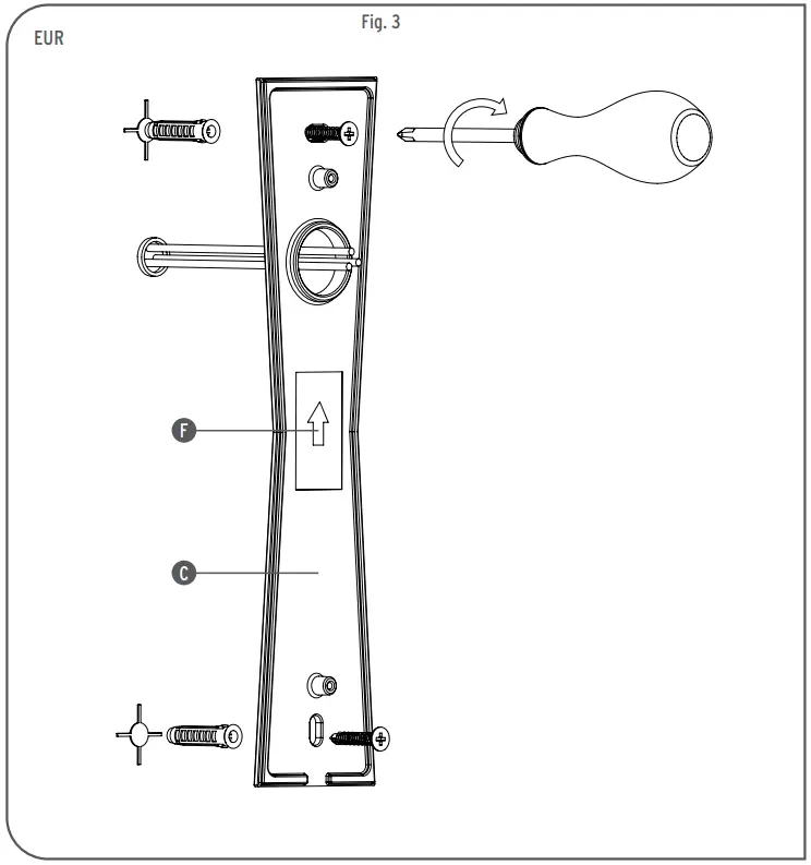
Fig.3 Fix the wall attachment (C) with screws and rawl plugs taking care to put it the correct way up as indicated by the arrow (F) and passing the power cables through the correct hole. NOTE: Choose screw anchors that are suitable for the surface which shall be assembled upon. | Fig.4 Remount the body (D) onto the wall attachment taking care to pass the supply cables through the fairlead (G), then make the electrical connections in the terminal box(H) and to the earth terminal (I). |
Fig.1b Separate the wall attachment (C) from the body (D) by unscrewing the screws(E); pass the power cables from the device through the central hole of the covering plate (Y) , then make the electrical connections in the Junction Box (White to white, black to black, green to earth); fix the covering plate (Y) to the Junction Box with the screws provided taking care to follow the direction of the arrow, then fix the attachment to the wall (C) with screws and rawl plugs; N.B.use rawl plugs appropriate to the mounting medium. Remount the body (D) to the wall attachment (C) with the screws (E), then tighten down the four screws (X) with the tool provided. | Fig.5 Remount the cover (A); mount the external body (L) onto the internal body (D) with the screws (M) included taking care to put the washers (N) in the correct positions (O). |
Fig.5 Fixer le corps externe (L) sur le corps interne (D) avec les vis fournies (M) en prenant soin de placer correctement los tacos (N) dans leur emplacement (O). | |
Fig.1 Dismantle the cover (A) unscrewing the screws (B) with the allen key included.
Fig.2 Separate the wall attachment from the (C) body (D) unscrewing the screws (E).
Fig.3 Fix the wall attachment (C) with screws and rawl plugs taking care to put it the correct way up as indicated by the arrow (F) and passing the power cables through the correct hole. NOTE: Choose screw anchors that are suitable for the surface which shall be assembled upon.
Fig.4 Remount the body (D) onto the wall attachment taking care to pass the supply cables through the fairlead (G), then make the electrical connections in the terminal box(H) and to the earth terminal (I).
Fig.1b Separate the wall attachment (C) from the body (D) by unscrewing the screws(E); pass the power cables from the device through the central hole of the covering plate (Y) , then make the electrical connections in the Junction Box (White to white, black to black, green to earth); fix the covering plate (Y) to the Junction Box with the screws provided taking care to follow the direction of the arrow, then fix the attachment to the wall (C) with screws and rawl plugs; N.B.use rawl plugs appropriate to the mounting medium. Remount the body (D) to the wall attachment (C) with the screws (E), then tighten down the four screws (X) with the tool provided.
Fig.5 Remount the cover (A); mount the external body (L) onto the internal body (D) with the screws (M) included taking care to put the washers (N) in the correct positions (O).
Fig.5 Fixer le corps externe (L) sur le corps interne (D) avec les vis fournies (M) en prenant soin de placer correctement los tacos (N) dans leur emplacement (O).

















