BAYSIDE CALYPSO CEILING FAN
User Manual
213015 Calypso 122cm 3 Blade Fan
CAUTION
READ INSTRUCTIONS CAREFULLY FOR SAFE INSTALLATION AND FAN OPERATION.
THANK YOU FOR PURCHASING
Thank you for purchasing this quality Bayside product. To ensure correct function and safety, please read and save all instructions before using the product.
SAFETY PRECAUTIONS
- In Europe: This appliance can be used by children aged 8 years and above and persons with reduced physical, sensory or mental capabilities or lack of experience and knowledge if they have been given supervision or instruction concerning the use of the appliance in a safe way and understand the hazards involved. Cleaning and maintenance shall not be undertaken by children without supervision.
- In Australia: The appliance is not intended for use by persons (including children) with reduced physical, sensory or mental capabilities, or lack of experience and knowledge unless they have been given supervision or instruction concerning the use of the appliance by a person responsible for their safety.
- Children should be supervised to ensure that they do not play with the appliance.
- An all-pole disconnection switch must be incorporated into the fixed wiring, in accordance with local wiring rules.
IN AUSTRALIA
WARNING:
FOR SAFE USE OF THIS FAN AN ALL-POLE DISCONNECTION MUST BE INCORPORATED INTO THE FIXED WIRING IN
IN ACCORDANCE WITH THE WIRING RULES.
As outlined in clause 7.12.2 of AS/NZS 60335-1 for meeting the minimum electrical safety of this standard.
Please note warranty will be void if installation is without a means for an all-pole disconnection incorporated in the fixed wiring in accordance with the wiring rules.
Example: If a fan is connected to a circuit that can be isolated via an all-pole safety switch at the switchboard, then this is considered to be an all-pole disconnection to the ceiling fan electrical circuit, meeting the requirements of clause 7.12.2 of AS/NZS 60335.1.
A single-pole switch on the activities of the receiver input of the remote control must also be included in the wiring and located in the same room as the ceiling fan. - Do not dispose of electrical appliances as unsorted municipal waste, use separate collection facilities. Contact your local government for information regarding the collection systems available. If electrical appliances are disposed of in landfills or dumps, hazardous substances can leak into the groundwater and get into the food chain, damaging your health and well-being.
- The structure to which the fan is to be mounted must be capable of supporting a weight of 30kg.
- The fan should be mounted so that the blades are at least 2.3 m above the floor in Europe or 2.1 m above the floor in Australia.
- This fan is suitable for indoor, alfresco, and coastal areas where the fan is fully undercover with a minimum of 1 wall. This fan is not waterproof. When installed in an alfresco or coastal area, the ceiling fan must be positioned in a location protected from water, wind, and dust. Exposure to these elements will void the warranty. Mounting the fan in a situation where it is subject to water or moisture is dangerous.
- Only a licensed electrician should execute the installation.
BEFORE INSTALLATION
Unpack your ceiling fan carefully. Remove all parts and hardware. Examine all parts, you should have the following:
| Fan without light 1 Mounting bracket x 1 2 Pre-assembled fan motor, down rod, and canopy x 1 3 Blades x 3 4 Wall switch x 1 set 5 Balancing kit x 1 set 6 Motor screws for blades x 7 7 Wood screw x 2 | Fan with light 1 Mounting bracket x 1 2 Pre-assembled fan motor, down rod and canopy x 1 3 Blades x 3 4 Lampshade x 1 5 Wall switch x 1 set 6 Balancing kits x 1 set 7 Motor screws for blades x 7 8 Wood screws x 2 |
INSTALLING THE MOUNTING BRACKET
- The ceiling fan must be installed in a location so that the blades are spaced 300mm from the tip of the blade to the nearest objects or walls.
- Secure the hanging bracket to the ceiling joist or structure that is capable of carrying a load of at least 30kg, with two long screws provided. Ensure at least 30mm of the screw is threaded into the support.

NOTE: The bracket screws provided are for use with wooden structures only. For structures other than wood, the appropriate screw type MUST be used.
Angled ceiling Installation
This fan hanging system supports a maximum 18-degree angled ceiling installation.

HANGING THE FAN
Lift the fan assembly onto the mounting bracket. Ensure the registration slot (A) of the hanger ball is positioned on the stopper (B) of the mounting bracket (C) to prevent the fan from rotating when in operation. (Fig.4)

INSTALLING THE FAN
Blade attachment
- Before Installing the blades, remove the motor screws.
- Secure the blade on the motor by using 2 screws to tighten it, ensuring they are tightened simultaneously. (Take care, not to over-tighten as this can damage blades) Once completed, repeat the process on the remaining blades.

Light kit installation (For fan with light)
Install the globe (Not included, Max. 9W, GX53) in the lamp holder. Lift and attach the glass to the base and secure it by using three spring clips.

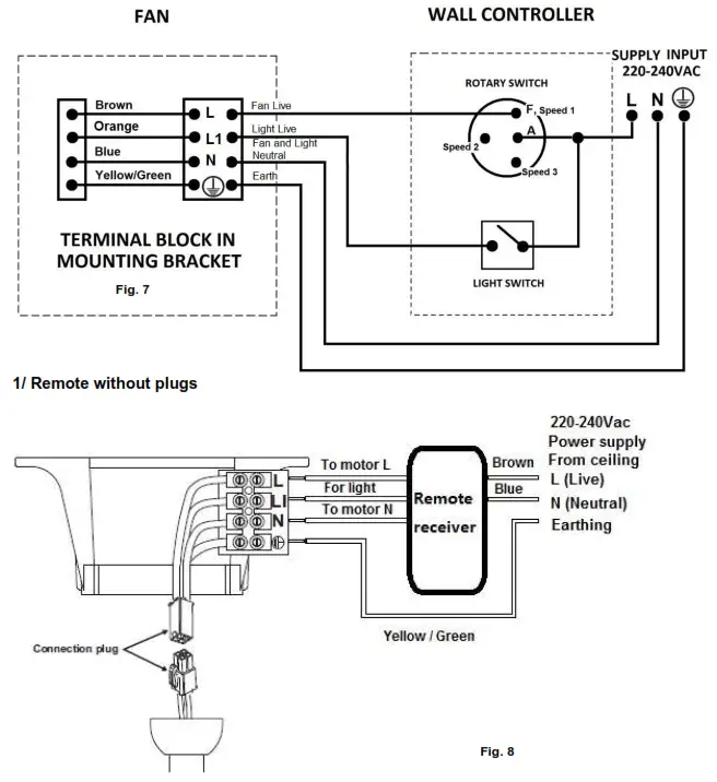
ELECTRICAL WIRING DIAGRAM
WARNING: FOR YOUR SAFETY ALL ELECTRICAL CONNECTIONS MUST BE UNDERTAKEN BY A LICENSED ELECTRICIAN.
NOTE: AN ADDITIONAL ALL-POLE DISCONNECTION SWITCH MUST BE INCLUDED IN THE FIXED WIRING.
NOTE: The wiring diagram includes the light kit wiring. The light wiring diagram and switch is omitted when no light kit is used with the ceiling fan.
USE WITH WALL SWITCH WIRING DIAGRAM:
![]() | ![]() |
FINISHING THE INSTALLATION
- After completing the electrical connection at the mounting bracket terminal block, connect the ceiling fan wiring via the quick connector plug.
- Cover the mounting bracket with the canopy. Ensure all electrical wiring is tucked inside the canopy and that the wires are not damaged during this step. Secure the canopy to the hanger bracket using the screws provided.

USING YOUR CEILING FAN
FAN WALL CONTROL
Turn on the power and check the operation of the fan.
- OFF Position – Fan off
- 3rd Position – Low fan speed
- 2nd Position – Medium fan speed
- 1st Position – High fan speed
Light Control - Toggle Switch – On/off

REVERSING SWITCH
Your ceiling fan can operate in either summer or winter mode.
SUMMER Mode: The reverse switch shall be in the “Left” (SUMMER) position to make the fan rotate in an anticlockwise direction. The airflow will be directed downwards, for cooling in summer.
WINTER Mode: The reverse switch shall be in the “Right” (WINTER) position to make the fan rotate in a clockwise direction. The airflow will be directed upwards assisting in the circulation of warm air, for energy conservation in winter.

AFTER INSTALLATION
WOBBLE:
NOTE: ceiling fans tend to move during operation due to the fact that they are mounted on a rubber grommet. If the fan was mounted rigidly to the ceiling it would cause excessive vibration. Movement of a few centimeters is quite acceptable and DOES NOT suggest any problem.
TO REDUCE THE FAN WOBBLE:
Please check that all screws which fix the mounting bracket and down rod are secure.
BALANCING KIT: A balancing kit is provided to balance the ceiling fan on the initial installation. Please refer to the instruction on how to use the balancing kit. The balancing kit can be used to assist in re-balancing should the ceiling fan become unbalanced again. Store your balancing kit away after installation for future use if required. NOISE:
When it is quiet (especially at night) you may hear occasional small noises. Slight power fluctuations and frequency signals superimposed in the electricity for off-peak hot water control may cause a change in fan motor noise. This is normal. Please allow a 24-hour “breaking-in” period, most noises associated with a new fan disappear during this time. Please note that this is not a product fault and as such is not covered under warranty – All electric motors are audible to some extent.
CARE AND CLEANING:
- Periodic cleaning of your ceiling fan is the only maintenance required. Use a soft brush or lint-free cloth to avoid scratching the paint finish. Please turn off electrical power when you do so.
- Do not immerse your ceiling fan in the water. It could damage the motor or the blades and create the possibility of an electrical shock.
- Ensure that the fitting does not come in contact with any organic solvents or cleaners.
- To clean the fan blade, wipe with only a damp clean cloth with NO organic solvents or cleaners.
- The motor has a permanently lubricated ball bearing so there is no need to oil.
NOTE: Always turn OFF the power at the mains switch before attempting to clean your fan.
TECHNICAL INFORMATION
| Aria fan models | Rated Voltage | Rated power (motor) | Rated power lamp |
| 48-inch blade fan only | 220-240 VAC | 45W | N/A |
| 48-inch blade fan with light | 220-240 VAC | 45W | Max. 9W, GX53 |
BAYSIDE CEILING FAN WARRANTY DETAIL
BAYSIDE WARRANTY HOTLINE – 1300 289 808
THIS WARRANTY IS VALID IN AUSTRALIA ONLY
In the event of service is required, please call the Bayside Fan Warranty Hotline on 1300 289 808 between 9 am & 5 pm (EST) Monday to Friday. Please make sure you have all the ceiling fan details filled out at the end of the manual before making the call.
Every Bayside ceiling fan is thoroughly inspected and tested before being released for sale. In addition to any warranty rights or conditions under statutory regulations, Bayside warrants all of its ceiling fans against defective workmanship and faulty materials with an in-home warranty period of twenty-four (24) months from the date of purchase. Following this, an additional forty-eight months (48) part replacement warranty applies.
Bayside undertakes, at its option, to repair or replace, free of charge, each product or part thereof on the condition that;
- The fan or relevant part has not been subjected to misuse, neglect, or been involved in an accident.
- The repairs are not required as a result of normal wear and tear.
- The product was installed by a licensed electrical contractor.
- A copy of the original receipt of purchase is presented.
- A 12-month warranty applies when used in any non-domestic applications.
- This warranty does not cover stains, scratch and scuff marks, or dents if the product is purchased through a factory outlet or to refurbished items.
Our goods come with guarantees that cannot be excluded under the Australian Consumer Law. You are entitled to a replacement or refund for a major failure and compensation for any other reasonably foreseeable loss or damage. You are also entitled to have the goods repaired or replaced if the goods fail to be of acceptable quality and the failure does not amount to a major failure.
Bayside design cannot be held responsible for any repair other than those carried out by it or one of its Authorised Service Agents. Please keep this warranty information in a safe place. This information must be produced in the event of service being required.
Distributed by:
Bayside Fans and Lighting
140 Fulton Drive, Derrimut 3026, Victoria, Australia
Ph: 1300 289 808
Email: [email protected]
CEILING FAN WARRANTY INFORMATION
BAYSIDE WARRANTY HOTLINE – 1300 289 808
complete and retain this form for your personal records and warranty purposes.
NAME……………………………………………………………………
ADDRESS……………………………POSTCODE……………………
MODEL NUMBER………………………………………………………
(PO# + DATE CODE Sticker here)
PO NUMBER or DATE CODE …………………………………………
DATE OF PURCHASE……………………………………………………
INSTALLING LICENSED ELECTRICIAN………………………………
LICENCE No………………………………………………………………
ATTACH PROOF OF PURCHASE HERE
This fan is suitable for indoor, alfresco, and coastal areas where the fan is fully undercover with a minimum of 1 wall. This fan is not waterproof. When installed in an alfresco or coastal area, the ceiling fan must be positioned in a location protected from water, wind, and dust. Exposure to these elements will void the warranty. Mounting the fan in a situation where it is subject to water or moisture is dangerous.





















