Arylic Up2Stream HD DAC High Res Wireless Audio Streaming Board
Introduction
Up2Stream HD DAC is a high-res wireless audio streaming board with WiFi and Bluetooth 5.0 APTX HD connectivity. Up2Stream HD DAC can stream music from your smart devices, NAS and online streaming services like Spotify, Tidal, Deezer and more. It also supports Airplay 2, Spotify connect, Tidal connect, UPnP and DLNA protocols. Up2Stream HD DAC is capable to stream and output high quality music in sample rate up to 192kHz/24bit. Up2Stream HD DAC has both analog and digital input and output, it is perfect to use to build your own high-res wireless audio system.
What’s in the box 
Main Features
- Streaming music via network without distance limitation or Bluetooth 5.0 up to 15 meters.
- Airplay2, Spotify connect, Tidal connect, Qplay, DLNA, UPnP streaming protocols supported.
- Support streaming source from online services, smart device, USB NAS, Bluetooth, analog and digital input.pen drive, NAS, Bluetooth, analog and digital input.
- Multiroom and multizone streaming enabled by multiple units connected in same network.
- All music sources can be restreamed in sync to other models from us. High quality music streaming with sample rate up to 24bit, 192kHz. Spotify, Deezer, Tidal, Qobuz,
- iHeartRadio, TuneIn, Napster, lots of online streaming services integrated to use in the app.
- Free iOS and Android app available.
- Free global online update for new features.
- iTunes working with PC streaming.
Specification
|
I/O Interface | USB Type-C/DC Input | DC 5V/2A |
| Analog Audio Output | RCA DAC: 9038Q2M | |
| Digital Audio Output | SPDIF Optical, Coaxial 1:1 Upto 24bit / 192kHz | |
| Ethernet | RJ45 | |
| LED Indicator | 3xLED, Input source status (WiFi/BT/audio input) | |
| Reset Button | Short press to change input mode, Press 2 times toreset WiFi/BT, Press 3 times to restore factory settings, | |
| IR Receiver | for Remote Controller | |
| Expansion Pins | 5V-IN, 5V-out, LEDx3, IR, KEY, Display Panel, Rotary Encoder, IIS-OUT, Aux-out, Aux-in, Digital-in | |
|
Network | Wireless Network | IEEE 802.11 b/g/n 2.4G & 5G |
| BT 5.0, Support APTX HD | ||
| Wired Network | Ethernet RJ45 | |
| Streaming Protocols | AirPlay2, DLNA, UPnP, Spotify Connect & Qplay | |
| Audio Parameter | Music Format | FLAC / MP3 / AAC / AAC + / ALAC / APE / WAV |
| Audio Output | 1:1 upto 24bit/192kHz |
|
Application | 4Stream | Android and iOS APP |
| iTunes | For MAC & Windows PC | |
| Foobar2000 and other support UPnP, DLNA 3rd party program | For MAC & Windows PC | |
|
Audio Source | Online Music Streaming Services | Spotify, Deezer, Amazon music, Deezer, TuneIn, Tidal, Qobuz, Napster, iHeartRadio, QQ Music, QQFM |
| Local Storage | ||
| Expansion Pins | Aux-in, Digital-in | |
| General | Size | 110x74mm |
Interface
- Mode button:
- Short press: Switch input mode
- Short press twice: Reset WiFi or Bluetooth connection in WiFi or Bluetooth mode
- Short press three times: Restore to factory settings
- Long press: Turn device on/off
When device is off, short press to turn on the device
- DC in: 5V USB Type-C
- LAN: Wired connection to router.
- Optical Out: SPDIF optical output to other device.
- Coaxial Out: SPDIF coaxial output to other device.
- Line Out: Analog RCA output to other device.
- Line Out Pin: Analog output pins for connection to other device.
- IIS-Out Pin: Digital output pins for connection to other device.
- IR: IR receiver for remote controller
- MCU GPIO:
LED1, 2, 3: For connection to external LED light.
IR: For connection to external IR receiver.
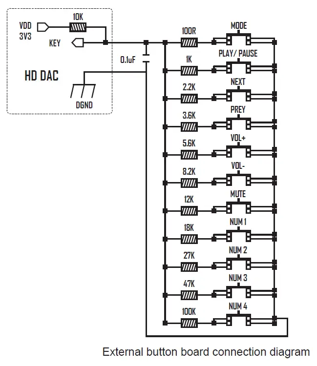
KEY: For connection to external button board. - MCU GPIO:
KEY: For connection to external button board.
EH-A, EH-B: For connection to rotary encoder.
SDA, SCL: For 12C connection
IR: For connection to external IR receiver - Display Panel Pin: For connection to external Display Panel board.
- AUX input: Analog input Pins for connection to external audio source.
- Digital input: Digital input Pins for connection to external audio source.
- LED: White for WiFi, Blue for Bluetooth, Red for Digital and Analog input.
- 5V Out: 5V output for external device.
- 5V In: 5V input for external power supply.
- 50MA VC Out: +/-12V balance output for external device.
External LED Connection Diagram
How to use
App download
Download the 4STREAM application from App Store for iOS based devices and Google Play Store for Android based devices. The application supports English, Spanish, French, German, Chinese and Japanese.
Connection
- First time usage & BLE WiFi Setup
- Hold the Mode button then plug in the power cable.
- The LED light will start flashing, release the button and wait till the LED flash slowly.
- Make sure your mobile has connected to your home network using 2.4G and your GPS and Bluetooth is on. Open 4Stream APP, for Android device, the system will ask for permission to use GPS data & File storage, please click accept to continue.
- 4Stream APP will list out all the device available for setup, choose the one you want.
- Now enter password for your network, if this is not the network you want the device to connect, you can change it to the desire one.
- Then you can change the name of the device. You can select a preset one or enter your own.
- After you define the name of the device, you will see it appears in the device list in 4stream app and now you can start streaming music.
- If you change to another router, or the password of the connected router has been changed, please long press Mode button for 5 secs in WiFi mode to reset the connection.
- Hold Mode button then plug in the power can force the device to enter WiFi mode. If you have setup router connection before, the device will auto connect to that router.
There is another way to setup Wifi if the above method has failed:
- Hold the Mode button then plug in the power cable.
- The LED light will start flashing, release the button and wait til the LED flash slowly.
- Goto your mobile WiFi settings and search for Up2stream HD_xxxx WiFi and connect.
- Open 4Stream APP and you should see the Up2stream HD_xxxx list in the device list.
- Your mobile might ask if you want to stay using this WiFi connection, click yes.
- Click on the “+” icon on the top right corner to add device. The app will prompt you to select the router SSID you want your Up2stream device connect to (enter password if required) and select continue.
- Once connected, you can
- After you define the name of the device, you will see it appears in the device list in 4stream app and now you
- hange the name of the device. You can select a preset one or enter your own.
can start streaming music. - Attention for Android users Different brand mobile phones may ask you to allow to use SoundSystem
WiFi network, please choose yes, if not, you may not able to set up successfully. It may also ask you to authorize other things, please choose yes or it may affect your use.
Connection via LAN
Plug in the wired cable to the RJ45 Ethernet, the device will show on the app in about 10 seconds.(Note: The mobile phone and the device must be in the same network)
Bluethooth 
To use Bluetooth, please swtich to bluetooth via app or by remote
device UP2STREAM HD_XXXX from your phone bluetooth setting and pair it .
App Features
- Device Setting

Rename: Change the device name.
Speaker Info: Display device information like IP address, Mac address,
Alarm Clock: Setup up to 4 different alarm clocks with music of your choice.
Preset Content: 10 Preset content buttons.
Sleep Timer: Countdown to turn off the device.
EQ: Bass and Treble control. - To Play Local Storage Music
Click the “My Music” on the Application and choose the Music ready there. NOTES: The iOS based devices have blocked the access to iTunes library. - To Play Music From NAS
Please note that our system only support NAS with DLNA feature.
- To Play Bluetooth Mode
Choose the Bluetooth mode on the application or remote control, the LED will change to blue.
Open the Bluetooth on your mobile device. Pair the device Bluetooth (Up2stream HD) and play. - To Play Optical or AUX in Mode
Once you connect external AUX in or Optical in connector through remote control to play sound from the audio source connected.
Streaming Services
To use the online streaming services, iHeartRadio, Spotify, Tidal, Qobuz and Deezer may need to register account at the service provider platform. 
Spotify
To use Spotify, you have to own spotify premium account. the device list on the Spotify application and choose the device you want to play.
NOTE: One Spotify account can only streaming to one device at a time.
Airplay 2
The Device Supports Airplay 2,
You can Choose the AirPlay and Play Music.
Qplay
Our Devices Support QQ Music using the Qplay protocol, you have to turn on the Qplay in the QQ
the device in the Qplay list.
Multiroom and Multizone
Users can group multiple rooms and zones on the application.
For example, you can group devices 1, 2 and 3 to play the same music in sync, or group devices 1 and 2 as zone A and devices 3 and 4 as zone B,
Add / Remove Device to Multiroom
In order to add device to multiroom function, click on the “+” mark of the device you want to be the master device.
A list of available devices will pop out and you can select the device you want to add as slave device.
The gray tick icon represents the master device and green tick icon represent the slave device.
To remove device from multiroom function, click on the “+” mark again to bring up the device list, and unselect any slave device you want to
If all the slave device is removed, multiroom function will disable.
Left and Right Channel
Users can choose the right channel or left channel or stereo mode on the application, or choose left channel on device A
and choose right channel on device B, and group them together and play in sync to make stereo.
Preset
There are 6 buttons on the remote control, users can preset play lists (Only the lists with speaker icon
can preset) on the application from 1-6 for example, then when you press button 1 on the remote, the preset list 1 will play. (Users can Preset 10 Playlists on the Application, but the remote control can only save from 1-6).
Source mode Changee
Method 1: Change on Application
Users can change play mode on the application, V Bluetooth and Line input. To change from Bluetooth/line input line
to WiFi, only need choose the online streaming services such as Tidal, Qobuz or Spotify or cell phone local
storage music or any music via DLNA or UPnP streaming.
Method 2: Change with remote control
Users can use the remote control to change the play modes-WBluetooth and Line input.
Method 3: Press the Reset Button
User can press the reset button once to switch source mode, WBluetooth and Line input.
Play on PC
There are Several Tools to Play Music from the PC
- To Play Music From iTunes on Mac and Windows PC
Our devices can stream audio sources from local storage, media library in Mac and Windows PC and online services from iTunes. Users can easily play and switch music, control volume and choose the audio devices to group and upgroup the audio devices.
- To Play Music From Windows PC via Foobar2000
Our Devices Support UPnP Protocol, With the Popular Foobar2000, You can Play Music from Windows PC to Our Devices. Please follow the steps below:- Download the Foobar2000 and install it.
- Refer to the doc how to add UPnP component at our website download column.
- Refer the link below how to add UPnP Component http://wiki.hydrogenaud.io/index.php?title=Foobar2000:How_to_ install_a_component
- Restart the Foobar2000, Then Check: Library> configure> output> device, you will see the PLAYER in device option column.
- Choose the Device to Play the Music.

FAQ
Q: Do your devices support airplay2 and third-party DLNA apps?
A: Yes. They support airplay2 and third – party apps like foobar2000, musicbee
Q: How many zones can you group in one system?
A: 12 rooms is the maximum, while 8 zones are recommended.
Q: What distance can your wireless audio system cover?
A: Once the system is connected to your WiFi router, you can stream your music anywhere there is a WiFi signal.
Q: Can it play high resolution music?
A: Yes. Our devices can play 24bit/192kHz music files.
Q: How many languages do you support?
A: Our devices will auto-detect your mobile device language and change automatically. Currently, we support English, French, German, Spanish, Chinese, Portuguese, Korean and Japanese and more on the way.
Q: What online music services do you support?
A: Spotify, Deezer, Quboz, Tidal, iHeartRadio, TuneIn, Napster, and more, with more pending.
Q: Can I play local music?
A: Yes. You can play music from “MY MUSIC” on the application from local storage devices such as mobile device storage, and NAS.
Q: Can the device work with Windows devices?
A: The Windows application is not available at the moment, but on the Windows PC, users can use iTunes, Foobar2000 and Spotify connect.
Q: Can all music sources play in multiroom mode?
A: Yes, the online streaming music, line input and Bluetooth all can play multiroom mode.
Q: Does your device support Google Assistant?
A: Through Bluetooth, our device can work with Google Assistant.
Scan the QR codes below for more 
Support and After Service : [email protected]

Copyright 2022 by Arylic. All Rights Reserved.
The information contained in this guide is believed to be accurate and reliable. Arylic assumes no responsibility for any errors contained in this guide. Arylic reserves the rights to make changes in the specifications and/or design of the above mentioned product without prior notice. The diagrams contained in this guide may also not fully represent the
product that you are using and they are for illustration purposed. Arylic assumes no responsibility for any differences between the product mentioned in this guide and the product you may have.

Introduction



























