Up2stream 2.0 Amp V3 User Manual
Introduction
enabled, and it is also an all-in-one solution for DIYers to make their customized wireless audio system. After connecting the device to your home network, with our 4STREAM app, you can play music from your home NAS, USB pen drive, cell phone memory or from online streaming services like Spotify, Deezer, Tidal, Qobuz, and so on. The wireless multiroom audio system can play the same music to each room in sync or play different music to different rooms.
What’s in the box

More accessories coming soon at www.arylic.com
3. Interface
| 1 | DC-IN | 10 | GPIO2,GPIO1,GND,VCC |
| 2 | Speaker-Out (R+,R-,L+,L-) | 11 | GND,SPDIF2 |
| 3 | GND,MIC2,MIC1,GND(reserved) | 12 | Bluetooth Antenna |
| 4 | RIN,GND,GND,LIN | 13 | WiFi Module |
| 5 | Line-in | 14 | WiFi Antenna |
| 6 | Mirco USB | 15 | IR |
| 7 | USB | 16 | IIC,ADC_KEY,LED,RESET,TX,RX,GND,VCC |
| 8 | Ethernet RJ45 | 17 | LED |
| 9 | Power Button |
*(9) Power Button: Short press to power off and on; When in WiFi mode, long press (press and hold the button for more than 5 seconds) to reset WiFi settings and enter the paring mode; When in Bluetooth mode, long press to terminate the current connection.
Further Notes
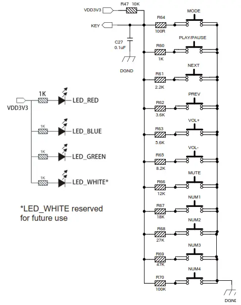
(16) PH2.0-13P: IIC_SDA, IIC_SCL, IR, ADC_KEY, LED_BLUE, LED_RED, LED_WHITE, LED_GREEN, RESET, TX, RX, GND, VCC3V3
IIC_SDA, IIC_SCL: This is reserved for the display panel.
IR is used to extending the IR receiver.
KEY is used for external buttons, refer to the circuit right for key The LED pins are used to extend the LED and are common-anode connected.
You should connect 3.3V to a current limit resistor and then to LED and then to the pin.
TX/RX is UART interfaces to send events and receive controls.
(11) PH2.0-2P: GND, SPDIF2: This is reserved for external SPDIF input.
(4) PH2.0-4P: R_IN, GND, GND, L_IN: For analog input to up2stream amp board, it has the same signal as the 3.5mm Aux jack.
(3) PH2.0-4P: GND, MIC2, MIC1, GND: This is reserved for future use.
Connection Diagram

How To Use
App download
Download the 4STREAM application from App Store for iOS based devices and Google Play Store for Android-based devices. The application supports English, Spanish, French, German, Italian, Portuguese, Korean, Simplified
Chinese, Traditional Chinese and Japanese
Connection
1. Power the device.
2. Direct Mode: If you don’t have router, please choose direct mode, then you can play your music from your storage from the 4STREAM app .
3.Network Mode : Connect your phone to SoundSystem WiFi.
3.1. Go for mobile device WLAN settings> Connect mobile device to WiFi hotspot SoundSystem_xxxx you will see a WiFi logo . (short press the reset button if the Wi-Fi hotspot is not found)
3.2. Open the 4STREAM application, follow the guides
3.3 Choose the 2.4G network(first-time connection require connect your router 2.4G channel), enter router password>wait for the device to be configured.
* For multiple units connecting to same router, router password will be saved.
*If change router or router password, please press WiFi reset button on the product.
*Attention for Android users Different brand mobile phones may ask you to allow to use SoundSystem WiFi network, please choose yes, if not, you may not able to set up successfully. It may also ask you to authorize other things, please choose yes or it may affect your use.

5.3 Connection via LAN
Plug in the wired cable to the RJ45 Ethernet, the device will show on the app in about 10 seconds. (Note: the cell phone and the device must be in the same network)
5.4 Bluetooth
To use Bluetooth, please switch to Bluetooth via app or by remote controller, then find Bluetooth device SoundSystem_XXXX from your phone Bluetooth setting and pair it.
5.5 USB audio
Power up and connect the Up2Stream AMP to your PC with USB cable (make sure it’s a data cable including the signal wires). The PC will automatically discover a USB sound card, and when you activated it as the system main output, the PC will send the audio output over Up2Stream AMP in digital (44.1KHz/16bits).
You can stream to other Up2Stream devices over the multiroom connection.
NOTE: there’s about 3 seconds delay for multiroom slave devices.
5.6 Up2Stream DSP Audio Effects Tool (Sell Separately)
Connect the Up2Stream device to your PC with USB cable (make sure it’s a data cable including the signal wires). And open the program Up2Stream DSP Tool (only support Windows.), and you can tune audio effects conveniently, including Music Noise Suppressor, Virtual Bass, Stereo Widener, Exciter, 10 bands EQ, etc. After editing the audio effects, you can save the changes to the device so the tuned effects will remain. You can get more information from our website www.arylic.com,or from the Up2Stream DSP Tool manual.
5.7 Firmware update
The application will notify you in-app when there is a new firmware version available. It’s recommended to update the firmware whenever available as this might not only correct bugs or improve security, but also can add new features or services.

Specification
| Connectivity | Wireless network | IEEE802.11 b/g/n 2.4G |
| Ethernet | Single 10/100M RJ45 | |
| Bluetooth | 5.0, SBS/AAC | |
| USB Host | Play USB music | |
| Bluetooth Distance | 10M | |
| Power Input | DC 12V – 26V | |
| Audio Input | Analog 3.5mm/4pin connector/Micro USB | |
| Audio output | Analog Speaker out (PIN SPACE-5.0mm) | |
| Frequency response | 20Hz to 20kHz | |
| Speaker Power | 2×50-W into a 4-0 BTL Load at 21 V 2×30-W into a 8-0 BTL Load at 24 V 2×15-W into a 8-0 BTL Load at 15 V |
| THD+N | 0.03%, ©1 kHz 50W+50W 24V-40 |
| Speaker Impedance | 4-8ohms |
| Music Format | FLAC/MP3/AAC/AAC+/ALAC/APE/WAV |
| Decoding | Up to 24bit/192kHz |
| Protocols | AirPlay, DLNA, UPnP, Spotify Connect, Qplay |
| Dimensions | 110*80*22m |
| IR Remote Controller | Optional |
Scan the QR codes below for more
https://www.dropbox.com/sh/es7djofs1bt83es/AADXZeZIFnmzXiVs38Dr5HFRa?dl=0
https://www.arylic.com/
https://www.arylic.com/pages/appdownload
https://www.facebook.com/arylicme/
Support: [email protected]


















