248CMW-LP Gas Infrared Cheese Melter
Owner’s Manual
GAS INFRARED CHEESEMELTER
Commercial 236CMW, 248CMW
Installation, Operation & Maintenance
2M-60803-02 REV D (01-23)
248CMW-LP Gas Infrared Cheese Melter
THE INFORMATION IN THIS MANUAL IS CRUCIAL AND MUST BE RETAINED FOR FUTURE REFERENCE. READ, UNDERSTAND AND FOLLOW THE INSTRUCTIONS AND WARNINGS CONTAINED IN THIS MANUAL.
DANGER POTENTIALLY HAZARDOUS SITUATION WHICH, IF NOT AVOIDED, COULD RESULT IN DEATH.
WARNING POTENTIALLY HAZARDOUS SITUATION WHICH, IF NOT AVOIDED, COULD RESULT IN DEATH OR SERIOUS INJURY.
CAUTION POTENTIALLY HAZARDOUS SITUATION WHICH, IF NOT AVOIDED, MAY RESULT IN MINOR OR MODERATE INJURY.
NOTICE Helpful operation and installation instructions and tips are present.
FOR YOUR SAFETY
DO NOT STORE OR USE GASOLINE OR OTHER FLAMMABLE VAPORS AND LIQUIDS IN THE VICINITY OF THIS OR ANY OTHER APPLIANCE.
WARNING: IMPROPER INSTALLATION, ADJUSTMENT, ALTERATION, SERVICE OR MAINTENANCE CAN CAUSE PROPERTY DAMAGE, INJURY OR DEATH. READ THE INSTALLATION, OPERATING AND MAINTENANCE INSTRUCTIONS THOROUGHLY BEFORE INSTALLING OR SERVICING THIS EQUIPMENT.
IF YOU SMELL GAS:
- Shut off gas to the appliance
- Extinguish any open flame.
- If odor continues immediately call your dealer / installer or your fire department.
| Model No: | Purchased From: |
| Serial No: | Location: |
| Date Purchased: | Date Installed: |
| Purchased Order No: | For Service Call: |
THE INFORMATION IN THIS MANUAL IS CRUCIAL AND MUST BE RETAINED FOR FUTURE REFERENCE. READ, UNDERSTAND AND FOLLOW THE INSTRUCTIONS AND WARNINGS CONTAINED IN THIS MANUAL.
READ FIRST
IMPORTANT
CAUTION
THE UNIT IS EXTREMELY HEAVY. FOR SAFE HANDLING, INSTALLER SHOULD OBTAIN HELP AS NEEDED, OR EMPLOY APPROPRIATE MATERIALS HANDLING EQUIPMENT (SUCH AS A FORKLIFT, DOLLY, OR PALLET JACK) TO REMOVE THE UNIT FROM THE SKID AND MOVE IT TO THE PLACE OF INSTALLATION.
CAUTION
ANY STAND, COUNTER OR OTHER DEVICE ON WHICH THE UNIT WILL BE LOCATED MUST BE DESIGNED TO SUPPORT THE WEIGHT OF THE UNIT.
CAUTION
SHIPPING STRAPS ARE UNDER TENSION AND CAN SNAP BACK WHEN CUT.
DANGER
THIS APPLIANCE MUST BE GROUNDED AT THE TERMINAL PROVIDED. FAILURE TO GROUND THE APPLIANCE COULD RESULT IN ELECTROCUTION AND DEATH.
WARNING
INSTALLATION OF THE UNIT MUST BE DONE BY PERSONNEL QUALIFIED TO WORK WITH ELECTRICITY AND PLUMBING. IMPROPER INSTALLATION CAN CAUSE INJURY TO PERSONNEL AND/OR DAMAGE TO EQUIPMENT. UNIT MUST BE INSTALLED IN ACCORDANCE WITH ALL APPLICABLE CODES.
NOTICE
The data plate is located on the left side of unit behind the control door. The unit voltage, wattage, gas specifications, serial number, and clearance specifications are on the data plate. This information should be carefully read and understood before proceeding with the installation.
NOTICE
The installation of any components such as a vent hood, grease extractors, fire extinguisher systems, must conform to their applicable National, State and locally recognized installation standards.
NOTICE
Do not install the Cheese Melter over a Charbroiled or any other open flame appliance.
NOTICE
During the first few hours of operation you may notice a small amount of smoke coming from the unit, and a faint odor from the smoke. This is normal for a new unit and will disappear after the first few hours of use.
CAUTION
ALWAYS KEEP THE AREA NEAR THE APPLIANCE FREE FROM COMBUSTIBLE MATERIALS.
CAUTION
KEEP FLOOR IN FRONT OF EQUIPMENT CLEAN AND DRY. IF SPILLS OCCUR, CLEAN IMMEDIATELY, TO AVOID THE DANGER OF SLIPS OR FALLS.
WARNING
KEEP WATER AND SOLUTIONS OUT OF CONTROLS. NEVER SPRAY OR HOSE CONTROL CONSOLE, ELECTRICAL CONNECTIONS, ETC.
CAUTION
MOST CLEANERS ARE HARMFUL TO THE SKIN, EYES, MUCOUS MEMBRANES AND CLOTHING. PRECAUTIONS SHOULD BE TAKEN TO WEAR RUBBER GLOVES, GOGGLES OR FACE SHIELD AND PROTECTIVE CLOTHING. CAREFULLY READ THE WARNING AND FOLLOW THE DIRECTIONS ON THE LABEL OF THE CLEANER TO BE USED.
NOTICE
Service on this, or any other, LANG appliance must be performed by qualified personnel only. Consult your LANG authorized service agent directory or call the factory at 314-678-6315 or www.langworld.com For the LANG service agent nearest you.
WARNING
BOTH HIGH AND LOW VOLTAGES ARE PRESENT INSIDE THIS APPLIANCE WHEN THE UNIT IS PLUGGED/WIRED INTO A LIVE RECEPTACLE. BEFORE CLEANING, SERVICING OR REPLACING ANY PARTS, DISCONNECT THE UNIT FROM THE ELECTRIC POWER SUPPLY.
CAUTION
USE OF ANY REPLACEMENT PARTS OTHER THAN THOSE SUPPLIED BY LANG OR THEIR AUTHORIZED DISTRIBUTORS CAN CAUSE BODILY INJURY TO THE OPERATOR AND DAMAGE TO THE EQUIPMENT AND WILL VOID ALL WARRANTIES.
SAFETY PROCEDURES
Lockout Procedure
- Announce lockout to other personnel.
- Turn both heat and control power off at main panel.
- Test lockout by turning power switch on and observing if fan(s) come on.
Check heater circuit with voltmeter. - Perform necessary repairs or tests.
- Turn power on at main panel.
- Announce unit is “on” to other personnel.
Safety Precautions
The Manufacturer, Lang Manufacturing, hereby disclaims any and all responsibility for injury, damage, loss or other claim that may occur to person or property form improper alteration, modification, addition, operation, maintenance or service, whether it be mechanical, electrical, fuel, operator motor or otherwise, which may occur from such improper alteration, modification, addition, operation, maintenance or service to this piece of equipment.
Safety Considerations
Your Lang Melter is manufactured to rigid standards. This equipment is N.S.F and ETL listed and meets safety and sanitation standards.
The presence of safety equipment control and interlocks on an appliance and attendant components of installation cannot in and of themselves, assure absolute safety of operation. Diligent, capable, well trained operators and maintenance personnel, as well as proper programs of operation and maintenance, are essential to the safe and reliable operation of this appliance.
A. The responsibility of the manufacturer is to supply suitable, comprehensive instructions and recommendations for the operation and maintenance of the appliance.
B. Trained qualified and factory-authorized personnel must perform all operation, maintenance and repair of these appliances. It is the responsibility of the owner / operator to ensure that this happens.
C. A regular periodic program of cleaning, inspection and maintenance must be established and comprehensive maintenance records maintained. It is the sole responsibility of the user to establish, schedule and enforce the frequency and scope of these programs in keeping with recommended practice and with due consideration given to actual operating conditions.
D. The appliance must be operated within the limits, which will not exceed the working limits of any component within the appliance as a whole.
EQUIPMENT DESCRIPTION
Lang Model: 236CM, 248CM Gas Infrared Cheese Melter
Exterior
The unit dimensions are 28” (71cm) High without legs, 21” (53cm) Deep, and 36”, 48” (91cm, 122cm,) Wide dependent on the actual model number.
The Sides, Bottom, and Rear wall are of constructed stainless steel.
The Melter cavity is insulated with high temperature insulation for efficiency and reduced heat loss.
Interior
The interior dimensions are 10” (25.4cm) High, 14½” (36.8cm) deep, and 33”, 45” (83.8cm, 114.3cm) Wide.
The Melter comes standard with one rack, which can be placed in four different positions.
The Melter has a rack sensitive micro-switch for a quick and easy activation.
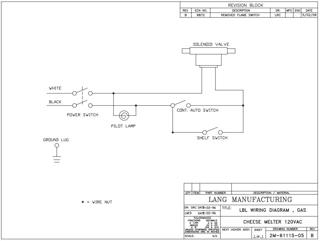
Controls
Power Switch
Applies power to the unit for operation
Mode Switch
Sets the mode between Constant heat and Automatic heat
Manual Gas Valve
Turns main gas valve on
Micro-Switch
Activates main burner when in Automatic Mode
UNPACKING
CAUTION
THE UNIT IS EXTREMELY HEAVY. FOR SAFE HANDLING, INSTALLER SHOULD OBTAIN HELP AS NEEDED, OR EMPLOY APPROPRIATE MATERIALS HANDLING EQUIPMENT (SUCH AS A FORKLIFT, DOLLY, OR PALLET JACK) TO REMOVE THE UNIT FROM THE SKID AND MOVE IT TO THE PLACE OF INSTALLATION.
CAUTION
ANY STAND, COUNTER OR OTHER DEVICE ON WHICH THE UNIT WILL BE LOCATED MUST BE DESIGNED TO SUPPORT THE WEIGHT OF THE UNIT.
CAUTION
SHIPPING STRAPS ARE UNDER TENSION AND CAN SNAP BACK WHEN CUT.
Receiving the Unit
Upon receipt, check for freight damage, both visible and concealed. Visible damage should be noted on the freight bill at the time of delivery and signed by the carrier’s agent. Concealed loss or damage means loss or damage, which does not become apparent until the merchandise has been unpacked. If concealed loss or damage is discovered upon unpacking, make a written request for inspection by the carrier’s agent within 15 days of delivery. All packing material should be kept for inspection. Do not return damaged merchandise to Star Manufacturing International. File your claim with the carrier.
Location
Prior to un-crating, move the unit as near its intended location as practical. The crating will help protect the unit from the physical damage normally associated with moving it through hallways and doorways.
Un-crating
The unit will arrive completely assembled inside a wood frame covered by cardboard box and strapped to a skid. Remove the cardboard cover, cut the straps and remove the wood frame.
INSTALLATION
DANGER
THIS APPLIANCE MUST BE GROUNDED AT THE TERMINAL PROVIDED. FAILURE TO GROUND THE APPLIANCE COULD RESULT IN ELECTROCUTION AND DEATH.
WARNING INSTALLATION OF THE UNIT MUST BE DONE BY PERSONNEL QUALIFIED TO WORK WITH ELECTRICITY AND PLUMBING. IMPROPER INSTALLATION CAN CAUSE INJURY TO PERSONNEL AND/OR DAMAGE TO EQUIPMENT. UNIT MUST BE INSTALLED IN ACCORDANCE WITH ALL APPLICABLE CODES.
NOTICE
The data plate is located on the left side of unit behind the control door.
The unit voltage, wattage, gas specifications, serial number, and clearance specifications are on the data plate. This information should be carefully read and understood before proceeding with the installation.
NOTICE
The installation of any components such as a vent hood, grease extractors, fire extinguisher systems, must conform to their applicable National, State and locally recognized installation standards.
COUNTER TOP INSTALLATION
Legs must be installed on this appliance if it is to be configured as a counter top model.
Attach the legs to the body by screwing the threaded stud of the leg into the nut insert provided under each bottom corner of the machine. Tighten each leg with a wrench.
Adjust the legs so that burners are level. Leg adjustment is made by turning the adjustable foot at the bottom of each leg. Ensure that the leg does not turn while adjusting the foot.
WALL HUNG INSTALLATIONS
The illustration, below, shows the connection points for the gas and electrical and how the wall bracket is to connect to the Cheese Melter.
The heat shield is shipped in the 4-inch space at the rear of the machine.
Instructions for installing the heat shield are provided with the shield. Follow the instructions carefully. It is important to remember to remove the knockouts from the front edge of the machine after the heat shield is installed.
Minimum clearance from the cooking surface below to the bottom of this appliance is 17 inches.
A wall hanging bracket is provided. It is shipped in the 4-inch space at the rear of the machine. Attach the bracket to the wall studs then hang the machine on the bracket.
ELECTRICAL CONNECTION
The electrical connection must be made in accordance with local codes or in the absence of local codes with NFPA No. 70 latest edition (in Canada use: CAS STD.
C22.1).
Each appliance requires a 115 volt grounded supply at 1 amp.
Supply wire size must be large enough to carry the amperage load for the number of appliances being installed. Wire size information can be found on the data plate. The electrical diagram for the unit is behind the lower front access panel.
GAS CONNECTION
This appliance must be installed under a ventilation hood. The installation of any components such as vent hoods, grease extractors, fire and smoke detection devices, or fire extinguisher systems, must conform to N.F.P.A Standard #96, latest edition.
This appliance is manufactured for use with the type of gas indicated on the data plate. Contact the factory if the gas type does not match that which is on the data plate.
All gas connections must be in accordance with local codes and comply with the National Fuel Gas Code ANSI Z223.1 latest edition.
Gas must be delivered to the appliance regulator at less than 1/2 pound of pressure and less than 1/2 inch water column pressure drop.
The regulator on this appliance is set to 6 inches water column for natural gas and 10 inches water column for propane. A 1/8 inch NPT tap is provided on the main manifold for checking regulator pressure.
When replacing the 1/8 inch plug in the main manifold a joint sealant that is resistant to the action of liquid petroleum gas must be used.
The supply piping must be of sufficient size to provide 10,000 BTU/hr per foot of Cheese Melter. A 1/2 inch NPT connection is provided at the lower right rear corner.
A gas shut off valve must be installed to the appliance and located in an accessible area. In the event of a significant drop in gas pressure, turn the shut off valve off and contact your gas supplier.
This appliance and its individual shutoff valve must be disconnected from the gas supply piping system during any pressure testing of that system at test pressures in excess of 1/2 PSGI (3.45 kPA) and the appliance must be isolated from the gas supply piping system by closing its individual manual shutoff valve during any pressure testing of the gas supply system at test pressures equal to or less than 1/2 PSIG (3.45 kPA).
Test for gas leaks. Use a commercial leak detector or a soap and water solution.
NOTICE
Do not install the Cheese Melter over a Charbroiled or any other open flame appliance.
VENTILATION AND CLEARANCES
Standard minimum clearance from combustible construction is as follows:
To prevent the function of this appliance from being affected by a reduced atmospheric pressure, adequate make-up air in the kitchen should be provided to replace the air taken out by the ventilating system.
6” from side
0” from back
4” from floor or 12” from high heat source
When mounting over a range top griddle or any other high heat source a bottom clearance of 12” must be maintained and the heat shield (provided with all wall mount units) must be installed. Failure to maintain this clearance and / or to install the heat shield will the equipment warranty 
WALL MOUNT STACKING INSTRUCTIONS
- THE GAS CHEESE MELTER WAS DESIGNED TO STAND ALONE OR SUPPLEMENT OTHER EQUIPMENT.
- THESE UNITS SHOULD NOT BE PLACED IN CABINETS OR ENCLOSED AT THE TOR THE BURNER ASSEMBLY HAS AIR INTAKES AT THE ENDS AND THE FRONT LEADING EDGE. THESE AREAS MUST BE KEPT FREE FROM OBSTRUCTION.
- IF STACKED – DO NOT ATTACH OR ENCLOSE. ALLOW THE SPACE BETWEEN UNITS TO REMAIN OPEN.
- CARE SHOULD BE TAKEN TO ROUTE WIRING AWAY FROM FLUE AREA.
CAUTION: TIE TOP TO WALL

STACKING INSTRUCTIONS
- THE GAS CHEESE MELTER WAS DESIGNED TO STAND ALONE OR SUPPLEMENT OTHER EQUIPMENT.
- THESE UNITS SHOULD NOT BE PLACED IN CABINETS OR ENCLOSED AT THE TOP. THE BURNER ASSEMBLY HAS AIR INTAKES AT THE ENDS AND THE FRONT LEADING EDGE. THESE AREAS MUST BE KEPT FREE FROM OBSTRUCTION.
- IF STACKED – DO NOT ATTACH OR ENCLOSE.
- CARE SHOLD BE TAKEN TO ROUTE WIRING AWAY FROM FLUE AREA.
INITIAL START UP
NOTICE
During the first few hours of operation you may notice a small amount of smoke coming from the unit, and a faint odor from the smoke. This is normal for a new unit and will disappear after the first few hours of use.
PRE-POWER ON
After the Melter is connected to power and gas, prior to turning on, verify the following:
- The manual gas valve opens and closed freely.
- The rack moves up and down freely
- All packing material has been removed from the Melter.
- The Melter has no gas leaks.
POWER ON & PILOT LIGHTING
Lighting Instructions:
The pilot burner must be lit with a match. Gas flows to the pilot as soon as all the gas valves are turned On. Be aware that it may take a few minutes, on new installations, for gas to be present at the pilot burner, as air must first be purged from the gas line.
The pilot burner will remain lit even if the Cheese Melter is switched to Off.
Once the pilot burner is lit, allow one minute for pilot to heat enough to enable the main burner to light.
Set the Constant – Auto switch to Constant and allow the machine to run for five minutes. A small amount of smoke may emanate from the machine as it heats, do not be alarmed as this is a normal condition related to the burning off of oils associated with the manufacturing process. Set the Constant – Auto switch to Auto to place the machine into the Stand-by mode.
Note: Electrical power is required to safely operate this cheese Melter. This unit will not operate in the event of a power failure, but pilot gas will continue.
TO SHUTDOWN UNIT
Turn off electrical supply to the unit and shut off the gas supply manual valve located in the gas supply line at the bottom of the unit at the rear gas entry.
OPERATION
CAUTION
ALWAYS KEEP THE AREA NEAR THE APPLIANCE FREE FROM COMBUSTIBLE MATERIALS.
CAUTION
KEEP FLOOR IN FRONT OF EQUIPMENT CLEAN AND DRY. IFSPILLS OCCUR, CLEAN IMMEDIATELY, TO AVOID THE DANGER OF SLIPS OR FALLS.
GENERAL
The Lang gas Melter can be used to poach, sauté and brown. In addition to melting cheese on sandwiches, French onion soup, hot apple pie and casseroles, it may be used for finishing Italian, Mexican and au gratin dishes utilizing less energy than conventional broilers.
The product is heated with 1650°F of infrared heat, which penetrates the product preventing burning and scorching. The rack is counterbalanced so that maximum heat is supplied only when the product is placed in the rack.
Although the heating elements are not directly controlled to regulate heat, the exposure of the product to heat is adjustable. Heat adjustment may be obtained by raising and lowering the rack position. The shelf positions provide a choice of cooking positions for a variety of applications. The top position is very hot, and can be used for quick browning and toasting, with the heat decreasing at each lower position.
In order to change positions, simply slide the rack in and out of the slots provided. Make sure that the end of the rack engages the sliding mechanism located on the right front corner.
CONTROLS
There are very few controls that operate the gas cheese Melter. Below is a list of the various components with a description of their purpose.
Power Switch Turns the unit On and Off. 
Constant /Auto Switch
When set to Constant, the burner(s) will light and stay on. When set to AUTO, the burner(s) will light whenever a product is placed onto the Tilting Product Rack.
Manual Gas Valve
This valve turns off the flow of gas to the burner(s). Once the machine is installed, this valve need not be turned off as the POWER SWITCH should be utilized to shut the machine down. The manual gas valve cannot be used to regulate the heat output from the burner(s), it must be full ON or full OFF.
Tilting Product Rack
The Tilting Product Rack is used to adjust the amount of heat a product is exposed to and to start the burner(s) when the machine is placed into the Auto mode. Raising the tilting product rack increases the heat on the product while lower the rack decreases the heat.
OPERATING DO’S AND DON’TS
DO:
Insure all dishes placed in the Melter are oven safe.
Pre-heat pans in the Melter or on a stove.
Turn products halfway through cooking, as needed.
Use the unit in Automatic as much as possible, use Constant during peak periods.
DON’TS
Do not use the Melter as a cooking or baking device; it is best suited for finishing dishes immediately prior to serving.
Do not use the unit to heat or thaw chilled or frozen product.
Do not place aluminum foil on the rack or bottom shelf. This will reflect heat and expose components to unnecessary high temperatures.
Do not move rack from one position to another without hand protection.
MAINTENANCE & CLEANING
WARNING
KEEP WATER AND SOLUTIONS OUT OF CONTROLS. NEVER SPRAY OR HOSE CONTROL CONSOLE, ELECTRICAL CONNECTIONS, ETC.
CAUTION
MOST CLEANERS ARE HARMFUL TO THE SKIN, EYES, MUCOUS MEMBRANES AND CLOTHING. PRECAUTIONS SHOULD BE TAKEN TO WEAR RUBBER GLOVES, GOGGLES OR FACE SHIELD AND PROTECTIVE CLOTHING. CAREFULLY READ THE WARNING AND FOLLOW THE DIRECTIONS ON THE LABEL OF THE CLEANER TO BE USED.
CLEANING
The unit should be thoroughly cleaned once a day to insure against accumulation of foreign material.
- Always start with the unit cold & disconnect from its electrical source.
- The stainless exterior can easily be cleaned using stainless steel cleaner
- Always follow the cleaner manufacturer’s instructions when using any cleaner.
- Care should be taken to prevent caustic cleaning compounds from coming in contact with the blower wheel.
- The oven racks, rack slides, and interior may be cleaned using oven cleaner.
- Discoloration or heat tint may be removed using a Carbon Release oven cleaner.
- The oven interior should be cleaned using a mild soap and a non-metal scouring pad. DO NOT use caustic cleaners.
Always apply these cleaners when the oven is cold and rub in the direction of the metal’s grain.
MAIN BURNER ACCESS
The main burner is removed through the top of the machine.
Remove the stainless steel top-front first by removing six sheet metal screws from the ends.
Remove the entire top assembly by removing several sheet metal screws along the edge of the top.
Remove the gas line from the burner at the compression fitting on the orifice.
Remove the two nuts at the opposite end of the burner from the orifice.
Lift the main burner from the machine.
MAIN BURNER ORIFICE ACCESS
The main burner orifice can be access without taking the burner from the machine.
Remove the stainless steel top-front first by removing six sheet metal screws from the ends.
Remove the entire top assembly by removing several sheet metal screws along the edge of the top.
Remove the gas line from the burner at the compression fitting at the orifice.
Unscrew the orifice fitting from the burner.
PILOT BURNER ADJUSTMENT
Pilot flame adjustment is accomplished at the brass tube fitting on the main manifold.
The brass fitting located between the regulator and the solenoid valve which has the 1/8 inch tube connected to it is the adjuster.
Turn the hex head screw clockwise to shorten the pilot flame, and counterclockwise to lengthen the pilot flame.
- The pilot must light the main burner within 5 seconds of gas being available at the burner tiles (listen for the solenoid valve to open).
- The pilot must light the main burner without snuffing itself out.
- The pilot must continue to burn during an extended continues operation of the main burner.
RACK SWITCH ADJUSTMENT
The rack switch is located at the extreme right of the control compartment.
The Tilting Product Rack should energize the tilt switch at the mid-point in its travel.
To adjust the switch, bend the actuator arm.
TROUBLESHOOTING
Symptoms
What follows is a chart of Symptoms, Possible Causes, and Remedy’s to aid in diagnosing faults with the unit.
Refer to the Symptoms column to locate the type of failure then to the Possible Cause for the items to be checked. On the following pages is a chart with the possible causes and the test to properly identify the problem.
Always start with the unit cold & disconnect from its electrical source before cleaning or servicing.
| SYMPTOM | POSSIBLE CAUSE |
| Unit will not come on | • Defective outlet • Tripped Circuit Breaker • Defective Power Switch |
| Pilot will not light | • Plugged orifice • Incorrect water column • Defective regulator • Defective pilot valve |
| Burner will not light | • Auto / Constant switch in incorrect position. • Defective regulator • Plugged main orifice • Incorrect water column • Defective solenoid valve • Low pilot • No gas to unit • Defective tile assembly |
NOTICE
Service on this, or any other, LANG appliance must be performed by qualified personnel only. Consult your authorized service station directory or call the factory at 314- 678-6315, or www.langworld.com For the service agent nearest you.
WARNING
BOTH HIGH AND LOW VOLTAGES ARE PRESENT INSIDE THIS APPLIANCE WHEN THE UNIT IS PLUGGED/WIRED INTO A LIVE RECEPTACLE. BEFORE REPLACING ANY PARTS, DISCONNECT THE UNIT FROM THE ELECTRIC POWER SUPPLY.
CAUTION
USE OF ANY REPLACEMENT PARTS OTHER THAN THOSE SUPPLIED BY LANG OR THEIR AUTHORIZED DISTRIBUTORS CAN CAUSE BODILY INJURY TO THE OPERATOR AND DAMAGE TO THE EQUIPMENT AND WILL VOID ALL WARRANTIES.
TEST
| Possible Cause | Test |
| Tripped Circuit Breaker | • Reset Circuit breaker and re-test |
| Defective Power Switch, Constant / Auto switch | • Check switch for normal operation |
| Defective Power Cord | • Check Power cord for continuity* |
| Defective Regulator | • Check unit for proper Water Column* |
| Plugged Orifice | • Clean orifice* |
| Faulty Solenoid Valve | • Check Coil for 120V* |
| Low Pilot | • Confirm that pilot is steady and about 1” on both sides. |
* A factory authorized service representative should perform this work.
PARTS LIST
GAS CHEESE MELETER: 236CM & 248CM
| DESCRIPTION | PART NO. |
| Switch Toggle On-Off | 2E-30303-06 |
| Pilot Light 208/240V 6” Lead Black Body | 2J-31601-01 |
| Rack, 2ft | 2B-50200-13 |
| Rack, 3ft | 2B-50200-14 |
| Rack, 4ft | 2B-50200-15 |
| Rack, 5ft | 2B-50200-29 |
| Spring Regulator LP | 2P-51001-10 |
| Spring Regulator NG | OB-51001-11 |
| Micro Switch Assembly | J9-51100-12 |
| Pilot Burner Assembly Mod. Kit | J9-60101-18 |
| Valve Manual Main Burner, 4ft & 5ft Units | 2V-70402-05 |
| Valve Manual Gas Pilot Burner | 2V-70402-06 |
| Valve Manual Main Burner, 3ft Units | 2V-70402-07 |
| Magnetic Catch w/Strike | 2C-9788 |
| Knob Gas On-Off Chrome | 2R-70701-43 |
| Infrared Gas Burner 15 5/16” Long, 2ft, 4ft & 5ft Units | 2F-80005-01 |
| Infrared Gas Burner 26 7/8” Long, 3ft & 5ft Units | 2F-80005-02 |
| Manifold Gas Melter, 3ft, 4ft & 5ft Units | 2K-80100-10 |
| Manifold Gas Melter, 4ft & 5ft Units | 2K-80100-11 |
| Pilot Burner Assembly | 2J-80201-20 |
| Orifice Pilot Burner .010 DRL LP | 2A-80401-09 |
| Orifice Pilot Burner .021 DRL NG | 2A-80401-11 |
| Orifice Gas Spud #42 DRL NG 30k for 26 7/8” Burner | 2A-80404-03 |
| Orifice Gas Spud #48 DRL NG 20k for 15 5/6” Burner | 2A-80404-09 |
| Orifice Gas Spud #52 DRL LP 30k for 26 7/8” Burner | 2A-80404-13 |
| Orifice Gas Spud #55 DRL LP 20k for 15 5/6” Burner | 2A-80404-16 |
| Orifice Gas Spud #45 DRL NG for 15 5/16” Burner (Chili’s Only) | 2A-80404-23 |
| Orifice Gas Spud #38 DRL NG for 26 7/8” Burner (Chili’s Only) | 2A-80404-24 |
| Orifice Gas Spud #54 DRL LP for 15 5/16” Burner (Chili’s Only) | 2A-80404-27 |
| Orifice Gas Spud #50 DRL LP for 26 7/8” Burner (Chili’s Only) | 2A-80404-28 |
| Regulator Gas Set 6” NG | 2V-80501-01 |
| Regulator Gas Set 10” LP | 2V-80501-03 |
| Valve Solenoid Gas 120 VAC | 2V-80502-01 |
| Flame Switch 24” Gas Grid, 236CM | NLA |
| Drip Pan Assy 3’ | J9-GM-175 |
| Drip Pan Assy 4’ | J9-GM-176 |

LIMITED EQUIPMENT WARRANTY
Lang Manufacturing warrants to the original purchaser of new Lang products to be free from defects in material or workmanship, under normal and proper use and maintenance service as specified by Lang and upon proper installation and start-up in accordance with the instructions supplied with each Lang unit. Lang’s obligation under this warranty is limited to a period of one [1] year beginning from the date of original installation. The warranty period begins upon the earlier of the date of original installation or up to six [6] months after the original shipment, from the factory, of the covered product. Defects that occur as a result of normal use, within the time period and limitations defined in this warranty, will at Lang’ discretion have the parts replaced or repaired by Lang or a Lang authorized service agency.
THIS WARRANTY IS SUBJECT TO ALL LISTED CONDITIONS
Repairs performed under this warranty are to be performed by a Lang authorized service agency. Lang will not be responsible for charges incurred or service performed by non-authorized repair agencies. In all cases, the nearest Lang-authorized service agency must be used. Lang will be responsible for normal labor charges incurred in the repair or replacement of a warrantied product within 50 miles (80.5 km) of an authorized service agency. Time and expense charges for anything beyond that distance will be the responsibility of the owner. All labor will need to be performed during regular service hours. Any overtime premium will be charged to the owner. For all shipments outside the U.S.A. and Canada, please see the International Warranty for specific details. It is the responsibility of the owner to inspect and report any shipping damage claims, hidden or otherwise, promptly following delivery. No mileage or travel charges will be honored on any equipment that is deemed portable. In general, equipment with a cord and plug weighing less than 50 lb. (22.7 kg) is considered portable and should be taken or shipped to the closest authorized service agency, transportation prepaid.
CONTACT
Should you require any assistance regarding the operation or maintenance of any Lang Manufacturing; phone or email our service department. In all correspondence provide the model number and serial number of the unit needing service; include the voltage or gas type.
Normal Business Hours: 8:00 a.m. to 4:30 p.m. Central Telephone: 800-264- 7827 Tech Service Option 2
Email: [email protected]
www.LangWorld.com
| PRODUCTS | PARTS | LABOR |
| Lang Strata Series™ convection ovens | 2 years | 2 years |
| Lang convection oven doors (excluding hardware) | lifetime | 2 years |
| Lang griddles | 2 years | 2 years |
| Chrome griddle surfaces [against peeling] | 5 years | |
| Cast iron grates, burners and burner shields | 180 days | |
| Original Lang parts sold to repair Lang equipment | 90 days | |
WARRANTY EXCLUSIONS
THE FOLLOWING WILL NOT BE COVERED UNDER WARRANTY.
Lang’s sole obligation under this warranty is limited to either repair or replacement parts, subject to the additional limitations detailed below. This warranty neither assumes nor authorizes any person to assume obligations other than those expressly covered by this warranty.
- Any product which has not been used, maintained, or installed in accordance with the directions published in the appropriate installation sheet and/or owner’s manual, including incorrect gas or electrical connection. Lang is not liable for any unit which has been mishandled, abused, misapplied, subjected to harsh chemicals, modified by unauthorized personnel, damaged by flood, fire, or other acts of nature [or God], or which have an altered or missing serial number.
- Installation, labor, and job checkouts, calibration of heat controls, air and gas burner/bypass/pilot adjustments, gas or electrical system checks, voltage and phase conversions, cleaning of equipment, or seasoning of griddle surface.
- Replacement of fuses or resetting of circuit breakers, safety controls, or reset buttons.
- Replacement of broken or damaged glass components, quartz heating elements, and light bulbs.
- Labor charges for all removable and consumable parts in gas char broilers and hotplates, including but not limited to burners, grates, and radiant.
- Any labor charges incurred by delays, waiting time, or operating restrictions that hinder a service technician’s ability to perform service.
- Replacement of parts that fail or are damaged due to normal wear or labor for replacement of parts that can be replaced during a daily cleaning routine, such as but not limited to silicone belts, PTFE nonstick sheets, control labels, knobs, bulbs, fuses, quartz heating elements, baskets, racks, and grease drawers.
- Any economic loss of business or profits.
- Non-OEM parts. Use of non-OEM parts without Lang’s approval will void the warranty.
- Components that should be replaced when damaged or worn, but have been field-repaired instead [e.g. field-welded fry pots]
- Units exceeding one [1] year from original installation date.
ADDITIONAL WARRANTIES
- Specific/chain-specific equipment may have additional and/or extended warranties.
The foregoing warranty is in lieu of any, and all other warrantless expressed or implied and concludes the entree warranty.
NOTES:

STAR MANUFACTURING INTERNATIONAL INC.
Star – Holman – Lang – Wells – Toastmaster
265 HOBSON ST. SMITHVILLE, TN 37166
(800) 264-7827
www.star-mfg.com


















