MITSUBISHI ELECTRIC AHU-KIT-SP2 Air Handling Unit Interface

Installation
Air Handling Unit Interface: AHU-KIT-SP2
- This installation manual describes installation procedures and precautions for the Air Handling Unit Controller interface.
- Please also refer to the outdoor unit manual and other supplied manuals.
- For proper installation, please read this manual carefully before starting installation work.
- This interface must be installed in accordance with national wiring regulations.
- This interface is precision equipment, so please handle it with enough care to prevent damage from falling and being stepped on.
- For other languages, download from HP.
https://www.mhi-mth.co.jp/en/products/detail/air-conditioner_users_manual.html
Safety Precautions
- Before starting the installation work, please read these Safety Precautions and follow them properly. All of the following are important and must be strictly observed.
WARNING:
Failure to follow these instructions properly may have serious consequences such as death and severe injury.
CAUTION:
Failure to follow these instructions properly may cause injury or property damage.
There could be serious consequences depending on the circumstances.
- The following pictograms are used in the text.
- Never do.
- Always follow the instructions given.
- After installation, please perform a test run and confirm no abnormalities occur during the test run.
- Please explain the operation method to customers as per the user’s manual and product specifications.
- Keep this manual in a safe place where users can consult it whenever needed. Show this manual to installers when moving or repairing this interface. When ownership of this interface is transferred, this manual should be given to the new owner.
WARNING
- Consult your dealer or a professional contractor to install this interface. Improper installation done on your own may cause electric shock, fire or breakdown.
- Installation work should be performed properly as per this installation manual. Improper installation work may result in electric shock, fire or breakdown.
- Be sure to use accessories and specified parts for installation work. Use of unspecified parts may result in falls, fire or electric shock.
- Choose an installation location inside a locked enclosure. Otherwise electric shock or incorrect operation may result.
- The electrical work should be performed by a qualified electrical engineer, as per electrical standards, local electrical safety regulations and wiring specifications. Incomplete installation work may cause electric shock or fire.
- Turn OFF the power supply before starting electrical work or repairing/inspecting this interface. Otherwise electric shock, injury, breakdown or malfunction may result.
- This interface is not intended for use by persons (including children) with reduced physical, sensory or mental capabilities, or lack of experience and knowledge, unless they have been supervised or instructed concerning use of the appliance by a person responsible for their safety. Children should be supervised to ensure that they do not play with the appliance.
- Do not modify anything, including accessories. Otherwise electric shock, fire or breakdown may result.
- Do not install this interface in a special environment or where inflammable gas could originate, enter, accumulate or leak.
If this interface is used in places where air contains dense oil, mist, steam, organic solvent vapor, corrosive gas ammonia, sulphuric compounds, acid, etc. or where acidic or alkaline solutions, special sprays, etc. are used, electric shock, breakdown, smoke or fire may result due to corrosion or significant deterioration in performance. - Do not install this interface where excessive water vapor is generated or condensation occurs. Otherwise electric shock, fire or breakdown may result.
- Do not use this interface in a place where it can get wet, such as a laundry room. Otherwise electric shock, fire or breakdown may result.
- Do not operate this interface with wet hands. Otherwise electric shock may result.
- Do not wash this interface with water.
Otherwise electric shock, fire or breakdown may result.
WARNING
- When wiring, ensure solid connections and fasten specified cables securely so that terminal connections may not be subject to external forces from cables.
- Incomplete connection or improper connection of terminal wiring may cause electric shock or fire.
- Cleaning and user maintenance must not be undertaken by children without supervision.
CAUTION
- Please perform grounding work.
Please do not connect the ground wire to gas pipes, water pipes, a lightning rod or a telephone ground wire. Incomplete grounding work may cause electric shock or fire if electric leakage or breakdown occurs. - Be sure to install a leakage breaker outside the enclosure. If a leakage breaker is not installed, electric shock may result.
- Clearances, creepage distances and solid insulation.
The primary and secondary wires must be reinforced and insulated. Keep the wires at least 5mm apart or add a protective tube to the wires. - Do not install this interface in the following places.
- This interface may consequently be damaged, break down or malfunction.
- Where it is exposed to direct sunlight
- Where the ambient temperature drops below -20 °C or rises above 60 °C
- Where the surface is not flat
- Where the soundness of the installation area is insufficient
- Where dust tends to accumulate, such as on the floor
- Abnormality in the control system or abnormal operation may result.
- Where machinery generates radio waves.
- This interface may consequently be damaged, break down or malfunction.
Accessories
Interface main unit, installation manual, caution label (1 sheet), ferrite core (1 piece), sensor (heat exchanger x 3, return air x 1, supply air x 1, length of each wire 8 m), spring leaf for heat exchangers (3 pieces)
Installation Work
Installation location
It must be installed in an enclosure that is free from dust and water.
The caution label should be affixed to the front of the enclosure in an easily visible position.
Parts procured on site
Before installing this interface, prepare the following parts.
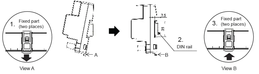
- DIN rail (DIN rail TS 35 mm x 7.5 mm (as per DIN EN 60715))
- Wiring (refer to 4.Wiring)
- Lockable and protective earth enclosure
- Leakage breaker (cut-off device with a contact gap of 3 mm or more as per overvoltage category III)
Installation procedure
Install this interface in the direction shown in the figure below so that letters can be read correctly.
Any other direction may cause a cooling failure affecting internal parts, which may result in a malfunction or breakdown.

- Slide the fixed part down (2 places)
- Hang the box on the DIN rail
- Push the fixed part (2 places) up and fix onto the DIN rail Make sure it is securely fastened
Installation clearances
For cooling and service work, provide the following clearances above and below and to the right and left.
- Bottom clearance Min. 100 mm (recommended length of 200 mm or more) ・・Space for wiring and service
- Top clearance Min. 50 mm ・・・・・・・・・・・・・・・・・・・・・Space for cooling
- Left clearance Min. 30 mm ・・・・・・・・・・・・・・・・・・・・・Space for cooling
- Right clearance Min. 30 mm ・・・・・・・・・・・・・・・・・・・・・Space for cooling
- Front clearance Min. 50 mm ・・・・・・・・・・・・・・・・・・・・・Space for cooling

Grounding position (1) for power supply (refer to 4.Wring) Functional ground terminal: X0 connector pin
Remove the cover
- Remove the fixed screw.
- Push the tab (2 places) and remove the cover from base.

Each SW setting

【LED】
LED1 (green): Normal
LED2 (red): Error
【SW7–1: Analog Input Switching】
ON: 4–20 mA
OFF: 0–10 V
【SW7–2: Modbus bps】
ON: 9600bps
OFF: 19200bps
【SW7–3: Modbus Parity】
ON: Non parity+2 Stop bits
OFF: Even parity+1 Stop bit
【SW7–4: Compressor Control】
ON: Temperature Control
Remote control required
OFF: Direct Control (0–10V / 4–20mA, 0–100%)

| SW6 | SW5 | SW4 | SW3 | SW2 | SW1 |
| Modbus Address (Tens) | Modbus Address (Ones) | Reserve | Reserve | Reserve | Address 0-F |
【SW5,SW6: Modbus address (01–99)】
Ex) Modbus address: 38
SW6: 3 SW5: 8
【SW1: Address】
0: Master 1–F: Slave
JX2 is on the board.
Can be accessed by removing the cover.
【SW8–1: Digital Output(X4d)】
ON: Cooling/Heating
OFF: Settings by Modbus communication (Initial: Run/Stop)
【SW8-2: Capacity step up control】
ON: Valid
OFF: Invalid
Wiring
- This interface incorporates an earth connection for functional purposes only.
- Be sure to connect the functional ground wire to the sheet metal of the enclosure when connecting wires to the power supply terminal block.
- Be sure to ground the sheet-metal part of the enclosure.
- When removing wires from the enclosure, secure or cover the wires with conduit to prevent tension from being applied to the terminals.
- Do not turn ON the power supply (power switch) until all the work is completed.
- Except for the accessories, obtain other components locally.
- Perform grounding work. Wire the ground for the power supply to a functional grounding point (1), shown in the diagram for “3.4 Installation clearances”.
- If the supply cord is damaged, it must be replaced by the manufacturer, the service agent or similarly qualified persons to avoid any hazards.
- Use only copper wires.
- Do not use any supply cord lighter than the one specified in parentheses for each type below
- ordinary tough rubber sheathed cord (code designation 60245 IEC 53).
Do not use anything lighter than polychloroprene sheathed flexible cord (code designation 60245 IEC57) for supply cords of appliances parts for outdoor use.
- ordinary tough rubber sheathed cord (code designation 60245 IEC 53).
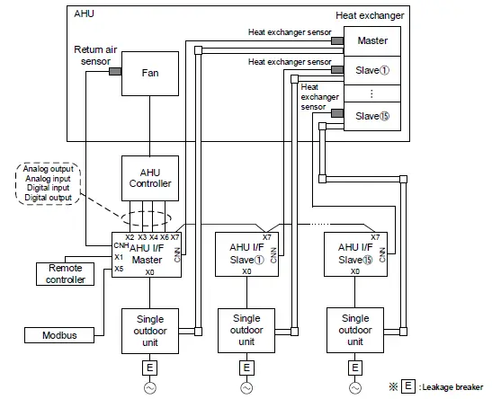
Cascade connection (X7) signal line
Wire diameter: 0.75mm2 – 1.25mm2
The line length between Master and Slave must be less than 2 m.
Note1: When using a cable longer than 2 m, use a shielded cable for the cascade signal line.
Wire the grounding of the body to the sheet metal of the enclosure.
Total wiring length of cascade connection can be up to 10 m.
Wiring to each connector (X1-X6)
Wire diameter: 0.3mm2 or more
It is possible to enter into the super link system by connecting the remote control communication line of SC-ADNA-E to X1.
Note 2: Use a shielded cable when operating a cable longer than 2 m.
Power supply wire & functional ground wire (X0)
Wind the ferrite core supplied with the ground wire for 6 turns (5 loops) and connect it to the sheet metal of the enclosure.
Wire diameter: 0.75mm2 or more
Line length: 40 cm or more (recommendation)
Wire as shown below.

- X1 (remote control), X5 (Modus), can be used for only master unit.
- CNN (Thi-R1/2/3) and CNH (Thi-A) must be connected.
- CNF(Thi-AF) is optional.
See the 21 -AHU-T-393 manual for details
Cascade connection

Installing temperature sensors
Correctly securing temperature sensors (example)
When installing the temperature sensors, make sure that they have optimum contact with the surface to be measured. Secure with a wide-band hose clamp.
Important
Using cable ties will lead to faulty and squashed temperature sensors. Use wide-band hose clamps for fastening.
| No. | Designation |
| 1 | Temperature sensor cable |
| 2 | Temperature sensor |
| 3 | Fastener |

Installation locations of the heat exchanger sensor
Mounting position of temperature sensors (example)

Function of each heat exchanger sensor
| Mounting position | Detected temperature | Purpose | ||
| Cooling | Heating | |||
| Thi-R1 | U-bend | Evaporating temperature | Condensing temperature | Anti-freezing protection |
| Thi-R2 | Capillary | Evaporating temperature | Outlet temperature | Anti-freezing protection |
| Thi-R3 | Header | Outlet temperature | Inlet gas temperature | EEV-control |
Refrigerant temperature in heat exchanger

Each sensor has a unique function.
It is important to determine correct location. If fixed to incorrect location, the system
will not be controlled correctly; double-check during commissioning.
The Thi-R3 sensor diameter is larger than the others to avoid mistakes.

Items to be checked
- Thi-R1 : on U-bend section (with RED tape)
- Given that frost accumulates on the heat exchanger during cooling, mount the sensor on the circuit with the lowest temperature (avoid mounting on the lowest position in the circuit). However, the circuit which the liquid refrigerant is not held in during heating is better.
- Mounting the sensor at the middle point of the circuit pass is recommended. If it is mounted near to the header side or the distributor side, it will detect the temperature at the overheat or sub-cool area, so it cannot detect the actual condensing/evaporating temperature correctly.
Be sure to check whether the refrigerant is in 2-phase flow in the circuit by testing the actual unit.
- Thi-R2 : on capillary tube section of distributor (with YELLOW tape)
- It should be mounted on the capillary tube section to detect the evaporating temperature under conditions enabling a good response.
‘It should be mounted in a position that detects the average outlet temperature and not to hold the liquid refrigerant during heating.
- It should be mounted on the capillary tube section to detect the evaporating temperature under conditions enabling a good response.
- Thi-R3 : on header section (without tape)
- It should be mounted on the header main pipe after collecting refrigerant during cooling.
- If the header main pipe runs horizontally, be sure to mount the sensor on the side part of the pipe to prevent from evaporating liquid refrigerant.

- This-A : return air temperature sensor. (with BLACK tape) Fixed location
- Position where the air flow does not stagnate.
- Position not to be affected by other heat source. (heat exchanger etc.)
List of abbreviations EX Exhaust air OA Outside air DA Discharge air CA Circulating air SA Supply air Due to the system’s complexity, the illustration is schematic and simplified.

- Be careful to mount the sensors in the correct position and by identifying the attached color tape of each sensor.
- Be sure to confirm whether the temperature of each sensor is correct by actual operation testing at commissioning.
Other items to be checked
- The indoor heat exchangers should have pockets for installing sensors.
- The indoor heat exchanger sensors should not be affected by other heat sources.
- Avoid installing the sensors near any electrical devices that generate heat.
- Wrap the sensors with insulation and check for any temperature or air flow changes.
- Confirm that the sensors do not touch incorrect piping.
- The sensors must be installed where the temperature can be measured accurately.
- The sensors must have a good response and vary correctly.
- The sensor should be inserted into the holder from the bottom side and the wiring should have a trap. This is to prevent drain water from intruding into the sensor through the gap between the lead wire and the resin at the connecting part of the sensor.

- The drain water does not intrude into the connection part of the control box through the sensor wire (protective tube).
The wiring route must have a trap so that the drain water drops down just before the control box.
- The sensor wiring should be loose and not tight.

- The sensors should not be inserted too far into the holder in order to prevent the sensor wire from being damaged.

- The sensors should not make contact with other parts.
- The sensor wiring should not be located where a person can touch it.
If it can be touched, ensure it is covered by a protective tube with a thickness of 1 mm or more. (for safety reasons)
- The sensors should not be mounted in a position where the drain water accumulates.
- The sensor wiring should be covered by a protective tube or rerouted to prevent it from being cut by metal edges.



























