GP2 500 GP2 500 Windlass
User Manual
High Quality Nautical Equipment
ROPE AND CHAIN ON A SINGLE GYPSY
TECHNICAL DATA
| MODELS | GP2 500 | GP2 1200 / D – GP2 1200 FF | ||
| MOTOR OUTPUT | 150W | 250W | ||
| Motor supply voltage | 12V | 12V | ||
| Maximum pull | 220 Kg (485,0 lb) | 550 Kg (1212,5 lb) | ||
| Maximum working load | 70 Kg (154,3 lb) | 170 Kg (374,8 lb) | ||
| Working load | 35 Kg (77,2 lb) | 50 Kg (110,2 lb) | ||
| Current absorption @ working load (1) | 29 A | 35 A | ||
| Maximum chain speed (2) | 38,9 mm (83,7 ft/min) | 31,2 mm (102,4 ft/min) | ||
| Maximum chain speed @ working load (2) | 28,5 mm (33,8 ft/min) | 25,1 mm (82,3 ft/min) | ||
| Motor cable size (3) | 4 mm2 (AWG 12) | 10 mm2 (AWG 7) | ||
| Protection circuit breaker (4) | 40 A | 40 A | ||
| Deck thickness (5) | 20 | + 40 mm (3/4″ + 1″ | 9/16) | |
| Weight mod. without drum | 6 kg (22,4 Ib) | 8 kg (22,4 Ib) | ||
| Weight mod. with drum | 9 kg (25,3 Ib) | |||
| Weight mod. Free Fall | 10,9 kg (24,0 Ib) | |||
- After an initial period of use.
- Measurements taken with a gypsy for a 8 mm chain.
- Minimum allowable value for a total length L< 20m (see pag. 18). Determine the cable size according to the length of the wiring.
- With circuit breaker designed for direct currents (DC) and delayed-action (thermal-magnetic or hydraulic-magnetic).
- On request, studs can be supplied for greater deck thicknesses.
| Chain size | 6mm 6mm | 7mm 7MM | 1/C 1/C | 8 MM 8 mm | 5/16° |
| DIN 766 ISO** | DIN 766 ISO** | G4 BBB | DIN 766 ISO** | G4 | |
| Rope size s | 1/2″ (12,7 mm) | 1/2° (12,7 mm) | 1/2″ (12,7 mm) | 1/2″ (12,7 mm) | 1/2″ (12,7 mm) |
(*) The values in the table regard a three-strand polyester rope with the “Quick® ” system rope/chain joint.
(**) ISO EN 818-3.
DIMENSIONS OF MODELS mm ( inch )

Quick® reserves the right to introduce changes to the equipment and the contents of this manual without prior notice.
In case of discordance or errors in translation between the translated version and the original text in the Italian language, reference will be made to the Italian or English text.
BEFORE USING THE WINDLASS READ THESE INSTRUCTIONS CAREFULLY.
IF IN DOUBT, CONTACT YOUR NEAREST “QUICK® ” DEALER.
WARNING: the Quick ® windlasses are designed to weigh the anchor.
Do not use the equipment for other purposes.
Quick ® shall not be held responsible for damage to equipment and/or personal injury, caused by a faulty use of the equipment.
The windlass is not designed for the loads that might occur in extreme weather conditions (storms).
WEIGHING THE ANCHOR Turn on the engine. Always deactivate the windlass when not in use.
Check that there are no swimmers nearby before dropping anchor.
The splice between the rope and the chain must be tightly woven for the rope to slide easily into the gypsy shape.
For any problem or request, feel free to contact Quick ® Technical Service.
For improved safety we recommend installing at least two anchor windlass controls in case one is accidentally damaged. We recommend the use of the Quick ® hydraulic-magnetic switch as the motor safety switch.
Secure the chain with a further device before starting the navigation.
The contactor unit or reversing contactor unit must be installed in a point protected from accidental water contact.
After completing the anchorage, secure the chain or rope to fixed points such as chain stop- per or bollard.
To prevent accidental releases, the anchor must be secured.
The windlass shall not be used as the only secu- ring device.
Isolate the windlass from the power system during navigation (switch the circuit breaker off) and lock the chain securing it to a fixed point of the boat.
THE PACKAGE CONTAINS: windlass – reversing contactor unit – base gasket – drill template – handle – bolts and screws (for assembly) – user’s manual – conditions of warranty.
TOOLS REQUIRED FOR INSTALLATION: drill and drill bits: Ø 9 mm (23/64″) and Ø 11 mm (7/16”) – Ø 40 (1” 9/16) hollow mill; hexagonal wrenche: 13 mm.
“QUICK® ”ACCESSORIES RECOMMENDED: anchoring RL control board (mod. 800) – Waterproof hand helds R/C (mod. HRC 1002) – Foot switch (mod. 900) – Hydraulic-magnetic circuit breaker – Anchor chain counter (mod. CHC 1102M and CHC1202M) – Radio control RRC (mod. R02, P02, H02).
INSTALLATION REQUIREMENTS: the windlass must be positioned with the gypsy aligned with the bow roller. Ensure that the upper and lower surfaces of the deck are as parallel as possible. If this is not the case, compensate the difference appropriately (a lack of parallelism could result in a loss of motor power). The deck thickness must be included among the figures listed in the table. In cases of other thicknesses it is necessary to consult a Quick ® retailer. There must be no obstacles under deck to the passage of cables, rope and chain; lack of depth of the peak could cause jamming.

FITTING PROCEDURE: when the ideal position has been established, drill four holes using the drilling template provided.Remove excess material from the chain through hole, ensuring the free passage of the chain or rope. Position the windlass lowering it from above deck and inserting the gasket between the deck and the base. Screw the stud bolts, using the short threaded end, onto the base. Apply a medium grade locking product onto the thread. Fix the windlass by screwing the nuts onto the fixing studs. Connect the supply cables from the windlass to the reversing contactor unit.
WARNING: before wiring up, be sure the electrical cables are not live.
CONNECTION DIAGRAM
WARNING: stay clear of the chains, ropes and gypsy. Make sure the electric motor is off when windlass is used manually (even when using the handle to disengage the clutch). In fact people with windlass remote controls (hand-held remote control or radio-controlled systems) might accidentally operate it.
WARNING: secure the chain with a device before starting the navigation.
WARNING: do not operate the windlass by using the electrical power when the handle is inserted in the drum or into the gypsy cover.
WARNING: Quick® recommend using a circuit breaker designed for direct current (DC) with delayed-action (thermal-magnetic or hydraulic-magnetic) to protect the motor supply line from overheating or short circuits. The circuit breaker can be used to cut off power to the windlass control circuit and so avoid accidental activation.
CLUTCH USE
MOD. FF (see drawing on page 21)
The clutch (N) provides a link between the gypsy and the main shaft (A). The clutch can be released (disengagement) by using the handle (1) which, when inserted into the gypsy cover (N), must be turned counter-clockwise. The clutch will be re-engaged by turning it clockwise.
MOD. 500/1200 (see drawings on pages 22 and 24)
The clutch (3) provides a link between the gypsy and the main shaft (mod.500 = 19 – mod.1200 = 21 or 23). The clutch can be released (disengagement) by using the handle (1) which, when inserted in the bush (8) of the drum or into the gypsy cover (2), must be turned counter-clockwise. The clutch will be re-engaged by turning it clockwise.
WEIGHING THE ANCHOR
Turn on the engine. Make sure the clutch is engaged and remove the handle. Press the UP button on the control provided. If the windlass stops and the hydraulic magnetic switch (or thermal cutout) has not tripped, wait a few seconds and try again (avoid keeping the button pressed). If the hydraulic magnetic switch, has tripped, reset it and wait a few minutes before weighing anchor once again. If, after a number of attempts, the windlass is still blocked, we suggest to move the boat to release the anchor. Check the upward movement of the chain for the last few meters in order to avoid damages to the bow.
CASTING THE ANCHOR
The anchor can be cast by using the electrical control or manually. To operate manually, the clutch must be disengaged allowing the gypsy to revolve and letting the rope or chain fall into the water. To slow down the chain, the handle must be turned clockwise. To cast the anchor by using the electrical power, press the DOWN button on the control provided. In this manner, anchor casting is under control and the chain and rope unwind evenly. In order to avoid any stress on the windlass -once the boat is anchored- fasten the chain or secure it in place with a rope.
DRUM USE MOD. 1200 D (see drawing on page 24)
WARNING: before carrying out warping operations, check that the anchor and relative rope or chain are solidly fixed to a bitt or another strong point on the boat.
For the independent use of the drum (9) release the clutch with the handle (1), (at least 2 turns of the bush anticlockwise). Remove the handle from the bush (8) on the gypsy, wrap the rope around the drum (at least 3 turns). Activate the windlass control, keeping the rope under tension during take up. By varying the tension during take up it is possible to modify the rope winding speed.
WARNING: during take up maintain a safe distance between hands and windlass drum.
Once take up is complete, screw up the clutch by tightening the drum bush clockwise and secure the rope to a bitt or other strong point on the boat.
MAINTENANCE

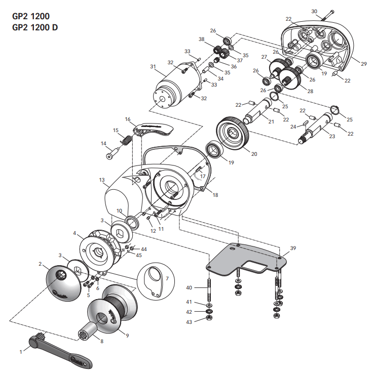
| POS. | DESCRIPTION |
| 1 | Straight windlass lever – nylon |
| 2 | Gypsy cover |
| 3 | Windlass clutch cone |
| 4A | Gypsy 6 mm |
| 4B | Gypsy 7 mm – 1/4” |
| 4C | Gypsy 8 mm |
| 4D | Gypsy 5/16” |
| 5 | Screw |
| 6 | Grower |
| 7 | Rope/chain stripper |
| 8 | Oil seal |
| 9 | Screw |
| 10 | Screw |
| 11 | White plastic 150 windlass cover |
| 12 | Screw for pressure lever |
| 13 | Spring for pressure lever |
| 14 | Pressure lever |
| 15 | Sensor |
| 16 | Gasket watertight |
| 17 | Bearing |
| 18 | Output gear |
| 19 | Shaft series |
| 20 | Plug |
| 21 | Circlip |
| 22 | Bearing |
| 23 | Gear |
| 24 | Gear |
| 25 | Plug |
| 26 | White plastic 150 windlass base |
| 27 | Screw |
| 28 | Screw |
| 29 | Motor |
| 30 | Screw |
| 31 | Mooring rope puller pin |
| 32 | Plug |
| 33 | Washer |
| 34 | Roller bearing cage |
| 35 | Gear wheel |
| 36 | Gear motor shaft |
| 37 | Gasket/jig |
| 38 | Studs |
| 39 | Washer |
| 40 | Spring washer |
| 41 | Nut |
| 42 | Hexagonal cheese-headed screw |
| 43 | Spacer |
| 44 | O-ring |
WARNING: make sure the electrical power to the motor is switched off when working manually on the windlass.
Carefully remove the chain from the gypsy.
Quick ® windlasses are manufactured with materials resistant to marine environments. In any case, any salt deposits on the outside must be removed periodically to avoid corrosion and damage to the equipment.
The parts where salt may have built up should be washed thoroughly with fresh water. Once a year, the drum and the gypsy are to be taken apart as follows:
MOD. 500
Use the handle (1) to remove the gypsy cover (2); remove the top clutch cone (3); loosen the fixing screws (5) of the chain stripper (7) and remove it and pull off the gypsy (4).
Clean all the parts removed to avoid corrosion, and grease the shaft thread (19) and the gypsy (4) where the clutch cones (3) rest (use grease suitable for marine environment).
Remove any oxide deposits from the terminals of the electric motor and the reversing contactor unit; grease them.
MAINTENANCE

| POS. | DESCRIPTION |
| 1 | Windlass lever – Nylon |
| 2 | Gypsy cove |
| 3 | Windlass clutch cone |
| 4A | Gypsy 6 mm |
| 4B | Gypsy 7 mm – 1/4” |
| 4C | Gypsy 8 mm |
| 4D | Gypsy 5/16” |
| 5 | Screw |
| 6 | Grower |
| 7 | Rope/chain stripper |
| 8 | Bush |
| 9 | Drum |
| 10 | Oil seal |
| 11 | Screw |
| 12 | Screw |
| 13 | Anodized windlass cover |
| 14 | Screw for pressure lever |
| 15 | Spring for pressure lever |
| 16 | Pressure lever |
| 17 | Sensor |
| 18 | Gasket watertight |
| 19 | Bearing |
| 20 | Output gear |
| 21 | Shaft series |
| 22 | Plug |
| 23 | Long shaft series |
| 24 | Key |
| 25 | Circlip |
| 26 | Bearing |
| 27 | Gear |
| 28 | Gear |
| 29 | Anodized windlass base |
| 30 | Screw |
| 31 | Motor |
| 32 | Screw |
| 33 | Plug |
| 34 | Plug |
| 35 | Washer |
| 36 | Roller bearing cage |
| 37 | Gear wheel |
| 38 | Gear motor shaft |
| 39 | Gasket/jig |
| 40 | Studs |
| 41 | Washer |
| 42 | Spring washer |
| 43 | Nut |
| 44 | Spacer |
| 45 | O-ring |
WARNING: make sure the electrical power to the motor is switched off when working manually on the windlass.
Carefully remove the chain from the gypsy.
Quick ® windlasses are manufactured with materials resistant to marine environments. In any case, any salt deposits on the outside must be removed periodically to avoid corrosion and damage to the equipment. The parts where salt may have built up should be washed thoroughly with fresh water.
Once a year, the drum and the gypsy are to be taken apart as follows:
MOD. FF
VERSION WITH FREEFALL SYSTEM
(see drawing on page 21)
Use the handle (1) to unscrew the gypsy cover (N); loosen screw (H) and take off the gypsy cover.
Loosen the screws (5) of the chain stripper (7) and remove it; remove the gypsy (4).
MOD. 1200
NO-DRUM VERSION
Use the handle (1) to remove the gypsy cover (2); remove the top clutch cone (3); loosen the fixing screws (5) of the chain stripper (7) and remove it and pull off the gypsy (4).
MOD. 1200 D
DRUM VERSION
Use the handle (1) to loosen the bush (8); pull off the drum (9) and the top clutch cone (3); loosen the fixing screws (5) of the rope/chain stripper (7) and remove it. Pull off the gypsy (4).
MOD. FF – MOD. 1200 – MOD. 1200 D
Clean all the parts removed to avoid corrosion, and grease the shaft thread (21, 23 or A) and the gypsy (4) where the clutch cones rest (use grease suitable for marine environment) (3).
Remove any oxide deposits from the terminals of the electric motor and the reversing contactor unit; grease them.
USAGE GP2 FREE FALL
FREEFALL SYSTEM MOD. GP2 1200 FF
ATTENTION: The automatic system should be activated or deactivated with the clutch closed (engaged) to avoid damage to the electromechanical components.
ACTIVATING THE FREEFALL SYSTEM
Follow the directions given below to activate the freefall system:
- Turn the cover F until the pin’s hole D faces upwards (as shown in fig.A).
- Shut off power to the windlass.
- Block the chain with a lock.
- Pull the knob G until the pin is completely out D .
- Make certain the clutch is closed (engaged).
- Release the chain.
- Turn power to the windlass back on.

Hold down the DOWN button to open the clutch (disengaged).
As a result the gypsy will turn freely around its axis.
On the other hand, hold down the UP button to close the clutch (engaged). As a result, the gypsy is integral to the “A” axis again.
CASTING WITH THE FREEFALL SYSTEM
With the freefall system activated, keep the DOWN button pressed up to the point in which the anchor can fall freely without encountering any problems and then release the button.
To slow down or stop letting the chain fall down, hold down the UP button until the desired effect is obtained.
WEIGHING THE ANCHOR WITH THE FREEFALL SYSTEM
Perform the procedure given in paragraph USAGE – WEIGHING THE ANCHOR.
DEACTIVATING THE FREEFALL SYSTEM
Follow the directions given below to deactivate the freefall system:
- Turn the cover F until the pin’s hole D faces upwards.
- Shut off power to the windlass.
- Block the chain with a lock.
- Push the pin D , into the center of the gypsy with the aid of a suitable tool, as shown in fig.B.
- Make certain the clutch is closed (engaged).
- Release the chain.
- Turn power to the windlass back on.

When the freefall system is deactivated, the chain can be lowered only electrically or manually (see paragraph USAGE – CLUTCH USE).
MAINTENANCE

| POS. | DESCRIPTION |
| A | Shaft |
| B | Windlass pin guide |
| C | Screw |
| D | Pin |
| E | Spring pin |
| F | Gypsy cover |
| G | knob |
| H | Gypsy cover screw |
| I | screw |
| L | Pin |
| M | Spring pin |
| N | Pilot boss |
SET
![]() | OSP GYPSY GP2 500/1200 5/16” OSP GYPSY GP2 500/1200 6MM OSP GYPSY GP2 500/1200 7MM-1/4” OSP GYPSY GP2 500/1200 8MM OSP GYPSY GP2 500/1200 ROPE | FVSSB070516MA00 FVSSB0706G0MA00 FVSSB070714MA00 FVSSB0708G0MA00 FVSSB07CMG00A00 |
![]() | OSP KIT GP2 500/1200 PRESSURE LEVER | FVSSTCMG0000A00 |
![]() | OSP GYPSY COVER “SERIES 2” | FVSSCPBBASG0A00 |
![]() | OSP WINDLASS DRUM “SERIES 2” STAINLESS S. | FVSSMSE0800XA00 |
![]() | OSP DRUM BUSH “SERIES 1-2” | FVSSGMSDCP05000 |
![]() | OSP KIT GP2 WINDLASS CLUTCH CONE | FVSSCFG00000A00 |
![]() | OSP COMPLET FF “GP2” GYPSY COVER | FVSSCPBBGFF0A00 |
![]() | OSP KIT GP2 500/1200 FF WINDLASS PIN GUIDE | FVSSGPGFFS00A00 |
![]() | OSP STRAIGHT WINDLASS LEVER – NYLON | FVSSLVSDN000A00 |
QUICK® S.P.A. – Via Piangipane, 120/A – 48124 Piangipane (RAVENNA) – ITALY
Tel. +39.0544.415061 – Fax +39.0544.415047
www.quickitaly.com – E-mail: [email protected]





























