Schneider Electric SQR22601 Rocker Dual Load Dimmer Switch

Retain for future use
| Rocker Dual-load Dimmer Switch Specifications | |
| Cat. No. / | SQR22601** |
| Description | Rocker dual-load dimmer switch, residential, single-pole or three-way connection |
| Input voltage / | 120 Vac, 60 Hz |
| Incandescent | 600 W |
| Dimmable LED / LED con | 1.25 A (150 W) |
| Operating temperature | 32–104°F (0–40°C) |
| Wire strip length | 0.5 in. (12.7 mm) / 0,5 |
| Supply connection | 14 AWG wires, suitable for at least 167°F (75°C) |
| Screw torque | 14 lbf-in. |
| Compliance | UL®, CSA |
Precautions
DANGER
HAZARD OF ELECTRIC SHOCK, EXPLOSION, OR ARC FLASH
- Apply appropriate personal protective equipment (PPE) and follow safe electrical work practices. See NFPA 70E, NOM-029-STPS or CSA Z462 or local equivalent.
- This equipment must only be installed and serviced by qualified electrical personnel.
- Turn off all power supplying this equipment before working on or inside equipment.
- Always use a properly rated voltage sensing device to confirm power is off.
- To reduce the risk of overheating and possible equipment damage, do not install to control a receptacle, a motor-operated appliance, a fluorescent lighting fixture, or a transformer-supplied appliance.
- Use with copper wire only.
- Indoor use only.
- Replace all devices, doors, and covers before turning on power to this equipment.
Failure to follow these instructions will result in death or serious injury.
WARNING: This product can expose you to chemicals including Carbon black which is known to the State of California to cause cancer, and Bisphenol A (BPA), which is known to the State of California to cause birth defects or other reproductive harm. For more information go to www.P65Warnings.ca.gov.
Installation
NOTE: During normal operation there is a small amount of power passing through the dimmer switch to the load even when the dimmer switch is turned off. There is an air gap switch on the lower right side. Slide the switch to the left to completely disconnect the power while replacing light bulbs. Slide it to the right for normal operation. The air gap switch must be all the way in for the dimmer switch to function and control the lighting. See Figure 4.
- Turn off all power supplying this equipment before working on or inside equipment.
- Use a properly rated voltage sensing device to confirm that power is off.
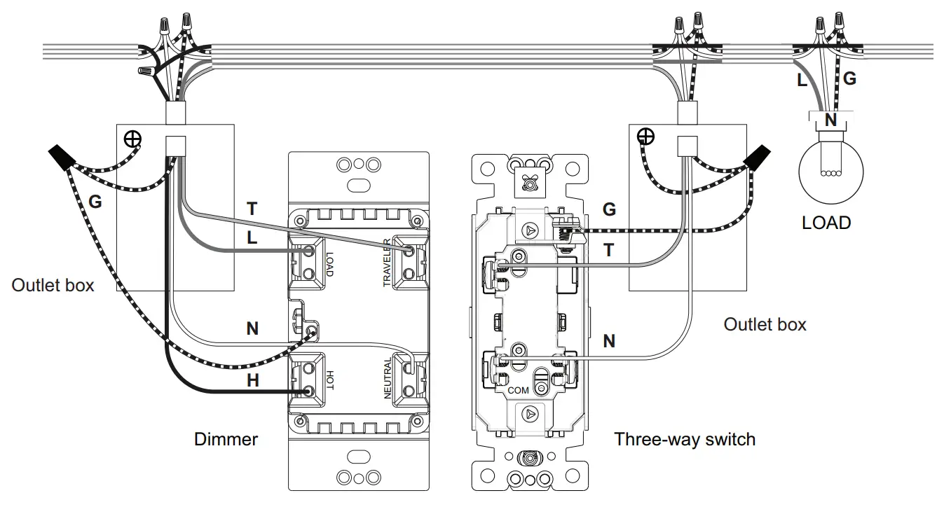
- Wire the dimmer switch according to single-pole (Figure 1) or three-way wiring diagram (Figure 2).
Figure 1
Single-Pole Wiring Diagram
About wire connections: 0.5 in. (12.7 mm)
Back wire
Torque: 14 lbf-in
H = Hot (black wire) 
N = Neutral (white wire) 
G = Ground (green/bare wire) 
L = Load (black wire) Figure 2
Three-Way Wiring Diagram
COM is the common terminal. For three-way control only on/off function is available.
H = Hot (black wire) 
N = Neutral (white wire) 
T = Traveler (wire color varies) 
G = Ground (green/bare wire) 
L = Load (black wire) - Tighten the connections and ensure that no bare conductors are exposed.
- Insert the dimmer switch into the standard outlet wall box. Attach the switch to the wall box using the supplied screws.
- Install the appropriate wall plate (not included). See Figure 3.
- Restore power and test system.
Figure 3 : Wall Plates
** = color code
WH (white)
LA (light almond)
BK (black)
GY (gray)
Operation
Table 1
Multigang Single-Load Type
| Single-Load Type | Maximum Load Rating | Derating for Multiple 2-Gang | Derating for Multigang |
| Incandescent lamp | 600 W | 500 W | 400 W |
| Dimmable LED | 150 W | 150 W | 150 W |
Table 2
Combined Bulb Type
| Combined Bulb Type | |||
| If the combined wattage of ALL LED/bulbs on one (1) dimmer switch is: | Then the maximum COMBINED wattage for the incandescent/bulbs on EACH attached dimmer switch: | ||
| If NO tabs are removed, maximum wattage is: | If tabs on one (1) side are removed, maximum wattage is: | If tabs on two (2) sides are removed, maximum wattage is: | |
| 0 W | 600 W | 500 W | 400 W |
| 1–25 W | 500 W | 400 W | 300 W |
| 26–50 W | 400 W | 300 W | 200 W |
| 51–75 W | 300 W | 200 W | 100 W |
| 76–100 W | 200 W | 100 W | 50 W |
| 101–125 W | 100 W | 50 W | 0 W |
| 126–150 W | 0 W | 0 W | 0W |
Figure 4 :
Switch Operation







NOTE: Slide the switch to the left to disconnect the power while replacing light bulbs. Slide it to the right for normal operation. The air gap switch must be all the way in for the dimmer switch to function and control the lighting.
Tap (short press) the bottom of the dimmer switch paddle to turn the power OFF. Pressing and holding the dimmer switch paddle until the light intensity is at the minimum setting does not turn the power OFF.
Troubleshooting
| LED Indicator Light | Possible Cause |
| Lights flickering | Lamp has bad connection. |
| Wires not secured firmly with wire connectors. | |
| LED flickers at low end of dimming range | Increase the low end of the dimming range by brightening the light. Begin dimming but stop before the point at which the LED flickers. |
| LED bulb flickers throughout dimming range | Ensure the bulbs are marked dimmable. Refer to recommended dimmable LED bulbs at www.se.com. |
| Light does not turn ON | Circuit breaker or fuse has tripped. |
| Lamp is burned out. | |
| Lamp or dimmer neutral connection is not wired. |
FCC Compliance Statement
Federal Communication Commission Interference Statement
The equipment has been tested and found to comply with the limits for a class B Digital Device, pursuant to part 15 of the FCC Rules. These limits are designed to provide reasonable protection against harmful interference in a residential installation. This equipment uses, generates and can radiate radio frequency energy and, if not installed and used in accordance with the instruction, may cause harmful interference to radio communication. However, there is no guarantee that interference will not occur in a particular installation. If this equipment does cause harmful interference to radio or television reception, which can be determined by turning the equipment off and on, the user is encouraged to try to correct the interference by one or more of the following measures:
- Reorient or relocate the receiving antenna.
- Increase the separation between the equipment and receiver.
- Connect the equipment into an outlet on a circuit different from that to which the receiver is connected.
- Consult the dealer or an experienced radio/TV technician for help.
FCC Supplier’s Declaration of Conformity
Product Name: RCKR DUAL-LD DIMMER
Model number: SQR22601WH,SQR22601BK, SQR22601LA, SQR22601GY
Suppliers Name: Schneider Electric
Suppliers Address (USA): 800 Federal Street Andover, MA 01810 USA
Suppliers Website: www.se.com/us
FCC Statement
This device complies with part 15 of the FCC Rules. Operation is subject to the following two conditions: (1) This device may not cause harmful interference, and (2) this device must accept any interference received, including interference that may cause undesired operation.
ISED Statement
This Class [B] digital apparatus complies with Canadian CAN ICES-003(B).
This device contains licence-exempt transmitter(s)/receiver(s) that comply with Innovation, Science and Economic Development Canada’s licence-exempt RSS(s). Operation is subject to the following two conditions:
- This device may not cause interference.
- This device must accept any interference, including interference that may cause undesired operation of the device
Warranty Information
Schneider Electric warranties its products to be free of defects in materials and workmanship for a period of two (2) years. There are no obligations or liabilities on the part of Schneider Electric for consequential damages arising out of or in connection with the use or performance of this product or other indirect damages with respect to loss of property, revenue, or profit, or cost of removal, installation, or reinstallation.
Electrical equipment should be installed, operated, serviced, and maintained only by qualified personnel. No responsibility is assumed by Schneider Electric for any consequences arising out of the use of this material.
Schneider Electric and Square D are trademarks and the property of Schneider Electric SE, its subsidiaries, and affiliated companies. All other trademarks are the property of their respective owners.
Customer Support
Schneider Electric USA, Inc.
800 Federal Street
Andover, MA 01810 USA
888-778-2733
www.se.com/us

References
P65Warnings.ca.gov
p65warnings.ca.gov/
Schneider Electric Global | Global Specialist in Energy Management and Automation
Schneider Electric Canada | Global Specialist in Energy Management and Automation
Schneider Electric Mexico | Servicios de Renovación y Retrofit de Schneider Electric
Schneider Electric USA | Global Specialist in Energy Management and Automation




























