Schneider Electric SQR226U1 Square D X Series Wi-Fi Dimmer Switch

Retain for Future Use
Introduction
- Perfect Replacement for regular wall ON/OFF & Dim switch, 120VAC
- Manual and Remote ON/OFF& Dim control of any permanently installed incandescent, dimmable LED fixture
- Preset light level option allows the dimmer will turn on to the light level that it was adjusted to the previous time when the light was on
- Can be used for single pole or 3-Way (Multi-location) with Rocker Switch (sold separately)
- Air-Gap Switch feature meets UL requirement and disconnect power from load locally.
- Wi-Fi® is a registered trademark of Wi-Fi Alliance R
Specifications
| Specifications |
| SQR226U1**W |
| Voltage 120 Vac, 60 Hz |
| Incandescent 600 W |
| Dimmable LED 150 W (1.25 A) |
| Operating Temperature 32-104 F (0-40 C) |
| Supply Connection 14 AWG Wires, suitable for atleast 167F (75 C) |
| Wireless Type Wi-Fi®, IEEE 802.11b/g/n |
| Wireless Frequency 2.4GHz |
Precautions

WARNING
HAZARD OF HEAT AND FIRE DAMAGE
Read all instructions before installation. The manufacturer will not be held responsible for product damage resulting from not following the instructions.
- Wet hands are strictly prohibited.
- Work strictly according to the rated load.
- Do not continue working after self-disassembly of any nature and damage of external forces
Failure to follow these instructions can result in death, serious injury, or equipment damage.
Installation

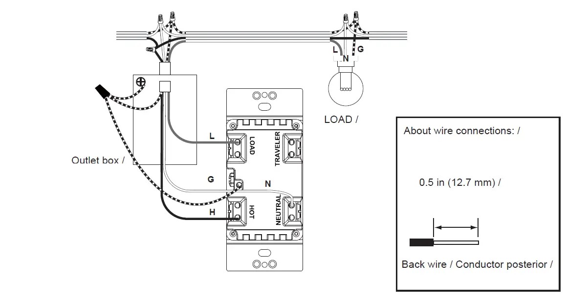
Single Pole Wiring Diagram

- H = Hot (black wire)
- N = Neutral (white wire)
- G = Ground (green/bare wire)
- L = Load (black wire)
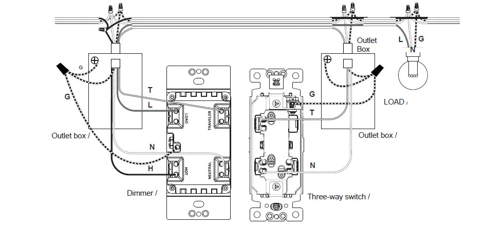
3-way wiring Diagram

- H = Hot (black wire)
- N = Neutral (white wire)
- T = Traveler
- G = Ground (green/bare wire)
- L = Load (black wire)
NOTE: COM is the common terminal. For three-way control only on/off function is available.

Wall Plates

Multigang Single Load Type

Combined Bulb Type

Operation
Air gap switch
- The dimmer has an air gap switch on the lower side to completely disconnect power to the load. Slide the air gap switch to the left to disconnect the power while replacing light bulbs. Slide it to the right for normal operation.
- The air gap switch must be all the way in for the dimmer to function and control the lighting.

Local control
NOTE: After a power failure the dimmer returns to the off state. Pressing and holding the dimmer switch paddle until the light intensity is at the minimum setting does not turn the power OFF, you must still tap (short press) the bottom of the dimmer switch paddle to turn the power OFF
SE Wiser App Control
- Download Wiser by SE app from the App Store or Google Play.
- Connect mobile device to your 2.4GHz Wi-Fi® network. Please note this Smart Dimmer Switch can only be connected to 2.4GHz network.
- Please Note: When power is reconnected after the interruption, the LED indicator in green will flash quickly which means that the Dimmer is searching for Wi-Fi®. It will stop flashing and turn off when Wi-Fi® is connected successfully for 5 seconds. when the LED indicator in solid green that means your network anomaly, pls check the network.
LED Indication
| Indication / | State / | Description / |
| AP | The LED indicator shall start single blinking. | |
|
| Connected | The LED indicator will be turned to solid on once the cloud connectivity is established. The on state shall last for up to 1 minute. |
|
| Offline | Once the device is offline, it shall enter a double blinking pattern for 3 minutes. After, the indicator shall track load status. |
| Operating | The LED indicator shall track the load on/off status. By default, when load is on, the LED should be on, and vice versa. Notice the tracking state could be reversed if it is configured so. |
Restoring Procedure

| L0 reset: Wi-Fi function reboot. | Long press (T > 5s) reset button. |
| L1 reset: Leave network; Re-enter AP mode. | Long press (T > 10s) reset button. |
| L2 reset: Leave network and clear all configurations. | Long press (T > 20s) reset button. |
Troubleshooting
| LED Indicator Light | Possible Cause |
| Lights flickering /
| Lamp has bad connection. |
| Wires not secured firmly with wire connectors. | |
| LED flickers at low end of dimming range /
| Increase the low end of the dimming range by brightening the light. Begin dimming but stop before the point at which the LED flickers |
| LED bulb flickers throughout dimming range /
| Ensure the bulbs are marked dimmable. Refer to recommended dimmable LED bulbs at www.se.com. / |
| Light does not turn ON
| Circuit breaker or fuse has tripped. / El interruptor automático o fusible se ha disparado. / Le disjoncteur ou le fusible s’est déclenché. |
| Lamp is burned out. | |
| Lamp or dimmer neutral connection is not wired. |
FCC Compliance Statement
Federal Communication Commission Interference Statement
The equipment has been tested and found to comply with the limits for a class B Digital Device, pursuant to part 15 of the FCC Rules. These limits are designed to provide reasonable protection against harmful interference in a residential installation. This equipment uses, generates and can radiate radio frequency energy and, if not installed and used in accordance with the instruction, may cause harmful interference to radio communication. However, there is no guarantee that interference will not occur in a particular installation. If this equipment does cause harmful interference to radio or television reception, which can be determined by turning the equipment off and on, the user is encouraged to try to correct the interference by one or more of the following measures:
- Reorient or relocate the receiving antenna.
- Increase the separation between the equipment and receiver.
- Connect the equipment into an outlet on a circuit different from that to which the receiver is connected.
- Consult the dealer or an experienced radio/TV technician for help.
FCC Radiation Exposure Statement
This equipment complies with FCC radiation exposure limits set forth for an uncontrolled environment. This equipment should be installed and operated with minimum distance 20 cm between the radiator and your body.
RF Exposure: A distance of 20 cm shall be maintained between the antenna and users, and the transmitter module may not be co-located with any other transmitter or antenna.
Non-modification statement
Any changes or modifications not expressly approved by the party responsible for compliance could void the user’s authority to operate this equipment.
FCC Supplier’s Declaration of Conformity
- Product Name: Wi-Fi® 600W DIMMER SINGLE POLE
- Model number: SQR226U1WHW, SQR226U1LAW, SQR226U1BKW
- Suppliers Name: Schneider Electric
- Suppliers Address (USA): 800 Federal Street Andover, MA 01810 USA
- Suppliers Website: www.se.com/us
FCC Compliance Statement
This device complies with part 15 of the FCC Rules. Operation is subject to the following two conditions: (1) This device may not cause harmful interference, and (2) this device must accept any interference received, including interference that may cause undesired operation.
ISED Statement / Déclaration d’ISED
This Class [B] digital apparatus complies with Canadian CAN ICES-003(B).
This device contains licence-exempt transmitter(s)/receiver(s) that comply with Innovation, Science and Economic Development Canada’s licence-exempt RSS(s). Operation is subject to the following two conditions:
- This device may not cause interference.
- This device must accept any interference, including interference that may cause undesired operation of the device.
- This equipment complies with ISED RSS-102 radiation exposure limits set forth for an uncontrolled environment. This equipment should be installed and operated with a minimum distance of 20 cm between the radiator and any part of your body.
Model numbers: SQR226U1WHW, SQR226U1LAW, SQR226U1BKW
Warranty Information
Schneider Electric warranties its products to be free of defects in materials and workmanship for a period of two (2) years. There are no obligations or liabilities on the part of Schneider Electric for consequential damages arising out of or in connection with the use or performance of this product or other indirect damages with respect to loss of property, revenue, or profit, or cost of removal, installation, or reinstallation.


















