JANUS G3 The-Panel Mount EMS Elevator Phone User Manual
Installation
- Mount phone on the car station.
- Attach red lens cap and bezel to ¼” hole on car station.
- Insert LED into lens cap and plug wire into the white LED1 connector.
NOTE: On 2 LED version phones, red LED (LED1) goes to “Call in Progress” and green LED (LED2) goes to “Alarm Received”. - Attach emergency button leads to the green connector at “BUT”.
- Attach phone line to the green connector at “TEL” or the P1 (TELCO) modular phone jack if available.
NOTE: See G3 Phone Layout and P.C. Board Diagrams for all connections.
CAUTION: To reduce or eliminate any possible interference, it is highly recommended that the wiring used inside the traveling cable for the incoming phone line is 20-22 AWG twisted shielded pair with the shield grounded at the elevator controller end only. Any terminations or splices between the elevator controller and the elevator phone should have the shield carried through the termination of splice and not grounded at that point.
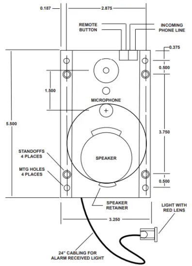
G3 Phone Layout

P.C. Board Diagram 1 Front view

P.C. Board Diagram 2 (Back View with Optional Relay/AUX)

P.C. Board Diagram 3 (Back View with Optional LM Module)

Programming Set-Up Methods
There are two methods of setting up the G3 phone for programming. Select the one applicable to your situation as described below.
NOTE: The telephone line provided must be a touch tone line.The phone can be programmed at any location and then installed in the elevator cab. The phone will retain its programming without the need for a battery.
Method A: Calling the elevator phone to program it.
- From any touch tone phone, call the phone number to which the elevator phone is connected.
- After four rings (OR if the “HELP” button is pressed) the elevator phone will turn on automatically and you will hear a diddle-diddle-diddle sound.
NOTE: If there is more than one elevator phone on the same phone line you will need to have someone press the “HELP” button on each phone, or disconnect the others, in order to program each phone. - Go to the “Programming Instructions” section to continue.
- After programming the phone, you should test it by pressing the “HELP” button. The test will ensure the phone is functioning correctly and as programmed.
Method B: Using the keypad on the board to program it.
- Disconnect the phone line from the green connector at “TEL” or the P1 (TELCO) modular phone jack if available.
- Connect a 9-volt battery to the battery clips on the board.
- Wait 30 seconds and then press the “PROGRAM” button above the keypad.
- Make sure that the red light of the phone turns on. If it does not, go back to step 3 and start again.
- The elevator phone will turn on and you will hear a diddle-diddle-diddle sound.
- Go to the “Programming Instructions” section.
- When you have completed the programming of the phone you can unplug the 9-volt battery.
- After programming the phone, you should test it by pressing the “HELP” button. The test will ensure the phone is functioning correctly and as programmed.
Programming Instructions
- Choose programming setup method A or B.
- Enter # 94851 or # 9000000 to get into programming mode. Listen for three beeps.
NOTE: Enter touch tone digits slowly and deliberately.
NOTE: Once you are in programming mode, you can perform any programming step in any sequence as long as you get three beeps after your programming entry. - Enter # 0 (enter the first phone number to be programmed) * #. Listen for three beeps. EXAMPLE: # 0 5551212 * #.
NOTE: If you are on a phone line that requires a “9” or another digit to call the answering service, enter a # after the 9. This will insert a 4 second pause. EXAMPLE: # 09 # 5551212 * #. - Enter # 1 (enter second phone number to be programmed) * #. (Optional)
- Enter # 2 (enter third phone number to be programmed) * #. (Optional)
- Enter # 3 (enter fourth phone number to be programmed) * #. (Optional)
- Enter # 7 and listen for the single beep. At the beep, record the location message by speaking into the touch tone phone handset or into the microphone of the G3 phone when using the keypad to program. Enter 0 to end. If you want to listen to the location message without changing it, enter # 8.
- Enter # * 1180183 * # and listen for three beeps (enables voice prompt messages).
- Enter # # to hang up the phone
Optional Programming Instructions
PURPOSE: To Eliminate Autodialing:
To disable the G3 unit from dialing a phone number (used on a ring down telephone line).
- Enter # 94851 or #9000000 and listen for three beeps.
- Enter # 0 * #, listen for three beeps, enter # 1 * #, listen for three beeps.
- Enter # 2 * #, listen for three beeps, enter # 3 * #, listen for three beeps.
- Enter # * 1180180 * #, listen for three beeps. (Optional)
- Enter # # and hang up.
PURPOSE: To Disable the Voice Prompt Message:
To disable the voice prompt from saying: “Elevator call, at the tone press one to talk, press two for location”
- Enter # 94851 or #9000000 and listen for three beeps.
- Enter # * 1180180 * #, listen for three beeps.
- Enter # # and hang up.
CAUTION: This option cannot be used with two or more number dialing.
PURPOSE: To Disable Voice Prompt Message and Delay Voice Location Message
To disable the voice prompt and have the location message play automatically every 19 seconds.
- Enter: # 94851 or #9000000 and listen for three beeps.
- Enter: # * 1180185 * # and listen for three beeps.
- Enter: # # and hang up.
PURPOSE: To Enable Voice Prompt Message (DEFAULT):
To enable the voice prompt message to say: “Elevator call, at the tone press one to talk, press two for location”.
- Enter # 94851 or #9000000 and listen for three beeps.
- Enter # * 1180183 * # and listen for three beeps.
- To program location message, see programming instructions.
- Enter # # and hang up.
List of Commands for Programming Mode
NOTE: The phone enters Programming Mode after completing step 2 of the Programming Instructions.
- #0 First Phone Number *#
- #1 Second Phone Number *#
- #2 Third Phone Number *#
- #3 Fourth Phone Number *#
- #4 Identification Code *#
- #5 Programming New Password *# – Set Programming Access Code
- #7 – Records location message
- #8 – Plays back location message
- #* 1 XXX Y W Z *# – setup code (Default is: #* 1 180 1 8 3 *#)
- XXX – Call Timer [000,060-990], 000=Disable timer
- Y – Push Button Control [0-2]
[0] Push on = turn on/push again = play message
[1] Push on = turn on/push again = turn off
[2] Push and hold = turn on/release = turn off
[3-8] Push and hold to turn on for Y amount of seconds to make a call. If pushed for less than Y amount of seconds, turn off/push again = turn off - W – Unit ID [1-8]
- Z – Voice Mode [0,3 or 5]
- **42 X *# – Ring Count (for incoming calls) (0-9 range, 4 = default, 0 = no answer)
- **43 X *# – Ring Time (for outgoing calls) (18-60 range, 50 is default)
- **44 X *# – AUX1 behavior (0-2), 0 = disabled, 1 = red led, 2 = green led, 3 = VCC mode
- **45X*# – Redial, 0 = disabled (Default), 1 = Dial the number 1 more time, 2 = Dial the number 2 more times
- **8 XX *# – Set Language (1 = English: default, 2 = Spanish, X= [1-2] (must have 2 digits)
NOTE: **8XX*# will play both messages according to the order specified. (Ex// **812*# = English then Spanish or **821*# = Spanish then English)
NOTE: If second message is not used, enter ʻ0ʼ for that message. For example, if you want to set to play English only you must program: **810*#.
- **7 0 *# – Ring-Thru Converse Mode (Default). With this setting, the G3 will automatically enter two way communication after it has answered an incoming call.
- **7 1 XXXX *# – Hang Up Converse Mode – Set Remote Access Code.
NOTE: When user calls in they have 5 seconds to enter the 4 digit password set by *71. If not or the wrong code is entered, a long beep will be heard and the phone will turn OFF. If the correct code is entered, 3 beeps will be heard and two way communication will be established. The speaker and microphone will both be muted until the correct code is entered.
NOTE: If you forget the code, the unit can be reset by using the keypad method to program it.
- ## – Exits programming mode
- **90 *# – Sets the following Default Values:
- #*1180183*# – Default Setup Code.
- **43 50 *# – Ring Time (for outgoing calls)
- **45 0*# – Disable Redial
Auxiliary Outputs Information
AUX/Relay (optional): The AUX output by default will not be active (open). If the user would like to activate this output they must program code:
**44X *# – which controls the AUX behavior. The letter X on this code could be substituted by 0, 1, 2, or 3.
0 = Disabled (default) – The AUX will stay OPEN.
1 = Red LED mode – The AUX will close when the red LED turns ON and Open when the red LED turns “OFF”
2 = Green LED mode – The AUX will close when the green LED turns ON and Open when the green LED turns “OFF”
3 = VCC mode – The AUX will close when the phone turns ON and open
when the phone turns “OFF”
AUX2 (optional): The AUX2 output is used for phone line monitoring. When a good phone line is connected to the unit this output is normally open. If the telephone line drops below 2 volts, is disconnected, or shorted for more than 15 minutes, this output will close.
NOTE: AUX2 will only work if the optional 9-12VDC power supply is connected to the P15 connector of the board.
Battery and Power Supply Information
The following information explains how to determine when a battery or power supply is needed or when to use a specific type of battery
You will need a 9VDC battery or a 9-12VDC/12VAC power supply with 8.4V NiMH battery when:
- The phone drops off the telephone line without completing the call.
- There is more than one phone on the same telephone line and there is a need to call back to a specific elevator phone, or if all elevator phones need to be “ON” at the same time.
9-12VDC/VAC POWER SUPPLY: Can be used on all phone lines. The 8.4V NiMH battery supplied with the power supply will need to be checked every 12 months. An AC connection is required and the battery will be charged by the power supply connected to the P15 connector of the board. The P15 connector is polarity sensitive so use caution when connecting to it (P15 is labeled with + and -).
CAUTION: DO NOT use an alkaline or lithium battery when the power supply is connected to the P15 connector.
Troubleshooting Guide
Always visually check the phone for loose or shorted wires, physically damaged, or missing components. The phone will not work on a Digital phone line. It will only work on an Analog phone line or an Analog port from a Digital phone system.
Problem: Phone would not turn ʻONʼ
Possible Cause:
- Check phone line connection
- Check phone line voltage (normal C.O. line 48-52VDC or 20- 35VDC – internal systems)
- Try connecting a fully charged 9-Volt battery
- Make sure phone line is connected to the green connector at TEL or the P1 (TELCO) modular phone jack if available (see P.C. Board Diagram)
- Check if unit is pulling down line voltage (you should read the same as the phone line voltage)
- Check voltage at controller
- Check button connection
- On an OEM style phone, remove button connector and try shorting button connection at BUT pins.
Problem: Phone dials incorrect number
Possible Cause:
- Check number programmed into phone
- Plug a phone in the jack and call the same number you are trying to program to see if you can call out
- Check to see if the phone is on a ring down line
- Check to see if another auto dialer is on the line and remove it
- Reprogram unit
Problem: No sound through the speaker
Possible Cause:
- Check speaker connection (see P.C. Board Diagram)
- Try calling into unit and speaking to person in the car
- Measure the resistance of the speaker which should read approximately 40-45ohms
- Make sure the speaker is not physically damaged
Problem: Noise on the line
Possible Cause:
- Check if twisted shielded pair was used
- Check if shield was connected to ground at the controller end only
- Measure AC voltage on line, it should be zero • Check button connection
- Try a spare pair of wires through traveling cable
- Check if wire is running through hoistway by itself
Problem: Phone dials out but has broken communication
Possible Cause:
- Check if voice prompt message is being stopped
- Check if there is loud background noise in cab
- Check location of microphone
- Check mounting of unit
- Hold unit in hand and test
- Try adjusting the speaker and microphone volumes
- Check to see if person answering call is using a headset as they could cause problems
Problem: Phone rings busy
Possible Cause:
- Check if other devices are on the line
- Check where phone line is properly connected to the unit
- Check voltage on phone line
- Check polarity on phone line
- Make sure unit is off
- Remove unit from the line to see if line is still busy
Problem: Phone does not auto answer
Possible Cause:
- Check phone line connection
- Check ring voltage (min. 30VRMS)
- Check phone line ringing with a touch-tone phone (use the black jack on P.C. board)
- Make sure phone line is connected to the green connector at TEL or the P1 (TELCO) modular phone jack if available (see P. C. Board Diagram)
Problem: Phone cannot be programmed
Possible Cause:
- Try holding down keys slowly and deliberately
- Try disconnecting the speaker (see P.C. Board Diagram)
- Make sure you are using a touch tone phone
- If you are using a cell phone do not stand in the car
- Check to see if phone is hearing tones (a red LED flickers when a DTMF tone is received)
- Check if twisted shielded pair was used
- Check if shield was connected to ground at the controller end only
- Measure AC voltage on line, it should be zero voltage
- The phone will only work on an Analog phone system and not Digital
Specifications
Input Connections: One shielded twisted pair communication cable (shield should be grounded at the controller only).
Phone Line Requirements: Standard (Analog) loop start voice grade touch tone telephone line, PBX, or key system station analog telephone line.
Mechanical
Size (H x W x D): 5.5in x 3.2in x 0.75in (140mm x 81mm x 19mm)
Weight: 0.37lbs (0.17Kg)
Electrical
Optional AC Adapter: 9-12VDC/VAC @ min. 200mA
Operating Current Range: 18mA to 55mA
Phone Line Voltage: On-hook 24VDC to 70VDC (nominally 48VDC)
Phone Line Voltage: Off-hook 8 to 20VDC (nominally 14VDC)
Dialing: DTMF (Dual Tone Multi-Frequency)
Frequency Response: 550Hz – 3400Hz +/- 3db.
Operational Loop Impedance: 600 ohms
Ring Sensitivity: 30 – 120VAC RMS
FCC Registration: US: NLFTE07BG3X7771
Ringer Equivalency Number: 0.7B
Environmental
Operating Temperature Range: 32 to 122F (0 to 50C)
Storage Temperature Range: -4 to 158F (-20 to 70C)
Relative Humidity: Up to 95% (non-condensing)
Contact Us
If you have questions or problems, please call Janus technical support for assistance at 800-527-9156 or visit our website at www.avire-global.com.
Scan the QR code using your smart phone to connect to our Automated Programming System. (APS-Tel: 631-864-4759)

















