INTIEL Controllers DT 3.1 Programmable Differential Thermostat

Safety instructions
- Before installation, check the integrity of the unit and its connecting wires.
- In case of damaged can not be mounted to the removing of the fault.
- The installation and disassembly of the unit must be carried out by qualified personnel who have previously read the product manual.
- Mount in a dry and ventilated place away from heat sources and flammable gases or liquids.
- Make sure that the mains voltage matches the voltage on the rating plate of the unit.
- Use power consumers that match the power output of the appliance.
- In the event of malfunctioning, switch off the appliance immediately and seek authorized service for repair.
- In case of fire, use a fire extinguisher.
- For the purpose of environmental protection, do not throw away electrical appliances and their packaging marked with a symbol crossed bin
Contents of the package
- The controller
- Sensors type Pt 1000-2 pcs.
- User guide (warranty card)
Application
The solar controller is integrated into domestic hot water systems in boilers (water heaters), combined with solar panels (fireplaces) and electric heaters. It is designed to monitor the differential temperature and to control the operation of a circulation pump mounted in the water circuit between the panels (fireplace, boiler) and the boiler coil. This regulates the heat exchange between them, helping to make the system more efficient.
How it works
The controller has two temperature sensors installed in the water heater and the solar panels. The operation of the controller is determined depending on the set parameters and the measured temperature. The following parameters are monitored during operation:
- delta T (∆Т) – Set difference between panel and boiler temperatures (differential difference). It can be set between 2 and 20 °C. Default setting is 10 °C;
- Tbset – Set temperature in the boiler to which it can normally be heated by solar panels (fireplace, boiler). It is set in the range from10 to 80 °C. Default setting is 60 °C;
- Тbmax – Critical, maximum allowable temperature in the boiler. It is set between 80 and 100 °C. Default setting is 95 °C;
- Тpmin – Minimum temperature of solar panels. It is set in the range from 20 to 50 °C. Default setting is 40 °C;
- Тpmax – Maximum permissible temperature of solar panels (fireplace). It is set between 80 and 110 °C. Default setting 105 °C;
- Тpdef – Defrosting temperature of solar panels. It is set in the range -20 to 10 °C. Default setting without defrost – OFF;
- Тbmin – Minimum temperature in the boiler below which the defrosting of the panel is stopped. Cannot be set. Default setting is 20 °C;
- tcool – Time to delay the boiler cooling function to the set Tbset temperature. The controller will wait for the time specified in this setting to expire and if the condition is met Tp<Tb-2 °C, will turn the pump on until it reaches Tbset. Default setting is 4 hours.
If necessary, a correction can be made in the readings of the measured temperatures:
Tbc – Correction of the reading from the boiler temperature sensor;
Tpc – Correction of the reading from panel sensor;
The setting is in the range -10 to + 10 °C. The default is 0 °C.
Deviations in the readings of the temperature values can be the result of cables that are too long or from poorly positioned sensors.
The operation of the controller is determined depending on the set parameters and the measured temperature of the solar panel and the boiler as follows:
Normal operating modes
- If the differential temperature (∆t) of the solar panel (fireplace) and the boiler is greater than the set point ∆Т + 2 °C, the pump is switched on and the boiler is heated from the panels. In the process of heating the boiler, ∆t decreases. Once the actual ∆t is aligned with the set ∆Т, at certain intervals, a start and stop signal
from the relay output is sent to the pump. The work and pause intervals depend on the difference between ∆Т and ∆t. The smaller the difference, the longer the interval for pump operation and the smaller the pause. When ∆t becomes equal to or less than zero, the pump stops. Adjustment is with a period of 600s (10 min). - The boiler is heated under the above conditions only until the temperature in the boiler is equal to the set Tbset, after which the pump is switched off and the heating is stopped;
- – If the temperature of the panels (fireplace, boiler) falls below Tpmin, the pump operation is prohibited, even though the conditions ∆t>∆T+2 °C and Tb<Tbset may be present;
- At the temperature of the panels below Тpdef and the anti-freeze function enabled, the pump is forced to start, even though it was switched off due to the temperature drop below Тpmin;
- If in the previous mode the temperature of the boiler becomes lower than Тbmin, the pump is switched off by stopping the defrosting of the panels;
- “Vacation” mode. The mode is intended for cases when no hot water is consumed from the boiler for a long time. When activated, the set boiler temperature is set to 40 °C. The pump is switched on when necessary to prevent the
panel from overheating (Тpmax).
Activate/deactivate the mode – by pressing and holding “▄” button for more than 3 seconds. After releasing the button, an icon lights up on the display.
Emergency modes
- If during the boiler heating process the temperature of the panels (fireplace) exceeds Tpmax, the pump is forced to cool the panels. This is done even though the temperature in the boiler may exceed Tbset;
- If in the above emergency mode the temperature in the boiler reaches the critical maximum value Тbmax, the pump is switched off even though this may cause the panels to overheat. Thus the temperature in the boiler is of higher priority;
- When the temperature of the boiler Tb is above the set Tbset and when the temperature of the solar panels Tp falls below the temperature of the boiler, the pump is switched on until the temperature Tb drops to the set Tbset.
This cooling can be delayed from 0 to 5 hours. Sets using the parameter tcool (tcc). Default setting is 4 hours.
Front panel
The front panel contains the monitoring and control elements. custom LED display with numbers and symbols and buttons. The appearance of the front panel is shown in Figure 1.
LED display (1). Provides visual information about the current values of the measured values and the status of the system, through symbols (icons), as well as the ability to set the controller through a user menu.
- An indicator of the temperature of the solar panels, as well as a part of the menu showing the parameter to be adjusted;
- Boiler temperature indicator, as well as part of the menu showing the value of the parameter to be set;
- Real differential difference (∆t) represented graphically;

- Icons giving additional information about the status of the system:
The temperature of the solar panels is over Тpmax;
Indication of negative temperature of the solar panel;
Solar panel defrost activated;
The circulation pump is on;
“Vac ation” mode is on;
Th e water temperature in the boiler is higher than Тbmax or lo wer than Тbmin;
” Settings” menu;
The button to access the “Settings” menu is disabled
Button functions:- “▲” – (3) scroll forward in the menu, increase value;
- “▼” – (4) scroll back in the menu, decrease value;
- ” ▄” – (5) access menu, select, save changes.
Settings
After the power is turned on, the thermostat starts in the initial state, in which it displays the temperature of the water heater and solar panels. To access the settings menu, press the button “▄”. Icon lights up on the display.
Use buttons “▲” и “▼” to select a parameter. To change its value, press a button “▄”. The value will start flashing, you can change it using buttons “▲” and “▼”. To confirm and record in the memory, press the button “▄”.
All parameters, the range in which they can be changed as well as their default values are described in Table 1.
To exit from the menu select “Еnd SEt” and press the button “▄”.
If no button is pressed for 15 seconds, the controller automatically exits from the menu. If this happens while changing a value (the value is flashing), then the change will not be stored in memory.
Lock menu access
The menu can be locked to prevent unintentional changes to settings. This is done by simultaneously pressing and holding for 2 seconds the buttons “▲” и “▼”. After releasing the buttons, an icon indicating activated protection lights up on the display.
To unlock the menu, the buttons “▲” and “▼” must be pressed and held again for 2 seconds.
- Emergency alarm conditions
- Icon
lights up in the following cases:- when the water temperature in the boiler exceeds Тbmax;
- when the water temperature in the boiler drops below Тbmin.
- Icon lights
up when solar panels temperature above Тpmax. - Icon lights up
when temperature of the solar panels is negative. - When measured temperature of the boiler or solar panels is outside the defined range from -30° to +130 °С.
- when any of the temperatures are higher than +130 °C appears “tHi” on the display;
- when any of the temperatures are lower than -30 °C appears “tLo” on the display.
- Icon
- Electrical connection
Electrical connection includes sensor connection, mains supply and controlled pump according to Figure 2. The sensors are Pt1000 type – non-polar.
If necessary, the connecting cables of the sensors can be extended, taking into account the total resistance of the two wires – sensitivity of the
indication 1°С/4Ω. A recommended length that does not affect the measurement is up to 100m. Terminals 8, 9 are input for the sensor from the solar panels. Terminals 10, 11 are input for the sensor from the boiler. A Pt1000 sensor is connected to them. Terminals 1, 2 and 3 are supplied with neutral, phase and protective earth respectively from the mains.The pump is connected to terminals 4, 5 and 6, on which protective earth, neutral and phase come out, respectively. A phase (L2) is output on terminal 7, while it is not output on terminal 6 (L1).
Attention: In order to remove the static electricity that accumulates in the solar panels, it is mandatory that they as well as their metal structure to be grounded. Otherwise, there is a risk of damaging the sensors as well as the controller. - Exemplary hydraulic connection diagrams
- Heating the boiler only from solar panels

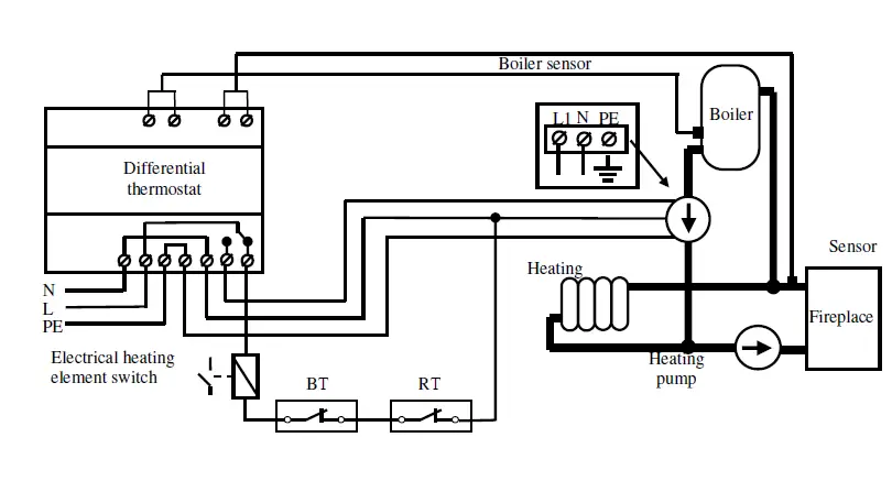
- Heating the boiler from solar panels and electric heaters

- RT – working thermostat of the boiler
- BT – blocking thermostat of the boiler
- Heating of the boiler only from a fireplace and an “open – closed” magnet valve.

- Heating of the boiler from fireplace and electric heaters

- RT – working thermostat of the boiler
- BT – blocking thermostat of the boiler .
- Heating the boiler only from solar panels
Table 1
| P A R A M E T E R | ||||
| Indication | Description | Range | Default settings | User settings |
| dt | Set temperature difference between the solar panels and the boiler – ∆T | 2 ÷ 20 °С | 10 °С | |
| tbS | Set temperature in the boiler to which it can normally be heated by the solar panels. Tbset | 10 ÷ 80 °С | 60 °С | |
| Minimum temperature in the boiler below which the defrosting of the panels stops. Тbmin | not set | 20 °С | ||
| tbH | Maximum allowable temperature in the boiler. Tbmax | 80 ÷ 100 °С | 95 °С | |
| tPL | Minimum temperature of solar panels. Трmin | 20 ÷ 50 °С | 40 °С | |
| tPH | Maximum allowable temperature of solar panels. Трmax | 80 ÷ 110 °С | 105 °С | |
| tPd | Temperature at which solar panels are allowed to defrost. Тpdef | -20 ÷ 10 °С | OFF | |
| ttc | Cooling delay time to set temperature. | 0 ÷ 5 h. | 4 h. | |
| Tb correct | Correction of the indication temperature Tb | -10 ÷ 10 °С | 0 °С | |
| Tp correct | Correction of the indication temperature Tp | -10 ÷ 10 °С | 0 °С | |
Technical data
- Power supply ~230V/50-60Hz
- Switching current 7А/~250V/ 50-60Hz
- Number of output contacts one relay
- Differential temperature 2° – 20 °С
- Sensor type Pt1000 (-50° to +250 °C)
- Current through the sensor 1mA
- Measuring range -30° to +130 °C
- Display type custom LED indication
- Unit of measurement 1 °С
- Environmental temperature 5° – 35 °C
- Environmental Humidity 0 – 80%
- Degree of protection IP 20
Warranty
The warranty period is 24 months following the purchase date of the unit or its installation by an authorized Engineering Company, but not exceeding 28 months after the production date. The warranty is extended to the malfunctions that occur during the warranty period and are result of the production reasons or defective used parts.
The warranty does not relate to malfunctions corresponding to not-qualified installation, activities directed to the product body interference, not regular storage or transport.
The repairs during the warranty period can be done after correct filling of the manufacturer warranty card.


If necessary, the connecting cables of the sensors can be extended, taking into account the total resistance of the two wires – sensitivity of the





















